Что-то не так?
Пожалуйста, отключите Adblock.
Портал QRZ.RU существует только за счет рекламы, поэтому мы были бы Вам благодарны если Вы внесете сайт в список исключений. Мы стараемся размещать только релевантную рекламу, которая будет интересна не только рекламодателям, но и нашим читателям. Отключив Adblock, вы поможете не только нам, но и себе. Спасибо.
Как добавить наш сайт в исключения AdBlockРеклама
Телепередатчик с антенной
|
Дополнив видеомагнитофон несложной приставкой, можно превратить его в маленький телецентр и наладить местное телевещание в небольшом поселке, деревне, детском лагере. Полная структурная схема устройства показана на рис.1. Выполнена она на распространенных деталях, не требует никаких изменений в видеомагнитофоне и телевизоре.
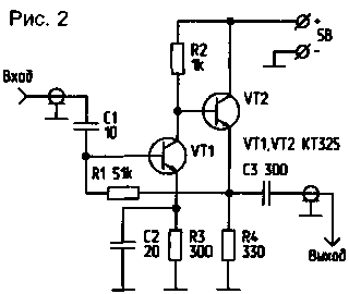
В отечественных ВМ имеется выход "ВЧ", он позволяет производить трансляцию программы на антенный вход телевизора, включенного на 6-й канал метрового диапазона. Усилив сигнал, можно передавать его на расстояние несколько сот метров. Прием ведется на обыкновенный телевизор, для чего используется отдельная антенна А2, ориентированная на передающую антенну A3. Последнюю желательно установить как можно выше, например на крыше дома. Принятый сигнал для более уверенного приема усиливается антенным усилителем, принципиальная схема которого приведена на рис.2.
Все соединения при монтаже усилителя должны быть минимальной длины. Питание — от источника с малым коэффициентом пульсации, иначе на экране телевизора могут возникать перемещающиеся или стоячие горизонтальные полосы. Лучше всего запитать схему с блока питания самого телевизора через небольшой стабилизатор напряжения. Усилитель хорошо работает на всех 12 каналах диапазона MB, так что его можно использовать и для усиления сигналов местного телевидения. Передатчик подключается к "ВЧ выходу" видеомагнитофона, телевизор — через сопрягающее устройство к его выходам "ВИДЕО" и "ЗВУК". Предварительный каскад передающего усилителя (рис.3) собран на полевом транзисторе VT1 с коэффициентом'усиления около 10.
На входе стоит конденсатор С1, имеющий очень маленькую емкость, поэтому устройство практически не вносит изменений в выходной сигнал видеомагнитофона. Сигнал усиливается двумя каскадами линейного усилителя мощности. В первом, имеющим наибольшее усиление, использован транзистор VT2, работающий в классе А. Выходной каскад (его усиление по мощности равно 5) выполнен на транзисторе VT3, обладающем повышенной электрической прочностью и хорошей линейностью. Для температурной стабильности каскада применен терморезистор R9, установленный на радиаторе, вблизи транзистора VT3. Кроме того, каскады разделены экранами. Коэффициент передачи всего устройства составляет около 40 дБ. Усилитель при этом развивает выходную мощность около 2,5 Вт. Выход его рассчитан на подключение нагрузки с сопротивлением 75 Ом. При монтаже конденсатор С1 непосредственно припаивается к центральной жиле кабеля, идущего от видеомагнитофона. Выводы конденсатора должны быть минимальной длины, как и все остальные соединения. Для обеспечения устойчивой работы базовые цепи транзисторов отделены от коллекторных. Сами транзисторы VT2 и VT3 помещены в углубления на радиаторе, и рядом с транзистором VT3 устанавливается терморезистор R9. Остальные детали собраны на печатной плате из двустороннего фольгированного стекло-текстолита, закрепленной на стойках на радиаторе. Фольга одной из сторон используется в качестве экрана. Отверстия под детали должны быть раззенкованы. Экраны между базовыми и коллекторными цепями транзисторов также выполнены из фольгированного стеклотекстолита. Они должны быть соединены с общим экраном схемы. В усилителе применены следующие детали: терморезистор — типа КМТ-1, подстроечные конденсаторы С6, С9, С11 — типа КТ4-21В. Дроссель Др1 намотан на резисторе МЛТ-0,25 сопротивлением 100 кОм проводом ПЭВ-1 0,12 в один ряд до заполнения, около 30 витков. Катушки — бескаркасные и намотаны посеребренным проводом диаметром 1 мм, L1 содержит 3 витка, внешний диаметр катушки — 10 мм, длина намотки — 6 мм; L2 содержит 4 витка, внешний диаметр катушки — 8 мм, длина намотки — 8 мм; L3 содержит 3 витка, внешний диаметр катушки — 8 мм, длина намотки — 5 мм; L4 содержит 4 витка, внешний диаметр катушки — 10 мм, длина намотки — 8 мм. Питать усилитель можно от любого стабилизированного источника, обеспечивающего при напряжении 20 В ток около 0,5 А, а при 12 В — около 80 мА. Для приемной антенны А2 лучше использовать 5-элементную антенну типа "волновой канал" (рис.4). Размеры ее приведены ниже в табл.1
Материалом для антенны служат алюминиевые или дюралюминиевые трубки. Наиболее подходящий диаметр: для несущей стрелы —18...22 мм, для вибраторов — 10...14 мм. Кабель снижения с волновым сопротивлением 75 Ом подключается к активному петлевому вибратору через U-колено (рис. 5). Длина колена — 530 мм. Место подсоединения кабеля к вибратору необходимо изолировать, покрыв его нитрокраской или эпоксидной смолой.
Передающей антенной A3, если корреспонденты расположены в одном направлении от передатчика, может послужить та же антенна, что используется на приемной стороне (рис.4). Если корреспонденты расположены по разные стороны "телецентра", лучше использовать так называемую "круговую антенну" (рис.6). Длины дабе-лей Е1 и Е2 выбираются равными и минимальными. Размеры антенны приведены в табл.2.
Вибраторы изготавливают из алюминиевых или дюралюминиевых трубок диаметром 10...16 мм. Для согласования их с кабелями Е1 и Е2 также используется U-колено (рис.5). Схема распределителя приведена на рис.7.
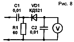
Для согласования нагрузки использован отрезок кабеля с волновым сопротивлением 50 Ом (РК-59-4-13, РК-50-2-13, РК-50-2-11) длиной 280 мм, а для снижения — с волновым сопротивлением 75 Ом с малым погонные затуханием, например РК-75-9-12 и РК-75-9-13. Настройку приставки начинают с передающего усилителя. Сначала подстройкой резистора R1 устанавливают ток транзистора VT1 в пределах 5...7 мА. Потом переходят к регулировке контуров С6 L2 и С9 L4. Подключают вход усилителя к "ВЧ выходу" видеомагнитофона, а на выход передающего усилителя подключают измеритель средней мощности МЗ-5А. Если такого не имеется, собирают схему, приведенную на рис.8, и, попеременно подстраивая роторы конденсаторов С6 и С9, добиваются максимальных показаний прибора. Затем подключают к выходу передающего усилителя рабочую антенну.
Вокруг петлевого вибратора антенны наматывают 2...3 витка провода (любого) и собирают схему, приведенную на рис.9.
После регулировки связи с антенной (подстройкой конденсатора С 1 1), антенны ориентируют друг к другу, а если передающая антенна "круговая" — ориентируют только приемную антенну. При необходимости подстраивают селектор каналов телевизионного приемника на 6-й канал. Можно начинать передачи. В.ЧУХДАТЫЙ
| ||||||||||||||||||||||||||||||||||