Что-то не так?
Пожалуйста, отключите Adblock.
Портал QRZ.RU существует только за счет рекламы, поэтому мы были бы Вам благодарны если Вы внесете сайт в список исключений. Мы стараемся размещать только релевантную рекламу, которая будет интересна не только рекламодателям, но и нашим читателям. Отключив Adblock, вы поможете не только нам, но и себе. Спасибо.
Как добавить наш сайт в исключения AdBlockРеклама
Высокая скорость / Изготовление zero-IF PSK траисивера на диапазон 23см.
Изготовление zero-IF PSK траисивера на диапазон 23см.
Приемопередатчик построен на семи печатных платах, четыре из которых экранированы металлическими корпусами.Подгармонические смесители используются и в модуляторе передатчика, и в смесителе квадратуры приёмника. Подгармонические смесители с двумя противоположно направленными диодами просто построены. Очень просто делать два идентичных подгармонических смесителя для смесителя квадратуры приёмника.
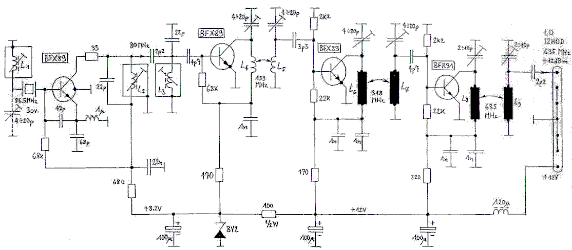
Приемопередатчик требует одиночного местного генератора, работающего в пол частоты RF или в окресности 635MHz для 23см диапазона. Местный генератор, включая кристаллический генератор и ступени умножителя показывается на Рис.3. Модуль LO построен на одностороннем PCB, как показано на Рис.4. и Рис.5.
Для ускорения переключения TX/RX, смесители приёмника включены получает LO, сообщают о всем времени. С другой стороны, сигнал LO, питающий модулятор должен быть выключен, чтобы избежать любого вмешательства в течение приема. Поэтому сигнал LO питается от смесителя приёмника через направленный сцепной прибор, расположенный в 1270MHz PSK модуле модулятора как показано на Рис.6.
Только маленькая доля мощи LO (-20dB) питается к стадии усилителя разделения (BFP183). 635MHz BPF гарантирует хорошее остаточное подавление курьера (> 30dB) в PSK модуляторе. 1.27GHz BPF используется, чтобы подавить 635MHz сигнал LO и его нежелательные гармоники. MMIC усилитель с двумя стадиями (INA-10386) используется, чтобы повысить уровень сигналов +14dBm.
1270MHz PSK модулятор - схема микрополосы, построенная на двухстороннем PCB как показано на Рис.7. и Рис.8. Сторона основания PCB не гравирована, чтобы служить как изолятор для схемы микрополосы. RF, которую потери сигнала в FR4 расщепляют, довольно высока на 1.27GHz. Например, 1.27GHz BPF имеет диапазонную потерю вставки относительно 5dB. С другой стороны, вся микрополоса диапазонных фильтров предназначена для пропускной способности больше чем 10% частоты центра и поэтому не требует никакой настройки.
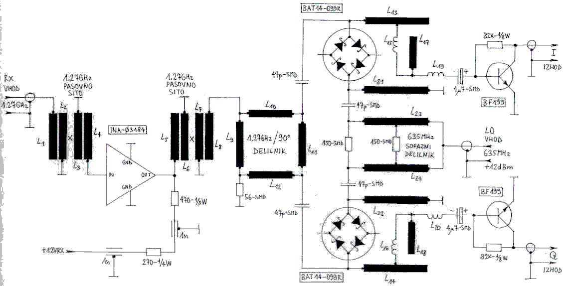
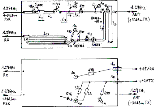
Внешний интерфейс RF ускорения переключения TX/RX, смесители приёмника включено и получает LO, сообщают о всем времени. С другой стороны, сигнал LO, питающий модулятор должен быть выключен, чтобы избежать любого вмешательства в течение приема. Поэтому сигнал LO питается от смесителя приёмника через направленный сцепной прибор, расположенный в 1270MHz PSK модуле модулятора как показано на Рис.6. 23cm PSK приемопередатчик, показанный на Рис.9., включает TX усилитель мощности с CLY5 мощью GaAsFET, чтобы повысить мощь вывода TX относительно 1W (+30dBm), выключатель антенны диода разьёма (BAR63-03W и BAR80) и приёмный усилитель RF с BFP181. Последний имеет относительно 15dB усиличения, но следующий 1.27GHz BPF имеет относительную 3dB диапазонную потерю. Внешний интерфейс RF также построен как схема микрополосы на двухстороннем PCB как показано на Рис.10. и Рис.11. Квадратура I/Q смесителя для 1270MHz, показанной на Рис.12., включает дополнительную стадию усиления для 1.27GHz (26dB MMIC INA-03184), два диапазонных фильтра на 1.27GHz (3dB потеря вставки каждый), гибрид квадратуры для RF сигнала в 1.27GHz, мощьность splitter для сигнала LO на 635MHz, два идентичных подгармонических смесителя (два BAT14-099R schottky четверки) и два идентичных IF preamplifiers (два BF199). Так как завершение impedances подгармонических смесителей зависит от мощности сигнала LO, порты различия и квадратуры (RF) и мощьность (LO) splitters должны быть закончены, чтобы гарантировать правильную стадию и отношения амплитуды. Рассматривая производственные терпимость микрополосы PCB показанный на Рис.13. и Рис.14., амплитуда, соответствующая - обычно в пределах 5%, и сдвиг стадии - в пределах +/- 5 градусов от номинала 90 градусов.
Приёмник zero-IF требует двойной IF усилителя с двумя идентичными каналами увеличения, но одиночным синглом, общим AGC. Так как DC-соединенные усилители не могут быть построены, более низкий предел частоты AC-соединенных стадий должен быть установлен достаточно низко. По норме данных 1.2Mbit/s, удобный выбор - более низкий предел частоты 1kHz. Последний позволяет все константы времени в диапазоне 1ms (TX/RX переключение времени!) и причины искажение приблизительно 4% амплитуды IF сигнала.
Конечно AGC константа времени должна также быть в том же самом диапазоне около 1ms. Такой быстрый AGC может только применяться, чтобы низко получить стадии, чтобы избежать нежелательной обратной связи. Простое техническое решение состоит в том, чтобы использовать больше чем один AGC в IF цепочкt усилителя. I/Q двойной усилитель, показанный на Рис.15. имеет три идентичных двойных стадии усиления, и каждая из этих двойных стадий имеет свою собственную AGC схему, используя MOS транзисторы (4049UB) как переменный резистор.
I/Q двойной модуль усилителя также включает два идентичных фильтра lowpass во ввод (которые определяют пропускную способность получателя) и две стадии инверсии стадии на выходе, чтобы получить сигнал выхода с четырьмя стадиями (+I, +Q, -I и -Q) чтобы управлять следующей стадией shifter. I/Q двойной усилитель построен на одностороннем PCB как показано на Рис.16. и Рис.17.
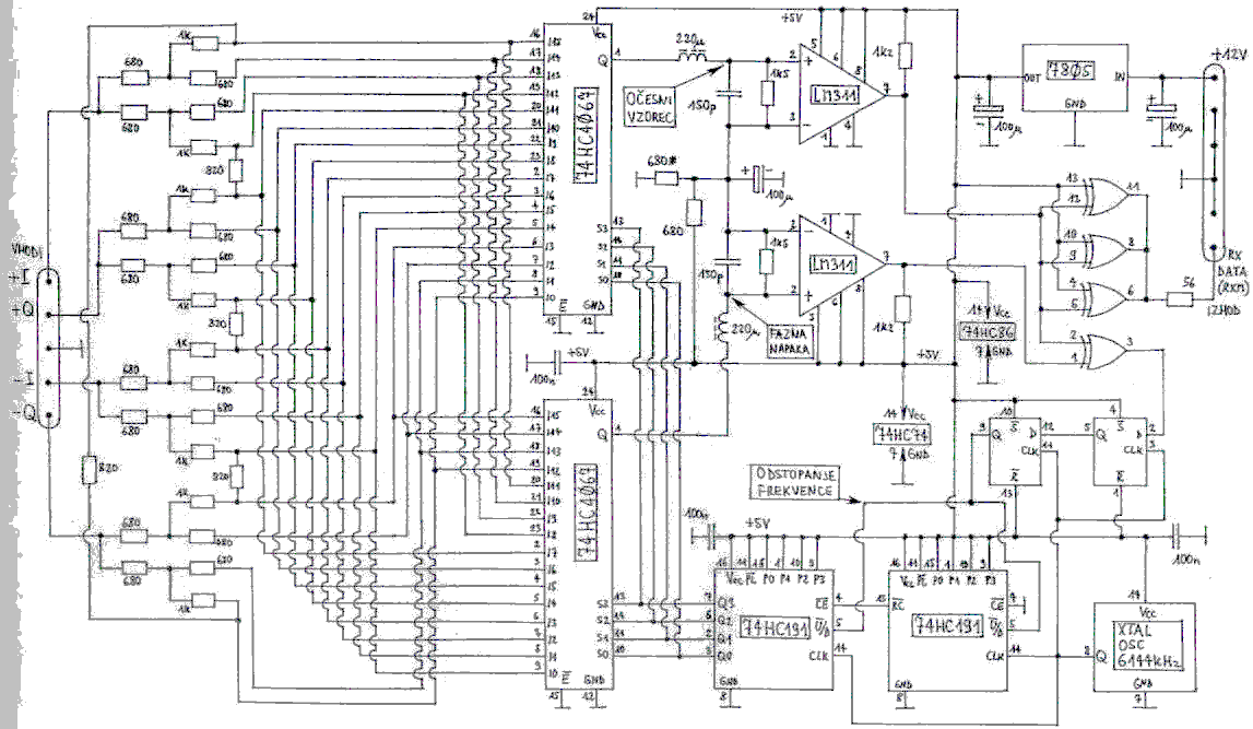
Costa-loop I/Q PSK демодулятора построена, используя дешевую 74HCxxx м/с как показано на Рис.18. Входной сигнал с четырьмя стадиями (+I, +Q, -I и -Q) питает сетевой резистор, который производит систему мультистадии с большим количеством (16) стадий. Два 74HC4067 аналоговые выключатели используются, чтобы выбрать желательную стадию сигнала. Вводы из двух аналоговых отборщиков возмещены 4, чтобы обеспечить требуемый сдвиг стадии с 90 градусами между выводами ошибки и сигналом.
И сигнал и ошибка сначала питают до двух lowpass фильтров (чтобы подавить 74HC4067 переключение переходных процессов) и наконец два LM311 компараторы напряжения, чтобы получить сигналы TLL-УРОВНЯ. Сигнал и ошибка тогда умножены в EXOR и питают цифровой VCO. Цифровой VCO включает 6.144MHz, генератор часов и два 74HC191. Управление используется как ввод управления VCO. Если последний - в логическом нуле, счетчик вращает два 74HC4067 выключатели с предчастотой 24kHz. Если ввод - в логическом, счетчике вращается два 74HC4067, переключает обратно с частотой 24kHz. Если переключатели ввода управления, результат зависит от ВКЛ\ВЫКЛ отношения сигнала управления. В режиме работы 50% 74HC4067 переключает пребывание в ту же самую позицию. Costas блокированную стадией петлю, которая является способной исправить ошибки несущей частоты между -24kHz и +24kHz. Усиление петли определена разделяющимся отношением 74HC191, противостоит и частота часов. Если более широкий диапазон фиксации желателен, частота часов может быть увеличена до 20MHz, но заканчивающаяся более высоким увеличением петли также увеличивает шум стадии!
Costa-loop демодулятор построен на двухстороннем PCB как показано на Рис.19. и Рис.20. Схема включает ее собственный +5V регулятор и стадию вывода, способную к подаче 75-ohm кабель с демодулированными RX данными.
Полный PSK приемопередатчик требует нескольких дополнительных схем интерфейса (показанный на Рис.21.) включая выключатель напряжения поставки и драйвер модулятора. Драйвер модулятора включает фильтр lowpass, чтобы уменьшить старший sidelobes спектра модуляции. Интерфейс выключателя поставки построен на одностороннем PCB как показано на Рис.22. и Рис.23.
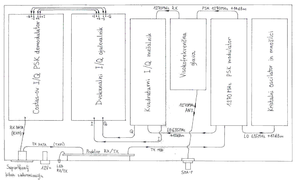
Полный PSK приемопередатчик приложен в алюминиевом блоке с размерами 320mm X 175mm X 32mm. Местоположение одиночных модулей показывается на Рис.24. Четыре модуля RF дополнительно ограждены в маленьких рамках, сделанных 0.5mm толстого медного листа как показано на Рис.25. Корпус PCBs спаян по всем четырем сторонам в медной рамке, чтобы гарантировать хороший электрический контакт.
Особая осторожность должна быть посвящена блоку схем микрополосы. Резонаторы микрополосы основаны в отмеченных позициях, использующих 0.6mm толстый провод CuAg. SMD компоненты (показанные на Рис.26.) основаны через 2.5mm, 3.2mm или 5mm отверстия диаметра в отмеченных позициях. Отверстия сначала охвачены частью тонкого медного листа на нижней стороне, тогда они заполнены, спаивают и наконец SMD часть спаяна в месте.
Собранный PSK приемопередатчик требует небольшой настройки. Единственный модуль, который должен быть настроен в любом случае - местный модуль генератора. Так как большинство стадий - только удвоители частоты, очень трудно настроить этот модуль на неправильную гармонику. TX усилитель мощнисти может нуждаться в некоторой настройке, чтобы получить максимальную мощность выхода. Как напечатано на сетевой плате схемы, L1 в усилителе мощности RF не должен требовать никакой настройки, если соединение 50-ohm teflon кабелем от модулятора - точно 12cm долины. При настройке L3 и L6 мощность выхода может только быть увеличена не меньше чем 100mW. Все другие резонаторы микрополосы не нуждаются а настойке. 250ohm оппортунист в интерфейсе выключателя поставки откорректированы для максимальнй TX мощности вхвода (обычно 2/3 полного масштаба).
Разработка и оформление Андрея Александровича Борисенко aka ICE.
По всем вопросам просьба писать мне на icenet (at) narod.ru