Что-то не так?
Пожалуйста, отключите Adblock.
Портал QRZ.RU существует только за счет рекламы, поэтому мы были бы Вам благодарны если Вы внесете сайт в список исключений.
Мы стараемся размещать только релевантную рекламу, которая будет интересна не только рекламодателям, но и нашим читателям. Отключив Adblock, вы поможете не только нам, но и себе. Спасибо.
Как добавить наш сайт в исключения AdBlock
Сети на ИК и лазерах / Ещё один пример усторойства на ИК и лазерах
<<< К списку раздела.
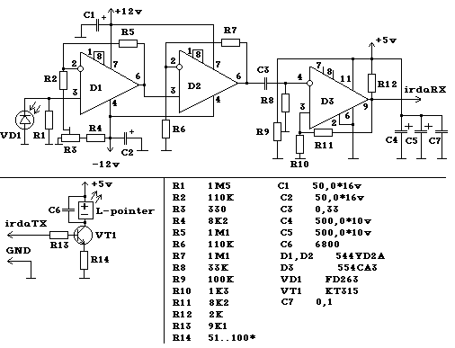
Ещё один пример усторойства на ИК и лазерах.

Буржуйские детали заменяются отечественными по справочнику.
Разработка и оформление Андрея Александровича Борисенко aka ICE.
По всем вопросам просьба писать мне на icenet (at) narod.ru