Что-то не так?
Пожалуйста, отключите Adblock.
Портал QRZ.RU существует только за счет рекламы, поэтому мы были бы Вам благодарны если Вы внесете сайт в список исключений.
Мы стараемся размещать только релевантную рекламу, которая будет интересна не только рекламодателям, но и нашим читателям. Отключив Adblock, вы поможете не только нам, но и себе. Спасибо.
Как добавить наш сайт в исключения AdBlock
Своими руками / Rockwell RCV336/ACF model V1433VQR ext
<<< К списку раздела.
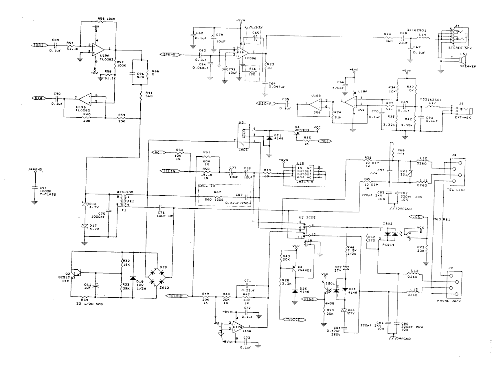
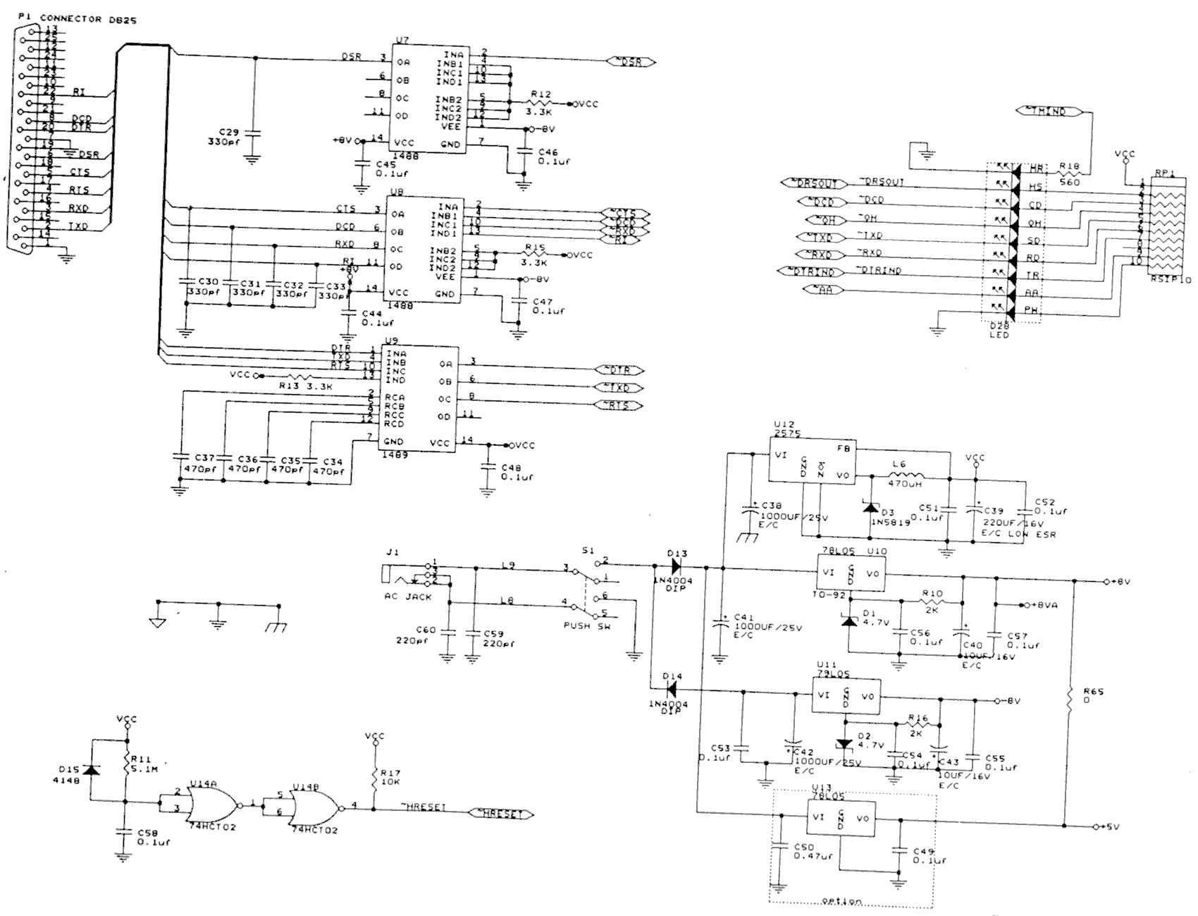
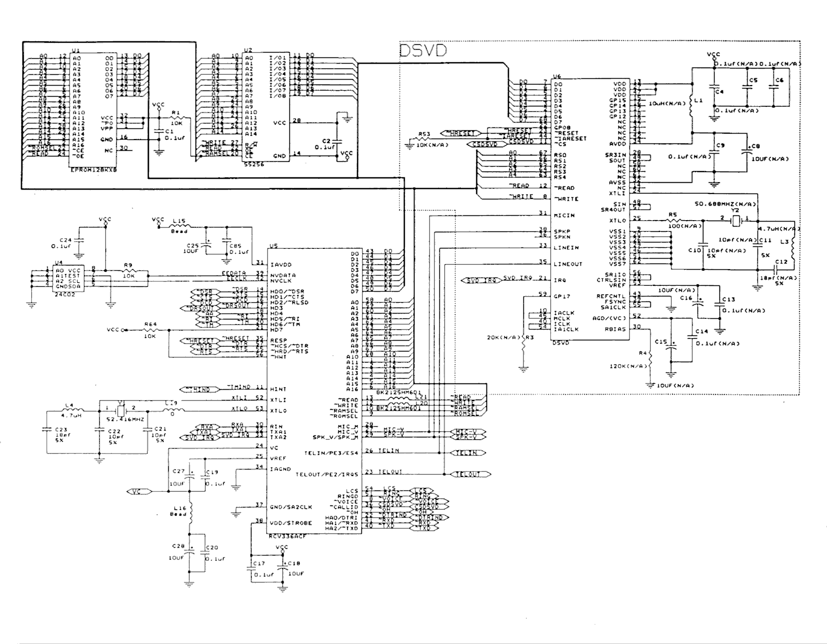
Modem Rockwell RCV336/ACF model V1433VQR ext.
Принципиальная схема модема на трёх рисунках. Откроются в этом окне. Для возврата обратно используйте кнопку "назад" в Вашем браузере.
Рис. 1
Рис. 2
Рис. 3
Разработка и оформление Андрея Александровича Борисенко aka ICE.
По всем вопросам просьба писать мне на icenet (at) narod.ru