Что-то не так?
Пожалуйста, отключите Adblock.
Портал QRZ.RU существует только за счет рекламы, поэтому мы были бы Вам благодарны если Вы внесете сайт в список исключений. Мы стараемся размещать только релевантную рекламу, которая будет интересна не только рекламодателям, но и нашим читателям. Отключив Adblock, вы поможете не только нам, но и себе. Спасибо.
Как добавить наш сайт в исключения AdBlockРеклама
Своими руками / Ethernet по одной паре
Ethernet по одной паре.
Вот такие устройства рождяются благодаря отечественной смекали пополам с бедностью и приправленного наплевательством на стандарты. Но работающего, несмотря ни на что.
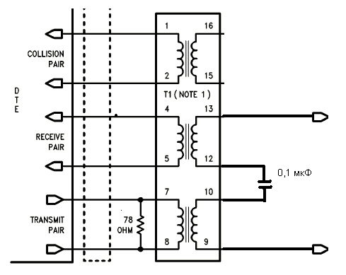
Известно, что 10/100base-T работает по двум парам. По первой прием, по второй передача. Красиво, логично, допускает full-duplex. При этом все помнят, что коаксиал обходится только одной парой проводников. Как ни странно, это не вызывает внутреннего противоречия. И зря.
Связаны эти две сущности (если не вдаваться в тонкости) на уровне AUI, совершенно одинакового для обоих способов передачи данных.
Если немного подумать над работой half-duplex в режиме точка-точка, то возникает следующая мысль: неужели центральный чип настолько глуп, что будет вести передачу одновременно с приемом? Нет, на это его логики должно хватить. Значит, можно отключить детектор коллизий, ведь пересечение пакетов может возникнуть только при одновременном начале передачи обеими точками с поправкой на время распространения сигнала.
Вероятность этого события относительно мала, и невзыскательный пользователь может со спокойной душой оставить разборки конфликта на долю протоколов более высокого уровня. А в результате иметь.. работу ethernet по одной паре.
В сознании возникает простейшая схема работы.
Надо сразу сказать, что именно это решение не проверялось, и на практике скорее всего, потребуются некоторые доработки. Лучше воспринимать эту схему как демонстрацию концепции, а не руководство к действию.
Мысль это не новая. Прислал ее вместе с материалами Sergey Malcev. Его сегодняшние разработки идут несколько дальше, а решение, много лет назад воплощенное в железе, функционирует до сих пор.
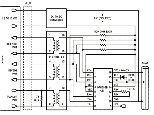
Вот как выглядит доработанная ethernet-карта. Ничего особо страшного на ней не видно.
Автор доработок не мог ограничиться малым, поэтому на сетевом адаптере сделана дополнительная грозозащита и увеличена "дальнобойность".
Вот реальная схема переделок. Относится к типу карты, показанному выше, и не претендует на абсолютную универсальность.
Диоды посередине рисунка - по сути стандартная грозозашита. Ничем особым не отличается, только установлена в непривычном месте. КС175, показанный справа, служит тем же целям.
Вот как это выглядит "в реале".
Элемент F, показанный на схеме - плавкий предохранитель. Почему сделано именно так, для меня то же загадка. У меня так есть подозрение, что именно такой элемент оказался в нужный момент под рукой.
Конденсатор C призван бороться с постоянной составляющей, которая может появиться при такой переделке. Резисторы, показанные слева, судя по всему, согласовывают нагрузку. Почему сделано именно так, а не иначе - вопрос к автору схемы.
И последняя переделка - увеличение дальности работы. Действительно, на обычные расстояния все же проще проложить нормальный кабель и ничего не менять в схеме. А вот когда есть одна пара по коммуникациям..
Такие варианты редко укладываются в 100 метров. Большое везение, когда получится 300-500 метров. Тогда при сверхмалом бюджете можно попробовать описанное решение.
Делается это перепайкой кварца. Результат показан на фотографии.
Что же получилось в итоге? Устройство, cпособное выдать при соединении точка-точка 5 мегабит на 300-500 метров по обычному кабелю, и до 1 километра по специальному, типа П-296. При необходимости увеличить расстояние можно попробовать еще понизить скорость.
При условии практически "нулевой" цены, такое решение может в некоторых случаях посоревноваться и с HomePNA 1,0, и с Гранчами.
Кстати, тут начинают закрадываться некоторые подозрения - так ли велико значение изобретения HomePNA, и так ли сильно его первая версия отличается от ethernet'а.. Так же хочется узнать, как далеко ушли Гранчи (SBNI 12-02) от Аркнета, который хорошо работает по одной паре, и может быть "замедлен" сменой кварца до совсем низких скоростей. И вообще, не дурят ли производители нас красивыми названиями, выдавая дешевое и простое "усовершенствование" за эпохальное событие, поднимающее стоимосоть оборудования в десятки (или даже сотни) раз. Что делать? И возможен ли относительно дешевый, но все же промышленный ответ на произвол? Получилось ведь с грозозащитами (ProtectNet) снизить продажи АРС до уровня, близкого к нулю.. Ethernet не намного сложнее.
Автор: Sergey Malcev
Материал любезно предоставлен администратором сайта
Разработка и оформление Андрея Александровича Борисенко aka ICE.
По всем вопросам просьба писать мне на icenet (at) narod.ru