LAB599.RU — интернет-магазин средств связи
EN FR DE CN JP

Разное / Нетрадиционное использование средств связи


<<< К списку раздела.

Нетрадиционное использование средств связи.

Речь пойдет не о том, что все эти средства можно использовать и для несанкционированного доступа к конфиденциальной информации (для подслушивания, подсматривания и передачи информации, для доступа в компьютеры и линии связи, копирования информации, внесения исправлений и нарушения работы и т.д.). Однако, существует достаточно много других возможностей для применения радио средств.

Необходимо всегда помнить, что для специальных целей недопустимо использовать радиовещательные диапазоны.

Средства связи можно использовать в составе систем охранной сигнализации. Для этой цели некоторые схемотехнические решения используются достаточно активно. И это правильно, и это нужно, и это достойно. В составе этих охранных устройств можно использовать миниатюрные (скрытное использование для сигнализации) приемники и передатчики. К KB- или УКВ-передатчику подключаются датчики охранной сигнализации, контроль над ними осуществляется посредством соответствующего радиоприемника. Расстояние, как правило, составляет всего несколько десятков метров. В этом случае используются маломощные передатчики, но с целью увеличения дальности могут использоваться и мощные устройства. Обычно для этих целей применяют АМ-передатчики.

Родители, имеющие маленьких детей, по достоинству могут оценить устройства, облегчающие дистанционный контроль. Малогабаритный микрофон, подключаемый с помощью экранированных проводов к миниатюрному усилителю на одном-двух ОУ (можно использовать сдвоенные ОУ), провода и громкоговоритель (динамик) могут существенно облегчить жизнь.

Эти же схемы устройств можно использовать в охранных целях. Микрофон помещается в контролируемом помещении, а громкоговоритель располагается, конечно, в другом месте: там, где осуществляется прослушивание. При этом прослушивание может быть периодическим или постоянным.

Теперь о возможных вариантах реализации подобных систем.

Первый вариант. Усилитель и громкоговоритель (динамик) расположены вместе, а микрофон расположен у источника звука (например, в детской комнате) на расстоянии 5-10-20 м. При таком значительном удалении целесообразно микрофон подключать к дифференциальному входу усилителя. Подключение микрофона к усилителю следует осуществлять с помощью экранированных проводов. Такая структура системы целесообразна в тех случаях, когда источник электропитания электронной схемы усилителя (УНЧ) находится в месте расположения громкоговорителя.

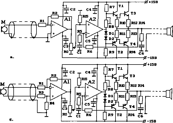
На рис. 9.1 представлены примеры реализации схем микрофонного УНЧ на ОУ с удаленным микрофоном:

  • рис.9.1.а - УНЧ с однопроводным входом,
  • рис.9.1.6 - УНЧ с дифференциальным входом.

    Элементы для схемы на рис.9.1.а:
    К1=5к-10к (определяет входное сопротивление, входное сопротивление должно быть равным выходному сопротивлению источника сигнала или немного выше), К2=500к-1м (усиление каскада - R2/R1), R3 и R4 отсутствуют, К0=2к-100к (регулятор громкости), К5=5к-10к, К6=50к-100к (усиление каскада - 1+R6/R5), К7=5к-10к, К8=1к, К9=5к-Юк (R9=R7), R10=200-500, R11=200-500 (R11=R10), R12=0.2-1, R13=0.2-1 (R13=R12), R14=10 (цепочка R14C обеспечивав устойчивость УНЧ), Р15=500к-1м (обеспечивает нормальную рабоч.» ОУ даже при кратковременных нарушениях контакта в RO);
    С1=0.5-1мкФ, С2=0.1-0.5, С3=0.1-0.5, С4=0.1-0.5, С5=0.1-0.5, С6=0.1;
    01,02-КД523 и др.;
    Т1.Т2 - КТЗ 102, КТЗ 107 или КТЗ 15, КТ361, или другие аналогичные парные транзисторы;
    ТЗ.Т4 - КТ815, КТ814 или другие аналогичные парные транзисторы;
    А1.А2 - ОУ К140УД8 или аналогичные ОУ.

    Рис.9.1. Схемы микрофонных УНЧ на ОУ с удаленным микрофоном:

    а - УНЧ с однопроводным входом,
    б - УНЧ с дифференциальным входом.
    Монтаж и настройка.

    Соотношение величин резисторов R2 и R1 определяет усиление каскада на ОУ1 (А1). Изменением R2 можно задается необходимое усиление для данного каскада С помощью резистора R8 устанавливается начальный ток через транзисторы ТЗ и Т4 - 10мА-20мА. С2, СЗ, С4, С5 подключаются максимально близко к ОУ Для Dl, D2 необходимо обеспечить тепловой контакт с ТЗ, Т4. R2C2 и R5C3 определяют нижнюю частоту диапазона работы УНЧ (1/Т, где T=6.28RC): 1мкФ и 10к - 16Гц, 0.5мкф и 10к - 32Гц, 0.5мкФ и 5к - 64Гц и т.д. Микрофон к УНЧ подключается экранированным проводом (один провод в оплетке-экране).

    Элементы для схемы на рис.9.1.6:
    R1=R3=3K-5K (определяет входное сопротивление, входное сопротивление должно быть равным выходному сопротивлению источника сигнала или немного выше), Р2=Р4=500к-1м (UBbix=(U2-Ul)R2/Rl при R1=R3, R2=R4), Р0=2к-100к (регулятор громкости), Р5=5к-10к, К6=50к-ЮОк (усиление каскада - 1+R6/R5), Р7=5к-10к, К8=1к, К9=5к-10к (R9=R7), R10=200-500, R11=200-500 (R11=R10), R12=0.2-1, R13=0.5-1 (R13=R12), R14=10 (цепочка R14C обеспечивает устойчивость УНЧ), Р15=500к-1м (обеспечивает нормальную работу ОУ даже при кратковременных нарушениях контакта в RO);
    С1=0.5-1мкФ, С2=0.1-0.5, С3=0.1-0.5, С4=0.1-0.5, С5=0.1-0.5, С6=0.1;
    01,02-КД523 и др.;
    Т1,Т2 - КТЗ 102, КТЗ 107 или КТЗ 15, КТ361, или другие аналогичные парные транзисторы:
    ТЗ.Т4 - КТ815, КТ814 или другие аналогичные парные транзисторы;
    А1.А2 - ОУ К140УД8 или аналогичные ОУ.

    Монтаж и настройка.

    Соотношение величин резисторов R2 и R1 (R2=R4, R1=R3) определяет усиление каскада на ОУ1 (А1). Изменением R2 (R2=R4) задается необходимое усиление для данного каскада. С помощью резистора R8 устанавливается начальный ток через транзисторы ТЗ и Т4 - 10мА-20мА. С2, СЗ, С4, С5 подключаются максимально близко к ОУ. Для Dl, D2 необходимо обеспечить тепловой контакт с ТЗ, Т4. R2C2 и R5C3 определяют нижнюю частоту диапазона работы УНЧ (1/Т, где T=6.28RC):

    1мкФ и 10к - 16Гц, 0.5мкФ и 10к - 32Гц, 0.5мкФ и 5к - 64Гц и т.д. Для обеспечения корректной работы дифференциального каскада необходимо точно выполнить условие: R1=R3, R2=R4. Эти резисторы целесообразно подобрать с помощью омметра сред» 1% (или лучше) резисторов с хорошей температурной стабильностью. Для обеспечения необходимого баланса целесообразно один из четьфех резисторов (например, R2 или R4) выполнить переменным (высокоточный подстроечник). Настройка дифференциального каскада: подать синусоидальный сигнал 50 Гц (электросеть частотой 50 Гц дает максимальный вклад в суммарную величину напряжения помехи) на оба входа дифференциального канала одновременно, подбором R3 или R4 обеспечить на выходе ОУ 1 нулевой уровень сигнала 50Гц. Хорошие резисторы и тщательная настройка позволяют достичь подавления синфазной помехи 60дб-80дб и более. Для минимизации шумов входное сопротивление УНЧ (значения резисторов R1 и R3) должно соответствовать сопротивлению микрофона (или другого датчика). Микрофон к УНЧ подключается витой нарой в экране (два провода в оплетке-экране).

    Выходную мощность усилителей на рис.9.1 можно повысить, если использовать в составе данных устройств более мощные транзисторы. При этом можно использовать следующие элементы:
    R12=R13=0.3-0.5;
    Т1.Т2 - КТ503, КТ502 или другие аналогичные парные транзисторы;
    ТЗ.Т4 - КТ817, КТ816 или другие аналогичные парные транзисторы.

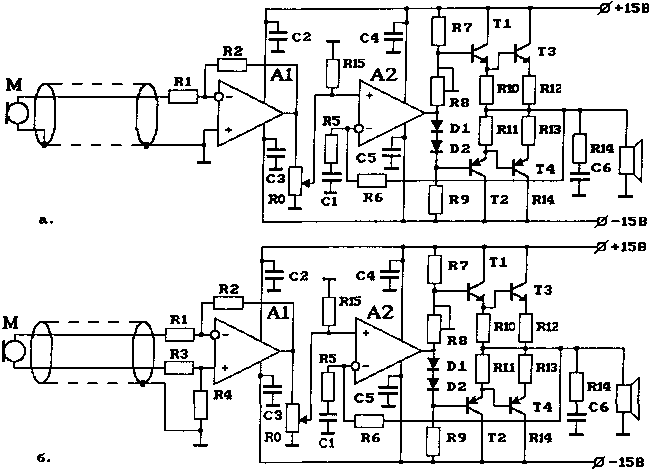
    Второй вариант. Микрофон и усилитель расположены вместе у источника звука, а громкоговоритель на расстоянии 5-10-20 м. При "ниэ-коомном выходе" усилителя, что является типичным для усилителей на ОУ, проблем с таким включением, как правило, нет. Способ подключения микрофона к усилителю зависит от расстояния между ними и условий эксплуатации, например, от величины окружающих электромагнитных помех. При значительном удалении (более 0.5 м) микрофон следует подключать к усилителю с помощью экранированных проводов. При удалении более 1 м лучше использовать дифференциальный вход усилителя. Если сравнивать с первым вариантом, то предложенная структура системы характеризуется меньшим уровнем внешних помех (основная помеха - фон 50 Гц и 100 Гц). Она целесообразна в тех случаях, когда источник электропитания находится в месте расположения микрофона.

    На рис.9.2 представлены примеры реализации схем микрофонного УНЧ на ОУ с удаленным громкоговорителем:
    рис.9.2.а - УНЧ с однопроводным входом,
    рис.9.2.6 - УНЧ с дифференциальным входом.
    Элементы для схем на рис.9.2, монтаж и настройка данных устройств совпадают с элементами, монтажом и настройкой, описанными для предыдущих схем, представленных на рис.9.1.

    Рис.9.2. Схемы микрофонных УНЧ на ОУ с удаленным громкоговорителем:
    а - УНЧ с однопроводным входом,
    б - УНЧ с дифференциальным входом.

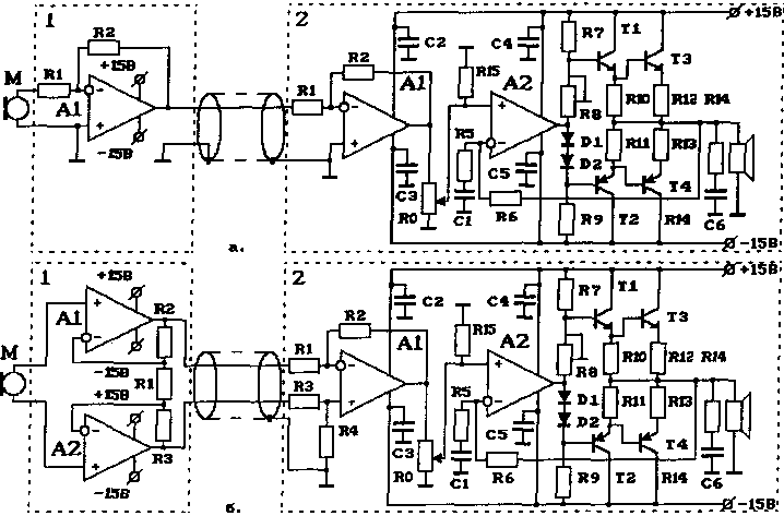
    Третий вариант. Этот вариант предусматривает наличие двух усилителей: один - у микрофона, другой - у громкоговорителя. Такую структуру часто выбирают, когда не хотят передавать сигнал низкого уровня (микрофонного) на значительные расстояния. В этом случае осуществляется передача сигнала после предварительного усиления, т.е. передача сигнала значительно большего уровня (после ОУ полезный сигнал может быть усилен до уровня в несколько вольт). Такой сигнал можно передавать на значительные расстояния, например, в десятки и даже сотни метров. Имеются схемы, обеспечивающие передачу питания для предварительного усилителя по сигнальным проводам, соединяющим выход первого усилителя со входом второго.

    На рис. 9.3 представлены примеры реализации схем микрофонного УНЧ на ОУ, состоящего из двух разнесенных УНЧ (каждая часть выделена пунктирным контуром):
    рис.9.3.а - УНЧ с однопроводным соединением двух УНЧ,
    рис. 9.3.6 - УНЧ с дифференциальным соединением двух УНЧ.

    Для схемы на рис.9.3.а усиление первой части УНЧ - R2/R1. Для схемы на рис.9.3.6 усиление первой части УНЧ: для дифференциального сигнала (полезный сигнал от микрофона) - 1+2R2/R1, для синфазного сигнала (сигнал помехи, поступающий по микрофонным проводам) - 1. За счет усиления в первой части УНЧ коэффициент усиления первого каскада (ОУ А1) второй части УНЧ (УНЧ2) может быть значительно уменьшен, например, до 1. В этом случае для А1 УНЧ2 на рис.9.3.а значения резисторов должны удовлетворять следующему условию: R1=R2 (2к-10к), а для А1 УНЧ2 на рис.9.3.6 - R1=R2=R3=R4 (1к-5к). Для схемы на рис.9.3.а каскад с ОУ А1 выполняет роль каскада предварительного усиления для УНЧ2, при выборе коэффициента усиления для данного каскада равным 1 и при К0=2к-10к этот каскад (на ОУ А2) может быть полностью исключен из схемы.

    Элементы для схем на рис.9.3.а:
    дляУНЧ!:
    К1=5к-10к (определяет входное сопротивление, входное сопротивление должно быть равным выходному сопротивлению источника сигнала или немного выше), К2=500к-1м (усиление каскада - R2/R1);
    два конденсатора по 0.1-0.5, подключенные к выводам питания ОУА1;
    А1 - ОУ К140УД8 или аналогичные ОУ;

    Рис.9.3. Схемы микрофонных УНЧ (каждый из двух УНЧ) на ОУ:
    а - УНЧ с однопроводным соединением двух УНЧ,
    б - УНЧ с дифференциальным соединением двух УНЧ.

    дляУНЧ2:
    Р1=2к-10к (определяет входное сопротивление УНЧ2), К2=2к-10к (усиление каскада - R2/R1, здесь 1), R3 и R4 отсутствуют, К0=2к-100к (регулятор громкости), Р5=5к-10к, Р6=50к-100к (усиление каскада -1+R6/R5), К7=5к-10к, К8=1к, К9=5к-10к (R9=R7), R10=200-500, R11=200-500 (R11=R10), R12=0.2-1, R13=0.2-1 (R13=R12), R14=10 (цепочка R14C обеспечивает устойчивость УНЧ), Р15=500к-1м (обеспечивает нормальную работу ОУ даже при кратковременных нарушениях контакта в RO);
    С1=0.5-1мкФ, С2=0.1-0.5, С3=0.1-0.5, С4=0.1-0.5, С5=0.1-0.5, С6=0.1:
    01,02-КД523 и др.;
    Т1.Т2 - КТЗ 102, КТЗ 107 или КТЗ 15, КТ361, или другие аналогичные парные транзисторы;
    ТЗ.Т4 - КТ815, КТ814 или другие аналогичные парные транзисторы;
    А1.А2 - ОУ К140УД8 или аналогичные ОУ.

    Элементы для схем на рис.9.3.6:
    дляУНЧ!:
    Р1=1к-3к, R2=50K-150K (усиление каскада 1+2R2/R1);
    четыре конденсатора по 0.1-0.5, подключенные к выводам питания ОУ Al, A2;
    Al, A2 - ОУ К140УД8 или аналогичные ОУ;
    дляУНЧ2:
    R1=R3=3K-5K (определяет входное сопротивление, входное сопротивление должно быть равным выходному сопротивлению источника сигнала или немного выше), Р2=Р4=Зк-5к (UBbix=(U2-Ul)R2/Rl при R1=R3, R2=R4, здесь R1=R3=R2=R4 и коэффициент усиления каскада - 1), RO^K-IOOK (регулятор громкости), Р5=5к-10к, К6=50к-100к (усиление каскада - 1+R6/R5), Р7=5к-10к, К8=1к, Р9=5к-10к (R9=R7), R10=200-500, R11=200-500 (R11=R10), R12=0.2-1, R13=0.5-1 (R13=R12), R14=10 (цепочка R14C обеспечивает устойчивость УНЧ), Р15=500к-1м (обеспечивает нормальную работу ОУ даже при кратковременных нарушениях контакта в RO);
    С1=0.5-1мкФ, С2=0.1-0.5, С3=0.1-0.5. С4=0.1-0.5, С5=0.1-0.5, С6=0.1;
    В1,02-КД523идр.;
    Т1.Т2 - КТЗ 102, КТЗ 107 или КТЗ 15, КТ361, или другие аналогичные парные транзисторы;
    ТЗ.Т4 - КТ815, КТ814 или другие аналогичные парные транзисторы;
    А1.А2 - ОУ К140УД8 или аналогичные ОУ.

    Как и в схемах, приведенных на рис.9.1 и на рис.9.2, выходная мощность усилителей может быть повышена заменой ряда элементов. Соответствующие рекомендации были приведены в описании схем, представленных на рис.9.1.

    Монтаж и настройка.

    Настройка приведенных на рис.9.3.а и рис.9.3.6 усилителей сводится к установке требуемых коэффициентов усиления и минимизации уровня синфазных помех в дифференциальных каскадах. Некоторые рекомендации по выбору элементов, монтажу и методика настройки приведены в соответствующих разделах при описании схем, представленных на рис.9.1.

    Выбор конкретного варианта схемы зависит от поставленных задач.

    Интересные варианты различных охранных систем могут быть получены при включении в перечисленные электронные структуры разнообразных радиопередающих и радиоприемных средств: передатчиков, приемников, конвертеров и т.д. Так, например, после микрофонного усилителя можно включить передатчик, а перед усилителем с громкоговорителем установить соответствующий радиоприемник. Подобная структура, использующая радиопередающие средства, позволяет обойтись без проводов. Это повышает мобильность устройства контроля, в состав которого входят микрофон, передатчик и передающая антенна. Радиоприемный тракт может иметь в своем составе специализированную приемную антенну, антенный усилитель, конвертер и т.д.

    Такое устройство можно установить, например, в детской коляске. Это позволит родителям осуществлять постоянный контроль над ребенком. При этом часто достаточно мощности передатчика в несколько мВт - мощности, достаточной для обеспечения радиопередачи на несколько десятков метров. Этого расстояния достаточно для осуществления контроля над ребенком, например, при посещении магазинов.

    Подобное миниатюрное устройство можно установить, например, в автомобиле. Если такое устройство периодически (автоматически) включать и выключать, то оно превращается в своеобразный радиомаяк. Угнанный автомобиль (или другая не менее дорогая вещь) с работающим радиомаяком можно запеленговать обычным образом.

    Эксплуатация радиопередающих средств предусматривает предварительное получение разрешений в соответствующих инстанциях.

    Можно придумать и предложить достаточно большое количество различных примеров использования приведенных устройств. Некоторые из вариантов могут быть даже неожиданными, что, кстати, не уменьшает их функционального значения.

    Например, миниатюрный УКВ ЧМ-радиопередатчик можно использовать для расширения функциональных возможностей бытовой радиоаппаратуры. С помощью такого устройства можно обеспечить возможность записи на магнитофон, входящий в состав магнитолы, не имеющей отдельного входа записи. Стандартная ситуация, характерная для относительно дешевых устройств. Отсутствие отдельного входа записи не позволяет осуществлять запись от другого источника сигнала, например, от другого магнитофона, от CD-плейера, от проигрывателя граммофонных (виниловых) пластинок и т.д. Для таких магнитол запись на магнитофон возможна только с микрофона (чаще - встроенного или реже - внешнего) или от встроенного УКВ-радиоприемни-ка. Однако эту проблему можно решить. И достаточно просто. Сигнал для записи (на магнитофон) от внешнего источника подается на УКВ ЧМ-радиопередатчик, далее - принимается УКВ ЧМ-радиоприемни-ком, входящим в состав магнитолы, и записывается на магнитофон уже с УКВ ЧМ-радиоприемника стандартным образом. Благодаря ЧМ-модуляции достигается высокое качество записи. Для записи ЧМ-радиопередатчик используется маломощный - достаточно мощности в 1 мВт и даже менее. Это может быть ЧМ-радиопередатчик как на биполярном транзисторе, так и на МОП-транзисторе или даже на туннельном диоде. В качестве радиопередатчика может быть использована одна из описанных ранее конструкций. Уменьшение мощности излучения, а она должна быть минимальной (для уменьшения излучения в окружающее пространство), можно достичь использованием на выходе ЧМ-передатчика конденсатора (связи) малой емкости: 1-10 пФ. Непосредственное соединение выхода используемого радиопередатчика (через конденсатор или катушку связи) с телескопической антенной ЧМ-радиоприемника при использовании хорошего экранирования обеспечит хорошую электромагнитную совместимость с радиоприемными средствами, которые могут находиться рядом - другой УКВ-радиопри-емник, телевизор и т.д. Хорошая экранировка обеспечивается использованием металлического корпуса (лучше, если медного) для УКВ ЧМ-передатчика. Корпус-экран соединяют с "заземленным" контактом источника питания данного передатчика. Антенна УКВ-приемника, с которой соединяется выход передатчика, должна иметь, конечно, минимальную длину. При малой мощности излучения радиопередатчика, экранировании и короткой антенне УКВ-радиоприемника использование данного метода не внесет существенных радиопомех даже на коротком расстоянии (несколько метров).

    Этот материал принес мне DJIN.


    Разработка и оформление Андрея Александровича Борисенко aka ICE.
    По всем вопросам просьба писать мне на icenet (at) narod.ru

  • Партнеры