Что-то не так?
Пожалуйста, отключите Adblock.
Портал QRZ.RU существует только за счет рекламы, поэтому мы были бы Вам благодарны если Вы внесете сайт в список исключений. Мы стараемся размещать только релевантную рекламу, которая будет интересна не только рекламодателям, но и нашим читателям. Отключив Adblock, вы поможете не только нам, но и себе. Спасибо.
Как добавить наш сайт в исключения AdBlockРеклама
Разное / Альтернативные средства связи
Альтернативные средства связи.
Представленные устройства связи, созданы на основе биполярных и МОП-транзисторов. Однако данные элементы являются не единственными активными компонентами, с помощью которых можно создавать средства связи.
На рис.7.1 представлены примеры схем ЧМ-передатчиков, созданных на основе туннельных диодов.

Туннельные диоды, как известно, при некоторых режимах обладают отрицательным динамическим (!) сопротивлением. Благодаря этому свойству данные элементы могут выполнять функции генераторов колебаний и усилителей радиосигналов.
Помещенный в цепь колебательного контура туннельный диод компенсирует потери и обеспечивает генерацию незатухающих колебаний. Простейшие цепи частотной модуляции, несколько дополнительных элементов - и ЧМ-радиопередатчик готов. Именно так построены представленные устройства.
Данные маломощные УКВ ЧМ-устройства обеспечивают передачу информации на расстоянии нескольких десятков метров при чувствительности УКВ-приемника 5-10 мкВ и длине передающей антенны 1 м - 0.5 м для частот 70-144 МГц (оптимальная длина антенны -1/4 длины радиоволны). Увеличение частоты позволяет уменьшить длину антенны. Это вместе с простотой конструкции позволяет создавать сверхминиатюрную аппаратуру. Несмотря на относительно скромные расстояния работы, данные устройства могут представлять определенный интерес.
Элементы для схемы УКВ ЧМ-передатчика (рис.7.1.а) на туннельном диоде:
R1=33, R2=100, R3=510;
С1=20-40, С2=10н-68н, СЗ=4.7мкФ-20мкФ;
D1 - туннельный диод, например, АИ201А или аналогичные;
LI - бескаркасная, 5+2 (2витка от "земли") витков ПЭВ-2 0.8, диаметр катушки 8 мм.
Настройка.
Переменным резистором R3 устанавливается рабочая точка, при которой возникает устойчивая генерация. Частота устанавливается изменением длины катушки и величины емкости С1.
Монтаж.
Монтаж осуществляется в соответствии с обычными требованиями по конструированию ВЧ-устройств: минимальная длина проводников, экранирование и т.д.
Элементы для схемы УКВ ЧМ-передатчика (рис.7.1.6) на туннельном диоде:
R1=100, R2=300;
С1=20-40, С2=10н-68н, СЗ=4.7мкФ-20мкФ, С4=0.1мкФ;
D1 - туннельный диод, например, АИ201А или аналогичные;
L1 - бескаркасная, 7 витков ПЭВ-2 0.8, внутренний диаметр катушки 8 мм, L2 - бескаркасная, 3 витка ПЭВ-2 0.6, длина катушки 4 мм, внутренний диаметр катушки 2.5-3 мм.
Настройка.
Переменным резистором R1 устанавливается рабочая точка, при которой возникает устойчивая генерация. Частота устанавливается изменением длины катушки и величины емкости С1.
Монтаж.
Монтаж осуществляется в соответствии с обычными требованиями по конструированию ВЧ-устройств: минимальная длина проводников, экранирование и т.д.
Приведенные схемы ЧМ-радиопередатчиков обладают интересной особенностью: радиопередатчики достаточно просто превращаются в радиоприемники. Для этого вместо микрофона, конечно, следует использовать УНЧ с громкоговорителем или телефоны (наушники), кроме того. возможно потребуется изменить режим туннельного диода. Конечно. чувствительность такого радиоприемника будет невелика.
Радиопередающие устройства, использующие радиоволны для передачи информации, и традиционный телефон являются, конечно, не единственными средствами связи. Существуют и другие методы передачи и приема информации. При этом альтернативные методы могут обеспечивать связь на значительных расстояниях. В некоторых случаях функли (УНЧ) можно эти поля улавливать и усиливать. На этом простом принципе можно построить систему передачи информации, конечно, на незначительные расстояния. Эти расстояния, конечно, зависят от величины тока, протекающего по передающему информацию проводнику, от расположения этого проводника, от чувствительности усилителя приемника, от уровня окружающих помех и т.д. В обычных условиях -дальность до 5-10 м. При использовании специальных селективных фильтров, позволяющих подавить помехи, это расстояние может быть существенно больше.

На рис. 7.3 - рис.7.7 приведены примеры схем передатчиков и приемников, использующих индукционный метод передачи информации.
Для повышения напряженности электромагнитного поля и, как следствие, уровня передаваемого и принимаемого сигнала передающий провод передатчика информации выполнен виде контура. Данный контур состоит из нескольких витков толстого (ток - несколько ампер!) медного провода и образует своеобразный электромагнит (рекомендуется вспомнить школьный курс физики). Приемник должен находиться внутри контура (в поле данного контура) или близко от него. Конечно, ясно, что чем выше величина протекающего тока и больше витков в контуре, тем больше передаваемый, а, следовательно, и принимаемый (индуцируемый в приемном контуре), сигнал.
Кстати, на этом же принципе основан метод поиска скрытой электропроводки (220 В). Подобные приборы чрезвычайно полезны для электромонтеров.
Подобным образом устроен выпускаемый серийно прибор, обеспечивающий возможность громкоговорящего прослушивания пользователем своего (!) телефона. Конечно, хороший, нужный и полезный прибор.
Но на этом же индукционном принципе основан один (!) из методов подслушивания телефонных разговоров. Это очень полезные и очень простые приборы для очень узкого круга, но очень вредные для всех остальных, особенно тех, кто в этот момент говорит по такой телефонной линии (телефону).
И на этом принципе можно построить простые средства связи и передачи информации. Контур передатчика можно расположить, например, по периметру территории, на которой необходимо организовать одностороннюю передачу информации. Однако можно его выполнить и в виде элемента переносного устройства. Правда, в этом случае дальность связи ограничится несколькими метрами, но можно обеспечить устойчивую связь через стенки.
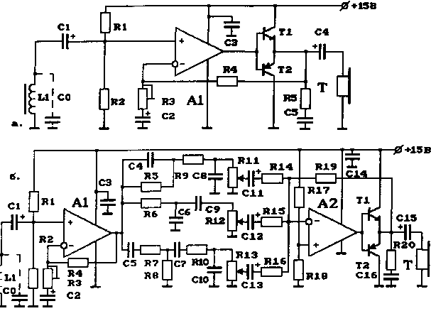
Фактически, схема передатчика на рис.7.3 представляет собой мощный УНЧ, нагруженный на контур, выполненный толстым медным проводом. Активное сопротивление контура должно быть несколько Ом.
Элементы для схемы на рис.7.3:
Р1=50к-1м (определяет входное сопротивление), К2=5к-10к, К3=500к-1м (усиление каскада -1+R3/R2), К4=5к-100к (регулятор громкости), Р5=5к-10к, К6=50к-100к (усиление каскада - 1+R6/R5), К7=5к-10K.R8=lK,R9=5K-10K(R9=R7),R10=200-500,Rll=200-500(Rll=R10), R12=0.2-1. R13=0.2-1 (R13=R12), R14=10 (цепочка R14C8 обеспечивает устойчивость УНЧ), R 15=2-4 (ограничивает ток через нагрузку, который не должен превышать 2А-ЗА при синусоидальном сигнале);
С1=0.1-1мкФ, С2=0.5-1мкФ, СЗ=0.5-1мкФ, С4=0.1-0.5, С5=0.1-0.5, С6=0.1-0.5. С7=0.1-0.5, С8=0.1, С9= 1000мкФ-4000мкФ, С10=1000мкФ-4000мкФ;
01.02-КД523 и др.;
Т1.Т2 - КТЗ 102. КТЗ 107 или КТЗ 15, КТ361, или другие аналогичные парные транзисторы,
ТЗ.Т4 - КТ815. КТ814 или другие аналогичные парные транзисторы;
А1.А2 - ОУ К140УД8 или аналогичные ОУ.
Монтаж и настройка.
С помощью резистора R8 устанавливается начальный ток через транзисторы ТЗ и Т4 - 5мА-20мА. С4, С5, С6, С7 подключаются максимально близко к ОУ. Для D 1. D2 необходимо обеспечить тепловой контакт с ТЗ. Т4. R2C2 и R5C3 определяют нижнюю частоту диапазона работы УНЧ: ЮмкФ и 1к - 16Гц. 1мкф и 10к - 16Гц. 0.5мкФ и Юк -32Гц, и т.д.
Выходную мощность усилителя на рис.7.3 можно повысить, если использовать в составе данного устройства более мощные транзисторы. При этом можно использовать следующие элементы:
R15= 1-2 (ограничивает ток через нагрузку, который не должен превышать 5А-6А при синусоидальном сигнале):
Т1.Т2 - КТ503, КТ502 или другие аналогичные парные транзисторы;
ТЗ.Т4 - КТ817, КТ816 или другие аналогичные парные транзисторы.
На рис. 7.4 представлена схема аналогичного устройства, но дополненного регуляторами тембра по НЧ и ВЧ. Для данной схемы регулятор громкости установлен на входе.
Элементы для схемы на рис. 7.4:
Р2=5к-10к, R3=500K-lM (усиление каскада -1+R3/R2), К4=50к-1м (регулятор громкости), Р7=5к-10к, Р8=1к, К9=5к-10к (R9=R7), R10=200-500, R11=200-500 (R11=R10), R12=0.2-1, R13=0.2-1 (R13=R12), R14=10 (цепочка R14C8 обеспечивает устойчивость УНЧ), R 15=2-4 (ограничивает ток через нагрузку, который не должен превышать 2А-ЗА при синусоидальном сигнале), R 16= 11 к, Р17=100к (лин., регулятор НЧ), R 18= 11 к. R 19= 11 к, Р20=3.бк, Р21=500к (лин., регулятор ВЧ), К22=3.6к. R23=100K;
С1=0.1-1мкФ, С2=0.5-1мкф, С4=0.1-0.5, С5=0.1-0.5, С6=0.1-0.5, С7=0.1-0.5. С8=0.1, С9=1000мкФ-4000мкФ, С10=1000мкФ-4000мкФ, С11=0.05мкФ. С12=0.05мкФ. С13=0.005мкФ;
01Т»2-КД523 и др.,
Т1.Т2 - КТЗ 102. КТЗ 107 или КТЗ 15, КТ361, или другие аналогичные парные транзисторы;
ТЗ.Т4 - КТ815. КТ814 или другие аналогичные парные транзисторы;
А1.А2 - ОУ К140УД8 или аналогичные ОУ.
С помощью резистора R8 устанавливается начальный ток через транзисторы ТЗ и Т4 - 5мА-20мА. С4. С5, С6, С7 подключаются максимально близко к ОУ. Для Dl, D2 необходимо обеспечить тепловой контакт с ТЗ. Т4. R2C2 определяют нижнюю частоту диапазона работы УНЧ: ЮмкФи 1к- 16Гц, 1мкФи10к-16Гц, 0.5мкФи10к-32Гц, и т.д.
Выходную мощность усилителя на рис.7.4 можно повысить, если использовать в составе данного устройства более мощные транзисторы. При этом можно использовать следующие элементы:
R15= 1-2 (ограничивает ток через нагрузку, который не должен превышать 5А-6А при синусоидальном сигнале);
Т1 ,Т2 - КТ503. КТ502 или другие аналогичные парные транзисторы;
ТЗ.Т4 - КТ817. КТ816 или другие аналогичные парные транзисторы.
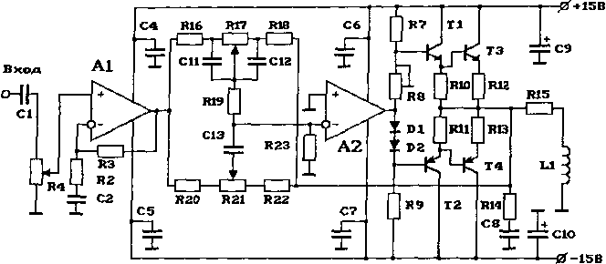
На рис.7.5 представлена схема упрощенного варианта индукционного УНЧ-передатчика, построенного на основе схем предыдущих устройств. Схема содержит всего один ОУ. Регулятор громкости установлен на входе.
Элементы для схемы на рис.7.5:
Р4=5к-100к (регулятор громкости, определяет входное сопротивление УНЧ). К5=5к-10к. К6=100к-500к (усиление каскада - 1+R6/ R5), К7=5к-10к. R8=lK, К9=5к-10к(К9=К7). R10=200-500, R11=200-500(R11=R10). R12=0.2-1, R13=0.2-1 (R13=R12), R14= 10 (цепочка R14C обеспечивает устойчивость УНЧ), R15=2-4 (ограничивает ток через нагрузку, который не должен превышать 2А-ЗА при синусоидальном сигнале);
С1=0.1-1мкф, СЗ=0.5-1мкФ. С4=0.1-0.5, С5=0.1-0.5, С6=0.1-0.5, С7=0.1-0.5, С8=0.1, С9=1000мкФ-4000мкФ, С10=1000мкФ-4000мкФ;
Ш.02-КД523 и др.;
Т1.Т2 - КТЗ 102, КТЗ 107 или КТЗ 15, КТ361, или другие аналогичные парные транзисторы;
ТЗ.Т4 - КТ815, КТ814 или другие аналогичные парные транзисторы;
А1 - ОУ К140УД8 или аналогичные ОУ.
Монтаж и настройка.
С помощью резистора R8 устанавливается начальный ток через транзисторы ТЗ и Т4 - 5мА-20мА. С4, С5, С6, С7 подключаются максимально близко к ОУ. Для Dl, D2 необходимо обеспечить тепловой контакт с ТЗ, Т4. R5C3 определяют нижнюю частоту диапазона работы УНЧ: ЮмкФи 1к-16Гц. 1мкФи10к-16Гц,0.5мкФи10к-32Гц, и т.д.
На рис.7.6 и рис.7.7 представлены схемы приемников для индукционного способа передачи информации.

а - на 1 ОУ, б - на 2 ОУ с НЧ-, СЧ-, ВЧ-регулятором.
На рис.7.6.а приведена схема на одном ОУ.
Элементы для схемы на рис.7.6.а:
Rl=R2=10()K-lM (определю входное сопротивление УНЧ), R3=lK-5к (регулировка усиления), Р4=500к-1м (усиление каскада -1+R4/R3), R5=10;
С1=0.1-5мкФ. С2=5мкФ-10мкФ С3=0.1-0.5, С4=100мкФ-500мкФ, С5=0.1;
Т1.Т2 - КТЗ 102. КТЗ 107 или КТЗ 15, КТ361, или другие аналогичные парные транзисторы;
А1 - ОУ К140УД8 или аналогичные ОУ, напряжение питания может быть уменьшено до уровня, которое допускают технические условия.
Монтаж и настройка.
С помощью резистора R8 устанавливается необходимый коэффициент усиления. СЗ подключаются максимально близко к ОУ. Целесообразно к L1 подключить конденсатор СО. Данный контур необходимо настроить на середину диапазона - 1кГц. L1 выполняется на феррито-вом сердечнике длиной 5-10 см и проницаемостью 2000-4000. L1 содержит 1000-2000 витков провода ПЭВ 0.05-0.07мм.
На рис.7.6.б приведена схема на двух ОУ. Схема во многом аналогична схеме на рис.7.6.а, но в схему введен многополосный регулятор тембра. Это позволяет подобрать оптимальное качество звука даже в условиях повышенного уровня помех. Устройство содержит НЧ-, СЧ, ВЧ-регуляторы тембра.
Элементы для схемы на рис.7.6.6:
Rl=R2=100K-lM (определю входное сопротивление УНЧ), Р3=1к-5к (регулировка усиления), К4=500к-1м (усиление каскада -1+R4/R3), К5=120к, Кб=43к, R7=12K, Р8=10к, R9=36ic, R10=13K, РП=22к (НЧ), К12=22к (СЧ), Р13=22к (ВЧ), Р14=20к, Р15=20к, Р16=20к, R17=R18=50K-100ic, R19=150ic, R20=10;
С1=0.1-5мкФ, С2=5мкФ-10мкФ, С3=0.1-0.5, С4=0.25, С5=2200, С6=6800, С7=4700, С8=0.25, С9=0.015, С10=300, С11=5мкФ-10мкФ, С12=1мкФ-10мкФ, С13=1мкФ-10мкФ, С14=0.1, С15=100мкФ-500мкФ, С16=0.1;
Т1.Т2 - КТЗ 102, КТЗ 107 или КТЗ 15, КТ361, или другие аналогичные парные транзисторы;
А1.А2 - ОУ К140УД8 или аналогичные ОУ, напряжение питания может быть уменьшено до уровня, которое допускают технические условия.
Монтаж и настройка.
С помощью резистора R8 устанавливается необходимый коэффициент усиления. СЗ, С 14 подключается максимально близко к ОУ. Целесообразно к L1 подключить конденсатор СО. Данный контур необходимо настроить на середину диапазона - 1кГц. L1 выполняется на ферри-товом сердечнике длиной 5-10 см и проницаемостью 2000-4000, L1 содержит 1000-2000 витков провода ПЭВ 0.05-0.07мм.
На рис.7.7 приведены схемы приемников на ИС серии 548.

а - на ИС 548УН1А, б - на ИС 548УНЗА.
Элементы для схемы на рис.7.7.а:
Rl=500-lK (регулировка усиления УНЧ), К2=2.4к, К3=24к-51 к (подстройка усиления), К4=3к-10к, К5=1к-3к, К6=240к. К7=20к-100к (подстройка усиления), R8=10;
С1=0.2-0.47, С2=10мкФ-50мкФ, С3=0.1, С4=4.7мкФ-50мкФ, С5=4.7мкФ-50мкФ. С6=10мкФ-50мкФ, С7=10мкФ-50мкФ, С8=0.1-0.47. С9=100мкФ-500мкФ;
ОУ 1 и 2 - ИС К548УН1А (Б): два малошумящих ОУ в одном корпусе, требующих однополярное питание напряжением 9В-ЗОВ;
Т1. Т2 - КТ315, КТ361 или КТ3102, КТ3107 или аналогичные;
Т - ТМ-2А.
Монтаж и настройка.
С помощью резистора R1 устанавливается необходимый коэффициент усиления. СЗ подключается максимально близко к ОУ. Целесообразно к L1 подключить конденсатор СО. Данный контур необходимо настроить на середину диапазона - 1кГц. L1 выполняется на феррито-вом сердечнике длиной 5-10 см и проницаемостью 2000-4000, L1 содержит 1000-2000 витков провода ПЭВ 0,05-0.07мм.
Элементы для схемы на рис.7.7.6:
R1=300-1 к (подстройка чувствительности УНЧ, переменный резистор 1к-2к), К3=24-33к (K=1+R3/R1), R4=47K (регулировка громкости);
С1=0.1-0.3, С2=10мкФ-20мкФ, С3=0.1, С4=4.7мкФ-10мкФ, С5=1мкФ-10мкФ, С7=10мкФ-20мкФ, С11=10мкф, С12=10мкф, С13=0.1;
ОУ 1 и 2 - ИС К548УНЗ, ОУ1 - предварительный усилитель, ОУ2 -усилитель мощности, ИС рассчитана на работу с однополярным питанием напряжением 1.1 В-1.5В;
Т - телефон сопротивлением не менее 600 ом - 300+300, возможно применение обычного (двухпроводного), но с использованием выходного трансформатора.
Монтаж и настройка.
С помощью резистора R1 устанавливается необходимый коэффициент усиления. СЗ подключается максимально близко к ОУ. Целесообразно к L1 подключить конденсатор СО. Данный контур необходимо настроить на середину диапазона - 1кГц. L1 выполняется на феррито-вом сердечнике длиной 5-10 см и проницаемостью 2000-4000, L1 содержит 1000-2000 витков провода ПЭВ 0.05-0.07мм.
Выходной каскад индукционного передатчика (УНЧ) может быть выполнен на основе схемы генератора тока. Это позволяет исключить ограничивающий резистор и несколько повысить коэффициент полезного действия (КПД).
Представленные примеры устройств индукционной связи рассчитаны на одностороннюю связь. Однако на этом принципе могут быть созданы варианты и дуплексной связи. Для этого, конечно, должно быть минимум две пары устройств - передатчик и приемник.
В качестве среды передачи информации может использоваться свет. Это может быть обычный (видимый) свет или инфракрасное излучение (инфракрасные лучи).
На рис. 7.8 представлены схемы простых оптических передатчиков для светотелсфонов (фототелефонов).
На рис.7.8 - оптические передатчики с модуляцией луча света: а, б -примеры схем передатчиков, использующих видимый (а) и инфракрасный (б) свет.
Устройство на рис.7.8.а обеспечивает передачу информации АМ-мо-дуляцией (изменением интенсивности) светового луча (электромагнитное излучение видимой части спектра). При использовании простейшей оптической системы дальность связи может составить в дневное время несколько сотен метров, а в ночное - более 1 км, В качестве простейшей оптической системы можно использовать следующие средства: у источника излучения (электрическая лампочка) - рефлектор, например. электрический фонарик, у приемника (фотодиод) - фокусирующая линза или рефлектор.
Элементы для схемы передатчика светотелефона с модуляцией луча видимого света, рис.7.8.а:
Р1=50к-100к (определяет входное сопротивление устройства), Р2=300к, Р3=300к (регулировка начального тока через излучающий элемент - лампочку накаливания), Р4=300к, К5=1к-5к, К6=100к-300к (коэффициент усиления каскада на ОУ - 1+R5/R5), R7=5-10 (уменьшает влияние разброса параметров лампочки и изменение ее сопротивления от протекающего тока, повышает температурную стабильность);
С1=0.1-0.3, С2=0.1мкФ-5мкФ, СЗ=5мкФ-50мкФ, С4=0.1, С5=100мкФ-1000мкФ;
А1 - ОУ К 140УД8 или аналогичные ОУ, напряжение питания может быть увеличено или уменьшено до уровня, которое допускают технические условия на ОУ.
Tl -KT3102 или другие аналогичные транзисторы,
Т2 - КТ815 или другие аналогичные транзисторы, возможно использование вместо Tl и Т2 одного транзистора КТ827,
L1 - лампочка накаливания на 6.3В, возможно использование лампочек на другие напряжения, например, 3.6В, 12В и т.д.
Настройка.
Переменным резистором R3 устанавливается рабочая точка выходного транзистора (ОУ, Т 1, Т2). Ток покоя, протекающий через этот транзистор, задает начальную интенсивность свечения лампы. Значительный начальный ток необходим для компенсации инерционных свойств лампы накаливания. Именно из-за инерционных свойств лампы, вызывающих искажения сигнала, глубина модуляции не может быть значительной: ток покоя не достигает нуля. Глубина модуляции (громкость) устанавливается с помощью резистора R1 (громкость). С целью ограничения искажений сигнала этот уровень обычно составляет всего несколько процентов. Величина начального тока и величина R7 зависят от типа используемой лампочки. Величина начального тока выбирается с учетом изменения тока модуляции. Для нормальной эксплуатации и достижения максимальной дальности связи необходимо выполнить взаимную ориентацию излучающего элемента передатчика и датчика приемника. Это означает, что линия, вдоль которой осуществляется излучение, должна быть направлена на датчик приемника. Датчик же должен быть направлен на источник и ориентирован так, чтобы сигнал был максимален.
В данном устройстве возможно использование современных свето-излучающих диодов, обеспечивающих сравнительно высокую яркость излучения. Частотные свойства, надежность и экономичность у элементов этого класса значительно лучше, чем у ламп накаливания. Для достижения большей мощности излучения и дальности передачи возможно одновременное использование нескольких светодиодов.
Для повышения мощности излучения (и дальности), достижения экономичности (КПД) данных устройств связи целесообразно вместо чисто аналогового модулирующего сигнала использовать импульсную модуляцию, например, широтно-импульсную. Одним из вариантов такого решения может быть, например, использование усилителей класса D, к выходу которых можно подсоединить светодиоды. Учитывая повышенный коэффициент искажений, что характерно для усилителей класса D. в приемниках необходимо предусмотреть соответствующее фильтрование сигналов.
К сожалению, электромагнитное излучение видимой части спектра обладает рядом свойств, снижающих привлекательность его использования в подобных устройствах. Это и низкая прозрачность многих передающих сред. иногда недостаточная скрытность луча. слабая способность к отражению от препятствий и т.д.
Во многих случаях хорошей альтернативой может служить инфракрасное излучение.
Используя светоизлучающие диоды инфракрасной части диапазона, удается создать значительное число устройств, облегчающих и украшающих жизнь. Достаточно вспомнить хотя бы пульты дистанционного управления бытовыми устройствами, например, телевизорами, видеомагнитофонами и т.д. На основе аналогичных свето- и фотодиодов можно сконструировать устройства оптической связи.
Один из вариантов схемы передатчика светотелефона (фототелефона) с модуляцией инфракрасного излучения приведен на рис.7.8.6. Схема и ее настройка во многом аналогичны предыдущей схеме оптического передатчика (рис.7.8.а) с модуляцией луча видимого света.
Необходимо отметить, что при относительно близких расстояниях (10 м - 20 м), обычно в пределах помещений, нет необходимости устанавливать источник излучения и его приемник на одной линии, т.к. инфракрасные лучи отражаются от препятствий, например, от стен.
Пример схемы такого устройства представлен на рис 7.8.6:
Элементы для схемы передатчика для светотелефона (фототелефона) с модуляцией инфракрасного излучения (рис.7.8.б):
К1=50к-100к (определяет входное сопротивление устройства), Р2=300к, К3=300к (регулировка начального тока через излучающий элемент - светодиод) , К4=300к, Р5=1к-5к, К6=100к-300к (коэффициент усиления каскада на ОУ - 1+R5/R5), R8=8-10 (ограничивает ток через ИФ-светодиод, уменьшает влияние разброса параметров светодиода и повышает температурную стабильность,
средний ток через излучающий диод - 250мА-ЗООмА);
С1=0.1-0.3, С2=0.1мкФ-5мкФ, СЗ=5мкФ-50мкФ, С4=0.1, С5=100мкФ-1000мкФ;
А1 - ОУ К140УД8 или аналогичные ОУ, напряжение питания может быть уменьшено до уровня, которое допускают технические условия;
Т1 - КТЗ 102 или другие аналогичные транзисторы;
Т2 - КТ815 или другие аналогичные транзисторы, возможно использование вместо Т1 и Т2 одного транзистора КТ827;
D1 -АЛ119А.
Настройка.
Переменным резистором R3 устанавливается рабочая точка выходного транзистора. Ток покоя транзистора задает начальный ток и интенсивность потока (свечения) излучающего диода в отсутствии сигнала. Величина начального тока выбирается с учетом изменения тока модуляции. Глубина модуляции (громкость) устанавливается с помощью резистора R1 (громкость) и значительно выше, чем в предыдущем случае: ток через диод от максимального уровня уменьшается практически до нуля. Для нормальной эксплуатации и достижения максимальной дальности связи, как и в предьщущем случае, необходимо выполнить взаимную ориентацию излучающего элемента передатчика и датчика приемника.
На рис. 7.9 приведены примеры схем оптических приемников (приемников светотелефонов - фотоприемников фототелефонов), которые могут быть использованы совместно с описанными оптическими передатчиками - устройствами, обеспечивающими модуляцию световых лучей видимого и инфракрасного диапазонов.

а - приемник на ИС К548УН1А, б - приемник с полевым транзистором и ОУ.
На рис.7.9.а представлен вариант схемы оптического приемника на ИС 548УН1А. Эта интегральная схема содержит в своем составе два малошумящих ОУ, требующих для своей работы однополярное питание напряжением 9В-ЗОВ. Приведенный оптический приемник может быть использован в составе фотоприемопередатчика как для света видимого диапазона, так и для инфракрасного излучения.
На рис.7.9.б представлен вариант схемы оптического приемника на ОУ широкого применения. Особенностью данной схемы является использование в первом каскаде полевого транзистора. Это позволило достичь высокого уровня соотношения сигнал/шум и необходимого высокого входного сопротивления усилителя даже при использовании ОУ невысокого качества, обладающих низким входным сопротивлением. Приведенное устройство также может быть использовано в составе фотоприемопередатчика как для света видимого диапазона, так и для инфракрасного излучения.
Элементы для схемы приемника на рис.7.9.а:
К1=1к-5к (регулировка чувствительности ОУ1: K=1+R3/R1), К2=200к-300к, К3=100к-500к, К4=30к-100к (регулировка громкости), К5=1к-5к (регулировка чувствительности ОУ2: K=1+R7/R5), К6=200к-ЗООк, R7=10K-50K, R8=10, К9=300к-500к, К10=300к-500м;
С1=0.1-0.2. С2=5мкф-20мкф, С3=0.1-0.3, С4=0.3-5мкФ, С5=1мкф-ЮмкФ, С6=5мкф-20мкф. С7=50мкФ-500мкФ, С8=0.1, С9=100мкФ-500мкФ,С10=0.1-0.3;
D1 - тип светодиода зависит от параметров излучающего элемента, например, для инфракрасного диапазона ФДК261, ФД-25к, ФД-8к или аналогичный ИФ-фотодиод;
А1, А2 - ОУ ИС КР548УН1;
Tl, T2 - КТЗ 102, КТЗ 107 или КТЗ 15, КТ361, или аналогичные комплементарные (парные) транзисторы;
Т - ТМ-2А или аналогичные.
Элементы для схемы приемника на рис. 7.9.б:
R1 = 1 к-5к (регулировка чувствительности ОУ 1: К= 1+R3/R1), R3= 100к-500к, К4=10к-50к (регулировка громкости), К5=1к-5к (регулировка чувствительности ОУ2: K=1+R7/R5), К7=10к-50к, R8=10, К9=1м-2м, R10=820-1.2K, КИ=2к-Зк, К12=К13=50к-200к, К14=К15=200к-ЗООк;
С1=0.1-0.2. С2=5мкФ-20мкФ, С3=0.1-0.3, С4=1мкФ-5мкФ, С5=1мкф-10мкФ, С6=5мкФ-20мкФ, С7=50мкФ-500мкФ, С8=0.1, С9=100мкФ-500мкФ;
D1 - тип светодиода зависит от параметров излучающего элемента, например, для инфракрасного диапазона ФДК261, ФД-25к, ФД-8к или аналогичный ИФ-фотодиод;
D2 - стабилитрон КС168А , КС162А, КС156А , при напряжении питания 9В - КС156А, КС147А, КС139А;
А1.А2 - ОУ К140УД8, К140УД6 и др. ОУ;
Tl, T2 - КТЗ 102, КТЗ 107 или КТЗ 15, КТ361, или аналогичные комплементарные (парные) транзисторы;
Т - ТМ-2А или аналогичные.
Как уже отмечалось, использованием широтно-импульсной модуляции можно повысить среднюю мощность излучения, КПД и, как следствие, дальность связи.
На рис.7.10 приведена схема передатчика, использующего широтно-импульсную модуляцию излучения инфракрасного светодиода.
Элементы для схемы передатчика на рис.7.10:
К1=4.7к, К2=4.7к, Р3=1к (задает начальное смещение на Tl, настраивают по минимуму искажений), Р.4=1к, R5=560, R6=lK, R7=20 (ограничивает ток через ИФ-светодиод, уменьшает влияние разброса параметров светодиода и повышает температурную стабильность, средний ток через излучающий диод - 250мА-ЗООмА);
С1=2200, С2=2200, С3=0.01, С4=10мкФ;
DD1 -К153ЛАЗ;
Tl - КТЗ102 или другие аналогичные транзисторы;
T2 - КТ815 или другие аналогичные транзисторы, возможно использование вместо Tl и T2 одного транзистора КТ827;
D1 -АЛ119А.
В оптическом приемнике, рассчитанным на работу с передатчиком, использующим широтно-импульсную модуляцию, для повышения качества передачи необходимо предусмотреть фильтрацию высокочастотных (ВЧ) составляющих, которые всегда содержатся в импульсном сигнале (в его спектре). В крайнем случае, выделение из импульсного сигнала среднего значения напряжения и фильтрация ВЧ-составляющих может осуществляться непосредственно в телефоне или в динамической головке приемника.
В приведенных устройствах, основанных на оптических методах передачи информации, используется амплитудная модуляция -АМ-мо-дуляция, т.е. передача информации за счет изменения интенсивности (яркости) луча.
Однако яркость передаваемого луча видимого и инфракрасного света может изменяться не только за счет модуляции, осуществляемой передатчиком. На яркость луча оказывает влияние среда, в которой распространяется несущий информацию луч. Свойства среды могут изменяться (туман, пыль. мелкие и крупные препятствия, и т.д.). Кроме того, как уже отмечалось ранее, инфракрасный луч хорошо отражается от препятствий (это зависит от их свойств). При этом интенсивность отраженного луча, конечно, всегда ниже прямого.
Из всего сказанного ясно, что АМ-модуляция, схемная реализация которой достаточно проста, не обеспечивает высокого уровня помехозащищенности и качества.
В значительной степени решить эти проблемы, как и в случае радиосвязи, удается использованием частотной модуляции - ЧМ-модуля-ции. Для этого вида модуляции информация передается уже не изменением интенсивности (амплитуды) луча, а изменением частоты модулирующих колебаний.
ЧМ-модуляция позволяет придать связной аппаратуре новые потребительские свойства. Так, например, для случая инфракрасного излучения теряется разница между прямым и отраженным лучом. Однако для корректной работы таких устройств связи необходимо, чтобы интенсивность принимаемого луча была выше граничной. Качество передачи от замены прямого луча на отраженный не изменяется, т.к., следует напомнить, информация передается изменением частоты. Это позволяет в помещениях не очень заботиться о взаимной ориентации передатчика и приемника.
Общие вопросы.
Немного о скрытности: Существует фильм, снятый, лет. наверно, 30-40 назад. В этом фильме для передачи информации шпионы использовали лампочку освещения, висящую у входа избушки, стоящей недалеко от границы. Как и в схеме на рис.7.3 использовалась АМ-модуляция (с низкой глубиной) света лампы. И очень долго никто ничего не замечал ... Для связи отсутствие проводов, как и в случае радио, обеспечивает определенную комфортность. Однако оптические методы обладают некоторыми преимуществами по сравнению с радиосвязью в традиционных диапазонах, т.к. информация может передаваться в строго заданном направлении. Направленность передачи затрудняет перехват и повышает помехозащищенность. Кстати, распространение волн радиодиапазона СВЧ во многом напоминает свет.
О помехозащищенности. Очевидно, что электромагнитные помехи не оказывают влияния на распространение света и передаваемую информацию.
Этот материал принес мне DJIN.
Разработка и оформление Андрея Александровича Борисенко aka ICE.
По всем вопросам просьба писать мне на icenet (at) narod.ru