Что-то не так?
Пожалуйста, отключите Adblock.
Портал QRZ.RU существует только за счет рекламы, поэтому мы были бы Вам благодарны если Вы внесете сайт в список исключений. Мы стараемся размещать только релевантную рекламу, которая будет интересна не только рекламодателям, но и нашим читателям. Отключив Adblock, вы поможете не только нам, но и себе. Спасибо.
Как добавить наш сайт в исключения AdBlockРеклама
Радиомодемы / Простой модем для КВ и УКВ пакета
Простой модем для КВ и УКВ пакетой связи
Модем предназначен для работы
пакетом на КВ и УКВ. Основу схемы
составляет однокристальная
микроэвм АТ89с1051. Демодуляция
входного сигнала осуществляется
программным способом при помощи
алгоритма цифровой фильтрации с
элементами статистической
обработки для улучшения
помехоустойчивости приема.
Встроенный в микросхему
прецизионный компаратор позволил
обойтись без внешнего
операционного усилителя.
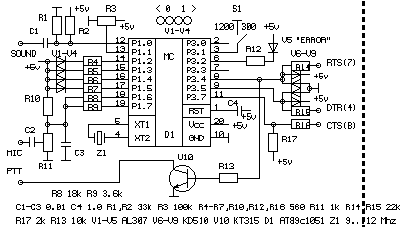
Светодиоды V1-V4 представляют собой простейший анализатор спектра. При работе на КВ это позволяет точно настроиться на работающую станцию. Светодиод V5 светится, когда принимаемый сигнал не попадает в канал приема. При правильной настройке должны ярко светиться светодиодыV2 и V3. Небольшой уровень свечения остальных светодиодов свидетельствует о наличии помех в канале приема. Регулировкой уровня сигнала или входным аттенюатором приемника нужно добиться минимально возможной яркости их свечения. Статистическая обработка позволяет работать при существенном уровне шума в полезном сигнале. Настройка компаратора производится резистором R3 в режиме приема КВ (переключатель S1 разомкнут). На вход подается синусоидальный сигнал. Регулировкой R3 нужно добиться скважности импульсов на выводе 3 процессора равной двум. Постепенно уменьшая уровень сигнала, процедуру нужно повторять до получения максимальной чувствительности. После этого можно подать реальный сигнал и убедиться в наличии демодулированного сигнала на выводе 11.
Синусоидальный сигнал на
передачу формируется при помощи
простейшего ЦАП на резисторах R8-R11.
Особенность такого решения
заключается в формировании сигнала
без разрыва фазы, что благоприятно
сказывается на качестве приема
такого сигнала. Резистором R11
устанавливается уровень модуляции
для радиостанции.
На диодах V6-V9, резисторах R14-R17 собрана схема сопряжения уровней TTL с уровнем сигналов COM порта компьютера. На схеме указаны названия сигналов порта и нумерация 9-ти выводного разъема компьютера для работы с известной пакетной программой BAYCOM. Она позволяет работать как на КВ так и на УКВ. Если предполагается подключить модем к TNC контроллеру, схему сопряжения можно исключить. В этом случае сигналы подключают соответственно: вывод 8 процессора к выходу прием/передача TNC, вывод 11 к входу демодулированных данных в TNC, вывод 9 к выходу данных из TNC. Сигналы SOUND, MIC, PTT подключают к радиостанции соответственно на НЧ выход, на микрофонный вход, и на вход управления прием/передача.
Если предполагается работа только на УКВ, все светодиоды можно исключить, в этом случае потребляемый ток уменьшится и будет составлять около 10 мА.
Частота кварцевого резонатора может быть любой в диапазоне от 9 до максимальной частоты микросхемы. При изменении частоты резонатора, рассчитываются константы для работы цифрового фильтра и генератора двух тонального сигнала, которые затем записываются в микросхему.
Модем собирается на односторонней печатной плате размером 3х5 см.
Разработка и оформление Андрея Александровича Борисенко aka ICE.
По всем вопросам просьба писать мне на icenet (at) narod.ru