Что-то не так?
Пожалуйста, отключите Adblock.
Портал QRZ.RU существует только за счет рекламы, поэтому мы были бы Вам благодарны если Вы внесете сайт в список исключений. Мы стараемся размещать только релевантную рекламу, которая будет интересна не только рекламодателям, но и нашим читателям. Отключив Adblock, вы поможете не только нам, но и себе. Спасибо.
Как добавить наш сайт в исключения AdBlockРеклама
Разработки / RadioEthernet
Предлагаю разработать легко повторяемую конструкцию приемо-передатчиков для соединения домовых сегментов и отдельных компьютеров в общую сеть.
Скорость - 10 Мбит Ethernet.
Рабочее расстояние - до 3 км.
Стоимость (в комплектующих) - чем меньше, тем лучше.
Протоколы - все - прозрачное соединение - как кабель.
Среда передачи данных - радиоэфир.
Как оконцовывать витую пару вилками RJ45 написано много где.
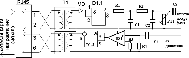
Рисуем подробнее:

Трансформаторы находятся во всех концентраторах и сетевых картах которые мы видели, в виде интегральных модулей (корпуса DIP или тонкопленочные модули). На рисунке они изображены упрощенно, на самом деле во многих случаях там есть отводы от середины обмотки и внешние элементы, которые эти отводы задействуют. Они (модули) согласуют витую пару с чипом конкретного производителя, выполняют функции фильтра, делают гальваническую развязку.
Я взял модуль VALOR FL1012 (с интегральными трансформаторами) из 10 Мбитногй сетевой карты D-link, которая была спалена. Выгорает часть чипа, а в модуле таком гореть вообщем нечему - там только пассивные элементы. И включил так:

Расположение выводов (цоколевку) я определил визуально, перед тем как выпаял модуль из сетевой карты - наверно можно найти документацию производителя в интернете. Средние выводы я пока не задействовал, то-есть включил я его (модуль) не совсем правильно, но сеть работала и так. Далее я включил так:

Сеть продолжала работать и я совсем обнаглел.. Схемотехникам привет!!! :)

Микросхему КР531ЛА3 я нашёл у себя в подвале (помоему я её из спектрума когда-то выломал), потому ее и применил - вообще главное, чтоб частота рабочая была выше 10Мгерц. Потом поменял на К1533ЛА3 - у неё характеристики лучше (в частности - быстродействие).
Вообщем я взял сигнал в сети Ethernet и пропустил его через цифровую микросхему, то-есть сделал его прямоугольной формы приведя его к уровням ТТЛ микросхем (дискретный сигнал - 1 или 0). Вообще сигнал в сети Ethernet и так дискретный - просто после обрезания всех частот, кроме двух - которые мне только и нужны 5 и 10Мгерц, он похож на синусоиду. Видимо, на небольшие расстояния обрезать лишние частоты не обязательно, но на всякий случай лучше подстраховаться (кто его знает, что там произошло с сигналом после прохождения по проводам, пассивным концентраторам и прочим устройствам, которые могут встретиться в локальной сети).
Теперь пытаюсь меж двух инверторов или еще как-то прилепить канал передачи данных!
Преобразование сигнала из цифрового в аналоговый и наоборот будет производиться следующим образом: цифровой сигнал будет преобразоваваться в синусоиду с помощью RC фильтра; обратное преобразование - с помощью операционного усилителя, т.е. на вход операционного усилителя (я использовал ULY7741, первый под руку подвернулся) подаётся НЧ сигнал, минимальный уровень этого сигнала не менее 100 мВ.
Передача данных осуществлялась с помошью трубки от радиотелефона. Я взял две одинаковые трубки (на диапазон 900 мГц), работающих на разнесённых частотах и с помощью нехитрых монепуляций перенастроил их так, чтобы между ними можно было общаться, т.е. настроил на одну частоту передатчк одной трубки и приёмник другой.. Прошу меня не ругать, но трубки использовались потому, что ничего другого под рукой не оказалось..

Детали:
VD - любой
D1 - 1533ЛА3
R1=R2 - 4,7kOm
R3=R4 - 82Kom
C1=C2 - 10nF
C3=C4 - 100nF
PT - 22kOm
Походу я с сопротивлениями переборщил..
Что же получилось.. Получилась связь между двумя точками, в моём случае это были с одной стороны локальная сеть (подключил непосредственно на концентратор), а с другой стороны стороны отдельный компьютер (включил в сетевуху). Вот работоспособность оставляла желать лучшего. Во-первых, это устройство очень мешало работоспособности локалки. Во-вторых, связь через эти устройства была нестабильна, т.е. скорость передачи данных была очень низкая и периодически пропадала несмотря на стабильную связь между самими трубками, пропадали пакеты данных.
Из этого я сделал для себя кое-какие выводы:
0. Несоответствие ширины канала сетевой карты и телефонной трубки.
1. Очень медленно идёт преобразование сигнала из цифрового в аналоговый и обратно.
2. Плохая помехоустойчивость.
3. Надо добиться множественного доступа, а не две точки (заменить трубки на что-то более удобное).
4. и далее.. Ещё что-нибудь найдётся.. :-)
Буду добиваться лучших результатов, но всвязи с наличием малого свободного времени и ограничением в финансах работа продвигается медленно.
И ещё!!! Просьба не грузить меня рассказами, почему такой вариант не заработал. Я это и так знаю. Как выше сказано, я от скуки воткнул в сетевухи трубки!
На это дело уже забито. Теперь разработка ведётся здесь.
Ваши отзывы:
Stanislav U. Идея сама по себе интересна, но как известно частота сигнала от сетевых карт достаточна высока, по твоим словам 10 Мгц и выше. Известна ли тебе ширина канала в телефонных трубках ? Думаю это не более достаточного для разговора 3кгц, каким же образом удалось втолкнуть сигнал 10 мгц в канал 3 кгц. Чтобы осуществить связь сет. карт, а попросту радио-ethernet необходимо иметь девиацию частоты не менее +/- 10 Мгц (при скорости 10 Мбит) возможно и более.
Для этого понадобятся достаточно широкополосные устройства, к примеру телевизионный приемник, есть неплохая идея (не моя)соединять через ком-порт два компа используя ДМВ диапазон. Это более вероятный вариант ведь в телевидении ширина канала составляет не менее 6.5 Мгц, аналог. сигнал можно снимать после видеодетектора. Не много поэксперементировав, ты сложил на нас самую трудоемкую часть. Как вариант попробовать перевести сетевухи в более низкоскоростной режим сменив например кварц (не пробовал, идея),
понадобятся две карты. Одна в удаленном компе, другая на пару с нормальной картой в компе связанном с сетью, нужно наладить только роутинг двух карт. На небольшой скорости ширина полосы снизится. Еще проще добавить к этим трубам модемы и включить в режим выделенной линии. В принципе если есть средства, зачем изобретать велосипед, есть готовые карты по 100$ на 300 футов, на открытой местности 500 метров прокачают.
Информацию о картах RadioEthernet можно найти на сайте
. Приходит достаточно писем с одним и тем же вопросом: где купить?
P.S. Если частота стабильно снижается до 10 мгц, то скорость падает до 5 мбит/сек. Так как ширина канала приблизительно становится > или = 5 мгц. Зная что ширина канала видео в телевиз. радиосигнале 6.5 мгц, делаем вывод что это наиболее благоприятные для передачи данных условия. Таким образом достаточно собрать кварцованный передатчик на ДМВ диапазон (для уменьшения габаритов устр-ва), с аплитудной модуляцией, развести каналы по частоте, (пока они не перестанут мешать программам телевидения
в вашей местности и друг другу :-)и собрать приемные модули желательно с ФПЧ. Можно использовать импортные тюнеры, хоть и дорого но возни меньше (установить непосредственно на антенне можно). У них прямо из корпуса видео и звук отдельно выходят. Для ввода сигнала в карту использовать быстродействующий компаратор, на вход которого заведена постоянная составляющая сигнала видео.
Вот и свежая мысль, кто хочет посмотреть прототип того что я описал, может посмотреть на сервере Кубанских радиолюбителей только там это с компортом мутят.
Кирилл В принципе - я согласен с Станиславом. По-поводу снижения кварцем частоты сетевухи (применимо для обычной локальной сети): при снижении скорости карты увеличивается расстояние между ними (только я не знаю в какой пропорции), т.е. не нужно в компе 2-х карт просто нужно в локалке поменять все кварцы с 20 мГц до 10 - (ниже 10 пробовал на коаксиале не получается - по причине нахождения кварца в формирователе 10 мГц для определения коллизий, если частота ниже карта думает, что сеть всё время занята). И ещё если кто-то мутит подобное - напишите!
Александр Вот некоторые вопросы и измышления:
Не совсем понятно, зачем нужно преобразование исходного сигнала в TTL-уровень? Ведь логика пропустит весь спектр частот согласно своим характеристикам,а ведь у 1533 (это кстати аналог 155-ой) предельная частота где-то в районе 15-20 MHz.
С помощью этой микросхемы идёт выравнивание TTL уровня. Впринципе, с выхода сетевухи он и так TTL, но возможные помехи в кабеле или если в сетке используются пасивные
хабы сигнал портится.. А частоты 20 МГц вполне достаточно для прохрждения 10Мбит/с. Из схемы трансформатор и логику можно выкинуть.
Я сильно подозреваю, что RC-фильтр играет здесь не самую лучшую роль, так-как его коэффициент усиления <1 (точное значение можно посчитать по номиналам деталей) и сигнал довольно сильно может утухать. Посадить бы все это на осциллограф и посмотреть осциллограмму. Может проще было-бы оставить один кондер - C3? Кроме того, RC-фильтр очень инерционная штука,
что естественно сказывается на скорости передачи/приема.
Я тоже так считаю, но ИМХО использование одного конденсатора было бы ещё хуже. На скорость приёма/перечачи фильтр сильно влиять не будет посравнению с самими приёмникоми о передатчикоми.
Ну а связь через трубки может быть нестабильной еще и из-за того, что между микрофонным входом и передатчиком трубки столько всего понапихано, что за голову хватаешся, когда приходится их ремонтировать. То же можно сказать и про канал между
приемником трубы и динамиком. А ведь это по сути одни сплошные помехи. Еще может быть плохое согласование между внутренним усилителем трубы и ULY7741. Плюс обязательная, хотя и небольшая девиация частот приемников и передатчиков в трубках.
Идея(!) - подать сигнал не на микрофонный вход, а на модулятор передатчика трубки. В разных моделях разные схемы модуляторов, но в основе почти всегда варикап. Сразу же отпадает вопрос о ширине каканалов, так-как несущая передатчика в несколько (десятков)
раз больше частоты сетевухи. Так-же и с приемником - снимать сигнал не оконечного усилителя (динамика), а с демодулятора. Опять-же в разных моделях по разному. Вообще я думаю, что можно использовать даже 40-50MHz-ые РТФ, всякие там "Diamond"ы, "Osawa" и т.д. и т.п.
Там попробуй разберись, что и где внутри трубки, мои попытки визуально обнаружить модулятор и демодулятор не увенчались успехом. Кроме того, использование радиотрубок далеко не лучший вариант. В дальнейшем планируется заменить трубки
на радиоканал на микросборках фирмы RMF (пока в них разбираюсь что к чему) или по совету Станислава Усакова использовать ДМВ телевизора.
Если эти нюансы ликвидировать, то вполне возможно исчезнут проблемы и с локалкой. Если хоть что-то вас заинтересует из этого,то пишите-подумаем вместе, глядишь-что нибудь получится.
Если у Вас есть какие-либо предложения, идеи или замечания, прошу сообщить мне. Форма отправит сообщение мне на е-мэйл.