Что-то не так?
Пожалуйста, отключите Adblock.
Портал QRZ.RU существует только за счет рекламы, поэтому мы были бы Вам благодарны если Вы внесете сайт в список исключений. Мы стараемся размещать только релевантную рекламу, которая будет интересна не только рекламодателям, но и нашим читателям. Отключив Adblock, вы поможете не только нам, но и себе. Спасибо.
Как добавить наш сайт в исключения AdBlockРеклама
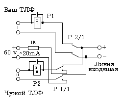
Полезные схемы / Незаметное подключение к чужой телефонной линии
Схема незаметного подключения к чужой телефонной линии.

Внимание: Данная схема не в коей мере не является призывом к её изготовлению и тем более эксплуатации. Представлена только в качестве ознакомительных целей и как метода возможного незаконного подключения к Вам. Хорошей защитой от незаконного подключения к Вашей телефонной линии является "Контроллер телефонной линии".
То, что не влезло на схему:
- верхний телефон: мой
- нижний телефон: клиента
- =/- 60V дополнительное напряжение 'слежения' (стабилизированное ~20mA)
- полярность очень желательно соблюдать
- реле Р1 было применено специальное, с задержкой отпускания 1 сек.
(впоследствии схема была испытана на РЕС-9 с параллельным конденсатором
200мкФ x 60В
- Конденсаторы позволяют проходить звуку/звонку минуя обмотку реле,
и в то же время позволяют организовать задержку (см. выше)
- все реле показаны в состоянии OFF
Алгоритм работы приведенной схемы прост:
Теле |
фоны |
Состо |
яние |
Ре |
ле |
Мой |
Его |
Я |
Он |
P1 |
P2 |
off |
off |
line |
line |
off |
off |
off |
on |
off |
line |
off |
on |
on |
off |
line |
pover |
on |
off |
on |
on |
off |
line |
off |
on |
Тут нет ничего сложного, самое главное - это динамический режим работы: "Я говорю, а в это время ОН снимает трубку..." - на его телефон поступает 'следящее' напряжение 60 вольт, которое имитирует напряжение АТС, при этом реле Р2 отключает меня от линии, но реле Р1 имеет задержку - 1сек, в течение этого времени тел. линия оборвана и АТС разрывает связь, спустя 1 сек. реле Р1 отпускает контакты и переключает клиента с имитатора на настоящую линию. На всю эту операцию уходит около 2 сек. (не надо торопиться, а то АТС может не успеть оборвать ваш разговор), но даже 2 сек. - это время, за которое "клиент" только и успеет поднести трубку к уху. Вот тут как раз и важна полярность: не очень приятно услышать в момент переключения импульс с амплитудой 120 вольт...
Преимущества:
1. Звонок проходит в оба направления
2. Cхему вместе с трансформатором вмещается в пачке от сигарет
Недостатки:
1. При отсутствии напряжения 60 вольт "клиент" ничего не услышит
(но зато он и не подслушает ваш разговор)
Разработка и оформление Андрея Александровича Борисенко aka ICE.
По всем вопросам просьба писать мне на icenet (at) narod.ru