Что-то не так?
Пожалуйста, отключите Adblock.
Портал QRZ.RU существует только за счет рекламы, поэтому мы были бы Вам благодарны если Вы внесете сайт в список исключений. Мы стараемся размещать только релевантную рекламу, которая будет интересна не только рекламодателям, но и нашим читателям. Отключив Adblock, вы поможете не только нам, но и себе. Спасибо.
Как добавить наш сайт в исключения AdBlockРеклама
Полезные схемы / Один LPT - два устройства
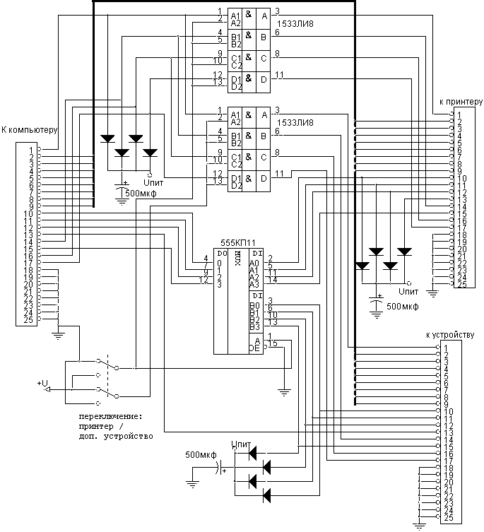
Один LPT - два устройства (ручное переключение).

Описание: решил баловаться только сигналами "управления", всё равно принтер считывает информацию с линий данных только при перепаде уровня линии -Strobe (1 контакт). Поэтому линии d0-d7 просто запараллеливаются на оба выхода. Также такой выход из положения обеспечивает работу по протоколу EPP/ECP (двунаправленная передача со скоростью до 5Мб/с). Хотя при подключении высокоскоростных устройств (CD-ROM, жёсткий диск) рекомендую отказаться от применения данной схемы. Параллельное подключение не должно сильно нагружать линии данных, имеющие максимальный выходной ток около 100 миллиампер (по крайней мере на моей SIS TM486SPS с интегрированной Multi I/O card), а большинство "именитых" новых принтеров используют на входах шинные драйвера с Z-состояниями входов/выходов. Итак, переключаем только шину управления и состояния принтера.
Питание устройства. Поначалу собрал "прототип" разветвителя на двух К155ЛИ1 и одной К555КП11. Питание от одних диодов обеспечивало напряжение около трёх вольт, но уже при такой "раскладке" принтер (матричный CPF-136) спокойно отпечатал пробную страницу. Но при мощных нагрузках дополнительного устройства разветвитель отказывался работать. Раскопав в ящиках материнскую плату от 286-го, подумал: "Чем чёрт не шутит" - и, вытащив оттуда аккумулятор, поставил в качестве дополнительного питания. Теперь вообще no problem - всё работает, как будто никакого разветвителя и нет. Желательно вместо этих серий поставить что-нибудь ещё маломощнее и с более широким разбросом питающих напряжений.
Печатная плата выглядит таким образом:

Это вид со стороны монтажа (детали устанавливаются с обратной стороны). Два места с обозначениями "+" и "-" - для конденсатора и аккумулятора. Маркировки, похожие на резисторные - это посадочные места для диодов. Сплошные чёрные линии - дорожки, пунктирные - тоже дорожки, но с другой стороны, их можно заменить обычными проводами. Цифры "1" - рядом с ними должны оказаться первые ножки микросхем при установке. Провода от разъёмов (они у меня закреплены не на самой плате) припаиваются в отверстия на "обрывающихся дорожках" (думаю, Вы поймёте куда, посмотрев на схему).
Источник:
Разработка и оформление Андрея Александровича Борисенко aka ICE.
По всем вопросам просьба писать мне на icenet (at) narod.ru