Что-то не так?
Пожалуйста, отключите Adblock.
Портал QRZ.RU существует только за счет рекламы, поэтому мы были бы Вам благодарны если Вы внесете сайт в список исключений. Мы стараемся размещать только релевантную рекламу, которая будет интересна не только рекламодателям, но и нашим читателям. Отключив Adblock, вы поможете не только нам, но и себе. Спасибо.
Как добавить наш сайт в исключения AdBlockРеклама
Полезные схемы / Телефонный интерфейс для СИ-БИ радиостанции
Телефонный интерфейс для СИ-БИ радиостанции.
Для подключения Си-Би радиостанции к телефонной линии применяют телефонные интерфейсы. С несложным вариантом такого устройства знакомит предлагаемая статья. Следует при этом иметь в виду, что несертифицированные устройства подключать к телефонной сети общего пользования нельзя. Интерфейс может быть использован только на ведомственных и офисных АТС.
Необходимость разработки телефонного интерфейса возникла в связи с отсутствием на рынке простых и дешевых устройств для подключения радиостанций диапазона 27 МГц к телефонной линии. Устройства, выпускаемые зарубежными фирмами, например, типа SC-900 и LMR-2, дороги. Правда, они обеспечивают связь радиоабонента с абонентом телефонной сети в автоматическом ре-химе. Аналогичные устройства российского производства дешевле, однако их качество оставляет желать лучшего. Кроме того, в условиях сильных помех работа любого интерфейса возможна только в ручном режиме, т.е. диспетчер набирает номер и соединяет радиоабонента с телефонной линией. В связи с этим и был разработан интерфейс, работающий в ручном режиме. Интерфейс выполнен в трех вариантах, подключался к станциям разных типов, показав надежность в работе и высокое качество связи. Конструкция интерфейса оказалась технологичной, легкой в повторении и некритичной к типам применяемых деталей. Широкие возможности настройки позволяют подключить интерфейс практически к любой радиостанции с минимальными изменениями. При тщательной настройке обеспечивается качество связи не хуже, чем у интерфейсов типов SC-900 и LMR-2.
Интерфейс соединяют с радиостанцией через разъем микрофона без изменений в конструкции самой станции. Он обеспечивает двустороннюю симплексную связь радиоабонента с абонентом городской или междугородной телефонной сети, а также связь диспетчера с радиоабонентом. Все стандартные функции радиостанции полностью сохраняются. Набор номера производит диспетчер с отдельного телефона (если интерфейс выполнен в виде отдельной конструкции) или непосредственно с телефона-интерфейса (если интерфейс встроен в телефон).

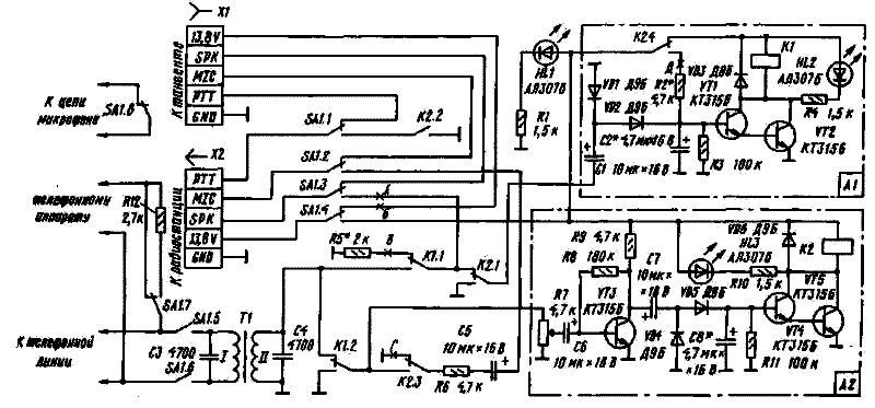
Схема устройства показана на рисунке. Приведем расшифровки некоторых обозначений контактов разъема, к которому подключен микрофон радиостанции:
— РТТ (он же ТХ) — переключение на передачу. При подаче низкого уровня на этот контакт радиостанция переходит в режим передачи. - SKP (он же RX) - переключение на прием. При подаче низкого уровня на этот контакт происходит переход радиостанции в режим приема. Как правило, через него замыкается на общий провод цепь встроенной в радиостанцию динамической головки, и, следовательно, на этом контакте присутствует напряжение низкой частоты.
— MIC — контакт подключения микрофона. Обычно используется электретный микрофон, поэтому на этом контакте может быть постоянное напряжение.
— GND — стандартное обозначение общего провода радиостанции.
— 13.8 V — вывод питания радиостанции.
Основа устройства — детекторы сигналов А1 и А2. Детектор А1 принимает сигнал с радиостанции, а А2 — с телефонной линии. Схемотехника этих блоков похожа, различаются они лишь тем, что А2 имеет дополнительный усилитель сигнала на транзисторе VT3.
Рассмотрим работу одного из блоков, например А2. Сигнал проходит через конденсатор С6 на транзистор VT3, усиливается им и поступает на выпрямитель с удвоением напряжения (VD4, VD5). Составной транзистор VT4VT5 открывается и срабатывает реле К2, которое производит необходимую коммутацию. Параллельно реле включен све-тодиод HL3, служащий индикатором срабатывания реле.
Переключатель SA1 служит для выбора режима работы. В нажатом положении включен режим "Интерфейс", а в отжатом радиостанция и телефон выполняют свои основные функции.
Если пришел сигнал с линии, то срабатывает реле К2. Оно своими контактами К2.1 отключает А1 от радиостанции (для предотвращения ложного срабатывания К1), контактами К2.2 замыкает вывод РТТ на общий провод, что приводит к переключению радиостанции в режим передачи, а контактами К2.3 подключает микрофонный вход радиостанции к разделительному трансформатору Т1 (т. е. к телефонной линии). Контакты К2.4 отключают А1 от источника питания и обеспечивают подзарядку конденсатора С2 для более четкого срабатывания реле К1.
Если пришел сигнал с радиостанции (используется вывод SPK, на котором есть напряжение низкой частоты), срабатывает реле К1, оно своими контактами К 1.1 подключает вывод SPK к трансформатору Т1, и сигнал с радиостанции поступает в телефонную линию. Контакты К1.2 отключают от линии блок А2, чтобы предотвратить ложное срабатывание реле К2.
Интерфейс может быть выполнен в виде отдельной конструкции или встроенным в телефонный аппарат как с кнопочным, так и механическим номеронабирателем.
Вариант первый — встраивание интерфейса в телефон с любым номеронабирателем. Контакты SA1.7 при работе в режиме интерфейса подключают телефон через резистор R12, необходимый для уменьшения шунтирующего действия разговорной части телефона на работу интерфейса и обеспечения возможности прослушивания диспетчером переговоров через интерфейс. Контакты SA1.8 отключают микрофон телефонной трубки, что повышает стабильность работы интерфейса. В этом варианте (он показан на схеме) не возможно набирать номер в режиме "Интерфейс".
Вариант второй — встраивание интерфейса в телефон с дисковым номеронабирателем. В этом случае можно набирать номер в режиме "Интерфейс". Для реализации такого варианта надо выводы, показанные на схеме "К телефонному аппарату", подключить к разговорному узлу телефона, а выводы "К телефонной линии" — к телефону после номеронабирателя. К линии аппарат подключают штатным способом.
Вариант третий — подключение интерфейса, выполненного в виде отдельной приставки. От первого варианта отличается тем, что контакты SA1.8 не задействованы, микрофон не отключается, поэтому возможно появление самовозбуждения.
Транзисторы VT1—VT5 могут быть любыми из серий КТ315, КТ312, КТ3102. Реле К1 - РЭС-22, паспорт РФ4500163, К2 -РЭС-9, паспорт РС4524202. Переключатель SA1 — П2К или любой с восемью переключающими контактами.
Трансформатор Т1 — любой малогабаритный переходной трансформатор от транзисторного радиоприемника. Первичная обмотка должна быть с меньшим сопротивлением, а вторичная — с большим. Сопротивление первичной обмотки — в пределах десятков ом, а вторичной — сотен ом. Возможно применение трансформатора 1:1, но в любом случае сопротивление первичной обмотки должно быть не менее 50 Ом.
Правильно смонтированное устройство начинает работать сразу и в настройке не нуждается, но в связи с различиями в радиостанциях она все же может потребоваться.
Используются пять точек, в которых нужно разорвать цепь для обеспечения нормальной работы. Эти точки обозначены на схеме А — Д. Цепь в точке В надо разорвать в случае появления самовозбуждения УНЧ радиостанции в режиме "Интерфейс". В точке Г разорвать цепь в случае появления самовозбуждения в режиме передачи (например, для YOSAN-2204 или другой радиостанции с конденсаторным микрофоном). При нечетком срабатывании реле К1 надо разорвать цепь в точке Д. Если микрофон не электретный и не требуется подавать на него питание, нужно разорвать цепь в точке Б.
Резистор R6 подбирают по оптимальному уровню сигнала на микрофонном входе радиостанции в пределах 1,5... 10 кОм в зависимости от типа радиостанции. Сопротивление резистора R6 не должно быть меньше 1,5 кОм во избежание выхода из строя цепей радиостанции.
Подбором времязадающих конденсаторов С2 и С8 в интервале от 2 до 20 мкФ нужно добиться надежного срабатывания реле, а также подобрать оптимальное время его отпускания. Желательно применить конденсаторы иностранного производства, так как российские не обеспечивают требуемой стабильности емкости.
Переменным резистором R7 устанавливают порог срабатывания от сигнала с телефонной линии. Есть смысл вывести этот резистор на переднюю панель, так как уровень сигнала с АТС может произвольно изменяться и, следовательно, потребуется корректировать порог срабатывания реле К2.
Если на разъеме радиостанции нет вывода питания (13.8 V), нужно подать туда это напряжение (разъем типа MegaJet-2701) или подключить интерфейс к блоку питания отдельными проводами.
Бывает, что интерфейс некорректно работает при подключении к контакту SPK. Тогда вместо вывода SPK подключают непосредственно к встроенной динамической головке радиостанции. Для этого надо разорвать цепь в точке А и подключить динамическую головку к точке соединения контактов К1.1 и К2.1. В этом случае разрывают цепь и в точке В. Возможно, потребуется подобрать трансформатор Т1, если не хватит уровня сигнала с телефонной линии.
Подключение интерфейса к радиостанции и тангенты к интерфейсу должно быть выполнено экранированным пятижильным кабелем. В случае использования неэкранированного кабеля, возможно, понадобится отключение цепи микрофона от тангенты (из-за наводки) в режиме приема. Для этого можно использовать отдельное малогабаритное реле с напряжением срабатывания 12 В (РЭС-15 и др.), подключив обмотку к выводу питания и к контакту РТТ, естественно, после переключателя SA1.1.
Источник: Журнал "Радио" №9 - 99г.
Разработка и оформление Андрея Александровича Борисенко aka ICE.
По всем вопросам просьба писать мне на icenet (at) narod.ru