Что-то не так?
Пожалуйста, отключите Adblock.
Портал QRZ.RU существует только за счет рекламы, поэтому мы были бы Вам благодарны если Вы внесете сайт в список исключений.
Мы стараемся размещать только релевантную рекламу, которая будет интересна не только рекламодателям, но и нашим читателям. Отключив Adblock, вы поможете не только нам, но и себе. Спасибо.
Как добавить наш сайт в исключения AdBlock
Полезные схемы / Управляющий PTT сигнал звуковой карты.
<<< К списку раздела.
Управляющий PTT сигнал c различных портов компьютера.
Многие задаются вопросом: "как снимать управляющий PTT
сигнал с моей звуковой карты?" Есть несколько простых схем,
позволяющих получить ответ на данный вопрос.
Решение для параллельного (LPT) порта.

Решение для последовательного (COM) порта.

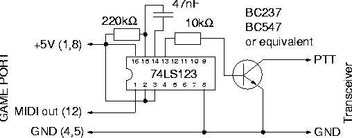
Решение для игрового (MIDI) порта.

Примечание: MIDI порт должен быть MPU401 совместимым.
Старые модели звуковых карт имеют MIDI порт не подходящий для
снятия PTT сигнала.
Vox схема, использующая PFx разъёмы звуковой
карты.

Примечание: Vox схема может использоваться только на скорости 1200 бод.
Вы должны установить уровень громкости правого канала
максимально возможным, для того чтобы получить достаточное напряжение
сигнала, чтобы включить уравляющий транзистор.
Разработка и оформление Андрея Александровича Борисенко aka ICE.
По всем вопросам просьба писать мне на icenet (at) narod.ru