Что-то не так?
Пожалуйста, отключите Adblock.
Портал QRZ.RU существует только за счет рекламы, поэтому мы были бы Вам благодарны если Вы внесете сайт в список исключений. Мы стараемся размещать только релевантную рекламу, которая будет интересна не только рекламодателям, но и нашим читателям. Отключив Adblock, вы поможете не только нам, но и себе. Спасибо.
Как добавить наш сайт в исключения AdBlockРеклама
Полезные схемы / Сигнализатор неисправности кулера
Сигнализатор неисправности кулера.
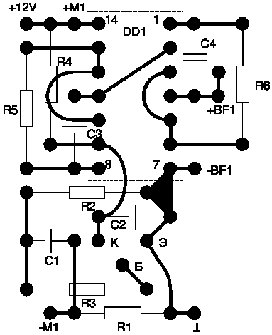
Устройство предназначено для подачи звукового сигнала при остановке вентилятора, охлаждающего центральный процессор ПК (т.е. кулера). Сигнализатор включается в разрыв кабеля питания кулера, размеры печатной платы 40x32.5 мм (умещается в спичечном коробке). Принципиальная схема сигнализатора изображена на рис.1.
Работа устройства основана на особенности формы потребляемого кулером тока (риc.2). С резистора R1 снимается напряжение, пропорциональное току через кулер, с амплитудой импульсов около 2В. Фильтр C1R2 подавляет постоянную составляющую сигнала, чтобы в отсутствие импульсов транзистор VT1 был полностью закрыт. Каждый импульс тока (один оборот кулера) на короткое время открывает транзистор VT1, разряжая конденсатор C2. После окончания импульса транзистор закрывается, конденсатор C2 начинает постепенно заряжаться через R4, но при нормальной работе кулера к моменту прихода следующего импульса он успевает зарядиться незначительно, на входе 9 DD1 постоянно присутствует низкий уровень. При обрыве, заклинивании или замыкании кулера импульсы тока прекращают поступать на вход сигнализатора, транзистор VT1 постоянно закрыт, и конденсатор C2 заряжается (сопротивление резистора R4 подбирается так, чтобы установившееся напряжение на C2 уверенно распознавалось микросхемой как высокий уровень). Высокий уровень на входе 9 DD1 разрешает работу генератора, собранного на вентилях DD1.1-DD1.4 и формирующего прерывистый звуковой сигнал. Частота звука зависит от C4 и R6 (приведенные на схеме номиналы соответствуют приблизительно 2 кГц), частота прерывания звука - с помощью C3 и R5 (по схеме 9-10 Гц). В качестве излучателя звука можно использовать пьезоэлектрический капсюль (подобный используемым в электронных будильниках и телефонных аппаратах). Вариант печатной платы сигнализатора и монтажная схема приведены на рис.3 и 4 соответственно.
Настройка сигнализатора выполняется в два этапа. Сначала подбором R1 и C1 необходимо добиться устойчивого открывания транзистора VT1 положительными импульсами тока кулера. Затем подбором R4 и C2 устанавливается допустимый интервал между испульсами, по истечении которого включается сигнализация. (Желательно контролировать форму напряжения на конденсаторе C2 с помощью осциллографа.)
Автор: А.Яновский
Разработка и оформление Андрея Александровича Борисенко aka ICE.
По всем вопросам просьба писать мне на icenet (at) narod.ru