Что-то не так?
Пожалуйста, отключите Adblock.
Портал QRZ.RU существует только за счет рекламы, поэтому мы были бы Вам благодарны если Вы внесете сайт в список исключений. Мы стараемся размещать только релевантную рекламу, которая будет интересна не только рекламодателям, но и нашим читателям. Отключив Adblock, вы поможете не только нам, но и себе. Спасибо.
Как добавить наш сайт в исключения AdBlockРеклама
Устройства для поиска и диагностики биологически активных точек
Для безмедикаментозной коррекции состояния организма широко используют методы стимуляции биологически активных точек (БАТ), точек акупунктуры. Определенные трудности, особенно на ранних этапах применения этого метода, вызывает процесс правильного определения местонахождения БАТ на теле.
К настоящему времени известно достаточно много устройств и способов диагностики БАТ. Контролируя свойства этих точек, в частности, сопротивление постоянному току, можно проследить за изменением состояния внутренних органов, определять эффективность приема медикаментозных средств и проведения лечебных процедур, а также оптимизировать их. Можно наблюдать динамику болезни и выздоровления с количественной оценкой степени отклонения от нормального состояния, скорости возвращения в состояние нормы.
Одним из наиболее достоверных и наглядных методов диагностики патологии внутренних органов считается метод Р. Фолля и его модификации.
В соответствии с этим методом предполагается, что при измерении электрического сопротивления определенного набора БАТ можно по косвенным данным (изменению электрического сопротивления) контролировать изменение состояния этих органов. Каждому жизненно важному органу соответствует «свой» набор БАТ.
Считается, что при «нормальном» состоянии организма электрическое сопротивление между точками акупунктуры (БАТ) и общим электродом должно находиться в некоторых допустимых пределах. Чем больше значение электрического сопротивления контролируемой точки, отвечающей за состояние определенного органа, отличается от допустимого значения, тем более выражен патологический процесс. Например, сопротивление, превышающее норму, соответствует развитию процессов деградации, старения, угасания жизненных функций организма, понижению его тонуса. Пониженное сопротивление предполагает развитие воспалительных процессов, связанных с острым периодом болезни. Допустимые значения сопротивления контролируемой точки для каждого конкретного человека сугубо индивидуальны и определяются его конституцией (телосложением), а также электропроводностью тканей.
При помощи описываемых ниже устройств и наработке определенного опыта можно диагностировать состояние людей, следить за изменениями состояния внутренних органов в ходе болезни на количественном уровне, а также своевременно корректировать его, контролируя правильность выбора лекарственного препарата, выбрать из перечня различных медикаментов наиболее эффективное для конкретного больного лекарство.
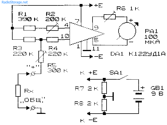
На рис. 24.1 приведена схема устройства со стрелочным индикатором для диагностики БАТ [Рл 11/97-30]. Устройство выполнено на микросхеме К122УД1А {К118УД1А). Внутренняя начинка этой микросхемы (усилителя) представлена на рис. 24.2. Сравнение схем (рис. 24.1 и 24.2) показывает, насколько может упроститься монтаж устройства, если его выполнять не из отдельно взятых элементов, а на основе микросхемы, содержащей готовые узлы и элементы более сложной схемы.
Рис. 24.1
На входе дифференциального усилителя (микросхемы) включен двойной Т-образный резистивный мост. Цепочки резисторов R1+R2 и R3+R4 при разомкнутой измерительной цепи определяют балансировку схемы (при помощи R2 стрелку измерительного прибора устанавливают на нуле). Величину максимального тока (50... 100 мкА) через рамку измерительного прибора ограничивает резистор R6, а через измерительную цепь — резистор R5.
Рис. 24.2. Аналог микросхемы К122УД1
Для диагностического устройства (рис. 24.1) максимальное падение напряжения на объекте измерения составляет около 2 В при токе через измерительную цепь не более 10 мкА. Данное устройство может быть применено также для измерения электрических и неэлектрических величин с использованием соответствующих датчиков (сопротивления, напряжения, температуры, влажности, интенсивности светового потока и т.д.).
Контролируемую цепь подключают к входным зажимам устройства с помощью общего и поискового электродов. Общий электрод изготовлен в виде цилиндра из нержавеющей стали или алюминия диаметром 15 мм и длиной 60 мм и зажимается в ладони диагностируемого. Поисковый электрод из проволоки с радиусом закругления 0,3...0,4 мм выполнен из нержавеющей стали, и им касаются с дозированным нажимом контролируемой БАТ. Замер сопротивления каждой из БАТ необходимо проводить не менее трех раз. Вся шкала принимается за 100%.
На рис. 24.3 приведен типичный вид диаграммы замеров по 12-ти классическим «энергетическим каналам» (меридианам), обозначенным римскими цифрами. Они соответствуют различным внутренним органам: легким, толстому кишечнику, желудку, селезенке и поджелудочной железе, сердцу, тонкому кишечнику, мочевому пузырю (мочеполовой системе), почкам, перикарду
(сосудистой системе), «тройному обогревателю (эндокринной системе), желчному пузырю, печени. Конкретное местонахождение БАТ, связанных с определенными органами, может быть определено по специальной литературе. Кроме того, при наличии выраженного заболевания, «точки-глашатаи» могут быть найдены и самостоятельно, опытным путем.
Для контроля изменения состояния БАТ (состояния здоровья) небольшой группы людей достаточно систематически заносить результаты замеров по контролируемым каналам на график (электрическое сопротивление — канал — дата), рис. 24.3. Выход измеряемого значения за допустимые пределы свидетельствует о развитии или наличии заболевания.
Рис. 24.4
Устройство, предназначенное для одновременного поиска и стимуляции БАТ, состоит из генератора импульсов и усилителя мощности (рис. 24.4) [Рл 9/91-7]. Генератор импульсов содержит регулируемую времязарядную RC-цепочку (R3 и С4). Параллельно конденсатору С4 RC-цепочки подключен мультивибратор на транзисторах VT1 и VT2 (КТ315). Эти транзисторы работают в инверсном включении (при другой полярности питающего напряжения). Базы транзисторов по постоянному току не связаны с другими элементами схемы. Мультивибратор нагружен на резистор R4. Конденсаторы С1 — СЗ, С5 обеспечивают наличие положительной обратной связи; параллельно конденсатору С1 подключены поисковые электроды. Сигнал с мультивибратора поступает на усилитель мощности на транзисторе VT3 и преобразуется в звук электродинамической головкой (телефонным капсюлем BF1).
Если объект измерения отсутствует (поисковые электроды разомкнуты), частота генерации мультивибратора находится в ультразвуковой области. При подключении поисковых электродов к телу человека и последующем поиске БАТ цепь положительной обратной связи мультивибратора через конденсаторы С1 — СЗ замыкается. При этом частота генерации резко понижается за счет существенных отличий от обычных (типовых) значений сопротивления и емкости кожного покрова в окрестностях БАТ. Это позволяет уверенно выявлять биологически активные точки.
Если необходимо расширить возможности прибора (обеспечить воздействие на акупунктурные точки) взамен телефонного капсюля включают согласующий (повышающий) трансформатор, а к его выводам присоединяют электроды активного воздействия. Цепь положительной обратной связи (поисковые электроды) закорачивают, генерируемый мультивибратором сигнал усиливается усилителем мощности на транзисторе VT3. Частота генерации варьируется изменением сопротивления R3. Амплитуду сигнала можно регулировать, включив вместо резистора R4 потенциометр. Движок потенциометра соединяют с базой транзистора VT3,
Устройство может быть использовано также в качестве универсального пробника электрических цепей, для исследования динамики процессов, протекающих в живых организмах, создания комбинированных измерительных систем «устройство — человек», в качестве генератора импульсов для настройки радиоэлектронной аппаратуры и т.д.
Прибор для поиска или стимуляции БАТ (рис. 24.5) представляет собой простейший омметр [Прибор «Ледия», Латвия]. Последовательно с источником питания включен стрелочный прибор РА1 и токоограничивающие резисторы R2 и R3. Одновременно описываемый прибор можно использовать для воздействия на БАТ, контролируя при этом силу тока. Для смены полярности подаваемого на электроды напряжения предназначен переключатель SA1.
Электроакупунктурный стимулятор с омметром (рис. 24.6), предложенный М. Цаковым и модернизированный В. Козловым, выполнен на КМОП-микросхеме типа К561ЛЕ5 и транзисторном ключе VT1 [Рл 10/92-24]. При помощи конденсатора СЗ и диода VD4 формируются импульсы, амплитуда которых близка к удвоенному напряжению питания. Переводить устройство из режима поиска БАТ в режим стимуляции позволяет переключатель SA1. В режиме поиска омметр на транзисторах VT1 и VT2 (усилитель постоянного тока) подключают к исследуемому участку тела. При касании электродом БАТ загорается светодиод HL1.
Рис. 24.5
Рис. 24.6
Литература: Шустов М.А. Практическая схемотехника (Книга 1), 2003 год





