Что-то не так?
Пожалуйста, отключите Adblock.
Портал QRZ.RU существует только за счет рекламы, поэтому мы были бы Вам благодарны если Вы внесете сайт в список исключений. Мы стараемся размещать только релевантную рекламу, которая будет интересна не только рекламодателям, но и нашим читателям. Отключив Adblock, вы поможете не только нам, но и себе. Спасибо.
Как добавить наш сайт в исключения AdBlockРеклама
БП для трансивера из компьютерного БП
БП для трансивера из компьютерного источника питания AT/ATX
|
Пошаговая инструкция для переделки компьютерного блока питания для использования с трансивером. 1.Необходимо удалить все детали для -12, -5 и +5 вольт. Я удалил диоды,
конденсаторы, обмотки дросселя и нагрузочные резисторы для этих напряжении.
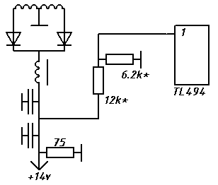
Все это занимает много места. 2.Перемотать намоточные узлы для +12 вольт более толстым проводом. Дроссель для +12 вольт я намотал проводом 1.3. На 1 вольт 1.5 витка, то есть 20-21 витка. Можно мотать и в два провода, проводом 0.6. Обмотка должна сильно прилагать к сердечнику. С трансформатором дела обстоят посложнее, его очень сложно разобрать (Залит чем-то китайским, Hi!). Если разберете, попытайтесь намотать его более толстым проводом. Посчитайте витки и намотайте столько же +8-10 витков (У нас иногда в сети бывает 190 вольт). 3.Заменить выпрямительные диоды для +12 вольт на сборку из диодов с барьером Шоттки 30А 45В. Я применил сборку 30CPQ045. (Может быть у других производителей данная сборка называется по другому). Использование отечественных диодов дало неудовлетворительные результаты. - большое падение напряжения. Диоды КД 2998 дали при нагрузке падение около 1.1 вольта. 4.Разорвать на плате дорожку, которая шла на первую ножку TL494. Через резисторный делитель подать напряжение на эту первую ножку микросхемы. ( Огромное спасибо А.Ю.Сидельникову 4L1AW ). Этим мы заставляем микросхему отсчитывать нужное нам напряжение +12 вольт. В исходном варианте она отсчитывает суммарное напряжение, где доминирующим является +5 вольт. 5.Подбором номиналов резисторов делителя выставил нужное напряжение на выходе +14 вольт. Все что я сделал показано на принципиальной схеме ниже на рис.1. Фотография получившегося блока питания приведена на рис.2.
Испытал все это в самом жестком режиме. Я думаю все легко и просто. А после переделки у вас в наличии окажется легкий и небольшой БП. Если есть предложения или замечания пожалуйста, пишите на мой E-mail
|

