Импульсные
источники питания персональных компьютеров AT и ATX
Сергей Чернов
km450 (at) mail.ru
ks98 (at) email.ru |
Источник питания АТ
Это один из вариантов схемы от импульсного источника питания AT персоналки.
Мощность источника питания 200 ватт. Схема срисована мною непосредственно
с платы источника Тайваньского производства. Надпись на плате - смотри
рисунок.
В настоящее время такие источники не выпускаются, а парк таких компов
думаю ;большой. Ремонтировать без схемы занятие незавидное, комп был свой,
вот пришлось наверно неделю в руках вертеть пока не нарисовал. Схема полная
!!! Я бы это предложил тем кто ремонтирует своими руками. Кстати сколько
попадалось источников отличия в схемах не принципиальные. На данной я
например не стал рисовать переключатель 110/220. Вначале источники шли
с таким переключателем потом его просто не стали впаивать.

Рис.1. Принципиальная схема источника питания АТ (щелкните мышью
для увеличения)
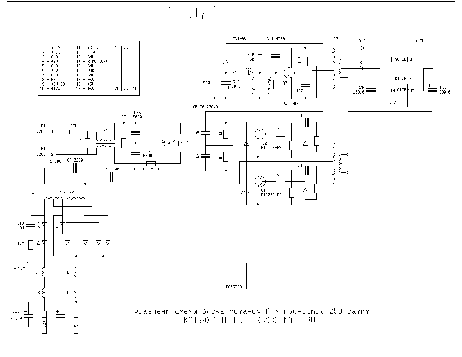
Источник питания АТX
Это один из вариантов схемы источника питания ATX. Рисовал по причине
необходимости отремонтировать свой компьютер (после грозы кстати, т.к.
дежурный пятивольтовый источник включен постоянно).
Отличается источник АТХ от обычного АТ дополнительным преобразователем,
собранным на транзисторе Q3 типа С5027 и стабилизатором на микросхеме
1С1 7805, что позволяет "пробуждать" комп от модема или сетевой карты.
Так же имеется дополнительный выпрямитель на +3.3 вольта, схема которого
абсолютно аналогична каналу +5 вольт. В остальном практически отличия
от АТ источника нет.
Рис.2. Принципиальная схема источника питания АТX (щелкните мышью
для увеличения)
Надпись на плате - смотри рисунок.
В верхнем левом углу схемы для справки дана распайка разъема.
|