Что-то не так?
Пожалуйста, отключите Adblock.
Портал QRZ.RU существует только за счет рекламы, поэтому мы были бы Вам благодарны если Вы внесете сайт в список исключений. Мы стараемся размещать только релевантную рекламу, которая будет интересна не только рекламодателям, но и нашим читателям. Отключив Adblock, вы поможете не только нам, но и себе. Спасибо.
Как добавить наш сайт в исключения AdBlockРеклама
ИСТОЧНИКИ ПИТАНИЯ КОНСТРУКТИВА АТХ ДЛЯ КОМПЬЮТЕРОВ
ИСТОЧНИКИ ПИТАНИЯ КОНСТРУКТИВА АТХ ДЛЯ КОМПЬЮТЕРОВ Юрий Гончаров Компьютерная техника в последнее время стремительно развивается - совершенствуется технология изготовления, высокими темпами растут быстродействие, емкость оперативной и буферной памяти, емкость жестких дисков. На фоне такого стремительного развития компьютеров блоки питания изменились незначительно. За последнее время самое существенное изменение связано со способом включения блока питания. В блоках питания, выпускаемых ранее, включение производилось механическим замыканием контактов, через которые подается высокое внешнее напряжение сети. В последнее время широкое развитие получили источники питания типа АТХ. УСТРОЙСТВО И РАБОТА Стандарт АТХ ( AT Extension ) установлен корпорацией INTEL с введением нового формфактора на материнские платы {формфактор — отношение ширины платы к ее длине, а также план размещения посадочных гнезд). Появление нового формфактора обусловлено ожидаемым расширением возможностей персональных компьютеров: аудио- и видеовходы, поддержка виртуальной реальности, реализация ввода-вывода TV , а также факсмодема. Стандарт АТХ предполагает снижение общей стоимости комплектующих за счет уменьшения длины кабелей, снижения их числа посредством схемотехнических решений, уменьшения числа вентиляторов и дополнительных карт. Снижение числа компонентов на плате предполагает и смену корпусов, поскольку новые платы не соответствуют старым корпусам по габаритам. В источниках питания для конструктива АТХ (в дальнейшем — источник) изменен разъем для подключения питания к системной плате. Он имеет 20 контактов, и через него подаются напряжения ±5 В, ±12 В, +3.3 В (для будущих моделей PCI плат расширения). Кроме того, на разъем выводится сигнал "PS-ON", предназначенный для выключения питания программными средствами, например, по команде "Shut down the computer" ("выключить компьютер") в среде WINDOWS. В связи с этим в блок питания добавлен вспомогательный источник дежурного питания "+5 V5B" и дистанционное управление включением и выключением выходов источников постоянного напряжения. Все выходные напряжения, кроме "+5 VSB", запрещаются сигналом лог. "1" на входе "PS-ON". Спецификой источников конструктива АТХ являются высокие массогабаритные характеристики при средней мощности 230 Вт:
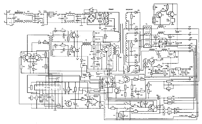
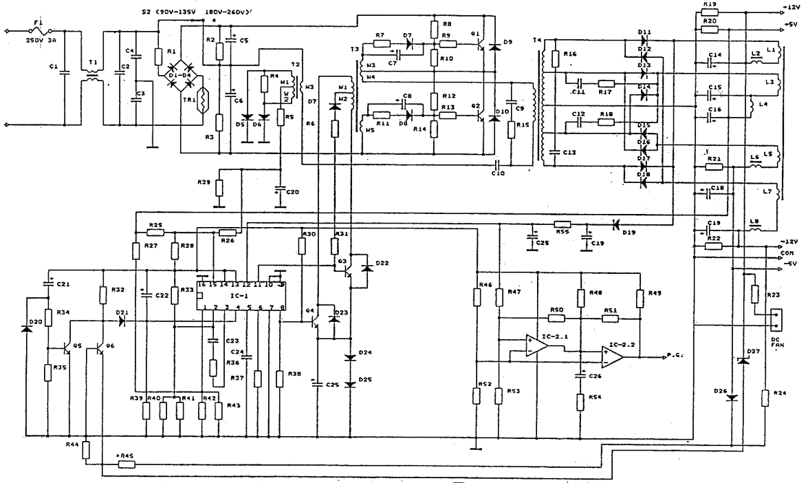
Структурная схема источника (рис. 1) состоит из двух функциональных узлов - сетевого выпрямителя (СВ) и преобразователя напряжения (ПН). Преобразователь напряжения включает в себя конвертор (К) и устройство управления (УУ). Конвертор, в свою очередь, состоит из инвертора (И), преобразующего постоянное выходное напряжение СВ в переменное прямоугольной формы; силового трансформатора, работающего на повышенной частоте (~60 кГц) и обеспечивающего гальваническую развязку сети с нагрузкой; выпрямителя и высокочастотного LC фильтра (БФ). Устройство управления обеспечивает мощные транзисторы инвертора импульсами возбуждения изменяемой длительности, реализуя, таким образом, принцип широтно-импульсного регулирования и стабилизации выходного напряжения Uh.
Рис.1. Структурная схема блока питания Кроме того, устройство управления выполняет функции плавного включения и аварийного отключения блока питания. Согласование маломощных выходных сигналов логических элементов УУ с входами силовых транзисторов выполняется усилителями импульсов (УИ) через трансформатор Т2, который обеспечивает гальваническую развязку. Схема вспомогательного преобразователя (ВПр) обеспечивает напряжениями питания усилители импупьсов, узлы схемы управления и линейный стабилизатор "+ 5VSB". После запуска инвертора устройство управления получает питание от вспомогательного выпрямителя (ВВ). Рис. 2. Принципиальная схема источника питания - щелкните мышью для увеличения Сетевой выпрямитель (рис. 2) выполняет функции выпрямления напряжения сети и сглаживания пульсаций; обеспечивает режим плавной зарядки конденсаторов фильтра С5 и С6 (терморезистор ТН1 ограничивает пусковой ток заряда конденсаторов С5, С6 до допустимого значения) при включении источника; обеспечивает бесперебойность подачи энергии в нагрузку при кратковременных (до 300 мсек) провалах напряжения сети ниже допустимого уровня и уменьшает уровень помех за счет применения помехоподавляющш фильтров (элементы CXI , BL 1, BL 2, BL 3, CY 1, CY 2, C 1, LF 1, C 2, СЗ, С4}. Для выравнивания напряжений конденсаторы С5 и С6 шунтируются резисторами R 2, R 3 (с допуском не более ±2%), которые, к тому же, обеспечивают разрядку этих конденсаторов при выключении источника питания. На выходе СВ формируется постоянное напряжение, которое может составлять 264-340 В для однофазной сети ~220 В с учетом допуска - 15%... + 10%. Двухполюсный выключатель SW 1 коммутирует входное сетевое напряжение. Ключ SW 2 служит для перехода на стандарт питающего напряжения ~110 В. При его замыкании входной выпрямитель переходит в режим удвоителя напряжения по схеме Латура. Силовая часть регулируемого инвертора выполнена по полумостовой схеме на транзисторах Q 1 и Q 2 (рис. 2). Транзисторы Q 1 и Q 2 открываются противофазно на равные временные интервалы t1 и t2 (рис. 3). Временные интерналы открытого состояния транзисторов разделены защитным интервалом дельтаt , исключающим возникновение сквозного тока через Q 1 и Q 2. Выходной сигнал инвертора подается через токовый датчик Т4 на первичную обмотку силового трансформатора Т1. Силовой трансформатор Т1 подключается к выходу емкостного делителя напряжения С5, С6 через конденсатор С7, исключающий падмагничивание сердечника трансформатора и одностороннее насыщение его магнитопровода в установившемся режиме работы. Защиту от коммутационных импульсов напряжения обеспечивают варисторы VD 1 и VD 2. Цепочка R 4, С8, шунтирующая первичную обмотку трансформатора Т1, снижает добротность резонансного контура, что также способствует уменьшению импульсных помех. Возвратные диоды D 1 и D 2 ограничивают напряжения на коллекторах транзисторов Q 1 и Q 2, обеспечивая их безопасную paботу в инверсном режиме при возврате реактивной энергии, накопленной в нагрузке и трансформаторе, в систему электроснабжения через открытый транзистор. Усилители импульсов на транзисторах Q 4 и G 5 сигналами от IC 1 ( TI 494) с помощью согласующего трансформатора Т2 управляют работой силовых ключей (транзисторы Q 1 и Q 2). Особенностью работы данных усилителей является положительное напряжение смещения на емкости С15. Падение напряжения на диодах D10 и D11 используется для динамического запирания транзисторов Q 4 и Q5.
Рис. 3. Временные диаграммы коммутационных процессов переключения силовых транзисторов Q 1 и Q 2
Управление базовыми цепями транзисторов Q1 и Q 2 осуществляется через ускоряющие цепочки D 3, R 7, С9, R 5 и D 4, R 8, С10, R 6, которые форсируют прямые и обратные токи баз Q 1 и Q 2 на этапах их включения и выключения. Трансформатор Т4 служит для формирования сигнала аварийного выключения источника при превышении мощности потребления свыше 250 Вт. Порог срабатывания защиты устанавливается переменым резистором VR 1. На могнитопроводе силового трансформатора Т1 располагаются вторичные обмотки для получения выходных напряжений ±12 В, ±5 В, +3.3 В. Выпрямители напряжений вторичных обмоток выполнены по двух-полупериодной схеме, причем для получения выходных напряжений +12 В, +5 В, +3.3 В используются сдвоенные диоды, установленные на радиаторе. Трансформатор Т5 снижает уровень синфазных помех в выходных напряжениях +12 В, +5 В, -12 В. Широтно-импульсная стабилизация применяется только для самых мощных источников "+12 V" (1макс.=8 А) и "+5 V " (1макс.=22 А). В этой ситуации стабильность остальных источников оказывается недостаточной, и для ее повышения используются либо интегральные линейные аабилизаторы напряжения ( IC4 в канале "-12 V " и IC5 в канале "-5 V "), либо стабилизатор на дискретных элементах (канал "+3.3 V "). Последний выполнен на регулирующем транзисторе Q10, резисторах R 60 ... R63, VR 3, конденсаторе СЗ и микросхеме IC 7. Микросхема IC 7 ( TL 431) представляет собой маломощный регулируемый стабилизатор постоянного напряжения параллельного типа положительной полярности и используется в качестве регулируемого источника опорного напряжения ("регулируемого стабилитрона") [3]. Вспомогательный преобразователь, обеспечивающий напряжениями питания узлы устройства управления и источника "+5 VSB ", представляет собой однотактный преобразователь напряжения (ОПН) с самовозбуждением. Положительная обратная связь обеспечивается дополнительной обмоткой, расположенной на магнитопроводе трансформатора ТЗ. Резистор R10 обеспечивает самовозбуждение ОПН посредством начального запускающего тока в базу транзистора QЗ. Демпфирование импульсного коллекторною напряжения транзистора выполняется цепью R 14, С13. Большие коммутационные перегрузки транзистора Q3 по току коллектора являются основным недостат ком рассмотренной схемы и требуют применения довольно мощного высоковольтного ключевого транзистора, например, 2SC4020 Выходное напряжение "+5 VSB " формируется из выпрямленного диодом D 20 с помощью линейного стабилизатора ICЗ. Питание ВПр осуществляекч от сетевого выпрями теля через резистор R 9. В данном источнике в качестве схемы управления УУ используется мноюфункционалыюя ИМС типа TL 494, предназначенной для управления импульсными источниками вторичною электропитания различного вида [3]. Ее аналогами являются ИМС мРС494, IR 3 MO 2, КА7500 и отечественная КР1114ЕУ4. Питание микросхемы в установившемся режиме работы осуществляется от вторичной обмотки трансформатора Т1 через выпрямительный диод D22. Микросхема имеет встроенный источник опорного напряжения (ИОН), обеспечивающий стабильным напряжением остальные узлы ИМС, а также элементы токовой защиты; транзисторы Q 6... Q 8. микросхему IC2 и др. ИОН формирует опорное напряжение +5В ± 1% на выходе (вывод 14) при подаче на вход (вывод 12) напряжения 27 В. Частота внутреннего задающею генератора задается элементами R 26 и С17, подключенными соответственно к выводам 6 и 5 ИМС. При R 26=16 кОм и С1 7=1000 пФ получим f —66 кГц (Т= 15 мксек) Выходное напряжение ИОН через делитель R 25, R 24 подается на вывод 4. Конденсатор С18, установленный в этом делителе, определяет временные параметры плавного запуска источника при начальном включении напряжения питания или после срабатывания соответствующих схем защиты. Вывод 1 ИМС является входом схемы сравнения. Уровень выходных напряжений источника устанавливается потенциометром VR 2. Потенциометр VR 2 регулирует напряжение, получаемое с выходов самых мощных источников +12 В и +5 В. Корректирующая цепь R 22, С16 обеспечивает устойчивый режим стабилизации. Сигнал с вывода 3 ИМС TL 494 используется дли образования сигнала "POWER GOOD". Сигнал проходит через резистор R23, транзистор Q 6 и операционный усилитель IC 2. С вывода 1 усилителя IC 2 на резисторе R 51 образуется ситнал пог. "1" с временем задержки от 100 до 500 мсек при включении и не более 1 мсек при выключении. Время задержки при включении определяется емкостью С19.Второй операционный усилитель в IC 2 ( LM 393) используется в токовой защите. При увеличении мощности, потребляемой источником, более 250 Вт напряжение с потенциометра VR 1 через диод D 13 поступает на вход компаратора ИМС LM 393 (вывод 6). Отрицательное выходное напряжение с вывода 7 IC 2 инвертируется транзистором G 9 и через диод D Т 8 поступает на вывод 4 IC 1, запрещая выходные импульсные последовательности но выводах 8 и 11 и переводя блок питания в дежурный режим. Схема на резисторах R 40, R 48, R 52, R 54, R 55, диодах D 19, D 23, D 24, стабилитронах ZD 2, ZD 3 и конденсаторе С28 используется также для получения положительного напряжения защиты при перегрузках источников +3,3 В, +6 В, -5 В, -12 В или превышении напряжений на выходах источников +3.3 В и +5 В. Каскад на транзисторах Q 7, Q 8 и "правляемом стабилитроне" IС6 ( TL 43 I ) используется дпя дистанционного включения и выключения источника сигналами с логическими уровнями "0" и "1" соответственно. Блоки питания формата АТХ оснащены схемой терморегулирования: скорость вращения охлаждающего вентилятора зависит от температуры внутри корпуса - на максимальную скорость вентилятор выходит только при температуре, превышающей 40°С Таким образом, при нормальной температуре источники обладают пониженным уровнем шума. НЕИСПРАВНОСТИНаиболее часто встречающиеся неисправности в источнике питания типа АТХ:
ЛИТЕРАТУРА
Схемы источников питания ATX:
|


