Что-то не так?
Пожалуйста, отключите Adblock.
Портал QRZ.RU существует только за счет рекламы, поэтому мы были бы Вам благодарны если Вы внесете сайт в список исключений. Мы стараемся размещать только релевантную рекламу, которая будет интересна не только рекламодателям, но и нашим читателям. Отключив Adblock, вы поможете не только нам, но и себе. Спасибо.
Как добавить наш сайт в исключения AdBlockРеклама
Блоки питания старых ПК для питания трансиверов
Блоки питания старых ПК для питания трансиверов
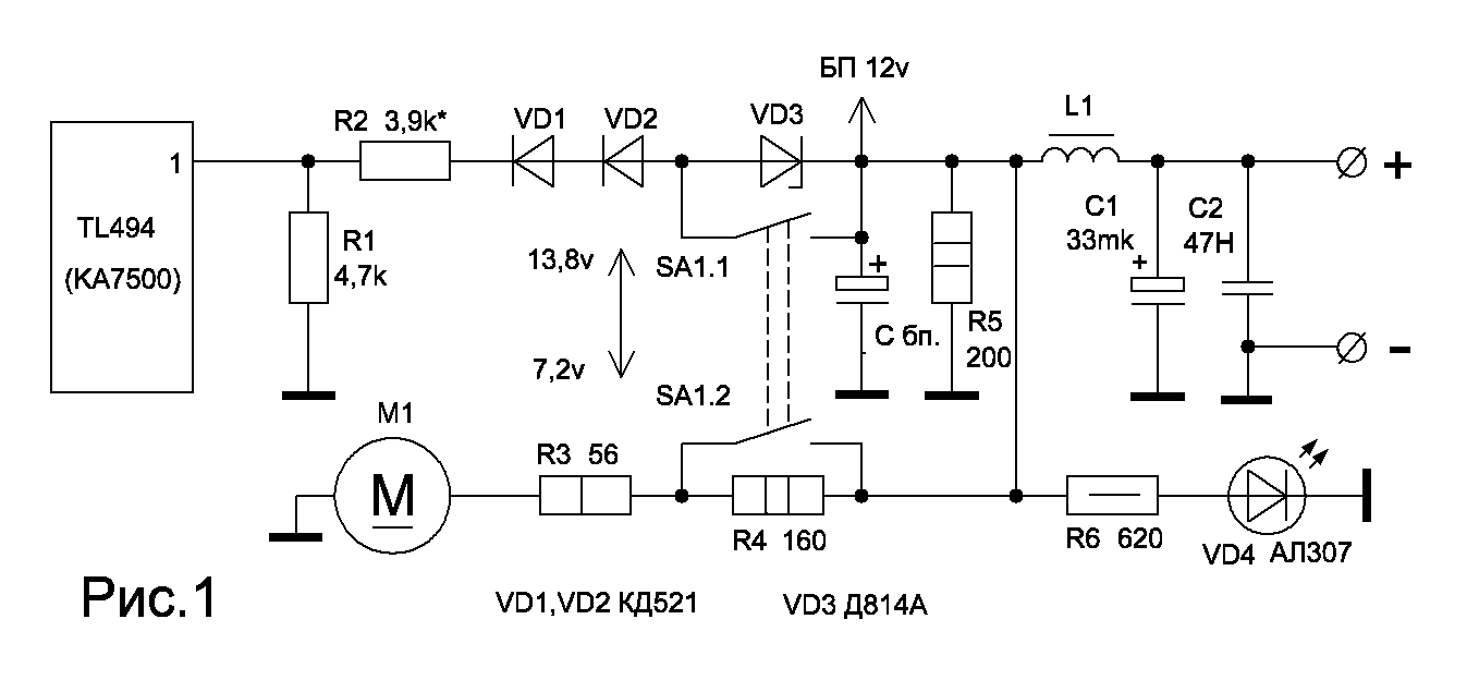
Блоки питания старых ПК можно переделать для питания трансиверов и другой радиоаппаратуры. Для этого можно использовать 12-вольтовый источник, подкорректировав выходное напряжение до нужного. Сделать это можно, подключив первую ножку микросхемы TL494 (KA7500) к источнику 12 вольт через диоды, которые будут определять выходное напряжение. Прежние цепи нужно разорвать (стабилизация была от 5 вольт). Количество и тип диодов подбирают в зависимости от требуемого выходного напряжения. На рис.1 изображен вариант для двух напряжений – 7,2v. и 13,8v. Переключатель напряжения сети БП можно использовать для переключения выходного напряжения. Диоды VD1 и VD2 задают напряжение 7,2v, резистором R2 можно более точно подобрать выходное напряжение. Стабилитрон VD3 задает напряжение 13,8v. Из-за разброса напряжения стабилизации отдельных экземпляров стабилитронов возможно потребуется их подбор до получения нужного напряжения. На выходе БП для устранения помех необходимо включить фильтр L1, C1,C2. L1 намотана на ферритовом кольце 2000НМ, состоит из 5-10 витков провода, идущего к выходной клемме. Если по сети нет фильтров (часто вместо фильтров стоят перемычки), желательно фильтр восстановить. Для индикации выходного напряжения включен светодиод VD4. Чтобы уменьшить шум от вентилятора можно понизить напряжение его питания, подключив последовательно резисторы (R3,R4). При этом вентилятор работает на минимальных оборотах. Однако во избежание перегрева БП при максимальной нагрузке вентилятор должен работать на нормальных оборотах, напряжение питания вентилятора 12v. Переделанный БП обеспечивает ток нагрузки, указанный на блоке для напряжения 12 вольт (этот ток зависит от мощности блока питания). При использовании БП формата АТХ для автономного включения блока необходимо замкнуть на общий провод сигнал PS-ON (14 ножка разьема, обычно это зеленый провод, расположен возле замка разьема). Будут вопросы - обращайтесь
|

