Что-то не так?
Пожалуйста, отключите Adblock.
Портал QRZ.RU существует только за счет рекламы, поэтому мы были бы Вам благодарны если Вы внесете сайт в список исключений. Мы стараемся размещать только релевантную рекламу, которая будет интересна не только рекламодателям, но и нашим читателям. Отключив Adblock, вы поможете не только нам, но и себе. Спасибо.
Как добавить наш сайт в исключения AdBlockРеклама
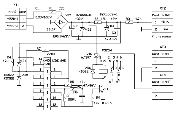
Блок отключения нагрузки БОН-04
Блок отключения нагрузки БОН-04
Блок отключения нагрузки БОН-04 подключается к выходу электронного счетчика, имеющего функцию отключения нагрузки. Сигнал с выхода счетчика поступает на вход БОН, который может управлять фидерами 6-10 кВ (через УЗО, независимый расцепитель- 6/10кВ, через управление автоматикой маслянного или вакуумного выключателя). БОН предназначен для автоматического управления фидерной линией (отключение нагрузки – потребителя электроэнергии) по команде электросчетчика. Рыночная стоимость - около тысячи рублей. Схема имеет задержку несколько секунд при включении, которая обеспечивает повышенную помехоустойчивость. БОН-04 может работать со многими типами электронных счетчиков. Схема может быть размещена в любом малогабаритном пластмассовом корпусе. БОН имеет две группы «сухих» контактов на замыкание и размыкание. Схема предназначена для тех, кто за счет его самостоятельной сборки, хочет сэкономить 1000 рублей за каждое собранное устройство.
|
