LAB599.RU — интернет-магазин средств связи
EN FR DE CN JP

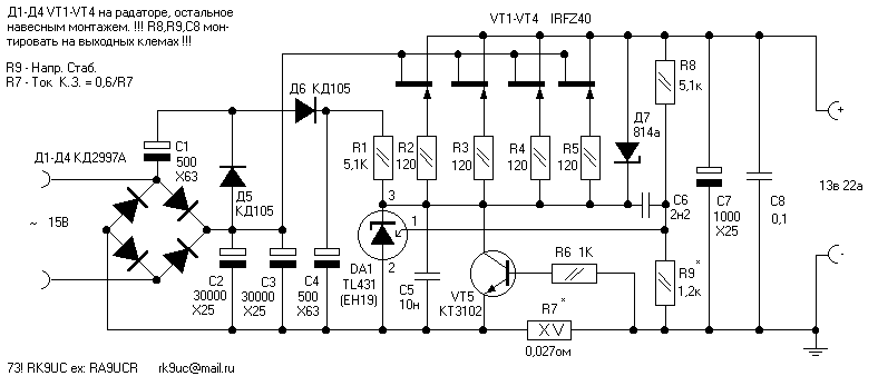
Блок питания для трансивера

Блок питания для трансивера

Alex, RK9UC rk9uc (at) mail.ru

 

Предлагаю вашему вниманию несложную схему источника питания

Партнеры