Что-то не так?
Пожалуйста, отключите Adblock.
Портал QRZ.RU существует только за счет рекламы, поэтому мы были бы Вам благодарны если Вы внесете сайт в список исключений. Мы стараемся размещать только релевантную рекламу, которая будет интересна не только рекламодателям, но и нашим читателям. Отключив Adblock, вы поможете не только нам, но и себе. Спасибо.
Как добавить наш сайт в исключения AdBlockРеклама
Импульсный источник питания ATX
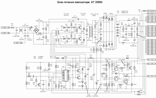
Блок питания компьютера AT 200WПринципиальная схема источника - щелкните мышью С его ремонтом я столкнулся пару лет назад, а в инете про блоки питания – сплошная помойка – одна и та же схема под разными соусами ( PDF , ZIP , JPG и т.д.). Короче пришлось всё опять самому – по проводникам печатной платы в формате ACCEL EDA .
Увеличенное и подробное изображение схемы вы увидите, если кликните на схему сверху. Далее же приводится описание. Схему условно можно разделить на две части: силовую и контрольную. Силовая часть делится на входную высоковольтную часть и выходную низковольную. Контрольную же можно разделить на систему регулирования и систему защиты. Входное напряжение через предохранитель FU1поступает на фильтр помех. Ничего особого в элементах C1, T1, C2 нет, но вот С3 и С4 требуют отдельного упоминания ввиду того, что получающийся из них делитель создаёт на корпусе компьютера переменное напряжение 110V. Это напряжение можно во всех прелестях ощутить, если взяться одной рукой за корпус незаземлённого компьютера (просто за корпус), другой за батарею. В-общем, обязательно заземляйте компьютер! Кстати, их иногда выпаивают (ну неужели лень заземлить?). Отсутствие этих конденсаторов приводит к попаданию высокочастотных наводок в сеть 220 вольт и соответствующим эффектам на соседних телевизорах. Далее напряжение сети поступает на выпрямитель RT1VDM1C5C8R3R4 . Поскольку диоды выпрямителя заряжают силовые высоковольтные конденсаторы C5C8 , они работают преимущественно в импульсном режиме и должны пропускать большой ток (10A). Более того, в момент запуска блока питания по диодам проходит ударный ток – всё напряжение сети попадает на незаряженные конденсаторы, т.е. 220V в течение нескольких полупериодов попросту шунтируется на землю. Некоторой защитой от этого служит терморезистор RT1 , который в холодном состоянии имеет повышенное сопротивление (десятки ом); при включении блока питания он ограничивает ток и вместе с тем мгновенно раскаляется, и его сопротивление падает. Слишком частые включения блока питания этому терморезистору идут не на пользу, и он иногда выходит из строя. Кстати, кто не в курсе, попытка заменить эту термушку простой проволочкой приводит к настоящим фейерверкам – взрывается предохранитель (да так, что стёкла летят на несколько метров), или же искры из розетки летят, или же автомат на квартирном щитке вырубает. Выпрямленное напряжение (примерно 300V) поступает на полумостовой инвертор VT1VT2C7T3 . Инвертор собран по схеме с самовозбуждением, для чего здесь имеется ПОС от "средней точки" через T2 – там есть специальный отвод. Хитроумные цепи в базах силовых транзисторов VD2R10C2R11R12R13 накапливают положительные +0.7V для открытия этих самих транзисторов. Однако параметры этих цепей подобраны таким образом, что инвертор без внешнего управления способен вырабатывать нестабильные и укороченные импульсы, которые при выпрямлении всегда дают половинные напряжения (2-3V вместо 5V, 6-8V вместо 12V). Это сделано специально, чтобы неуправляемый блок питания не смог спалить электронные схемы компьютера. Работающий в неуправляемом режиме инвертор может запитать только контрольную часть блока питания, а схемы компьютера сигналом PowerGood выведены в состояние глубокого сброса. Трансформированные с помощью T3 импульсы из высоковольтных в высокоамперные поступают на выходной выпрямитель. В цепях +5V/+12V применены высокоамперные переключающие диоды VDM2VDM3 с пониженным напряжением включения, например диоды Шоттки. Для улучшения характеристик у каждого выпрямителя выравнен коэффициент мощности с помощью цепочек R51C19 , R14C13 , R15C14 . На выходе выпрямителя получаются импульсные напряжения амплитудой примерно в 2 раза выше номинальной, т.е., например на выходе диода в цепи +12V мы можем увидеть +24V. Но ничего страшного здесь нет, ведь импульсы прямоугольные, а впереди – сглаживающий фильтр. Поскольку частота работы инвертора составляет десятки килогерц, то и сглаживающий фильтр получается простым, маленьким и вместе с этим очень эффективным. Резисторы R52R53R39R40 на первый взгляд совершенно не нужные – будучи параллельно включенными, они только рассеивают мощность. Они нужны только тогда, когда блок питания включается без нагрузки. Как известно, у всех импульсников общая болезнь – недопустимое и неуправляемое повышение выходного напряжения при отсутствии нагрузки вследствие полной зарядки конденсаторов фильтра (например 7V вместо 5V). Вот здесь на помощь и приходят резисторы, создающие ту самую минимальную нагрузку. От выхода +12V через R38 получает питание вентилятор. Необходимость в R38 вызвана тем, что иногда вентилятор может выйти из строя и закоротить свои питающие выводы. Теперь спускаемся по схеме вниз от силовой к контрольной части. Спуск произведём по цепи питания контрольной части. Здесь имеется отвод от выпрямителя +12V, расположенный до сглаживающего фильтра. Как уже выше указывалось, в этой точке действует удвоенное импульсное напряжение +24V. С помощью диодного выпрямителя VD17C23 импульсное напряжение превращается в почти такое же по амплитуде, но постоянное. Цепочкой R21C22 оно ещё и сглаживается. А теперь посмотрим на процесс запуска блока питания. Неуправляемый инвертор создаёт на выходе блока питания половинные напряжения. В частности, на цепи +12V с выхода сглаживащего фильтра будет 6-8V. На выходе же выпрямителя ДО фильтра – 12-14V! Вот это напряжение и питает управляющие схемы. Вообще всё питание контрольной части можно поделить на два вида: обычное и стабилизированное. Обычное может варьироваться от +12V до +24V. Стабилизация производится встроенным в микросхему TL494 стабилизатором, на выходе которого получается +5V. Прежде всего, стабильное напряжение запитывает саму микросхему TL494 . Запускается встроенный генератор, частота которого определяется цепочкой R31C28 , пилообразный сигнал которого поступает на компараторы внутри TL494 . Однако в момент пуска компараторы "заглушены" сигналом мёртвого времени, подаваемого на вывод DT . Так сделано для того, чтобы "устаканить" все переходные процессы в схеме, имеющиеся в момент включения устройства. Цепочка R25R30C26 постепенно заряжается и постепенно задействует всю большую и большую часть пилы для регулирования напряжения. Принцип действия системы регулирования выходного напряжения основан на сравнении выходного напряжения +5V с опорным. Система регулирования не ограничивает работу инвертора, а наоборот, усиливает, как бы "подгоняет" его. Сравнение организовано с помощью двух делителей R34R27 , R24R28 и компаратора, имеющегося у TL494 . Если выходное напряжение мало, с выходов TL494 начинают поступать импульсы дополнительной раскачки инвертора. Эти импульсы подаются на транзисторные ключи R20R32VT4VD8R18VT9VD9 . Цепочка VD11VD12C21 создаёт на эмиттерах этих транзисторов напряжение порядка 1.5V, что приводит к их более надёжному закрытию отрицательным (относительно эмиттеров) напряжением с TL494 . Транзисторные ключи образуют собой ещё один инвертор VT4VT9T2 , который и раскачивает основной инвертор VT1VT2C7T3 . Система защиты собирается на другой микросхеме, счетверённом компараторе LM339 . Назначение этой схемы – предотвратить подачу рабочих напряжений, если какое-то одно из них отсутствует или находится в недопустимых пределах. Фактически схема может только вывести инвертор в неуправляемый режим. Например, нету +5V – нечего блоку выдавать +12V/-12V, или же нет -5V – не должно выходить +5V, а то как бы чего не вышло (вспомним убожеский советский процессор КР580ВМ80). Задача сама себе противоречивая, ведь тогда как включить такой блок питания, когда нет ни одного рабочего напряжения? Это решается небольшой задержкой, в ходе которой допускается отсутствие какого-либо напряжения. Больше – ни-ни, моментальный уход в неуправляемый режим. Итак, "глазами" или "ушами" системы защиты является хитрое нагромождение резисторов с диодами. Контроль организован по наличию напряжений -5V, -12V, по отсутствию перенапряжения на линии +5V и по чрезмерной раскачке управляющего трансформатора T2 – явному признаку неисправности силового инвертора (ведь он должен самовозбуждаться на половинной мощности). Напряжение +12V не контролируется, поскольку если его не будет, не будет работать вся контрольная часть блока питания. Уровень раскачки трансформатора T2 измеряется по индуцируемому им напряжению на резисторах R17R50 . Здесь обычно ставят разные резисторы либо лепят спайку, видимо регулируют на заводе-изготовителе. Оно и понятно: трансформатор, тем более импульсный – самый трудно контролируемый элемент. В-общем, напряжение с цепочки R17R50VD7 сглаживается фильтром R16C25 и подаётся на делитель R41R45R46 . Тут же на этот же делитель через VD15R47 подаётся +5V с выхода блока питания. Давайте рассчитаем напряжения. Опорное напряжение на компараторах, судя по цепочке R56R43 , равно 1.7V. Компаратор DA2.2 будет срабатывать, если в точке R45R46 также будет 1.7V. Значит, в точке R47R45 должно быть 5.1V. Далее у нас диод VD15 с его 0.7V и окончательно получаем 5.8V – порог срабатывания от перенапряжения. Поскольку R47 значительно меньше R41 , защита от перенапряжения срабатывает всегда вне зависимости от уровня раскачки трансформатора. И с другой стороны, если нет перенапряжения, можно контролировать раскачку трансформатора. Получается как бы резистивное "И" – независимый контроль двух параметров минимальным числом элементов. Контроль наличия напряжений -5V и -12V реализован на цепочке R36R49VD16R48 и компараторе DA2.1 . В рабочем режиме диод VD16 всегда открыт и через него всегда протекает ток на линию -12V. То есть на R48 присутствует напряжение -5.7V. С помощью делителя R36R49 это напряжение смещается вверх, но всё равно его будет недостаточно для срабатывания компаратора. Теперь представим, что -5V пропало. Это равносильно тому, что на линии -5V будет присутствовать нулевой потенциал (благодаря резистору холостого хода R53 ). На входе компаратора в точке R36R49 напряжение повысится и компаратор сработает. Ну а если пропадает -12V? Тогда диод VD16 запирается, и на всём делителе устанавливается напряжение примерно +5V, соответвенно компаратор опять срабатывает. Сигнал с обоих компараторов объединяется и поступает на линию задержки, реализованную на цепочке R44C24R22VT5 . Формируемая здесь задержка на срабатывание крайне важна при запуске блока питания. Однако если всё-таки срабатывание защиты произошло, происходит два события. Во-первых, система "защёлкивается" через VD14 . На делителе R36R49 навсегда заводится +5V, и вернуть в прежнее состояние схему можно будет только после выключения блока питания и выдержки его в течении нескольких секунд. Во-вторых, через VD13 положительный сигнал разряжает конденсатор C26 в цепи формирования мёртвого времени у TL494 . То есть генератор перестаёт формировать управляющие импульсы, и инвертор уводится в неуправляемый режим. Цепь формирования сигнала PowerGood начинается с цепочки R22C25 . Поскольку постоянная времени такой цепочки – примерно полсекунды, за такое время блок питания должен будет гарантированно запуститься и сообразить что все выходные напряжения в норме. В противном случае будет производиться срыв колебаний и включение разрядного транзистора VT6 . Транзистор этот включен по токовой схеме, благодаря чему удаётся избежать слишком больших токов разрядки C25 . На конденсаторе C25 формируется плавно меняющеся напряжение, непригодное для управления цифровыми схемами. Поэтому в блоке питания имеется триггер Шмидта, реализованный на цепочке DA2.3R33R42 . Выход PowerGood привязывается к выходному напряжению +5V и в таком виде подаётся в системную плату компьютера. Источник - Виктор Онищук http://lantcoder.narod.ru/cir/bp-at.htm |
