LAB599.RU — интернет-магазин средств связи
EN FR DE CN JP

Импульсный источник питания 5V 5A

Импульсный источник питания 5V 5A

Сергей Чернов
km450 (at) mail.ru
ks98 (at) email.ru

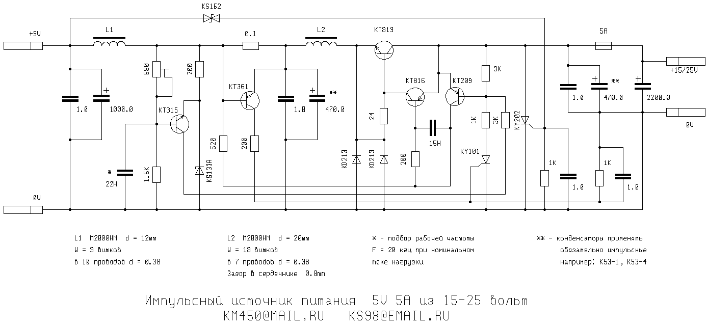
  Импульсный стабилизатор на основе статьи "Простой ключевой стабилизатор напряжения 5V 4A от 15-25V", Радио №8 за 85г., стр.43-45.

Схема достаточно проста в изготовлении в домашних условиях, минимум дефицитных деталей и настройки. Стабильна в работе. Данный вариант схемы встречал в каком-то серийном изделии. Подробно работу и настройку можно прочитать в указанном источнике, но уверен что при исправных деталях и правильном монтаже в этом нет необходимости.

Схема источника питания (щелкните мышью для увеличения)

Рис.1 Схема источника питания (щелкните мышью для увеличения)

Маломощный тиристор КУ101 и транзистор КТ361 - узел защиты от короткого замыкания. Мною добавлен узел защиты от перенапряжения при пробое выходного транзистора - тиристор КУ202, стабилитрон КС162, предохранитель и входной конденсатор 2200 мкф. Именно запас его энергии позволяет сжечь предохранитель, так как номинальный входной ток стабилизатора при максимальной нагрузке (5А) не првышает 1.5 ампера (и сетевой трансформатор то же). При превышении напряжения на выходе их срабатывание пережигает предохранитель спасая нагрузку. Если этого условия не требуется, указанные элементы совершенно не нужны.

Подстроечный резистор 680 ом - установка выходного напряжения, низкоомный 0.1 ом в цепи бызы транзистора - установка тока срабатывания защиты. При данном номинале около 6 ампер. Если нужен другой порог защиты подбирать (когда на нем более 0.7 вольта срабатывает защита, ну а далее по закону Ома).

Конденсатор номиналом 22Н в цепи базы транзистора КТ315 (на схеме он помечен одной звездочкой) определяет частоту работы преобразователя. Лучше 18-20 кГц ставить (меньше - свистом потом доймет). У меня получилось около 20, выше не пробовал - тут особенно большую роль играет компоновка деталей, длина проводников и их сечение (особенно).

Конденсаторы на входе и выходе стабилизатора, помеченные на схеме двумя звездочками, обязательно высокочастотные (я ставил 33 мкф на 30 вольт типа К53-1 или К53-4 по 15 штук в параллель на отдельной плате и располагал параллельно основной, так что размер стабилизатора получался достаточно маленький). Импорьные, например от БП персоналок, идут без проблем. Наши К50-35, например, немного греются, но работают. К50-16 если уж деваться некуда, на высоких частотах теряют со временем емкость (К50-6 сразу в мусор).

Диоды КД213 - мощные высокочастотные, при замене на другие обратить на это внимание. Обычные, например КД202, не подойдут. Идеальный вариант от БП персоналок. Их там по два в одном корпусе идет. Внешне смахивают на силовые транзисторы.

Катушки индуктивности намотаны на броневых сердечниках. Индуктивность L2 определяет выходную мощность стабилизатора, поэтому размером меньше, чем указанона схеме, не ставить. Лучше больше (в меру). Индуктивность L1 фильтрует выходное напряжение, поэтому и размером меньше. Мотать обязательно в несколько проводов т.к. потери возрастут неминуемо. К плате прикручивать только латунными болтами. Наверняка и кольцевые сердечники подойтут с такими же намоточными данными и с подходящими размерами. Пробуйте.

Трансформатор питания я использовал стандартный - ТН36. Это накальный трансформатор. У него четыре обмотки по 6.3 вольта на ток 1.2 а. Соединил последовательно. Подойдет любой мощностью 30 ватт, главное чтобы давал 24 вольта при токе нагрузки до 1.5 ампер.

Поскольку стабилизатор импульсный, радиатора для выходного транзистора хватит на 5-7 ватт.

При изготовлении очень советую компоновать детали как можно ближе друг к другу и печатные силовые проводники использовать максимального размера. Если текстолит двухсторонний, то использовать обе поверхности для них. Только лучше будет.


Партнеры