Что-то не так?
Пожалуйста, отключите Adblock.
Портал QRZ.RU существует только за счет рекламы, поэтому мы были бы Вам благодарны если Вы внесете сайт в список исключений. Мы стараемся размещать только релевантную рекламу, которая будет интересна не только рекламодателям, но и нашим читателям. Отключив Adblock, вы поможете не только нам, но и себе. Спасибо.
Как добавить наш сайт в исключения AdBlockРеклама
Зарядное устройство для автомобильного аккумулятора без соблюдения полярности
Зарядное устройство для автомобильного аккумулятора без соблюдения полярности
Основанием для создания данного устройства стало не желание автомобилистов отказаться от привычки проверять зарядные устройства на "искру" и смотреть на полярность подключения его к аккумулятору. Хорошим зарядным устройством они считают то, которое после всех вышеперечисленных действий остается работоспособным. В данном устройстве схема управления силовыми элементами запитывается
от аккумулятора, в его отсутствии или коротком замыкании напряжения на
выходных клеммах нет. От неправильного подключения аккумулятора к зарядному
устройству существуют различные схемы защиты: предохранитель и параллельно
включенный в обратном направлении диод; реле с диодом в цепи обмотки,
разъединяющее аккумулятор и зарядное устройство при неправильном подключении;
наконец, тиристор, он же силовой элемент, который при неправильном подключении
остается закрытым. Не будем рассматривать достоинства и недостатки таких
решений, в любом случае при неправильном подключении нет зарядного тока,
а это наводит на сомнения в исправности зарядного устройства. Дополнительно добавлено в устройство возможность ограничения напряжения
на аккумуляторе, так на исправном при напряжении больше 14,25В начинается
бурное газовыделение, что приводит к выкипанию электролита и другим нежелательным
последствиям.
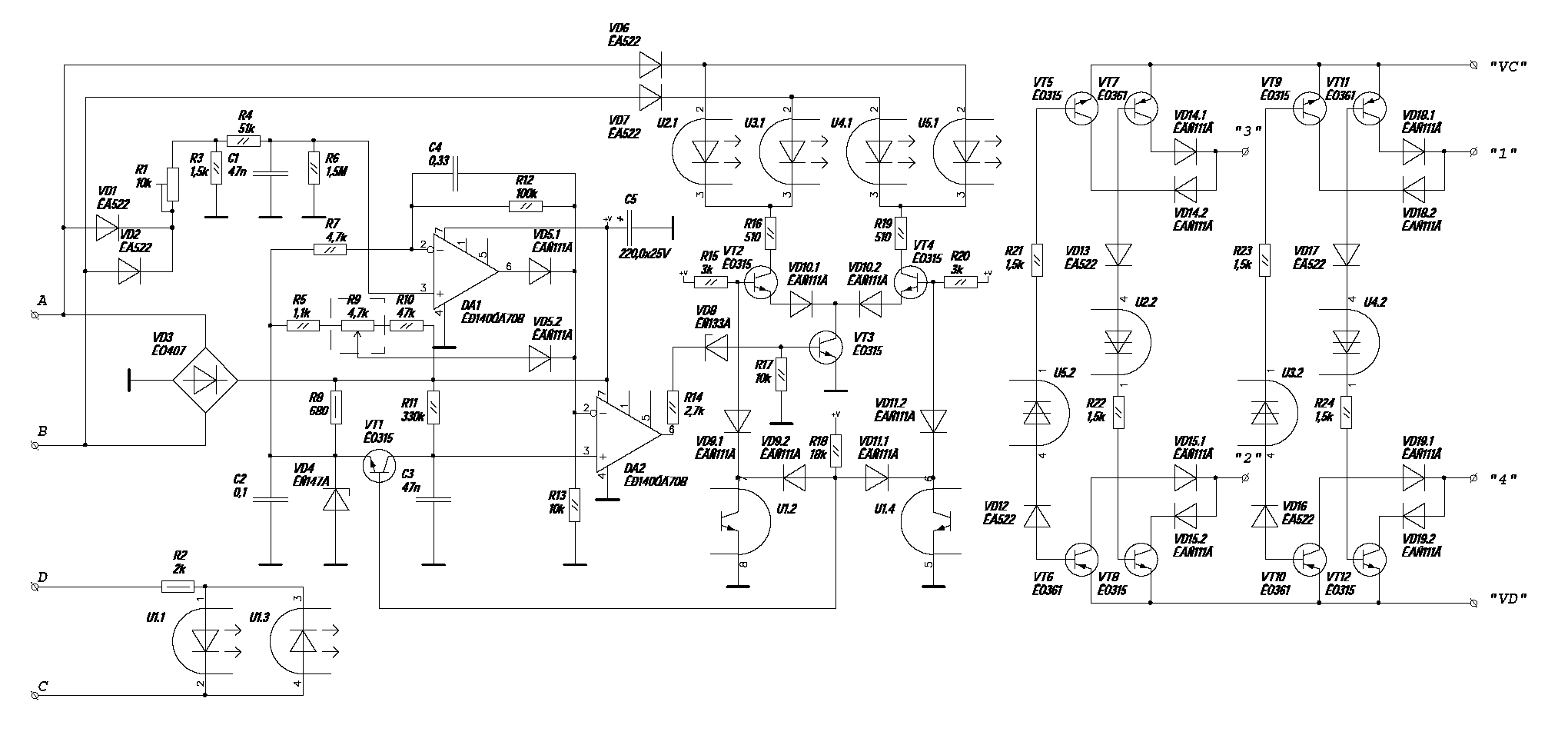
Симисторы управляются импульсом с самоформированием по длительности, когда при соединении условного анода с управляющим электродом, в цепи последнего течет ток, открывается симистор уменьшается напряжение и ток между условным анодом и управляющим электродом. Так как возможны случаи работы в прямом и обратном направлении используются два транзистора разной проводимости для соединения условного анода с управляющим электродом, в базовые цепи которых включен фототиристор оптрона, причем два, и каждый для своей цепи, хотя включают одну и ту же пару симисторов, что было отражено выше. Для исключения инверсного режима работы служат диоды в цепи управляющий электродов. В схеме управления применяются распространенные ОУ общего применения. Так как все они требуют двуполярного источника питания, создается искуственная общая точка на уровне около половины всего питания микросхем. Это напряжение получают на стабилитроне VD4, относительно которого и сравнивается входное напряжение на DA1 с формированием сигнала управления по ограничению выходного напряжения. Сигнал управления ручного регулирования берется с потенциометра R9. Управление симисторами осуществляется по вертикальному принципу. На входах ОУ DA2, являющегося компаратором, есть линейно нарастающее напряжение и сигнал управления, на выходе формируется регулируемый по длительности импульс, по фронту которого включается симистор. Таким образом, при увеличении уровня сигнала управления длительность отрицательного импульса увеличивается, угол отпирания симистора больше, выходноенапряжение меньше. Так как есть два сигнала управления( по ограничению выходного напряжения и ручного регулирования), то при объединении их диодами VD5.1,VD5.2 получаем результирующий сигнал, уровень которого равен наибольшему из подведенных. Если не наступило ограничение по напряжению ток при ручной регулировке изменяется по всему диапазону, но если наступит ограничение по напряжению даже при установке ручки ручного регулирования в максимум, зарядный ток снизится. Линейно нарастающее напряжение формируется на конденсаторе СЗ, при его заряде через резистор R11. Заряд конденсатора происходит по экпоненте, но начальный ее участок можно считать линейным, что используется для упрощения устройства. При проходе сетевого напряжения через ноль конденсатор разряжается до уровня напряжения стабилизации стабилитрона VD4(искуственная общая точка) транзистором VT1, обеспечивая синхронизацию работы всей схемы. Проход фиксируется оптопарой U1, при нулевом напряжении оба транзистора её закрыты и через резистор R18 происходит отпирание транзистора VT1. Сигнал с оптопары используется также и для правильной коммутации симисторов, о чем говорилось выше. Ток измеряется токовым измерителем РА с трансформатором тока, выполненного на кольцевом магнитопроводе, напряжене вольтметром PV, с нулевой отметкой по середине(можно использовать милиамперметр или микроамперметр с добавочным сопротивлением). Первичная обмотка трансформатора тока один виток, вторичная около 1000, магнитопровод 35x25x10, добавочный резистор R* подбирается под применяемый измерительный элемент.
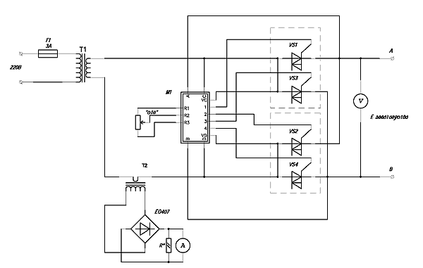
Рис. 1 Схема соединений устройства по силовой части От тока в нагрузке зависит мощность трансформатора Т1 и применяемые симисторы. В данном устройстве применялись ТС112-16. Напряжение на вторичной обмотке трансформатора Т1 около 15В. Диапазон регулировки тока корректируется резисторами R5 (npn задатчике установленным в максимум зарядный ток не должен пропадать), R10(минимaльнoe значение регулируемого тока). Подстроечным резистором R1 устанавливают порог ограничения по напряжению. Размер платы 2,8x3,8 дюйма, способ соединения - пайка в отверстия, которые имеют обозначения А, В, С, D, "1", "2", "3", "4", "VC","VD" и гибкими проводами задатчик -резистор R9 в соответствии со схемой на рис. 1. Рис. 2. Принципиальная схема зарядного устройства Порядок монтажа следующий:
Схема усовершенствовалась в дальнейшем. Использовался режим инвертора для разряда щелочных аккумуляторов перед их зарядкой. Разряд ведется на питающую сеть, поэтому нет необходимости в подборе резистора нагрузки и отводом большого тепла от него. Использовались цифровые микросхемы TTL как для правильной коммутации, так и и непосредственного управления симисторами( микросхема К155ЛА18 позволяет это сделать). Использовалась незаслуженно забытая схема ШИМ методом двойного интегрирования для амперметра. Понимая, что схема усложняется, решено было сделать независимые блоки, дополняющие друг друга(теперь сборка устойства подобна "апгрейду" компьютера, базовый блок как основной, дальше по необходимости — цифровой амперметр, стабилизатор тока, ограничитель напряжения, определитель емкости). |
