LAB599.RU — интернет-магазин средств связи
EN FR DE CN JP
QRZ.RU > Каталог схем и документации > Схемы наших читателей > Источники питания > Двухканальный источник питания мощностью 20W для высокотемпературных применений.

Двухканальный источник питания мощностью 20W для высокотемпературных применений.

Двухканальный источник питания мощностью 20W для высокотемпературных применений.

Автор Геннадий Бандура
Email: Bandura (at) macrogroup.ru
www.macrogroup.ru тел. +7 (812) 370 60 70

 

Двухканальный источник питания мощностью 20W для высокотемпературных применений.

Краткая спецификация:

Входное напряжение: 85-265 VAC

Выходные каналы: 12V/1.25A и -14V/0.4A

Применение: Оборудование, работающее при высоких температурах (к примеру кухонное оборудование).

Номер документа: DER-53

Автор документа: Департамент по применению Power Integrations.

Достоинства этого решения:

1) Работа при повышенной температуре окружающей среды. Работоспособен при Tamb=105C.

2) TOP247Y работает на частоте в 66 кHz, что снижает потери и размер фильтра ЭМИ.

3) Снижены габариты печатного узла 7"x5".

4) Высокий КПД>85% при работе на полной нагрузке.

Внешний вид источника питания.

Полная спецификация:

Описание
Обозначение
Мин.
Норма
Макс.
Ед. изм

Вход

Напряжение

Частота

Потребление на холостом ходу (230VAC).

Vin

fline

 

85

47

 

 

 

50/60

 

 

265

64

0.3

 

VAC

Hz

W

Выход

Напряжение 1 канал

Пульсация 1 канал

Ток 1 канал

Напряжение 2 канал

Пульсация 2 канал

Ток 2 канал

Выходная мощность (RMS)

Выходная мощность (пиковая)

Vout1

Vripple1

Iout1

Vout2

Vripple2

Iout2

Pout

Pout_peak

 

 

 

0.25

 

 

0.05

 

 

 

12

 

 

-14

 

 

 

 

 

 

50

1.25

 

100

0.4

20.6

40

 

V

mV

A

V

mV

A

W

W

КПД n
-
85
-
%
Параметры безопасности и ЭМИ
Соответствуют CISPR22B / EN55022B, IEC950, UL1950 Class II
Рабочий диапазон окружающей температуры Tamb
0
-
105
C

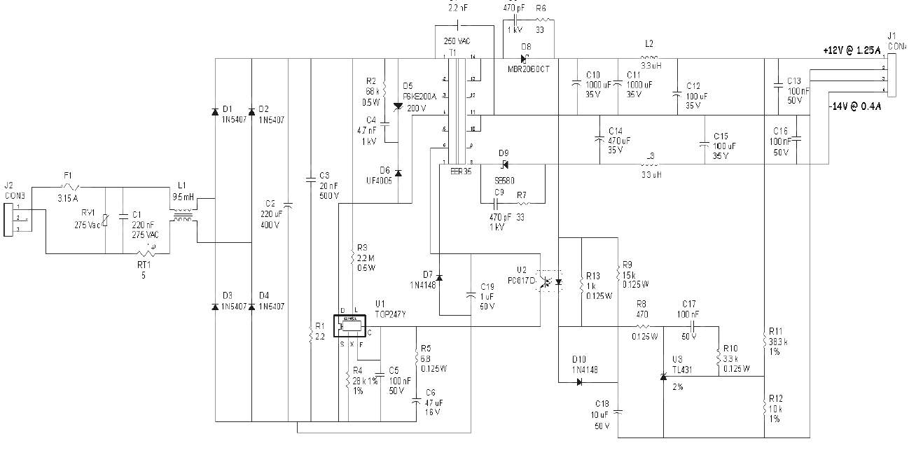
Схема источника питания (кликните на схему для увеличения):

Описание работы схемы:

Схема на рисунке выше представляет собой обратноходовый преобразователь на базе микросхемы TOP247Y. Схема спроектирована на диапазон входных напряжений 85-265 VAC и на выходе выдает 2 напряжения: +12V (at) 1.25A и -14V (at) 0.4A.

Конденсатор С1 вместе с индукцией рассеяния L1 фильтруют дифференциальную помеху, в то же время д1 еще снижает синфазную помеху.

Мостовой выпрямитель выполненый на дискретных элементах D1-D4 и конденсатор С2 формируют первичную шину высокого постоянного напряжения. С3 снимает высокочастотный "звон". Резистор R1 подавляет ЭМИ средней частоты. Высокое постоянное напряжение прикладывается к выводу первичной обмотки трансформатора T1. Другой вывод этой обмотки управляется MOSFET транзистором интегрированным в U1. Диоды D6 и D5 срезают высоковольтные выбросы образующиеся из-за индукции рассеяния трансформатора при выключении MOSFET транзистора. Емкость С4 снижает температуру D5 шунтированием высоковольтных выбросов. Резистор R2 подавляет высокочастотный "звон" на стоке. Резистор R3 устанавливает нижний порог отключения в 69 Вольт, при этом он же устанавливает верхний порог отключения в 320 Вольт. Резистор R4 устанавливает ограничение по току микросхемы U1 в пределах 40% от максимального. Это ограничивает выходной ток при критических условиях работы источника. С5 шунтирует вывод CONTROL микросхемы U1. У емкости С6 3 функции. Обеспечивает U1 необходимой энергией во время старта, обеспечивает функцию авторестарта при критических условиях а также играет роль коэфициента усиления U1, как функции от частоты. R5 стабилизирует петлю обратной связи источника питания. Диод D7 и емкость С19 обеспечивают выпрямление и фильтрацию напряжения смещения для U1 и U2.

Выход трансформатора T1 выпрямляется и фильтруется элементами D8, C10-C11, D9 и C14. Дроссель L2(L3), элементы C12(C15) и С13(С16) - обеспечивают дополнительную высокочастотную фильтрацию. Резистор R6(R7) и С8(С9) обеспечивают демпфирование D8(D9). Это особо важно для работы в режиме холостого хода и для подавления высокочастотных ЭМИ. При этом этими элементами можно управлять для подстройки источника питания под свои нужды. Увеличение С8 и снижение R6 будет увеличиваться подавление высокочастотных ЭМИ, но ценой этого будет увеличение энергопотребления на холостом ходу.

Резисторы R11 и R12 делят выходное напряжение и прикладывают его на вывод уcилителя ошибки микросхемы U1. Стабилизатор U3 управляет оптопарой U2 через резистор R6 для передачи информации по обратной связи на вывод CONTROL микросхемы U1. Кроме этого выход оптопары питает U1 во ремя нормальной работы схемы. Диод D8 и С18 защищают источник питания от перенапряжения при старте. Резистор R9 разряжяет С18 при отключении источника питания. Компоненты С6, С17, R5, R10, R8 компенсируют обратную связь.

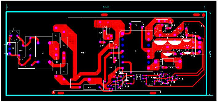
Разводка печатного узла:

Перечень элементов.

N
Кол-во
Обозначение
Part number
Описание
Производитель
Номинал
1
1
C1 ECQ-U2A224ML 220nF, 275 VAC, Film, X2 Panasonic 220nF
2
1
C2 UVZ2G221MRD 220uF, 450V, Electrolytic, Gen.Purpose Nichicon 220uF
3
1
C3 5GASS20 20nF, 500 V, Disc Ceramic Vishay 20nF
4
1
C4 ECK-D3A472KBN 4.7nF, 1 kV, Disc Ceramic Panasonic 4.7nF
5
4
C5 C13 C16 C17 ECU-S1H104KBB 100nF, 50 V, Ceramic, X7R Panasonic 100nF
6
1
C6 KME16VB47RM5X11LL 47uF, 16 V, Electrolytic, Gen. Purpose, (5 x 11) United Chemi-Con 47uF
7
1
C7 440LD22 2.2nF, Ceramic, Y1 Vishay 2.2nF
8
2
C8 C9 NCD471K1KVY5F 470pF, 1 kV, Disc Ceramic NIC Components Corp 470pF
9
2
C10 C11 LXZ35VB102MK25LL 1000uF, 35 V, Electrolytic, Low ESR, 30mOhm, (12.5 x 25) United Chemi-Con 1000uF
10
2
C12 C15 KME35VB101M6X11LL 100uF, 35 V, Electrolytic, Gen. Purpose, (8 x 11.5) United Chemi-Con 100uF
11
1
C14 KZE35VB471MJ20LL 470uF, 35 V, Electrolytic, Very Low ESR, 23mOhm, (10 x 20) United Chemi-Con 470uF
12
1
C18 KME50VB10RM5X11LL 10uF, 50 V, Electrolytic, Gen. Purpose, (5 x 11) United Chemi-Con 10uF
13
1
C19 KMG50VB1R0M5X11LL 1uF, 50 V, Electrolytic, Gen. Purpose, (5 x 11) United Chemi-Con 1uF
14
4
D1 D2 D3 D4 1N5407 800 V, 3 A, Rectifier, DO-201AD Vishay 1N5407
15
1
D5 P6KE200A 200 V, 5 W, 5%, DO204AC (DO-15) Vishay P6KE200A
16
1
D6 UF4005 600 V, 1 A, Ultrafast Recovery, 75 ns, DO-41 Vishay UF4005
17
2
D7 D10 1N4148 75 V, 300mA, Fast Switching, DO-35 Vishay 1N4148
18
1
D8 MBR2060CT 60 V, 20 A, Dual Schottky, TO- 220AB Vishay MBR2060CT
19
1
D9 SB580 80 V, 5 A, Schottky, DO-201AD Vishay SB580
20
1
F1 3,701,315,041 3.15 A, 250V,Fast, TR5 Wickman 3.15 A
21
1
J1 26-48-1045 CONN HEADER 4POS(1 X 4) .156 VERT TIN Molex CON4
22
1
J2 26-48-1031 CONN HEADER 3POS(1 X 3) .156 VERT TIN Molex CON3
23
1
L1 ELF18N012A 9.5mH, 1.2 A, Common Mode Choke Panasonic 9.5mH
24
1
L2 ELC08D3R3E 3.3uH, 5.7 A Panasonic 3.3uH
25
1
L3 822LY-3R3M 3.3uH, 2.66 A Toko 3.3uH
26
1
R1 CFR-25JB-2R2 2.2 R, 5%, 1/4 W, Carbon Film Yageo 2.2
27
1
R2 CFR-50JB-68K 68 k, 5%, 1/2 W, Carbon Film Yageo 68 k
28
1
R3 CFR-50JB-2M2 2.2 M, 5%, 1/2 W, Carbon Film Yageo 2.2 M
29
1
R4 MFR-25FBF-13K0 13 k, 1%, 1/4 W, Metal Film Yageo 28 k 1%
30
1
R5 CFR-12JB-6R8 6.8 R, 5%, 1/8 W, Carbon Film Yageo 6.8
31
2
R6 R7 CFR-25JB-33R 33 R, 5%, 1/4 W, Carbon Film Yageo 33
32
1
R8 CFR-12JB-470R 470 R, 5%, 1/8 W, Carbon Film Yageo 470
33
1
R9 CFR-12JB-15K 15 k, 5%, 1/8 W, Carbon Film Yageo 15 k
34
1
R10 CFR-12JB-3K3 3.3 k, 5%, 1/8 W, Carbon Film Yageo 3.3 k
35
1
R11 MFR-25FBF-38K3 38.3 k, 1%, 1/4 W, Metal Film Yageo 38.3 k
36
1
R12 MFR-25FBF-10K0 10 k, 1%, 1/4 W, Metal Film Yageo 10 k
37
1
R13 CFR-12JB-1K0 1 k, 5%, 1/8 W, Carbon Film Yageo 1 k
38
1
RT1 CL150 NTC Thermistor, 5 Ohms, 4.7 A Thermometrics 5 ohm
39
1
RV1 V275LA20A 275 V, 75 J, 14 mm, RADIAL Littlefuse 275Vac
40
1
T1 YC-3508 Bobbin, EER35, Vertical, 14 pins Ying Chin EER35
41
1
U1 TOP247Y TOPSwitch-GX, TOP247Y, TO220-7C Power Integrations TOP247Y
42
1
U2 ISP817D, PC817X4 Opto coupler, 35 V, CTR 300- 600%, 4-DIP Isocom, Sharp PC817D
43
1
U3 TL431CLP 2.495 V Shunt Regulator IC, 2%, 0 to 70C, TO-92 Texas Instruments TL431

Конструкция трансформатора:

Электрическая схема:

Электрическая спецификация:

Электрическая прочность 1 секунда, 60Hz, с выв. 1-7 на выв. 8-14. 3000 VAC
Индуктивность первичной обмотки Выводы 1-4, ост. обмотки разомкнуты, 66 KHz, 0.4 Vrms. 683uH, +/-10%
Резонансная частота Выводы 1-4, ост. обмотки разомкнуты. 500 kHz (мин.)
Индукция рассеяния первиной обмотки Выводы 1-4 (выв. 8-14 закорочены), 66 KHz, 0.4 Vrms. 4uH (макс.)

Схема построения.

Схема каркаса (кликните на схему для увеличения).

Рабочие характеристики источнкиа питания.

1) Зависимость КПД от входного напряжения.

2) Зависимость входной потребляемой мощности от входного напряжения при минимальной нагрузке.

3) Нестабильность выходного напряжения по нагрузке.

4) Нестабильность выходного напряжения по сети.

5) Тепловые характеристики.

Для осуществления замеров температуры блок питания был помещен в термошкаф с температурой 105С. После наступления теплового равновесия были размещены термопары на критические с точки зрения температуры элементы схемы: микросхему TOPSwitch, импульсный трансформатор и выходной выпрямительный диод. При выходе источника питания на полную мощность и при длительной работе на этой мощности не было замечено значительных отклонения от изначальной температуры.

Данные с термопар сведены в таблицу.

Температура (С)
Элемент
115VAC
230VAC
Окружающая среда
105
105
Трансформатор (T1)
109
105
TOPSwitch (U1)
105
105
Выпрямитель (D8)
105
105
Конденсатор (С8)
105
105

Уровень наведенных ЭМИ.

Замеры наведенных ЭМИ прототипа источника питания были осуществлены с целью выяснить эффективность входного фильтра, конструкции трансформатора и правильности разводки печатной платы. Замеры проводились при входном напряжении 115VAC/60Hz с максимальной пиковой нагрузкой приложенной к обоим каналам.

Результаты замеров проедставлены в диаграмах:

1) Фаза

2) Нейтраль

Купить образцы микросхем Power Integrations, заказать бесплатную литературу и программное обеспечение, а также получить квалифицированную техническую поддержку вы сможете у эксклюзивного дистрибьютора Power Integrations в России - компании Макро Групп.

www.powerint.ru

Документ перевел:

Геннадий Бандура
Бренд-менеджер Power Integrations
МАКРО ГРУПП

Тел. : +7 (812) 370 60 70
Факс: +7 (812) 370 50 30
Bandura (at) macrogroup.ru


Партнеры