Портал QRZ.RU существует только за счет рекламы, поэтому мы были бы Вам благодарны если Вы внесете сайт в список исключений.
Мы стараемся размещать только релевантную рекламу, которая будет интересна не только рекламодателям, но и нашим читателям. Отключив Adblock, вы поможете не только нам, но и себе. Спасибо.
Компьютерный источник питания на микросхемах TOP249Y и TNY266P компании Power Integrations.
Компьютерный источник питания на микросхемах TOP249Y и TNY266P компании Power Integrations.
Автор Геннадий Бандура Email: Bandura (at) macrogroup.ru
тел. +7 (812) 370 60 70
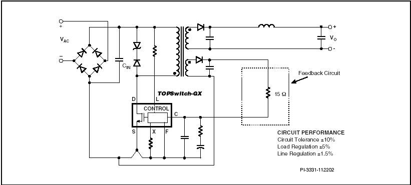
Способы организации обратной связи в источниках на базе микросхем Power Integrations.
(на примере обратноходового источника на микросхеме серии TOPSwitch).
При проектировании импульсного источника питания, обязательной стадией проектирования является проектирование цепи обратной связи. Эта цепь будет во многом определять многие ключевые характеристики источника. Вот тогда то и возникает вопрос, какой вариант обратной связи использовать? Ситуация с проектированием обратной связи для источников питания на базе микросхем Power Integrations более простая. Для таких источников рекомендованы 4 типа цепей обратной связи, которые отличаются по сложности, цене и соответственно по выходным характеристикам источника.
Это такие схемы (по возрастающей выходных характеристик):
- Базовая цепь.
- Базовая-улучшенная цепь.
- Цепь с оптопарой/диодом Зенера.
- Цепь с оптопарой/TL431.
Производитель рекомендует использовать эти схемы в следующих случаях:
- Базовая/ базовая-улучшенная - для дешевизны схемы источника (при невысокой выходной мощности).
- Цепь с оптопарой/диодом Зенера - для варианта дешевой схемы и хороших выходных характеристик.
- Цепь с оптопарой/TL431 - для получения самых хороших выходных характеристик.
Изображения данных видов цепей обратной связи(для увеличения - кликните на рисунке):
1) Базовая цепь.
2) Базовая-улучшенная цепь.
3) Цепь с оптопарой/диодом Зенера.
4) Цепь с оптопарой/TL431.
Технические характеристики вариантов схем обратной связи для удобства сведены в таблицу. Основываясь на данных вашего технического задания вы можете выбрать вариант подходящий именно вам.
Таблица 1.
Цепь обратной связи
Vb (V)
Разброс параметров самой цепи
Нестабильность выходного напряжения по нагрузке*.
Нестабильность выходного напряжения по сети.
Итоговый разброс параметров
Базовая.
5,8
+/- 10%
+/- 5%
+/- 1,5%
+/- 16,5%
Базовая-улучшенная.
27,8
+/- 5%
+/- 2,5%
+/- 1,5%
+/- 9%
С оптопарой/диодом Зенера.
12
+/- 5%
+/- 1%
+/- 0,5%
+/- 6,5%
С оптопарой/TL431.
12
+/- 1%
+/- 0,2%
+/- 0,2%
+/- 1,4%
* - Изменение нагрузки в пределах 10% - 100%.
Основываясь на таблице 1 вы можете выбрать необходимое вам напряжение смещения Vb.
Кроме этого основываясь на данных таблицы 3 - вы можете выбрать подходящую вам оптопару.
P/N
Коэффициент передачи по току
Напряжение пробоя коллектор-эмиттер
Производитель
4 pin DIP
PC123Y6
80-160
70V
Sharp
PC817X1
80-160
70V
Sharp
SFH615A-2
63-125
70V
Vishay,Isocom
SFH617A-2
63-125
70V
Vishay,Isocom
SFH618A-2
63-125
55V
Vishay,Isocom
ISP817A
80-160
35V
Vishay,Isocom
LTV817A
80-160
35V
Liteon
LTV816A
80-160
80V
Liteon
LTV123A
80-160
70V
Liteon
K1010A
60-160
60V
Cosmo
6 pin DIP
LTV702FB
63-125
70V
Liteon
LTV703FB
63-125
70V
Liteon
LTV713FA
80-160
35V
Liteon
K2010
60-160
60V
Cosmo
PC702V2NSZX
63-125
70V
Sharp
PC703V2NSZX
63-125
70V
Sharp
PC713V1NSZX
80-160
35V
Sharp
PC714V1NSZX
80-160
35V
Sharp
MOC8102
73-117
30V
Vishay, Isocom
MOC8103
108-173
30V
Vishay, Isocom
MOC8105
63-133
30V
Vishay, Isocom
CNY17F-2
63-125
70V
Vishay, Isocom, Liteon
В статье использовались материалы компании Power Integrations ().
Перевел и дополнил инженер службы технической поддержки ЗАО Макро-Петербург
Мы используем сервисы метрических программ интернет-статистики, необходимые для сбора информации
о действиях Пользователей на сайте, улучшения качества сайта и его содержания.
Оставаясь на сайте, вы соглашаетесь с политикой конфиденциальности