Что-то не так?
Пожалуйста, отключите Adblock.
Портал QRZ.RU существует только за счет рекламы, поэтому мы были бы Вам благодарны если Вы внесете сайт в список исключений. Мы стараемся размещать только релевантную рекламу, которая будет интересна не только рекламодателям, но и нашим читателям. Отключив Adblock, вы поможете не только нам, но и себе. Спасибо.
Как добавить наш сайт в исключения AdBlockРеклама
Схема блока питания и зарядное устройство для Айпода
|
Милюшин Сергей Анатольевич UR3ID |
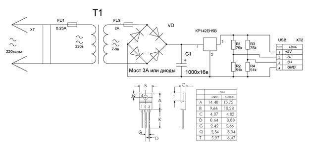
Когда мне надоело постоянно заряжать дочкин Apple iPod от USB порта компьютера (держать постоянно включенным компьютер, да еще и возить айпод в больницу) и посмотрев на цены зарядного, сразу пропала вся охота его покупать. Пришлось заняться изготовлением сетевого зарядного устройства, просто подать на Apple iPod +5 вольт не получается поскольку эта «хитрая штуковина» заряжаться категорически отказывалась. Порывшись на просторах интернета и определившись, что для его заряда необходимо подать дополнительные сигналы на 2,3 клеммы USB разъема, было сделано это зарядное устройство.
Хочу сразу предупредить попытки сделать зарядное на основе дешевых импульсных зарядных от мобильных телефонов, не тратьте время зря! Зарядное должно обеспечивать ток заряда 0,5-1А при стабильном напряжении 5вольт.
Зарядное – Это простой блок питания со стабилизатором +5вольт и может быть собрано по любой схеме важно чтобы обеспечивало ток заряда 0,5-1А при стабильном напряжении 5вольт, схема собранная мной приведена на рисунке, провод вторичной обмотки ПЭВ 1 - 0,51. В качестве выходного кабеля и разъема взят отрезок USB удлинителя с USB разъемом на его конце.
Будут вопросы - обращайтесь
