Что-то не так?
Пожалуйста, отключите Adblock.
Портал QRZ.RU существует только за счет рекламы, поэтому мы были бы Вам благодарны если Вы внесете сайт в список исключений. Мы стараемся размещать только релевантную рекламу, которая будет интересна не только рекламодателям, но и нашим читателям. Отключив Adblock, вы поможете не только нам, но и себе. Спасибо.
Как добавить наш сайт в исключения AdBlockРеклама
Преобразователь 12 В в 220 В
Преобразователь 12 В в 220 В
Эта статья продолжает знакомить читателей с новинками МАСТЕР КИТ. Она адресована тем, кто имеет опыт сборки и применения преобразователей напряжения, а также тем, кто захочет повторить данное устройство и использовать его для получения переменного напряжения 220 Вольт от стандартного автомобильного аккумулятора 12 Вольт. В статье приведены технические характеристики преобразователя, подробно описана принципиальная схема, изложены особенности работы устройства, Вы найдете рисунок печатной платы, перечень компонентов и особенности настройки устройства. Для желающих приобрести данное устройство в виде комплекта для самостоятельной сборки МАСТЕР КИТ предлагает набор NM1032.
Описываемое устройство позволяет получить переменное напряжение 220 В частотой 50 Гц от источника постоянного напряжения 10,5–14 В. Форма генерируемых колебаний – прямоугольная. Предлагаемый преобразователь найдет применение в быту, на даче или в квартире при аварии электросети. В качестве источника питания преобразователя используется автомобильный аккумулятор. При пользовании бытовыми электроприборами мощностью до 100 Вт его энергии хватит на несколько часов. Преобразователь имеет защиту от перегрузки. Напряжение питания --------------- 10,5 – 14 В Напряжение выходного сигнала ---- 190 - 240 В Частота переменного напряжения --- 48 - 52 Гц Мощность подключаемой нагрузки --- до 100 Вт Размер печатной платы ------------ 32,5х57,5 мм
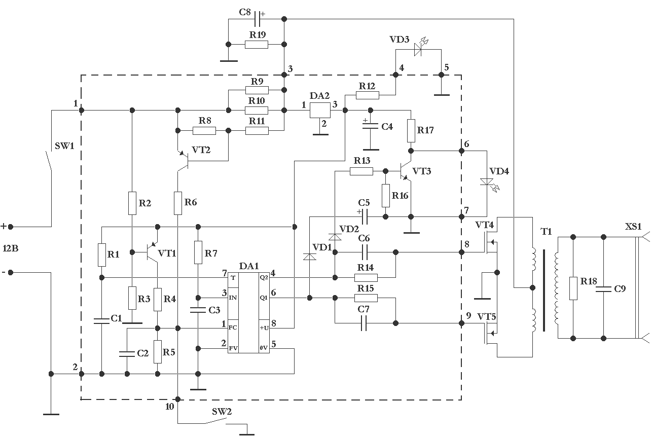
Принципиальная схема преобразователя показана на рис. 1. В качестве задающего генератора DA1 в данном преобразователе используется специализированная микросхема КР1211ЕУ1. Микросхема содержит внутренний тактовый генератор, частота генерации которого определяется постоянной времени цепи, подключаемой к выводу 7 микросхемы. На выводах 4 и 6 формируются выходные импульсы в соответствии с диаграммой, приведённой на рис. 2. Из диаграммы видно, что частота выходных импульсов в К раз меньше частоты внутреннего тактового генератора. Значение К зависит от уровня напряжения на выводе 3: при высоком уровне - К=18, а при низком – К=14. Из диаграммы также видно, что выходные сигналы имеют защитный интервал, равный одному периоду тактовой частоты, в течение которого оба выходных сигнала имеют низкий уровень напряжения. Для работы системы защиты используется вывод 1 микросхемы. При подаче на него высокого уровня напряжения работа микросхемы блокируется и на выходах устанавливается низкий уровень напряжения. В рабочий режим микросхема переводится либо выключением и включением питания, либо кратковременной подачей низкого уровня напряжения на вывод 3 микросхемы. Выходные импульсы DA1 поочерёдно открывают полевые транзисторы VT4, VT5, которые создают в первичной обмотке трансформатора T1 переменный электрический ток. При этом на выводах вторичной обмотки T1 формируется выходное переменное напряжение. Питание микросхемы DA1 осуществляется от маломощного интегрального стабилизатора DA2. Наличие напряжения питания индицируется светодиодом VD3. Частота формируемого переменного напряжения определяется номиналами R1, C1. Датчиком перегрузки служат параллельно соединённые резисторы R9 и R10. Протекающий по ним ток создаёт падение напряжения между базой и эмиттером транзистора VT2 через делитель R8, R11. При перегрузке транзистор VT2 открывается и через делитель R6, R5 на вывод 1 микросхемы поступает напряжение высокого уровня. Пороговая величина тока срабатывания защиты определяется номиналами R8, R11 и для данной схемы составляет 10 А. При пониженном напряжении питания открывается транзистор VT1. Ток, протекающий через открытый транзистор VT1 и резисторы R4, R5 создаёт на выводе 1 микросхемы DA1 напряжение высокого уровня. Пороговое напряжение перехода в режим защиты определяется номиналами R2, R3 и для данной схемы составляет 10 В. Диоды VD1, VD2, VD4, резисторы R13, R16, R17, транзистор VT3 и конденсатор C5 образуют узел индикации режима блокировки. При наличии колебаний на выходе микросхемы DA1 конденсатор C5 заряжается через диоды VD1, VD2 напряжением высокого уровня, транзистор VT3 открывается и шунтирует светодиод VD4. При отсутствии колебаний на выходе микросхемы DA1 транзистор VT3 закрыт и светодиод VD4 горит. Защитная блокировка снимается после отключения преобразователя и повторного включения спустя 10 – 15 секунд, необходимых для разрядки конденсатора C8 через резистор R19. Защиту можно отключить замыканием вывода 10 платы на «минус» источника питания с помощью тумблера SW1. ![]() Перечень элементов преобразователя приведён в табл.1. Топология и схема расположения радиоэлементов рекомендуемой печатной платы приведены соответственно на рис. 3 и рис. 4.
Транзисторы VT4, VT5 должны быть установлены на радиаторы площадью 30-50 кв. см. каждый. При этом необходимо обеспечить электрическую изоляцию между радиатором и корпусом транзистора. Рекомендуется использовать прокладки из слюды или керамики, а также диэлектрические шайбы под винты и теплопроводящую пасту. В качестве Т1 подойдёт понижающий трансформатор 220/(10,5+10,5)В мощностью не менее 150 Вт. Рекомендуется использовать трансформатор ТП-190 после его несложной доработки. Доработка трансформатора заключается в том, чтобы, не прибегая к его разборке, отмотать 10 витков каждой секции вторичной обмотки. Для самостоятельного изготовления трансформатора можно рекомендовать сердечник ПЛМ27-40-58. Первичная обмотка должна содержать две секции по 32 витка провода диаметром 2 мм, а вторичная (повышающая) – 700 витков провода диаметром 0,6 мм. Соединения в цепях истоков транзисторов VT4, VT5 первичной обмотки трансформатора Т1, а также конденсатора С8 должны быть выполнены проводом сечением не менее 1,5 кв. мм. Провода, соединяющие преобразователь с источником питания должны иметь сечение не менее 2,5 кв. мм. Резистор R19 устанавливается непосредственно на выводах конденсатора С8, а элементы R19, C9 устанавливаются на клеммах трансформатора Т1. В качестве выключателя SW1 рекомендуется использовать рубильник-автомат на ток 10-16 А. Элементы преобразователя, включая печатную плату, рекомендуется закрепить на металлическом шасси, которое следует соединить с «минусом» источника питания Используемые в преобразователе полевые транзисторы имеют сопротивление открытого канала около 25 МОм, они рассчитаны на довольно большой допустимый ток стока 40 А, поэтому мощность преобразователя может быть увеличена до 250 Вт путем изменения номиналов схемы блокировки и использования соответствующего трансформатора. Настройка сводится к подбору частотозадающего резистора R1. При отсутствии измерительных приборов частоту формируемого напряжения можно оценить с помощью простого устройства оценки частоты, схема которого приведена на рис. 5. Разъём XР1 подключается к выходу преобразователя, а разъём XР2 – в электросеть 220 В 50 Гц. При этом частота мигания светодиода VD2 соответствует разности частот напряжений преобразователя и электросети. Подбирая резистор R1, следует добиться наиболее редких миганий светодиода. Чтобы сэкономить Ваше время и избавить Вас от рутинной работы по поиску необходимых компонентов и изготовлению печатной платы МАСТЕР КИТ предлагает набор NM1032. Набор состоит из заводской печатной платы, всех необходимых компонентов, двух радиаторов и руководства по сборке и эксплуатации устройства. Более подробно ознакомиться с ассортиментом и техническими характеристиками можно с помощью каталога «МАСТЕР КИТ» и на сайте www.masterkit.ru. На сайте www.masterkit.ru. представлено много полезной информации по электронным наборам и модулям МАСТЕР КИТ, приведены адреса магазинов, где можно купить электронные наборы и модули, работает конференция и электронная подписка на рассылку новостей, в разделе «КИТы в журналах» предложены радиотехнические статьи, в других разделах сайта содержится много интересной информации для радиолюбителей. Наш ассортимент постоянно расширяется и дополняется новинками, созданными с использованием новейших достижений современной электроники. ![]() ![]() ![]() |



