LAB599.RU — интернет-магазин средств связи
EN FR DE CN JP
QRZ.RU > Каталог схем и документации > Схемы наших читателей > Источники питания > Несложные конструкции регуляторов мощности

Несложные конструкции регуляторов мощности

Варианты исполнения схем стабилизации

Сергей Чернов
km450 (at) mail.ru
ks98 (at) email.ru

Предлагаю несколько схемы исполнения стабилизаторов, доступные даже начинающему радиолюбителю.

Классические схемы, которые неоднократно описаны во всех учебниках и справочниках. Отличие может быть только в номиналах деталей т.к. я у себя оставляю только что сам собирал и убедился что работает без проблем. В книгах часто опечатки встречаются.

Рис.1. Стабилизатор по классической схеме без защиты от КЗ в нагрузке. 5В, 1А.

Рис.2. Стабилизатор по классической схеме без защиты от КЗ в нагрузке. 12В, 1А.

Рис.3. Стабилизатор по классической схеме без защиты от КЗ в нагрузке. Регулируемое напряжение 0..20В, 1А

 

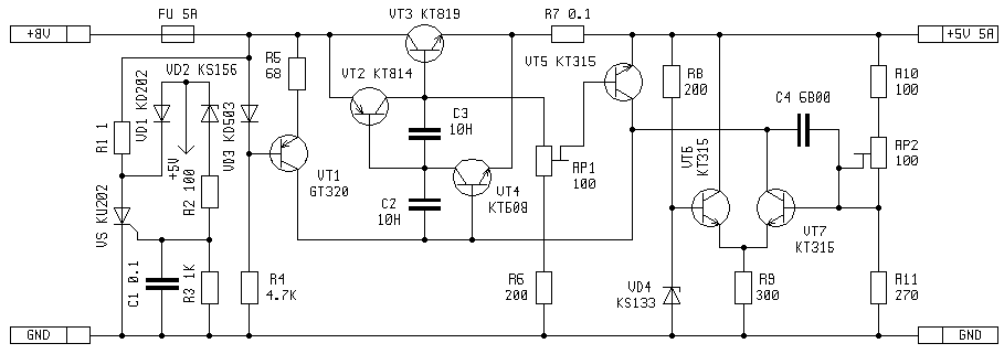
Стабилизатор на 5V 5A построен на основе статьи "Пятивольтовый с системой защиты", Радио №11 за 84г стр. 46-49. Схема действительно оказалась удачной, что не всегда бывает. Легко повторяема.

Сделана была не одна. Встречал потом и в промышленных разработках (а может она и оттуда...). Отличие данного варианта
- нет тепловой защиты, убрал. В статье и она есть. Особенно хороша идея тиристорной защиты нагрузки при выходе из строя самого стабилизатора. Если ведь он (стабилизатор) погорит, то ремонтировать что он питал себе дороже. Транзистор в стабилизаторе тока VT1 германиевый для уменьшения зависимости выходного напряжения от температуры. Если это не важно можно и кремниевый применить. Остальные транзисторы подойдут любые подходящие по мощности. При выходе из строя регулирующего транзистора VT3 напряжение на выходе стабилизатора превышает порог срабатывания стабилитрона VD2 типа КС156А (5.6V) открывается тиристор и коротит вход и выход, горит предохранитель. Просто и надежно.

Назначение элементов регулировок указано на схемах.

 

.

Рис.4. Принципиальная схема стабилизатора с защитой от короткого замыкания в нагрузке и тиристорной схемой защитой при выходе из строя схемы самого стабилизатора.

Номинальное напряжение - 5В, ток - 5А.
RP1 - установка тока срабатывания защиты, RP2 - установка выходного напряжения

 

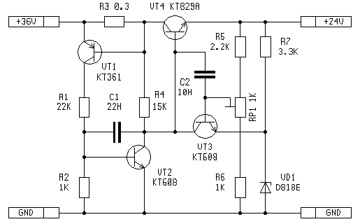
Следующая схема стабилизатора на 24V 2A - это я делал ч/б монитор и пришлось мозгами шевелить.
Вообщем-то то же классическая схема. Ничего нового нет, но работает. Проверено.

Рис.5. Принципиальная схема стабилизатора с защитой от короткого замыкания в нагрузке.

Номинальное напряжение - 24В, ток - 2А.
RP1 - установка выходного напряжения, R3 - установка тока срабатывания защиты,

Партнеры