Что-то не так?
Пожалуйста, отключите Adblock.
Портал QRZ.RU существует только за счет рекламы, поэтому мы были бы Вам благодарны если Вы внесете сайт в список исключений. Мы стараемся размещать только релевантную рекламу, которая будет интересна не только рекламодателям, но и нашим читателям. Отключив Adblock, вы поможете не только нам, но и себе. Спасибо.
Как добавить наш сайт в исключения AdBlockРеклама
Повышающий стабилизатор
Повышающий стабилизатор
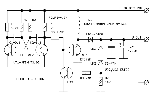
При питании устройств от аккумуляторной батареи часто возникает задача сохранения их работоспособности при падении напряжения аккумуляторной (или простой) батареи при её разряде по тем или иным причинам. При этом не всегда удаётся запитать схему или устройство, питаемое от батареи напряжением значительно ниже напряжения батареи, применив для питания устройства понижающий аналоговый или импульсный стабилизатор. Часто такая задача возникает при питании инфракрасных и других датчиков движения охранных сигнализаций, расчитанных на напряжение 12 вольт при питании системы охраны от аккумуляторной батареи. Так как датчик движения является самым ненадёжным элементом охранной системы, то изменение его питающего напряжения крайне нежелательно. При разработке же схем, питаемых от батарей, часто не удаётся их запитать низким напряжением из-за падения мощности или КПД, или из-за дефицитности низковольтных реле. Схема принципиальная:
Схема состоит из автоколебательного мультивибратора на транзисторах VT1,VT2, силового ключа на транзисторе VT4, накопительной катушки индуктивности L1, выпрямительного диода VD1 и ключа управления на транзисторе VT3. Цепь VD2,VD3,R7 является компаратором напряжения. Выходное напряжение схемы равно сумме напряжений стабилизации стабилитронов VD2 и VD3 и должно быть больше входного напряжения. Для приведенной на Рис1. схемы выходное напряжение равно 15 вольт. Заменять цепь из двух стабилитронов одним не следует, так как это приведет к снижению крутизны вольтамперной характеристики компаратора. Оба стабилитрона должны быть однотопными. Желательно их подобрать по равенству напряжения стабилизации. Если сумму напряжений стабилизации стабилитронов VD1 и VD2 сделать ниже входного напряжения, то напряжение на выходе будет равно входному напряжению а силовой ключ всё время будет закрыт. Тогда при падении входного напряжения ниже суммы напряжений стабилизации стабилитронов силовой ключ начнет работать и выходное напряжение будет застабилизировано на этом уровне. Такой режим выгодно применять в том случае, когда питаемое устройство имеет встроенный понижающий стабилизатор, но не допускает понижения входного напряжения ниже определённого уровня. Схема имеет высокие энергетические характеристики. При токе 500 мА VT4 не нуждается в радиаторе. При токе 250 мА схема выходит из режима стабилизации при падении входного напряжения до 8 вольт.Максимальный ток 600 мА. Он может быть увеличен в разы при использовании более мощного транзистора, замене магнитопровода на больший размер и намотке L1 более толстым проводом. Схема мгновенно (с запаздыванием на период следования импульсов генератора) отслеживает изменения тока нагрузки и может применяться для питания устройств с большим динамическим диапазоном по токопотреблению. По данной схеме были собраны 2 стабилизатора для питания периферии квартирных охранных сигнализаций, которые эксплуатируются постоянно и показали отличные результаты. Транзисторы VT1, VT2 могут быть заменены на КТ315, но VT3 должен быть КТ3102. VT4 можно заменить на КТ829, КТ827. Катушка L1 - сердечник СБ20 М2000НМ и имеет 80 витков провода ПЭВ-2 диаметром 0.38 мм., намотанных внавал. Использованная литература: www.aaroncake.net Plot - файл PCAD 8.5 схемы + программа печати Plot - в Windows: stabup.zip 116 кб
|
