Что-то не так?
Пожалуйста, отключите Adblock.
Портал QRZ.RU существует только за счет рекламы, поэтому мы были бы Вам благодарны если Вы внесете сайт в список исключений. Мы стараемся размещать только релевантную рекламу, которая будет интересна не только рекламодателям, но и нашим читателям. Отключив Adblock, вы поможете не только нам, но и себе. Спасибо.
Как добавить наш сайт в исключения AdBlockРеклама
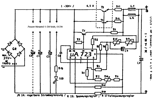
Блок питания 1,2-30В 0-7А
Блок питания 1,2-30В 0-7А
Предлагаю вашему вниманию несложную схему блока питания на микросхеме uA723, с регулировкой напряжения от 1,2-30В и тока от 0-7А. Возможно применение в школе , лаборатории , компьютерной технике и
так далее. Предлагается входное напряжение настраивать (делить) при
помощи переключателя для того чтоб транзисторы при малом напряжении
не так много мощности сжигали . Поэтому переключение от 15 до 28 Вольт
рекомендуется . Переключатель нужно взять помощнее , или использовать
реле . Транзисторы Щелкните мышью для получения большого изображения
| |||||||||||||||||||||||||||||||||||||||||||||||||||||||||||||||||||||||||||||||||||||||||||||||||||||||||||||
