Импульсный блок питания 24V 18А
Импульсный блок питания рассчитан на выходное напряжение в пределах 20-28В, при максимальном долговременном токе нагрузки 10А без принудительного охлаждения и до 18А при использовании вентилятора. В качестве контроллера используется широко распространенная в промышленных устройствах микросхема UC3825. Ее выбор был обусловлен, прежде всего, наличием. Ну, а раз она является (наряду с 3525) промышленным стандартом, то и не пришлось долго раздумывать.
Блок питания представляет собой типовой полумост с оптронной развязкой ОС по напряжению. Защита по току осуществляется с помощью трансформатора тока.
К особенностям можно отнести повышенные требования к монтажу и конструкции. Причин тут несколько. Во-первых, примененный контроллер имеет высокую граничную рабочую частоту, управляющие входы контроллера достаточно высокоимпедансные и чувствительны к наводкам. Это обязывает соблюдать некоторые правила монтажа такого контроллера и его обвязки. Во-вторых, специфика применения данного БП предъявляла жесткие требования по различным помехам, как радиочастотным, так и акустическим. Последнее наложило ограничение на разработку конструкции, в частности, на минимизацию габаритов и размещение некоторых компонентов. Часто используемое «компьютерное» расположение силовых элементов и радиаторов было исключено, как и применение комплектующих рассчитанными на эксплуатацию в основном, в режиме обдува, то есть, без заметного запаса по параметрам. Это касается прежде всего размеров сердечников трансформатора и дросселя L1.
Схему БП можно условно разделить на три части. Первая - это входные цепи питания, содержащие противопомеховый фильтр, варистор и узел ограничения броска тока заряда конденсатора фильтра питания, состоящий из резистора R16 и простейшего реле времени на транзисторе VT4. Вторая – узел контроллера, выделенный синим цветов. И третья, силовая, преобразовательная часть, с фильтром на выходе.

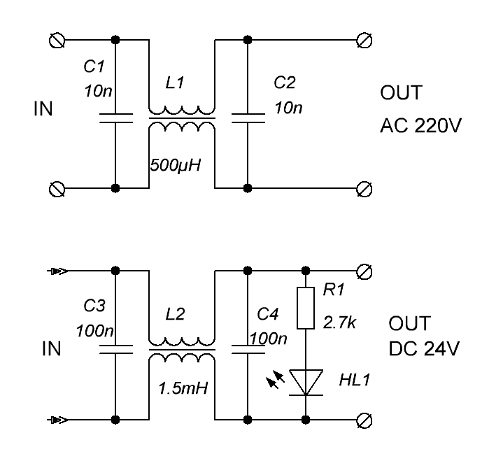
В зависимости от требований, используется также плата дополнительных фильтров, если в этом есть необходимость.

Рисунки печатных плат в формате lay можно скачать здесь.
На печатных платах детали не промаркированы, но учитывая несложность конструкции, определить их соответствие принципиальной схеме, несложно.
Схема собрана на двух печатных платах, основной и субплате контроллера. Так удалось решить проблему с чувствительностью этой микросхемы к различного рода наводкам. Обратите внимание, что субплата контроллера двусторонняя, на одной смонтированы SMD компоненты, а другая сторона в виде сплошной фольги, использована как общий провод и экран.
Конденсатор С6 установлен навесным монтажом, поверх С7.
Данные намоточных компонентов:
Трансформатор Tr1 намотан на сердечнике из феррита N67 размером 26х6х6 и содержит 3х16 витков провода ПЭЛШО 0.35.
Tr2 выполнен на таком же феррите, размер сердечника 42х10х20, первичная обмотка выполнена литцендратом из проводов 0.08 и суммарным диаметром скрутки 1мм, с общей шелковой изоляцией и содержит 17 витков.
Вторичная обмотка - 2х5 витков медной ленты толщиной 0.4 и шириной 12 мм.
Вспомогательная обмотка для питания контроллера содержит 2х3 витка провода ПЭЛШО 0.35
Дроссель L1 на кольце из спеченного мопермаллоя, проницаемостью 63. Размеры кольца 28х15х15, цвет защитного покрытия - желтый, с белым торцом. Число витков - 25.
Трансформатор тока использован готовый, первичная обмотка представляет собой пропущенный в отверстие кольца провод МГТФ c диаметром жилы ок. 1.5мм.
Вторичка - примерно 150 - 200 витков провода на кольце М16х8х6, проницаемость около 2000.
Дроссель L2 готовый, на ферритовом стержне, диаметр провода 2мм.
Дросселя внешних фильтров выполнены на ферритовых сердечника с высокой проницаемостью (4000) , при их намотке следует правильно расположить обмотки, чтобы исключить подмагничивание сердечника - для этого каждая полуобмотка мотается на свой половине кольца, а направление намоток должно быть противофазным.
Следует отметить, что зачастую, применение тех, или иных деталей, определялось их наличием, а не обязательной необходимостью применять именно этот компонент. При повторении ИБП стоит это учитывать.
Обратите внимание на обязательное подключение конденсатора С27 к корпусу радиатора. В противном случае могут возникнуть паразитные колебания. Реле Rel1 любое, на рабочее напряжение 24В и ток через контакты не менее 3А.
Внешний вид ИБП:

Вид сбоку на монтаж силовых полупроводников:

Вид снизу

Субплата контроллера

Обратите внимание на то, что выходная отрицательная шина питания, заземлена на радиатор при помощи полоски медной фольги шириной 10мм, которая заведена под стойку платы и прижата винтом крепления.

Обсуждение БП здесь.
|