Что-то не так?
Пожалуйста, отключите Adblock.
Портал QRZ.RU существует только за счет рекламы, поэтому мы были бы Вам благодарны если Вы внесете сайт в список исключений.
Мы стараемся размещать только релевантную рекламу, которая будет интересна не только рекламодателям, но и нашим читателям. Отключив Adblock, вы поможете не только нам, но и себе. Спасибо.
Как добавить наш сайт в исключения AdBlock
S-30
Акустические системы
RADIOTEHNIKA
S-30
(10АС-221 или 10АС-222)
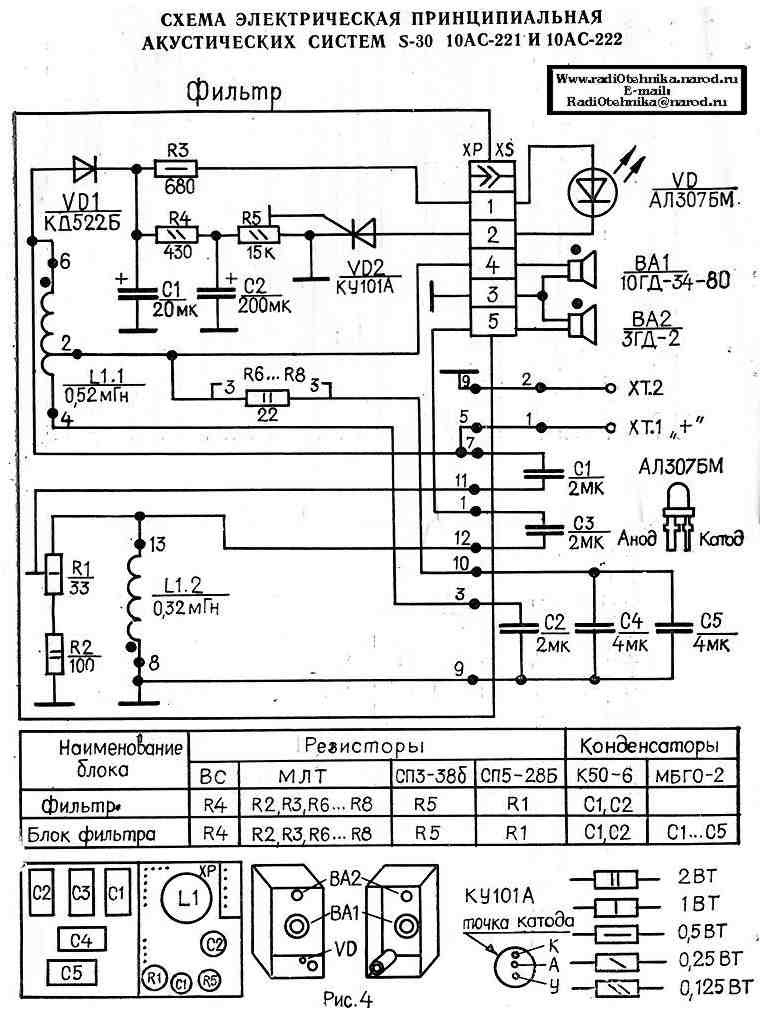
_Описание__Характеристики__Схема_принципиальная_
Краткое описание
По условиям эксплуатации АС относятся к 1 группе ГОСТ 11478-83.
АС предназначены для высококачественного воспроизведения звука в составе бытовой радиоэлектронной радиоаппаратуры.
В АС имеется индикация перегрузки головок громкоговорителей, которая срабатывает при подаче на АС сигнала с уровнем, превышающим ее паспортную мощность.
Для работы АС необходимо подключить к усилителю, имеющему на выходе каждого канала наибольшую (максимальную) мощность в пределах от 20 до 50 Вт.
При прслушивании звуковых программ допускается кратковременные засвечивания индикации перегрузки, но запрещается эксплуатация АС при непрерывном свечении индикации.
Основные технические характеристики
| Паспортная электрическая мощность не менее | 30 Вт |
| Номинальная электрическая мощность | 10 Вт |
| Номинальное электрическое сопротивление | 4 Ома |
| Номинальное среднее звуковое давление в диапазоне частот от 100 до 4000 Гц | 1.2 Па |
| Диапазон воспроизводимых частот не уже | 50-18000 Гц |
| Габаритные размеры АС | 364x214x195 мм |
| Масса АС не более | 6 кг |
Схему принципиальную можно скачать здесь:78kB