LAB599.RU — интернет-магазин средств связи
EN FR DE CN JP

УКВ ретранслятор



Автор - Дергаев Э.Ю. UA4NX
E-mail: ua4nx (at) kesbyt.kirov.elektra.ru
01 января 2001 г.
Специально для QRZ.RU

Публикации на других сайтах только с письменного разрешения автора.

УКВ ретранслятор

Вы можете скачать эту статью в одном файле

( На примере RR4NA)

Тем, кто собирается, строит,
модернизирует ретрансляторы - посвящается.

1. Что такое ретранслятор?

Рис.1 Структурная схема

А это - обычная дуплексная радиостанция, то есть приемник и передатчик работают на разных частотах одновременно на одну антенну. Вот это ''одновременно'' и создает кучу проблем. Передатчик излучает 10 ватт - 25 вольт на 50 омах. Чувствительность приемника 0.25 микровольт. Не трудно подсчитать, что разница в 100000000 раз и равна 160 дБ. Как же бедный приемник сможет что-то принять при такой мощной помехе от передатчика? Предположим, что динамический диапазон по интермодуляции третьего порядка у него 70 дБ (радиостанция ''МАЯК''). 160 - 70 = 90дБ - вот цифра, на которую надо ориентироваться, создавая дуплексор.

Итак, что нужно для создания ретранслятора:

  1. Приемник с хорошим динамическим диапазоном и селекцией (для начала подойдет ''МАЯК'')

  2. Передатчик с непрерывным циклом работы при разрешенной мощности (можно ''МАЯК'')

  3. Дуплексный фильтр с развязкой > 90дБ

  4. АФУ - антенно-фидерное устройство

2. Камень преткновения - дуплексный фильтр

Существует немало обходных путей, например:

  • Эхо-репитер. Отличный путь - одна симплексная радиостанция, цифровой магнитофон на 30 - 60 секунд и готово. Но работать неудобно, связь в два раза длиннее.

  • Разнос приемной и передающей антенн по вертикали. Метод эффективный, но плохо реализуемый. Сами подумайте, какую антенну поставить нижней? Если штырь или диполь, то мачта им возбудится и, вдобавок, зашунтирует, если диполь с рефлектором то диаграмма направленности не та. Да и для хорошей развязки - и токов на оплетке не должно быть, и КСВ должен быть почти 1.0, и экранировка кабелей должна быть не хуже 50 - 60 дБ. А развязка при 10 метрах по высоте только 55 дБ, да и то теоретически.

  • Разнос по горизонтали. Вторая мачта, второй длинный кабель (с компенсацией потерь кабеля в виде усилителя для RX или TX), или другое помещение и передача по проводам НЧ или по радиоканалу (что не приветствуется Госсвязьнадзором). Развязка тут еще меньше, для 55 дБ надо 108 метров (эти данные из ARRL Antenna Book). К тому же разнос в пространстве ставит передающую и приемную антенну в разные условия по отношению к корреспонденту, что плохо.

  • и т.д.

Как видно, даже применяя разнос антенн, мы не можем выйти на 90 - 100 дБ развязки, то есть фильтр все равно нужен. А уж если делать фильтр из 5 резонаторов для разнесенных антенн, то почему не добавить еще 2 - 3 резонатора и обойтись одной мачтой, антенной, кабелем?

Сначала был сделан фильтр из 3х режекторов на прием, 3х на передачу и 2х резонаторов - полосовика на прием. Затем, через год эксплуатации, было принято решение один полосовик переделать в четвертый приемный режектор и снизить подавление в приемных режекторах с 29 до 23,5 дБ. В результате по приему удалось уменьшить потери на 2 дБ, и увеличить режекцию до 94 дБ. На тех 100 миллиметровых алюминиевых четвертьволновых резонаторах, которые удалось изготовить, получилось:

  1. Затухание от АНТ до RX на частоте 145.125 МГц - 2.1 дБ

  2. Затухание от АНТ до RX на частоте 145.725 МГц - 94 дБ

  3. Затухание от АНТ до ТX на частоте 145.725 МГц - 3.6 дБ

  4. Затухание от АНТ до ТX на частоте 145.125 МГц - 86 дБ

Рис. 2. Схематический чертеж

Параметры одного резонатора:

RX1,RX2,RX3,RX4
Затухание на частоте TX - 23.5 дБ
Затухание на частоте RX - 0.25 дБ

RX5
Затухание на частоте RX -1.0 дБ
Полоса по уровню -3дБ - 600 кГц

TX1,TX2,TX3
Затухание на частоте RX - 29 дБ
Затухание на частоте TX - 1.2 дБ

Рис.3. Характеристики резонаторов

Идея улучшить параметры приема (за счет четвертого режектора на прием) наткнулась на очередной подводный камень. Уменьшив связь с резонатором - сузили полосу режекторов, что привело к более сильному изменению их частоты настройки в температуре. При изменении внешней температуры на 20 - 25 градусов (репитер установлен в не отапливаемом помещении на лестничной клетке последнего этажа Вятского государственного университета) приходилось подстраивать все режекторы. Через год мы термостатировали весь фильтр.

Советы по конструкции резонаторов:

  1. Волновое сопротивление резонатора (соотношение внутреннего диаметра корпуса и внешнего диаметра штыря) для максимальной добротности должно быть 60-75 ом.

  2. Холодный конец резонатора должен иметь отличный контакт по всей поверхности - пайка или сварка. В крайнем случае, торцевать и стягивать.

  3. Горячий конец резонатора (крышка, где поршень для настройки) наоборот, может иметь 3 - 4 винта.

  4. Чем больше диаметр резонатора, тем выше добротность.

  5. Площадь петли связи 12 квадратных сантиметров, положение связи - почти максимальное.

  6. Для верхнего режектора надо параллельно петле (на разъеме, внутри) запаять емкость 25 - 33 пФ, для компенсации индуктивности петли (увидите по АЧХ).

  7. На разъем режектора накручивается тройник, и расстояние Х соединительных кабелей учитывает 1\2 длины тройника с обоих концов, то есть четверть волны с учетом укорочения в кабеле, разъемах и тройнике считается от середины одного тройника до середины другого.

  8. Длины остальных кабелей (не Х) могут быть любые.

  9. Материал для корпуса резонатора - алюминий (трубы круглые, квадратные, прямоугольные, загнутые из листа и сваренные, волноводы, корпуса от крылатых ракет СС-20 и т.п.), медь - (тоже самое, плюс спаянные из стеклотекстолита фольгированного).

  10. Для нормальной настройки надо заведомо рассчитывать резонатор выше на 0.5 - 2 МГц, так как при сильной связи (она регулируется поворотом петли) частота уйдет вниз, и придется обрезать штырь.

  11. В данной конструкции крепящийся торец штыря имеет снятую изнутри фаску, так что соприкасается он равномерно и только внешней стороной. При затяжке гаечным ключом острая кромка врежется и обеспечит надежный контакт по всей поверхности. Не забудьте под болт, снаружи, положить стальную шайбу внешним диаметром больше чем диаметр штыря.

  12. Желательно внутри резонатора поверхности отполировать.

Рис. 4. Сборочный чертеж

3. Приемник

А приемник нужен хороший. И не просто хороший, а очень хороший. Посмотрел я на анализаторе спектра С4-45 после дуплексора и полосовика эфир.

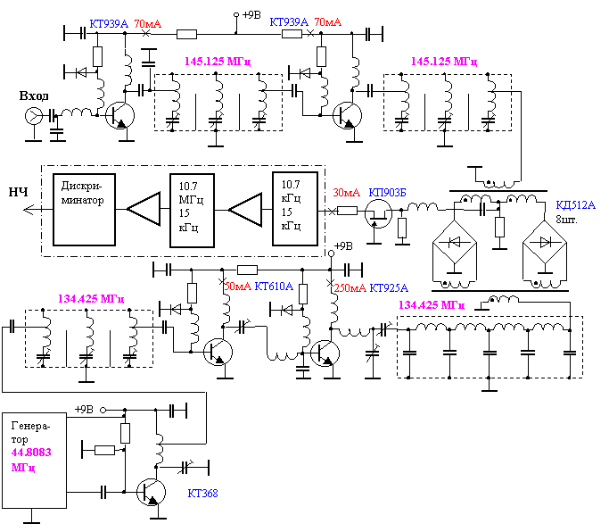
Даааа. На частотах в районе 148 МГц принимаю 2, 3 мВ. И это с полосовым фильтром! От радиолюбителей в километре - около 1 мВ! Собственный сигнал от передатчика - 300 мкВ. Можете подсчитать динамический диапазон приемника. Пришлось вспомнить времена очных соревнований по радиосвязи на УКВ и повторить приемник, только для ЧМ. Как оказалось впоследствии, полученную чувствительность 0.15 мкВ (даже с добавочным затуханием в дуплексоре 2 дБ и 1.8 дБ в кабеле) в месте установки репитера реализовать невозможно, шумы города существенно выше. А вот динамики и селективности вполне хватает. Это, несмотря на то, что любая переносная станция на штатную укороченную антенну на крыше ретранслятора каких только интермодуляций не принимает (при выключенном TX, естественно). Особенно селективность повысилась после установки ПАВ 144-146 МГц вместо первого 3х контурного полосовика в приемнике. На частоте 148 МГц сейчас общее затухание > 55 дБ. Мощность гетеродина 1 - 1,5 ватта!!! Диоды в смесителе теплые. Усиление в УВЧ с учетом потерь в полосовом фильтре и ПАВ + 25 дБ. Конструктивно приемник выполнен в корпусе с двумя отсеками - в одном гетеродин, в другом УВЧ, смеситель, и ПЧ. Крышки с подпружиненными контактами по всему периметру.

Рис. 5. Принципиальная схема приемника RR4NA

Рис. 6. АЧХ применика

4. Передатчик

А не встает ли законный вопрос, для чего режекторы передатчика? Если режекторы приемника спасают его от мощного передатчика, то режекторы передатчика спасают приемник от шумов передатчика. Любой генератор имеет пьедестал в виде шумов. На расстоянии 600 кГц от несущей он бывает от -100 до -55 дБ. У кварцованных передатчиков лучше, у синтезаторов хуже. Он зависит от добротности системы генератора, стабильности и чистоты питания и т.д. Для " МАЯКА" это 65-70 дБ. Опять же оставшиеся 160 - 70 = 90 дБ надо фильтровать. Сразу отбросим ФМ передатчик, на нем сложно получить линейную АЧХ. Нам подходит ЧМ передатчик. Для нормальной работы передатчик должен выдерживать 100% цикл работы, или же уметь при перегреве снижать мощность или включать вентилятор, у меня сделано второе. Вентилятор обдувает и TX и блок питания (правда это происходит при работе с 50 ваттным выходом). Затухание в фильтре и кабеле компенсируется запасом TX, в результате к антенне подходит ровно 5 ватт, сколько разрешено для RR4NA. Желание увеличить мощность (после проведенных экспериментов) не возникает, получается дисбаланс в TX\RX и постоянные упреки на плохую чувствительность ретранслятора.

5. Антенна

Сначала была 2х5\8 лямбда, сейчас тоже самодельная, аналог ''DIAMOND F-23'' 3х5\8 лямбда в телескопической удочке. Работает существенно лучше предыдущей, по многочисленным замерам от 2 до 4 дБ плюс. При установке мачты не поленитесь растяжки разбить изоляторами около мачты и около зацепления за крышу. Вот почему. Попробуйте при включенном передатчике задевать за его корпус железкой (отверткой, кусачками). В приемнике услышите шорох, треск. То же самое будет при плохом контакте растяжки с мачтой, так что сделайте длину части растяжки от мачты до изолятора минимальной. К сожалению этот эффект проявляется не только на мачте и растяжках мачты, но и на других мачтах и железяках на крыше, так что приберитесь на крыше. Кто не поверил, попробуйте на слабом сигнале 57 - 58 через репитер задеть растяжку пассатижами, услышите треск. Мы с этим поборолись, сменив кабель, был с мягкой внешней изоляцией, и поставив по концам каждой растяжки изоляторы.

6. Автоматика

Фотография в натуральную величинуАлгоритм работы, на первый взгляд, простой: открылся шумоподавитель - включи передатчик, закрылся, - включи биппер и через 4 - 10 секунд выключи передатчик. На самом деле, для качественной работы, все несколько сложнее. Включение передатчика не должно происходить от коротких помех, т.е. должна бать задержка на 0,2 - 0,5 секунды. Если помеха длиннее этой задержки, то передатчик включается, но биппер пикнет только в том случае, когда открытие шумоподавителя было непрерывно 1 - 2 сек. Это сделано для борьбы с помехами и шумами. Биппер длительностью 0,1 - 0,3 сек, тон по вкусу, амплитуда 1\5 - 1\10 максимальной. Включаться он должен не сразу по пропаданию сигнала с шумоподавителя, а с задержкой 0,5 - 1 сек, чтобы можно было ответить корреспонденту до него. Кроме того, сейчас положено передавать тональным телеграфом позывной репитера. К выходу приемника можно подключить КР1008ВЖ18 с дешифратором, например К561ИД1, и иметь возможность управлять ДТМФ сигналами 10ю устройствами (например: объявление времени китайскими говорящими часами, регулировка мощности - режим QRO (QRP) на несколько минут с последующим восстановлением исходных установок, открытие шумоподавителя для DXов, подключение дополнительных направленных антенн к основной, и т.д.).

7. НЧ тракт

Это часть репитера - от выхода дискриминатора приемника до варикапа модулятора передатчика. Так как в ЧМ модуляции для улучшения параметров вводятся частотные предискажения, есть два пути стыковки RX - TX: исключая все цепи коррекции АЧХ в звуковом тракте и сохраняя их. Очевидно, что первый путь внесет меньше искажений в АЧХ тракта, меньше нелинейных искажений. Да и реализовывать его легче. Достаточно сигнал с дискриминатора усилить в 5 - 20 раз, ограничить пики и подать на модулятор. У меня это операционник с однополярным питанием, который является ограничителем и микшером - для биппера, часов и т.п. Для улучшения АЧХ обязательно подстройте контура по ПЧ 10.7 около кварцевого фильтра. Надо подать сигнал с генератора Г4-116 с девиацией 4 - 5 кГц, и по форме синусоиды на выходе дискриминатора настроить их. Меняя частоту внешнего модулирующего сигнала, проконтролируйте всю АЧХ тракта RX - TX, от 50 Гц до 4 кГц, завалы не более 1 - 3 дБ. Не думайте, что ретранслятор улучшит качество сигналов корреспондентов, дополнительные преобразования внесут частотные, нелинейные искажения и понизят соотношение сигнал - шум НЧ.

Дергаев Э.Ю. UA4NX
E-mail: ua4nx (at) kesbyt.kirov.elektra.ru

01 января 2001 г.
Специально для QRZ.RU

Партнеры