Что-то не так?
Пожалуйста, отключите Adblock.
Портал QRZ.RU существует только за счет рекламы, поэтому мы были бы Вам благодарны если Вы внесете сайт в список исключений. Мы стараемся размещать только релевантную рекламу, которая будет интересна не только рекламодателям, но и нашим читателям. Отключив Adblock, вы поможете не только нам, но и себе. Спасибо.
Как добавить наш сайт в исключения AdBlockРеклама
Радиолюбительский репитер
Радиолюбительский репитер
| Адрес статьи на сервере:[ http://www.qrz.ru/schemes/contribute/repeaters/ua9lbg.html ] | |
Вы можете скачать эту статью в одном файле 109 кб | 35 сек @ 33,6 кб/сек План
1. НАЗНАЧЕНИЕ И УСТРОЙСТВО ДУПЛЕКСНОГО ФИЛЬТРА.Как известно все репитеры состоят из радиоприемного, радиопередающего и антеннофидерного устройств. Приемник и передатчик должны работать одновременно, причем на одну антенну или две разнесенные . Чтобы передатчик не "заглушал" собственный приемник репитера, необходимо между передатчиком и приемником устанавливать дуплексный фильтр. Дуплексные фильтры изготовленные на сосредоточенных элементах (катушках индуктивности и конденсаторах) т.е. спиральных резонаторах, применяются при большом разносе частот между передатчиком и приемником, порядка 5 МГц в диапазоне частот 136 - 174 МГц. В радиолюбительском репитере, где разнос частот составляет всего 600 кГц, возможно применение только объемных резонаторов, т.к. их добротность значительно выше спиральных. В принципе их электрические схемы ни чем не отличаются друг от друга, а фильтры собранные на объемных резонаторах имеют также полосовые и режекторные сборки. Объемный резонатор состоит из колебательного контура на рассредоточенных элементах, предстовляющих собой острорезонансный вибратор, длина которого составляет нечетное количество четвертей волн, на практике его применяют длиной лямбда/4. Принцип его построения таков: Как известно на нижнем конце вертикального четвертьволнового вибратора, см. Рис.1 имеет место узел напряжения.
Это позволяет непосредственно заземлить основание без ущерба характеристик вибратора. Такие решения часто используют на практике и относятся к типу цельно металлических конструкций. Согласование фидера с антенной может осуществляться по схеме гамма-образной схеме согласования см. Рис1б. Ползунок на вибраторе обеспечивает согласование с фидером размером "Х", а конденсатор С обеспечивает точную настройку, компенсируя реактивную составляющую петли связи с этим размером. Здесь мы наблюдаем, преобразование открытого вибратора антенны, в вибратор закрытого типа т.е. в узкополосный и экранированный от внешних электромагнитных полей, фильтр. Если в таком резонаторе имеется две петли связи, значит он выполняет функцию полосового фильтра, если одна - режекторного фильтра. Полосовой фильтр выделяет и пропускает заданный спектр частот и работает как параллельный колебательный контур. Режекторный фильтр имеет противоположную задачу, т.е. вырезает заданный спектр частот и работает как последовательный колебательный контур. Полосовой фильтр имеет два типа настройки, это настройка его в резонанс и настойка уровня связи. Режекторный фильтр, как правило, имеет максимальную связь и настраивается только в резонанс. Настройка фильтров в резонанс, заключается в увеличении или уменьшении электрической длины резонатора, методом изменения его физических размеров подобно телескопической антенне, и управляется не сложным резьбовым устройством. Его добротность напрямую связана с чистотой обработки всех элементов, величиной диаметра экрана и пр. На практике принято применять корпуса фильтров диаметром в 5, 8 дюймов. Экран - корпус фильтра может иметь круглое или квадратное сечение. Полоса пропускания полосового фильтра регулируется степенью связи петли с резонатором. Это достигается поворотом обеих петель связи на одинаковый угол вокруг своей оси в одном направлении, см. Рис.2. На фильтрах (банках) заводского изготовления эти углы сопровождаются надписями в виде ожидаемого сквозного затухания в дБ, где минимум затухания составляет 0,5 дБ, а максимум 2,5 дБ. При синхронном повороте петель связи наблюдается простая зависимость: Связь меньше - добротность резонатора выше, полоса пропускания уже, проходное затухание фильтра выше, и наоборот.
Компенсирующая емкость в петле связи здесь рассредоточена на плоскости ленты, из чего сделана петля связи, см. Рис 3. Если такую петлю изготовить из круглого проводника Ф=3 - 4 мм, то согласование с фидером несколько ухудшится.
2. РАСЧЕТ ЭНЕРГЕТИКИ ФИЛЬТРА.Необходим для определения характеристик дуплексного фильтра и зависит от характеристик приемника и мощности передатчика в репитере. Мы начнем с определения чувствительности приемника и его характеристик по забитию. Для этого нам понадобится два генератора стандартных сигналов с частотами 144 - 146 МГц. и аттенюаторами от - 20 до - 135 дБ на каждом. Собирается схема согласно Рис. 4.
На выходе приемника замеряется уровень шума при выключенных Г1 и Г2.
Затем включают генератор стандартных сигналов (Г1) с частотой, к примеру,
145,000 МГц, далее постепенно уменьшают показания аттенюатора до тех пор,
пока напряжение шумов на выходе приемника не уменьшатся в 4 раза. (Все
измерения проводятся при отсутствии девиации обоих генераторов). Показания
аттенюатора будут соответствовать чувствительности приемника. К примеру:
они составили -125дБ, что соответствует чувствительности приемника в 0,25
мкВ при соотношении сигнал/шум в 12 дБ. Далее включают второй генератор
и устанавливают частоту передатчика репитера равную 145,600 МГц, аттенюатор
на втором генераторе также устанавливают на максимальное затухание и постепенно
уменьшают его показания до тех пор, пока не начнет расти напряжение шумов
на выходе приемника, но не более чем в 1,4 раза. К примеру показания аттенюатора
генератора стандартных сигналов Г2 составили при этом - 35 дБ, что на
90 дБ больше чем чувствительность приемника. Эти показания означают, что
сигнал передатчика отличный по частоте на 600 кГц от частоты приемника
может иметь мощность на входе приемника не более чем в - 35 дБ, иначе
будет срабатывать эффект забития. Следующим действием мы должны определиться
с выходной мощностью передатчика исходя из местных условий распространения
радиоволн, места установки репитера и пр. Не следует поддаваться такому
мнению, что повышенная мощность передатчика репитера увеличит его радиус
действия. Существует так называемый баланс мощностей, связанный напрямую
с задачами репитера и напрямую зависит от условий распространения радиоволн.
Слишком завышенная мощность репитера даст неоспоримый комфорт радиосвязи
в одностороннем порядке, но при этом нужно идти на удорожание дуплексного
фильтра, антенно - фидерного устройства, или реальную потерю чувствительности
приемника репитера, что однозначно снизит радиус действия репитера. Заниженная
мощность передатчика последнего, приведет также к уменьшению радиуса действия
особенно в условиях городских застроек. На практике, для подвижных объектов,
достаточно иметь передатчик репитера мощностью порядка 15 - 25 Вт. Автор
использовал выходную мощность передатчика в 12 Вт, усилении антенны в
7 дБ и высоте установки в 52 м, с которым легко устанавливается связь
в условиях равнинной местности на расстоянии до 30 - 40 км на спиральную
антенну носимой станции. Таблица 1.
|
|
Где: -35дБ - показания второго генератора. Следующим шагом в расчетах, это принятие решения конструкции антенно - фидерного устройства (АФУ). Если вы приняли решение об установке одной общей антенны для репитера, то ослабление сигнала передатчика в - 72 дБ на входе приемника, полностью ложится на дуплексный фильтр. Если это разнесенные антенны, а их, как правило устанавливают на одном объекте (крыше и пр.), то здесь должно быть применено одно золотое правило:
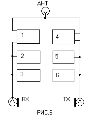
Антенны с вертикальной поляризацией, установленные одна над другой (соосно), имеют развязку около 20 дБ, а если антенны установлены в одной плоскости, т.е. диаграммы направленности их совмещаются в пространстве, этой развязки не будет. Это обстоятельство нужно учитывать при проектировании репитера, что в некоторых случаях сэкономит установку лишней секции фильтра. Мы принимаем решение использования одной общей антенны. Обратимся к характеристикам фильтров диаметром 5 дюймов. Частотная характеристика полосового фильтра изображена на Рис.5а, где при затухании в 0,5 дБ на основной частоте, затухание со смещением в 600 кГц составит всего 7дБ. При уменьшении связи с полосовым фильтром до сквозного затухания в 1 дБ, полоса пропускания немного сузится и затухание со смещением в 600 кГц составит 12 дБ. Понятно, что для построения дуплексного фильтра с затуханием в 72дБ, необходимо составить последовательно 6 полосовых фильтров с общим сквозным затуханием в 6 дБ на приемной стороне. Это было - бы весьма не выгодно, с энергетической и экономической точек зрения, т.к. понадобилось бы еще 6 шт. для установки их на передатчик. Совершенно по иному ведут себя банки в режиме режекторного фильтра. Две банки в режиме режектора, включенные по последовательной схеме, способны подавлять сквозную частоту на 77 дБ см. Рис 5б, что вполне удовлетворяет нашему требованию с запасом в 5 дБ, который можно отнести либо к условному увеличению мощности передатчика, либо к запасу по чувствительности репитерного приемника. Можно придти к выводу, что полосовые фильтры в репитере можно не устанавливать, но это не совсем так. Они необходимы в тех случаях, когда в месте установки репитера присутствует очень сложная электромагнитная обстановка. Дело в том, что мощные и близко расположенные, в частотном и пространственном аспектах, радиопередатчики, образуют на входе репитерного приемника комбинационные составляющие - помехи. Часто такой же полосовой фильтр необходимо устанавливать на выходе передатчика исходя из тех же соображений. Схема дуплексного фильтра используемого на репитере RR9LA изображена на Рис.6. Кабели, соединяющие между собой банки, а также кабели идущие от банок к антенному тройнику должны иметь электрическую длину = лямбда/4. Полосовой фильтр 1 и режекторные фильтры 5 и 6 настроены на частоту приема 145,000 МГц. Режекторные фильтры 2, 3 и полосовой фильтр 4, настроены на частоту передачи 145,600 МГц. Следует отметить, что полосовой фильтр легко переделать в режекторный, для этого достаточно ко второй петле связи подключить поглощающее сопротивление 50 Ом, что делают чаще всего в цепи передатчика для облегчения режима работы его выходного каскада, или заглушить отверстие для одной петли связи металлической шайбой.
4. ИЗГОТОВЛЕНИЕ ФИЛЬТРА КУСТАРНЫМ СПОСОБОМ.Прежде, чем приступить к изготовлению дуплексного фильтра, необходимо знать схему его конструкции, т.е. провести работы по предварительным расчетам. Предположительно мы приняли схему, изображенную на Рис. 6. Корпуса фирменных профессиональных фильтров для диапазона 136-174 МГц изготавливают из мягкого аллюминия, а резонаторы и петли связи из латуни с повышенным количеством меди. В радиолюбительской практике изготовление каких либо конструктивов в заводском исполнении на 100% мало вероятно. Здесь предлагаются методы изготовления высокодобротных фильтров не уступающих фирменным на данный диапазон. Прежде всего, это изготовление корпуса не из алюминия, а из меди. Для экономии материалов, корпус изготовим общим для всех фильтров, а в качестве материала используем двухсторонний фольгированный стеклотекстолит. Всего понадобится 1,75 кв.м. фольгированного стеклотекстолита толщиной 3 мм. Размеры, раскрой и деталировка изображены на Рис. 7;8. Петлю связи и резонатор желательно изготовить из меди в крайнем случае из латуни. Изготовление каких либо элементов фильтра из бронзы, нержавеющей стали и т.п. не реомендуется ввиду резкого снижения его добротности и как следствие того, напрасная трата времени и средств. Размеры и конструктив резонатора, изображенного на Рис. 9 и могут быть изменены, главное, чтобы соблюдалось основное правило,что заземленный четвертьволновой штырь имел максимальную добротность при возможности перестройки последнего. Все детали фильтра, а главное резонатора желательно отполировать, а перед установкой обезжирить. Поскольку фольгированный стеклотекстолит имеет удовлетворительную чистоту обработки и достаточно тонкие стенки, его полировать не нужно. КОРПУС ДУПЛЕКСНОГО ФИЛЬТРА
Порядок сборки корпуса. ВЕРХНИЕ СТЕНКИ6 отв.для крепления вращаемой шайбы петли связи. 3 отв.через 120 градусов.
РЕЗОНАТОР
Порядок сборки резонатора.
НАСТРОЙКА ФИЛЬТРОВ.
|
||||
| Адрес статьи на сервере:[ http://www.qrz.ru/schemes/contribute/repeaters/ua9lbg.html ] |









