Что-то не так?
Пожалуйста, отключите Adblock.
Портал QRZ.RU существует только за счет рекламы, поэтому мы были бы Вам благодарны если Вы внесете сайт в список исключений. Мы стараемся размещать только релевантную рекламу, которая будет интересна не только рекламодателям, но и нашим читателям. Отключив Adblock, вы поможете не только нам, но и себе. Спасибо.
Как добавить наш сайт в исключения AdBlockРеклама
Angara
Блок управления для радиостанции "Ангара".
|
(С) Copyright 1998-2000 Запрещается использование или модификация этого материала или любой составной его части (кроме использования в личных целях без извлечения выгоды ) без согласия автора . |
Радиостанция 2Р20 "Ангара-1" имеет характеристики , позволяющие с успехом использовать ее в любительской радиосвязи . Размеры 255х215х69 мм ,низковольтное питание ,водонепроницаемый корпус , а также беспрецедентные меры по термовременной стабильности частоты делают этот аппарат незаменимым в различных DX экспедициях а также в качестве стационарной радиостанции . Диапазон частот 1.6-8.0 мГц перекрывает 3 любительских диапазона . Чувствительность 1.2 Мкв при отношении сигнал/шум 12 дБ и выходная мощность 10 вт позволяет уверенно проводить связи на этих диапазонах . Согласующее устройство на выходе передатчика позволяет подключать самые различные антенны.
К недостаткам этой станции можно отнести отсутствие нижней боковой полосы и крайне неудобное устройство набора частоты . Изменить боковую полосу можно заменой ЭМФ-500Н-3.1 на ЭМФ-500В-3.17.
С набором частоты несколько сложнее . Дело в том , что сложилось устоявшееся представление о том как нужно управлять частотой любительской радиостанции . Во первых управление должно быть либо плавным , либо дискретным с довольно малым шагом перестройки . Особенность однополосной работы предполагает наличие режима расстройки частоты приема от частоты передачи . В современных трансиверах реализована возможность работы на разнесенных частотах вплоть до разных диапазонов . Желательно также наличие дополнительного гетеродина , для повышения оперативности .
Описываемый ниже блок предназначен для управления частотой радиостанции "Ангара" и предоставляет следующие возможности .
отображение на 8-ми разрядном индикаторе показаний частоты , S-метра , измерителя мощности передатчика
перестройка частоты в диапазоне 1.6-8.0 мГц с шагом 20 Гц , 100 Гц , 1 кГц
расстройка частоты приема от частоты передачи
работа в режимах "Split" и "Crossband"
поддержка работы двух независимых гетеродинов
управление от валкодера и с клавиатуры
гибкое изменение шага перестройки
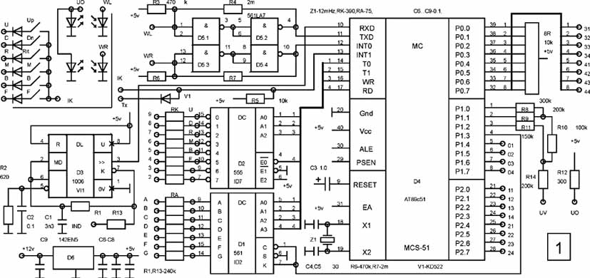
Схема блока приведена на рис.1 . Он выполнен на базе однокристального микроконтроллера АТ89с51 . В качестве индикатора применяется АЛС318 .

На рис.2 приведена схема блока дешифраторов .

С выводов 01...44 блока управления снимается двоично-десятичный код управления синтезатором радиостанции . Напряжение UV служит для управления частотой опорного гетеродина для получения шага перестройки 20 Гц .На м/с D1,D2 собрана динамическая индикация . М/с D5 служит для формирования сигналов валкодера . На м/с D3 собран преобразователь напряжения в частоту, используемый для индикации показаний S-метра и индикатора выходной мощности. На схеме условно изображены клавиатура и оптопары валкодера . Блок располагается на месте удаленной платы УНЧ и индикатора радиостанции , поэтому необходимо изготовить другой УНЧ , например как на рис.3 . Там же приведена схема формирования сигнала для измерителя напряжения .

Блок управляется с клавиатуры и от валкодера . При нажатии кнопок выполняются следующие функции . Основной упор сделан на то , чтобы сделать управление трансивером более привычным и естественным .
[Up] - перестройка вверх
[Dn] - перестройка вниз
[F],[Up]или[F],[Dn] - смена шага перестройки ([F],[Up] означает нажатие сначала на [F] затем на [Up]) При нажатии кнопок [Up],[Dn] происходит увеличение или уменьшение частоты настройки на один шаг . Если удерживать кнопку [Up] или [Dn] длительное время , частота будет увеличиваться или уменьшаться автоматически .Шаг может быть равен 20 Гц , 100 Гц , 1 кГц . Смена шага происходит циклически при каждом выполнении команды смены шага . Смена шага также происходит если крутить ручку валкодера , предварительно нажав кратковременно кнопку [F].
[Rit] - включение режима расстройки . Расстройка может быть до любой частоты в пределах 1.6-8 мГц . Это позволяет работать в режимах "Split" и "Crossband" . Включение расстройки индицируется миганием самого младшего разряда частоты . При выключении расстройки , частота приема становится равной частоте передачи
[F],[Rit] - включение/выключение индикации S-метра, индикатора мощности. Показания S-метра или индикатора мощности , в зависимости от режима приема или передачи , отображаются на цифровом индикаторе вместо частоты , в виде шкалы из 18 вертикальных штрихов. При переходе в этот режим , работают все команды , набираемые на клавиатуре .
[M] - переключение VFO A и B "0 365454" Самая левая цифра на индикаторе показывает номер VFO
[F],[M] - блокирование/разблокирование валкодера при заблокированном валкодере работают все команды клавиатуры
[B] - переключение диапазона . На каждом из 3-х диапазонов сохраняется текущее значение частоты. С учетом 2-х VFO это дает 6 неявных ячеек памяти . В отличие от традиционной работы с памятью , в КВ аппарате это более предпочтительный вариант , не отвлекающий оператора на ненужные операции . При включении расстройки , переключение диапазона распространяется только на приемную частоту .
[F],[B] - текущие частоты VFO A и B на всех диапазонах сбрасываются на начало диапазонов .
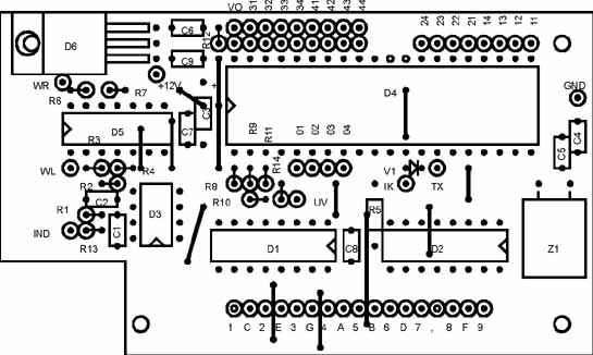
Все блоки собираются на односторонних печатных платах рис.4-9 .



![]()


Блок управления устанавливается на месте удаленного УНЧ , новый УНЧ укрепляется над блоком с левой стороны , деталями вниз . Дешифраторы закрепляются на плате синтезатора под входными контактами рис.10 . Конструкция клавиатуры и валкодера зависит от имеющихся комплектующих . Хорошо работают микропереключатели МП-7 . Найти малогаборитный валкодер довольно затруднительно . Простой и надежный вариант - использование неисправной компьютерной мышки . Один из дисков с метками укрепляется на оси малогабаритного переменного резистора . Оптопара закрепляется в нужном месте . Количество рисок обычно равно 30-40 , что обеспечивает оптимальное значение Гц/оборот . Диск можно изготовить самостоятельно , просверлив по кругу отверстия 1 мм с шагом 1 мм . При использовании отдельных оптопар для разных направлений , смещением их относительно друг друга , нужно добиться сдвига фаз импульсов валкодера на 90 градусов .
АЛС318 устанавливается следующим образом . В плату блока управления вертикально впаиваются резисторы RA и RK , после чего к ним припаивается индикатор выводами вверх . Т.к. индикатор перевернут , названия сегментов не соответствуют справочным . На рис.11 приведены названия выводов для данного случая .

Клавиатура и валкодер распаиваются к одноименным выводам блока управления . Дешифраторы подключаются к одноименным контактам блока управления и платы синтезатора рис.10 . Питание +9в на дешифраторы берется с платы синтезатора . Если шаг перестройки 20 Гц не требуется , выход UV блока управления не используется . В противном случае потребуется разборка опорного генератора . Для этого он выпаивается из платы , скальпелем срезается лишний припой со шва , после чего шов прорезается по всей длине и крышка легко снимается . На снятой крышке нужно удалить окошко над катушкой контура и просверлить отверстие для провода . Провод припаивается к перемычке П1 генератора , крышка припаивается на место . Вход S-метра платы УНЧ присоединяется к выходу АРУ блока ПЧ радиостанции . Это точка соединения выв.3 DA3(504УН1), +С44, С76 и R38 . Вход измерителя мощности "PWR" подключается через измерительный трансформатор старой платы УНЧ к выходу радиостанции .
Настройку нужно начинать с блока управления . При первых включениях микропроцессор из панельки лучше вынуть . После включения , проверяются напряжения на выводах панельки . На выв. 40,31,13 должно быть +5в . На выв.9 должно быть +5в при включении и плавно падать до нуля . Установив в панельку микросхему , нужно убедиться в наличии генерации 12 мГц на выв. 18,19 . На индикаторах должно отобразиться "0 365000" . Если отображения нет , нужно проверить цепи индикации . Коды , выдаваемые на выводы 01...44 соответствуют цифрам частоты на индикаторе . Это необходимо проверить . Для настройки S-метра нужно отключить входы S и PWR , включить режим отображения S-метра , подбором R4 на плате УНЧ добиться периода колебаний 9 мс на вых.3 1006ВИ1 . Это соответствует свечению 1-2 сегментов индикатора . При подаче сигнала на входы S и PWR , период колебаний мультивибратора уменьшается примерно до 2мс, что соответствует полной шкале индикатора . Элементы мультивибратора R1,R2,R13,C1 желательно использовать хорошего качества с высокой термостабильностью параметров, иначе показания S-метра и индикатора мощности будут зависеть от температуры . Настройка валкодера сводится к получению сдвига 90 градусов между импульсами . Это можно сделать сдвигом оптопар , при помощи осциллографа с внешней синхронизацией или просто до получения уверенной работы в обеих направлениях . Настройка опорного гетеродина заключается в установке частоты 10 мгц c максимально возможной точностью при установленном значении 0 в разряде десятков герц при помощи сердечника катушки гетеродина. После подстройки , крышку над катушкой нужно припаять на место .
