Что-то не так?
Пожалуйста, отключите Adblock.
Портал QRZ.RU существует только за счет рекламы, поэтому мы были бы Вам благодарны если Вы внесете сайт в список исключений. Мы стараемся размещать только релевантную рекламу, которая будет интересна не только рекламодателям, но и нашим читателям. Отключив Adblock, вы поможете не только нам, но и себе. Спасибо.
Как добавить наш сайт в исключения AdBlockРеклама
QRZ.RU Блок управления радиостанции ";АНГАРА-1"; версия 2
Блок управления радиостанции "АНГАРА-1"
Описываемая ниже методика доработки радиостанции "Ангара" - развитие и усовершенствование ранее опубликованного способа переделки радиостанции в КВ трансивер ( http://rw6hry.qrz.ru ). В отличие от первого варианта , теперь потребуется значительно меньше усилий для получения окончательного результата . Потребуется установить всего одну дополнительную плату на имеющееся свободное место . Кроме того , дополнительные возможности делают эксплуатацию радиостанции более комфортной . Краткие характеристики после переделки радиостанции .
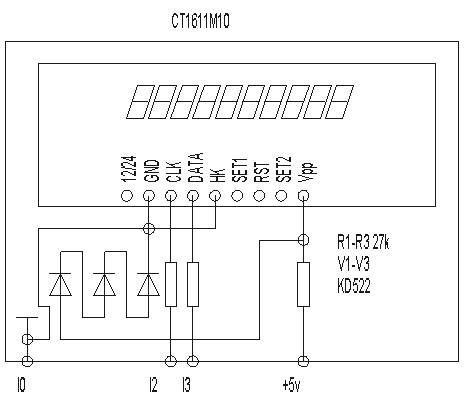
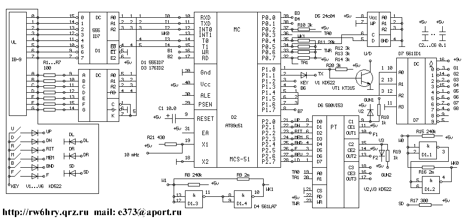
Данная методика поддерживает 2 способа смены боковой полосы - замена ЭМФ или замена опорного гетеродина с 500 кГц на 497 кГц . Во втором случае возможна настройка сдвига показаний частоты на 3 кГц , с шагом 100 Гц , что позволяет точно настроить гетеродин на скат характеристики ЭМФ (например , если потребуется настроить гетеродин на частоту 497,3 кГц , сдвиг частоты настройки можно установить 2700 Гц ) . Таким образом индикация будет соответствовать рабочей частоте . Схема блока приведена на рис.1 . Он выполнен на базе однокристального микроконтроллера АТ89с51 . В качестве индикатора используется 9-ти разрядный отечественный индикатор динамического типа - ИБ-9 , или широко распространенный 10-ти разрядный ЖКИ - индикатор СТ1611М10 , применяемый в АОНах .
Рис.1. Схема блока На микросхемах D1,D3 выполнен узел динамической индикации . В качестве индикатора можно использовать любой совместимый индикатор , подходящий по размерам . ИБ-9 имеет малые размеры , позволяющие разместить его над регулятором громкости и переключателем рода работы непосредственно под пластиковой передней панелью радиостанции .
При использовании индикатора ЖКИ , микросхемы D1,D3 и резисторы R1-R7 можно не устанавливать . Индикатор ЖКИ подключается к контактам I2 , I3 блока . Для идентификации этого типа индикации , нужно установить перемычку с вывода I0 блока на корпус .
Клавиатура состоит из 6-ти кнопок . Удобно использовать малогабаритные кнопки , применяемые в импорных телевизорах для настройки . Они стоят недорого , занимают мало места и довольно надежны . Для кнопок изготавливается печатная плата примерно 22х32 мм из одностороннего текстолита толщиной 1 мм , на которой печатным способом или просто резаком делаются посадочные места для кнопок .Полученная плата приклеивается с левой стороны от индикатора . Диоды V1-V6 на клавиатуре можно не устанавливать . В этом случае следует помнить о том , что нельзя одновременно нажимать две кнопки , это вызовет неправильную установку частоты . На микросхеме D5 - 24с04 выполнена энергонезависимая память . На микросхеме D6 - 580ВИ53 выполнены ДПКД , которые заменяют ДПКД1 и ДПКД2 синтезатора радиостанции . Микропроцессор непосредственно управляет этими ДПКД , устанавливая таким образом рабочую частоту радиостанции . На микросхеме D7 выполнен дешифратор ГУН1 . Сигналы с дешифратора включают требуемый ГУН , в зависимости от рабочей частоты . На микросхеме D4 выполнен формирователь сигналов валкодера . Фотодиоды валкодера DL,DR и светодиод SD подключаются к соответствующим выводам блока . На транзисторе VT1 выполнен узел управления переключением боковой полосы . Когда транзистор открыт , установлена верхняя боковая полоса . Выход U/D нужно подавать на вход транзисторного каскада , управляющего реле , которое переключает ЭМФ или опорные гетеродины . Блок управляется с клавиатуры и от валкодера . При нажатии кнопок выполняются следующие функции .
Эти команды относятся к работе с ячейками памяти . В данной схеме используется энергонезависимая память , позволяющая организовать 30 ячеек памяти , по 10 на каждый диапазон . Две из них отводятся под текущее значение частоты гетеродина (VFO A B) . Оставшиеся 8 используются как обычные ячейки памяти для запоминания различных полезных или важных частот. Деление это несколько условное и связано со способом записи и хранения информации в них . Номер ячейки памяти отображается слева от частоты в виде цифры от 0 до 9 . Специальная команда - удержание кнопки [М] в течение более 2 сек переключает режим работы с VFO и с ячейками памяти . В режиме работы с VFO кнопка [М] переключает VFO A и B , при этом номер соответственно отображает 0 или 1 . В режиме работы с памятью номер будет 2...9 . Отличие при работе в этих режимах заключается в том , что изменение частоты произведенное в процессе работы в VFO A B запоминается при смене режимов работы , смене диапазона , выключении питания , а частота записанная в ячейки 2...9 командой записи , является исходной при любой смене режима работы . Изменение частоты , произведенное в процессе работы никак не отражается на содержимом этих ячеек памяти . Запись в ячейки памяти производится из режима VFO . Последовательное нажатие кнопок [F],[М] переводит систему в режим записи частоты текущего VFO в ячейку памяти . Дальнейшее нажатие кнопки [М] циклически переключает номер ячейки памяти , в которую будет произведена запись . Процедура заканчивается нажатием кнопки [F] . Находясь в режиме работы с памятью , (на индикаторе отображается номер 2..9) можно загрузить текущий VFO содержимым текущей ячейки памяти нажав [F],[М] .
Блок собирается на односторонней печатной плате размером 77х65мм .
Блок управления устанавливается с нижней стороны платы синтезатора на месте платы коммутации , используемой в малоканальном варианте , на стойках высотой 14мм , деталями вниз . Все соединеня нужно выполнять тонким изолированным проводом , например МГТФ-0.12 , по кратчайшему растоянию .Питание блока осуществляется от отдельного стабилизатора на микросхеме 142ЕН5 , которая закрепляется на корпусе недалеко от платы блока . Непосредственно ко входу микросхемы нужно подключить малогабаритный конденсатор емкостью 2000 мкф х16в , который защитит блок от помех при переключении режимов работы радиостанции .Клавиатура распаивается к одноименным выводам блока управления . Выводы DR и DL валкодера подключаются ко входам W0,W1 блока . Вход "10 мГц" блока подключается к сигналу опорного генератора 10 мГц , усиленному транзисторами Т1 , Т2 ( точка соединения коллекторов Т1,Т2 и выв.14 микросхемы У1 ) . Вход "Тх" подключается к тангенте передачи . При непосредственном подключении , возможны сбои в работе блока из-за выбросов напряжения на реле , для исключения которых необходимо зашунтировать этот сигнал конденсатором , емкостью 0.1...0.47 мкФ . Выходы G1-G7 подключаются соответственно к контактам 1-7 У11 ( ГУН 1) синтезатора . G8 не используется . На вход "GUN1" блока подается сигнал с выв.8,9,10,11 микросхемы У15 (136ТВ1) синтезатора . Сигнал "F1" блока подается на выв.2 блока У10 (ДИФ) . Цепь , которая ранее была подключена к этому выводу , нужно разорвать . На вход "GUN2" блока нужно подать сигнал с выхода 4 У33 (ГУН-2М) синтезатора . С выхода "F2" блока сигнал подается на выв. 1 У32 (ДИФ) синтезатора через дополнительный конденсатор номиналом 560 пф . Конденсатор припаивается непосредственно к выв. 1 У32 . К этой же точке припаивается дополнительный резистор .номиналом 330 кОм , второй вывод которого подключается на корпус . Цепь , которая ранее подключалась к выв. 1 У32 необходимо разорвать . Выходы В1-В7 блока управления не используются . Найти малогабаритный валкодер довольно затруднительно . Простой и надежный вариант - использование неисправной компьютерной мышки . Самая распространенная неисправность мышек - выход из строя кабеля , поэтому начинка мышки чаще всего оказывается исправной . Один из дисков с метками укрепляется на оси малогабаритного переменного резистора . Для этого резистор разбирается , на задней части оси нарезается резьба М3 . У диска удаляется ось , по центру просверливается отверстие 3мм . Диск закрепляется при помощи 2-х тонких гаек . Оптопара аккуратно отпиливается от платы мышки и закрепляется в нужном месте . Количество рисок обычно равно 30-40 , что обеспечивает оптимальное значение Гц/оборот . Диск можно изготовить самостоятельно , просверлив по кругу отверстия 1 мм с шагом 1 мм . При использовании отдельных оптопар для разных направлений , смещением их относительно друг друга , нужно добиться сдвига фаз импульсов валкодера на 90 градусов .Иногда попадаются мышки , у которых фотодиоды подключаются не на корпус , а на +5в .В этом случае нужно немного изменить схему входных формирователей . Нужно удалить резисторы R8,R15 , а между входами W0,W1 и корпусом установить резисторы номиналом 4...7 кОм . Настройку нужно начинать с блока управления . При первых включениях микропроцессор из панельки лучше вынуть . Наличие уровня напряжения больше 5в на любом выводе , немедленно выводит его из строя .После включения , проверяются напряжения на выводах панельки . На выв. 40,31 должно быть +5в . На выв.9 должно быть +5в при включении и плавно падать до нуля . Установив в панельку микросхему , нужно убедиться в наличии генерации 10 мГц на выв. 19 .О функционировании контроллера свидетельствует наличие импульсов на выв. 29,30 D2 .На индикаторах должна отобразиться частота . Если отображения нет , нужно проверить цепи индикации . Настройка валкодера сводится к получению сдвига 90 градусов между импульсами . Это можно сделать сдвигом оптопар , при помощи осциллографа с внешней синхронизацией или просто до получения уверенной работы в обеих направлениях . Переделка приемо-передатчика для работы на нижней боковой полосе выполняется исходя из выбранного способа . В случае переключения ЭМФ , потребуется комплект ЭМФ на верхнюю боковую полосу . Добавочные ЭМФ при помощи реле должны заменять штатные ЭМФ . Сигнал для управления реле берется с блока управления . В случае переключения опорного гетеродина нужно собрать дополнительный кварцевый генератор на частоту 497 кгц и подключать его при помощи реле вместо штатного сигнала 500 кГц . 20.03.2004 г. Попов Евгений Александрович http://rw6hry.qrz.ru
|



