Что-то не так?
Пожалуйста, отключите Adblock.
Портал QRZ.RU существует только за счет рекламы, поэтому мы были бы Вам благодарны если Вы внесете сайт в список исключений. Мы стараемся размещать только релевантную рекламу, которая будет интересна не только рекламодателям, но и нашим читателям. Отключив Adblock, вы поможете не только нам, но и себе. Спасибо.
Как добавить наш сайт в исключения AdBlockРеклама
Блок управления радиостанции ";Ангара";
Блок управления радиостанции "Ангара"
|
Попов Евгений Александрович RW6HRY |
Одной из приятных сторон радиолюбительства является возможность организации всевозможных экзотических радио-экспедиций. Часто экспедиции проходят в таких экстремальных условиях, что наличие связи определяет уже не место в призовой таблице, а саму возможность благополучного завершения приключения. Это тот самый случай, когда запас надежности – не пустой звук. При выборе трансивера для работы в жестких походных условиях приходится решать сложную задачу. Не каждый аппарат выдержит подобные испытания. Можно сформулировать перечень минимальных требований к походной радиостанции.
- небольшой вес
- возможность аккумуляторного питания
- хорошая защита от погодных условий (влагозащита)
- широкий диапазон рабочих температур
- ударопрочный корпус
- большой запас надежности всех узлов
- достаточные функциональные возможности
- удобное управление
- хорошие характеристики приемного тракта
- возможность работы передатчика на произвольную нагрузку
При всей минимальности требований, из существующей аппаратуры за адекватную сумму не удастся найти подходящую кандидатуру. Среди любительских импортных трансиверов нет ни одного, удовлетворяющего п.п. 3-6 . Профессиональная импортная аппаратура не рассматривается по причинам недоступности.
Среди отечественной аппаратуры картина противоположная. Промышленные любительские трансиверы отсутствуют как класс, зато доступен широчайший выбор профессиональной аппаратуры, обладающей почти всеми перечисленными достоинствами, за исключением небольшого минуса. Для их транспортировки потребуется обоз из тяжелых грузовиков. Более всего в качестве малогабаритной походной радиостанции подходит старая добрая «АНГАРА». Мало найдется трансиверов, которые смогут порадовать владельца нормальной работой после падения на камни с полутораметровой высоты или получасового пребывания на дне реки. По сравнению с Ангарой, в такой ситуации импортный трансивер будет выглядеть бледно. Приведенному перечню требований эта станция отвечает не в полной мере, но самые важные пункты как раз на должном уровне. Кроме того, при небольших затратах можно довести радиостанцию до требуемого уровня .
Особо стоит отметить вопрос использования антенного хозяйства в экспедиции. В современной электромагнитной обстановке параметры приемника уже не играют решающей роли. Уровень помех таков, что принять слабый сигнал невозможно как простым самодельным приемником, так и самым ультрасовременным. В этом смысле приемник Ангары обладает даже избыточными параметрами. Совсем другое дело антенны. Грамотно спроектированная, настроенная антенная система – хороший резерв в улучшении качества связи. Походные антенны должны быть разборными для облегчения транспортировки. На каждом новом месте проводится полный комплекс работ – сборка, монтаж, настройка. Окружающие предметы всякий раз создают уникальную конфигурацию параметров антенно-фидерной сиситемы, а неточности в настройке и согласовании антенны - это драгоценные крупицы энергии батареи, потраченные на бесполезный нагрев корпуса трансивера и окружающего пространства. Современный антенный тюнер согласует с передатчиком любой подручный металлический предмет, однако удастся ли на нем провести радиосвязь, большой вопрос. Поэтому в походной радиостанции весьма желательна возможность контроля резонансной частоты и сопротивления антенны. Это позволит в процессе монтажа произвести подстройку, а затем в процессе работы производить согласование и контроль. Причем не требуется измерять сопротивление антенны до долей ома прибором, равным по стоимости трансиверу. Достаточно, во первых корректировкой размеров убрать до минимума реактивную составляющую сопротивления антенны на рабочей частоте, во вторых трансформировать полученное активное сопротивление в величину, доступную для согласования тюнером трансивера.
Описываемая ниже методика позволяет из бесполезной промышленной «рации» получить вполне приличный походный КВ трансивер с неплохими характеристиками и возможностями. Улучшение эксплуатационных качеств «Ангары», связано в основном с добавлением новых функциональных возможностей, ранее у нее отсутствовавших :
- управление частотой при помощи валкодера
- 2 независимых VFO
- 30 ячеек энергонезависимой памяти
- выбор требуемой боковой полосы
- расстройка в пределах всего диапазона
- режимы “SPLIT”, “CROSSBAND”
- автоматический КСВ-метр, S-метр
- панорамный индикатор
- анализатор КСВ
- NOTCH фильтр
- автоматический антенный тюнер с памятью настроек
Переделка радиостанции заключается в модернизации некоторых ее блоков для улучшения характеристик приемо-передатчика и добавлении новых блоков. Дополнительно потребуется изготовить и установить 3 блока – блок управления, блок НЧ и блок автоматического согласующего устройства (тюнер). В зависимости от предъявляемых требований и соответственно объема дополнительных возможностей, количество устанавливаемых блоков может быть уменьшено. К примеру, если изготовить только блок управления, станут доступны пункты 1-6. Пункт 10 относится к блоку НЧ, пункт 11 к тюнеру.
В «Ангаре» уже имеется довольно неплохой ручной тюнер, поэтому его вполне можно и не переделывать, хотя возможности автоматического тюнера с памятью и предварительной настройкой, могут весьма существенно сэкономить время для проведения радиосвязей, если во время развертывания антенны произвести авто-настройку. При этом появляется возможность безподстроечной работы во всем диапазоне работы радиостанции.
Пункты 7-9 можно добавить и без установки блока НЧ. Достаточно изготовить датчики КСВ и S-метра, расположенные в блоке НЧ и подключить их отдельно.
Доработка приемопередатчика заключается в добавлении регулировок усиления по ПЧ, изменении постоянной времени и характеристики АРУ, введении режима работы на нижней боковой полосе.
Введение режима нижней боковой полосы неоднократно обсуждалось в различных публикациях. В основном применяется 3 способа :
- замена ЭМФ
- замена опорного гетеродина 500 кГц на дополнительный гетеродин 497 кГц
- получение сигнала 2-го гетеродина 11,2 мГц путем смешивания сигнала опорного гетеродина 10,2 мГц с частотой 1 мГц.
При использовании гетеродина на 497 кГц требуется коррекция показаний частоты. В блоке управления эта возможность предусмотрена.
Следует отметить, что корректным способом смены боковой полосы в «Ангаре» следует считать только 2-й способ . Первый и третий способы можно использовать только при условии замены кварцевого фильтра 10.7мГц на фильтр с более широкой полосой пропускания . В противном случае во всем диапазоне частот с интервалом в 10 кГц будут наблюдаться провалы уровня сигнала на прием и на передачу . Это связано с особенностями формирования сигналов в синтезаторе частоты и выбранной структурной схемой радиостанции, рассчитанной для работы только с верхней боковой полосой.
Далее будет рассмотрен только 2-й способ получения нижней боковой. Если радиостанция многоканальная, введение дополнительного гетеродина уже позволяет начать полноценно работать на 3-х любительских диапазонах 1.8 , 3.6 , 7.0 мГц.
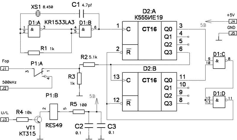
Найти кварцевый резонатор на частоту 497 кГц довольно затруднительно, поэтому хорошим решением будет использование генератора на более высокую частоту с последующим делением. Кроме хорошей стабильности, это позволяет получить бонус в виде более чистого спектра сигнала гетеродина.
В данной схеме применено деление на 17 . Вход U/L позволяет выбрать нужную боковую полосу. Он подключается либо к одноименному выводу блока управления, либо к переключателю выбора боковой полосы.
Тем, кому не повезло с наличием в ящике стола кварца на частоту 8.450 мГц, не стоит отчаиваться. Существуют и другие коэффициенты деления, кроме 17. Можно попытаться исследовать имеющиеся кварцы на возможность применения. Поделив частоту кварца на 497, нужно посмотреть насколько близко к целому числу находится результат. Если разница в пределах 0.1, есть шанс, что удастся сместить частоту кварца при помощи последовательной емкости или индуктивности на нужную частоту.
Для изменения коэффициента деления, следует несколько изменить схему. Элементы D1c и D1d исключаются. Между выводом 2 D2 и +5в включается резистор 1 кОм. Затем требуемый коэффициент деления переводится в двоичный вид. Это можно сделать при помощи калькулятора Windows. Например, коэффициент 19 в двоичном виде выглядит как 10011 . Выходы м.с. D2, соответствующие лог. 1 в этом двоичном числе, должны быть соединены через диоды с выводом 2 D2 . Аноды диодов подключаются к выв. 2 D2. В данном случае это будут выводы 3,4,11. Подобным образом можно получить коэффициент деления в диапазоне от 2 до 255. Если в двоичном числе присутствуют только 2 единицы, вместо диодов и резистора можно оставить элементы D1c и D1d, переключив их на требуемые выходы D2. Также нужно правильно подключить резистор R2, для получения выходного сигнала в зависимости от коэффициента деления. Желательно иметь скважность сигнала близкую к 2.
Печатная плата размером 43х33мм изготовлена из одностороннего фольгированного текстолита толщиной 1мм по ЛАЗЕРНО-УТЮЖНОЙ ТЕХНОЛОГИИ.


Плата устанавливается сверху на плату синтезатора частоты. Предварительно на плату приклеивается изоляционная прокладка .

Крепится плата путем припаивания вывода GND к общему проводу и свободного контакта к проводнику +9в на плате синтезатора. Для дополнительной фиксации, на крышку радиостанции следует приклеить кусок микропористой резины. Питание +5в берется с контакта «73» синтезатора .
Настройка опорного гетеродина заключается в подборе частоты при помощи конденсатора С1 таким образом, чтобы она соответствовала нижнему скату характеристики ЭМФ. Практически это означает минимальный уровень несущего сигнала на передачу и одновременно достаточное количество низкочастотных составляющих в принимаемом сигнале. Следует помнить, что частота, установленная переключателями, будет выше, чем реальная частота работы станции на нижней боковой полосе примерно на 3 кГц, и простыми способами эту ситуацию исправить нельзя. С блоком управления эта проблема отсутствует.
Если желание просто работать в эфире уступает желанию работать в эфире с комфортом, придется двигаться дальше по пути модернизации радиостанции. Следующим шагом будет установка блока управления.
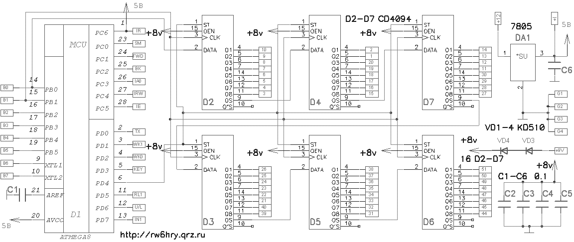
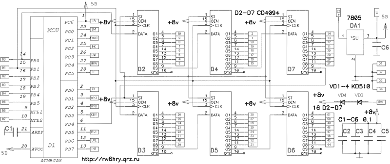
Блок выполнен на базе микроконтроллера ATMega8. Его задача – управление синтезатором
частоты и автоматическим тюнером, а также измерение, вычисление и индикация значений S-метра и КСВ-метра.
Печатная плата размером 76х66мм изготовлена из одностороннего текстолита.


Блок устанавливается снизу платы синтезатора на стойках высотой 13мм на месте блока дешифраторов малоканального варианта.

Монтаж осуществляется проводом МГТФ-0.12. Питание блока +9в берется на плате синтезатора. Контакт +I подключается к выв.14 графического индикатора. Входы SM, BK, FWD подключаются соответственно к датчикам S-метра, отраженной и падающей волны. Тх – вход тангенты прием-передача. При подаче на этот вход низкого уровня, блок управления переходит в режим передачи.


Уровень напряжения на этих входах не должен превышать 5в. Ко входам WK0,WK1 подключается валкодер. В качестве него можно использовать готовый механический энкодер, либо одну из самодельных конструкций оптического валкодера , например такую. В качестве сдвиговых регистров D2-D7 можно применить микросхемы 1561ПР1. Выходы сдвиговых регистров подключаются к одноименным входам синтезатора радиостанции. Расположение контактов на верхней и нижней стороне платы синтезатора показано на фото.


Клавиатура выполнена в виде печатной платы размером 58х20мм, расположенной на передней панели. Для ее крепления нужно просверлить 2 отверстия и нарезать резьбу. Клавиатура подключается к одноименным выводам блока управления .


Если плату клавиатуры расположить на месте органов управления ручным тюнером, то на освободившемся месте в верхнем ряду можно установить 2 дополнительных регулятора, например регулятор DSB и регулятор усиления по микрофону. Для введения регулировки DSB можно использовать схему блокирования передатчика в режиме приема.
Графический индикатор фирмы «МЭЛТ» МТ6116 располагается на передней панели. Для его крепления необходимо просверлить 2 отверстия и нарезать резьбу. Индикатор подключается к одноименным выводам блока управления . Подсветка подключается к источнику питания 5в.

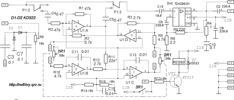
Идея замены блока УНЧ связана с добавлением NOTCH фильтра и улучшением качества НЧ сигнала. Также на новой плате расположен детектор сигнала S-метра.
Контакты платы 7in, 8U, 4U, 12v5 платы подключаются к проводникам, отключенным от блока УНЧ Ангары соответственно 7,8,4 и 5 . УНЧ выполнен на микросхеме TDA2003, включенной по типовой схеме. NOTCH фильтр - на микросхеме 1401УД2А или любом другом счетверенном операционном усилителе. При использовании импортных микросхем нужно обратить внимание на расположение выводов питания. Часто они поменяны местами при совпадении цоколевки остальных выводов. В этом случае обычно микросхема просто вставляется в плату с разворотом на 180 градусов. Спаренный резистор 1R1,2R1 располагается на передней панели и имеет выключатель, который позволяет включать фильтр в случае необходимости. С платой его нужно соединять экранированными проводами. Ширина полосы режекции фильтра может быть изменена при помощи резистора R11. Вход ARU платы подключается к выходу усилителя АРУ приемопередатчика (выв.3 А3 - 504УН1Б).

Резистором R9 во время настройки нужно установить уровень сигнала S-метра не более 1.25в. Выход SM подключается к одноименному входу блока управления. На фото также показан дополнительный регулятор усиления по ПЧ и доработка системы АРУ радиостанции. Резистор 330 кОм устанавливается на передней панели радиостанции. Напряжение -6.5в берется с контакта 52 платы синтезатора. Все соединения необходимо выполнить экранированным проводом. Модернизация системы АРУ заключается в уменьшении емкости конденсатора С43 до 10 мкФ и вводе дополнительных элементов VD1, VD2 КД522 и C1 - 1.0х50 мкФ .
Плата размером 92х54мм изготовлена из одностороннего текстолита.



Автоматический антенный тюнер использует основной процессор в качестве управляющего устройства. На плате тюнера расположены сдвиговые регистры, ключи и реактивности. Тюнер выполнен по Г-образной схеме. Реактивности представляют собой магазины элементов, управляемых по двоичному закону. Для этого их номиналы изменяются в степени 2 . Например индуктивность состоит из 7 разрядов – 10 мкГн,5мкГн,2.5мкГн,1.25мкгн,0.625мкГн,0.3мкГн,0.16мкГн. Блок управления, выдавая код в диапазоне 0-127, может выбрать индуктивность в диапазоне 0-20мкГн с шагом 0.16 мкГн. Это позволяет с допустимой погрешностью подстроить КСВ антенной системы. Аналогичным образом выбирается емкость в диапазоне 0-1760пф с шагом 6.8пф. Кроме того, емкость, при помощи реле Р8 может быть переключена как на вход тюнера, так и на выход. Это позволяет согласовывать сопротивление антенны как выше, так и ниже 50 Ом. Теоретически с выбранными значениями реактивностей, диапазон согласуемых активных сопротивлений составляет на частоте 1.8 мГц – 25 Ом … 1 кОм , на частоте 7 мГц – 4 Ом … 5 кОм. На практике, диапазон будет существенно меньше из-за наводок.
Типичная диапазонная антенна, при перестройке по частоте от 1 до 8 мГц может изменять свое сопротивление от 0 до десятков кОм. Реактивная составляющая сопротивления может принимать существенные значения. Из-за этого настраивать узкополосную антенну тюнером для работы во всем диапазоне 1-8 мГц обычно нет смысла. Эффективность такой антенны будет весьма низкой. Более правильным будет использовать для каждого диапазона свою антенну. Для каждой из них нужно произвести согласование и сохранить параметры настройки. В блоке управления, на выходе м.с. D6 имеются сигналы, соответствующие единицам мегагерц частоты настройки. В случае необходимости их можно использовать для управления автоматическим антенным переключателем.
Входы RL1, B0, B1, +8в подключаются к одноименным входам блока управления, выход OUT к антенному гнезду. Катушки тюнера L1-L7 изготавливаются из колец диаметром 12-15мм марки 10ВЧ. Катушки с малой индуктивностью можно сделать бескаркасными. Пока катушка имеет достаточную конструктивную прочность, ее можно делать бескаркасной. Диаметр провода 0.8-1 мм. Индуктивность необходимо контролировать как в процессе изготовления катушек, так и после монтажа в тюнер. Для установки требуемого номинала индуктивности или емкости нужно воспользоваться возможностями блока управления по ручной настройке тюнера. Необходимо проконтролировать, как изменяется индуктивность при установке кода от 0 до 127, и в случае необходимости подкорректировать индуктивность соответствующего разряда. Аналогичные требования предъявляются к подбору емкостей С1-С8. От точности подбора емкостей и индуктивностей в значительной мере зависит эффективность работы тюнера. В качестве сдвиговых регистров DD1-DD2 можно применить микросхемы 1561ПР1. Тюнер собирается на односторонней печатной плате размером 104х57мм.


Для установки тюнера потребуется демонтировать ручной тюнер и на его место установить автоматический .


Датчик падающей и отраженной волны включается между выходом усилителя мощности и входом IN тюнера.

Катушка L1 мотается на кольце диаметром 12мм марки 10-30ВЧ проводом пэл-0.22 и содержит 2х20 витков. Первичная обмотка представляет собой 1.5 витка провода идущего от усилителя мощности. Диоды желательно применить германиевые. Датчик представляет собой обычный КСВ – метр. Требования по монтажу и настройке таких устройств многократно описаны в литературе. Блок управления имеет по входам BK и FWD автоматическую цифровую регулировку усиления, поэтому выходное напряжение датчика может быть в диапазоне 0-5в. Из соображений безопасности это напряжение не должно превышать 5в, а из соображений точности должно быть как можно ближе к границе 5в.
Блок управления выполняет следующие команды:
[RIT] – включение – выключение расстройки. Отображается значком ‘r’ на дисплее
[F],[RIT] - включение – выключение режима SPLIT . Отображается значком ‘c’ на дисплее. В
этом режиме частота приема располагается в VFO A, частота передачи в VFO B. Поменять местами их можно командой [F],[VFO].
[U/L] – переключение верхней/нижней боковой полосы. Отображается значком ‘u’ ,’L’ на дисплее.
[MODE] – Переключение режимов работы радиостанции. Циклически переключает 4 режима работы:
- режим работы на поиск. Слева расположен S-метр. Имеет удобные, крупные цифры частоты

- режим работы на общий вызов. Имеет более подробный S-метр

В этих режимах при переходе на передачу дополнительно отображается значение КСВ а вместо S-метра отображается уровень падающей и отраженной волны. При этом полоска индикатора разделяется на 2 части, показывающие соответственно падающую и отраженную волну, что позволяет постоянно контролировать состояние антенны. Автоматический измеритель КСВ может измерять значение КСВ в диапазоне 1.0 … 9.9 .

- режим панорамного индикатора. Используется для просмотра окружающей обстановки. Слева – вверху расположена частота. В этом режиме происходит сканирование в диапазоне +-60 кГц вокруг рабочей частоты, с отображением уровня принимаемого сигнала. Валкодером можно изменять центральную частоту.

- режим анализатора КСВ. В этом режиме происходит анализ КСВ в диапазоне +- 60 кГц. Валкодером можно изменять центральную частоту для поиска резонансной частоты антенны. Для правильного отображения нужно переключателем режима работы включить режим настройки радиостанции и нажать тангенту. КСВ отображается от 1.0 до 4.0. Для проверки состояния антенны на рабочей частоте, нужно отключить тюнер, включить анализатор КСВ, оценить поведение КСВ в диапазоне сканирования и в случае необходимости корректировкой размеров антенны подогнать минимум КСВ на рабочую частоту. После чего можно использовать тюнер для согласования сопротивления.

[F],[MODE] – команда блокирования процессора блока управления. В этом режиме блок управления полностью выключается, фиксируя радиостанцию в последнем выбранном режиме. Можно работать на прием и на передачу только в режиме , который был до блокировки. На дисплее отображается ‘LOCK’. Выйти из этого состояния возможно только путем выключения питания.

[TUNE] – в режиме приема включает/выключает тюнер. Включенный тюнер индицируется значком ‘T’ на дисплее. При включенном тюнере со сменой частоты происходит автоматическая установка его реактивностей в зависимости от текущей частоты из памяти. Начальная настройка тюнера (заполнение памяти частот) производится в режиме начальной инициализации, который будет описан позднее. В режиме передачи эта команда запускает автонастройку на текущей частоте. Для правильной автонастройки должен быть включен режим настройки радиостанции (режим генерации несущего сигнала). По окончании настройки состояние тюнера запоминается для текущей частоты. Если тюнер отключен, в режиме передачи автонастройка не производится.
[F],[TUNE] – режим ручной настройки тюнера. В этом режиме на дисплее отображается в верхней строке напряжение падающей волны (0-255), напряжение отраженной волны (0-255), КСВ (1.0-9.9),
В нижней строке – емкость (0-255), индуктивность (0-127) . Кроме того, расположение емкости и индуктивности на дисплее соответствует схеме согласующего устройства. С_L соответствует емкости на входе СУ , L_C соответствует емкости на выходе СУ. Кнопкой [MODE] выбирается схема C_L , кнопкой [TUNE] выбирается схема L_C . Изменение реактивности производится валкодером. Кнопка [RIT] переключает валкодер на управление индуктивностью, кнопка [U/L] переключает валкодер на управление емкостью. При нажатии кнопки [MEM] происходит выход с записью состояния тюнера в память, при нажатии кнопки [F] - выход без сохранения. Если тюнер отключен, этот режим не включается. Для правильной ручной настройки должен быть включен режим настройки радиостанции (режим генерации несущего сигнала) и включен режим передачи (тангента).

-[MEM]- переключение радиостанции в режим работы с ячейками памяти. На каждом диапазоне используется 10 ячеек памяти. Последующие нажатия [MEM] вызывают переключение следующей ячейки памяти (0-9). На дисплее отображается номер ячейки Ch0-Ch9. Валкодером в этом режиме можно менять частоту, однако на содержимом памяти это не отражается. Изменить ячейку можно только командой записи. Вид дисплея в этом режиме:

[F],[MEM] – запись текущей частоты в память или содержимого ячейки памяти в текущую частоту. После выполнения этой команды дисплей будет выглядеть как на предыдущем фото. Валкодером можно выбрать номер ячейки памяти, в которую или из которой будет произведена запись. Завершение операции записи производится либо кнопкой [MEM]- выход и запись текущей частоты в выбранную ячейку памяти, либо кнопкой [VFO] – выход и запись содержимого ячейки памяти в текущую частоту.
[BAND] – смена диапазона 1.8-3.6-7.0 . Деление на диапазоны условное. На любом диапазоне можно настроиться на любую частоту .
[VFO] – переключение в режим работы с VFO. Циклически переключаются VFO A – VFO B. В режиме приема на дисплее отображается VFO A или VFO B
[F],[VFO] – обмен содержимого VFO A и VFO B. Используется для работы в режиме SPLIT.
[F],(вращение валкодера) – если нажать кнопку [F] а затем начать вращать валкодер, сменится шаг перестройки. При повторном выполнении этой команды, шаг перестройки циклически меняется 100 гЦ – 1 кГц – 10 кГц.
Начальная инициализация блока управления запускается, если во время включения питания удерживать в нажатом состоянии любую кнопку. Появляется заставка.

Валкодером можно выбрать один из следующих режимов:
- Инициализация EEPROM. После нажатия кнопки [F], EEPROM заполняется начальными значениями, после чего радиостанция переходит в рабочий режим.

Полная автонастройка тюнера. После нажатия кнопки [F] блок управления ожидает перехода радиостанции на передачу.


Если режим передачи включен, начинается последовательная настройка тюнера с шагом 40 кГц в диапазоне 1000-8000 кГц и заполнение памяти тюнера найденными значениями. Во время автонастройки на дисплее отображается частота, КСВ, уровень падающей и отраженной волны. Время настройки определяется адаптивным алгоритмом тюнера и полностью зависит от поведения нагрузки на различных частотах. В тяжелых случаях полная настройка может занять несколько десятков минут. Необходимо проконтролировать, чтобы радиостанция не перегрелась. После достижения частоты 8000 кГц радиостанция переходит в рабочий режим.
Если в процессе настройки отпустить тангенту, блок управления заканчивает обработку текущей частоты и останавливается. В этот момент можно изменить текущую частоту при помощи валкодера. Такая возможность позволяет произвести выборочную настройку тюнера. Рассмотрим конкретный пример. Имеется 3 узкополосных антенны для 1.8, 3.6, 7.0 мГц. Требуется настроить тюнер для работы с этими антеннами.
К трансиверу подключается антенна для 1.8 мГц. Запускается автонастройка тюнера как описано выше, без нажатия тангенты. Валкодером устанавливается частота 1.7 мГц. После нажатия тангенты происходит автонастройка с частоты 1.7 мГц и далее с шагом 40 кГц. После прохождения частоты 2.2 мГц тангента отпускается. К трансиверу подключается антенна для 3.6 мГц , валкодером устанавливается частота 3.5 мГц и нажимается тангента. После прохождения частоты 3.8 мГц тангента отпускается. К трансиверу подключается антенна для 7.0 мГц , валкодером устанавливается частота 7 мГц и нажимается тангента. После прохождения частоты 7.2 мГц тангента отпускается. Для завершения процесса настройки частоту нужно подвести к верхней рабочей частоте радиостанции и нажать тангенту, либо нажать кнопку [F], после чего радиостанция переходит в рабочий режим. Вся процедура занимает не более 2-х минут. В результате, в памяти тюнера оказываются заполненными только необходимые участки диапазонов при минимальных затратах времени.
- Сдвиг частоты. В этом режиме валкодером можно установить сдвиг частоты для использования дополнительного гетеродина 497 кГц. На фото ниже показан сдвиг -3400 Гц для частоты гетеродина 496.6 кГц.
Выход из этого режима производится по нажатию кнопок: [M] – выход в начальное меню инициализации с сохранением введенного значения ,[F] – выход без сохранения .

- Тест реле тюнера.

После нажатия кнопки [F] валкодером можно включить выбранное реле. Номер реле отображается на дисплее. Для выхода из теста нужно нажать [F] .

-выход в рабочий режим. По нажатию кнопки [F] радиостанция переходит в рабочий режим.

При монтаже вновь устанавливаемых блоков следует применять правила монтажа высокочастотных устройств. Все проводники должны быть минимальной длины, при любой возможности нужно применять экранирование.
Антенную клемму желательно заменить разъемом СР-75. Для этого разъем закрепляется на пластине 18х18мм, установленной на корпусе при помощи стоек высотой 6мм и болтов 2.5мм, для которых нарезается резьба по месту.
Для защиты от импульсных помех и проблем с переключением режима работы радиостанции, необходимо добавить электролитический конденсатор 1000-2000 мкф по цепи питания 12в. Конденсатор можно установить возле усилителя мощности, как показано на фото. С этой же целью можно заменить один из блокировочных конденсаторов блока управления на электролитический.
09.11.2009 г.
Попов Евгений Александрович http://rw6hry.qrz.ru


