Что-то не так?
Пожалуйста, отключите Adblock.
Портал QRZ.RU существует только за счет рекламы, поэтому мы были бы Вам благодарны если Вы внесете сайт в список исключений. Мы стараемся размещать только релевантную рекламу, которая будет интересна не только рекламодателям, но и нашим читателям. Отключив Adblock, вы поможете не только нам, но и себе. Спасибо.
Как добавить наш сайт в исключения AdBlockРеклама
pwrsw
Блок дистанционного управления.
| Адрес статьи на сервере:[ http://www.qrz.ru/schemes/contribute/rw6hry/pwrsw.html
] |
|
(С) Copyright 1998-2000 Запрещается использование или модификация этого материала или любой составной его части (кроме использования в личных целях без извлечения выгоды ) без согласия автора . |
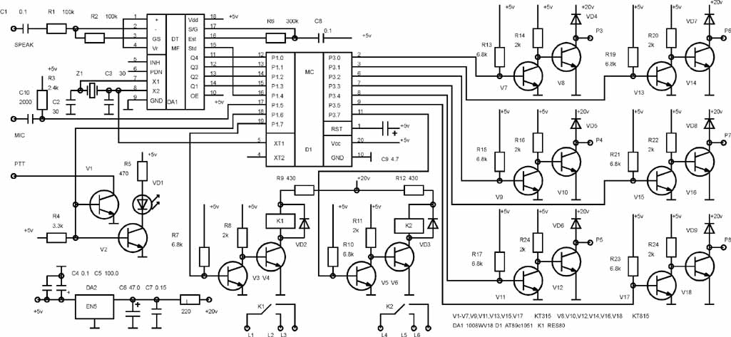
Описываемое ниже устройство предназначено для дистанционного управления различными нагрузками . В зависимости от примененных реле , мощность нагрузки может быть самой разной . Выходы реле можно подключить к магнитным пускателям , коммутирующим мощные двигатели , нагреватели и т.п. Предусмотрена возможность управлять магнитными пускателями с самоблокировкой . Блок подключается к радиостанции , установленной на управляемом объекте . Команды передаются при помощи DTMF клавиатуры носимой или стационарной радиостанции , работающей на частоте управляемой станции . Схема блока приведена на рис.1 .

Он выполнен на однокристальном микроконтроллере АТ89с1051 и DTMF декодере КР1008ВЖ18 . На выходы контроллера подключены 6 мощных ключей и два маломощных . Система команд блока ДУ . Команды , набираемые на клавиатуре удаленной станции представляют собой последовательность цифр и символов следующего вида .
ххххх х ххххх
^^^^^ - параметры команды (может быть 0-5 параметров)
^ - команда (цифры 1-8 , знак #)
^^^^^ - пароль ( состоит из 5-ти цифр )
набор команд
12345 1 включить первое реле на 0.5 с
выполнение команды подтверждается одним двухтональным сигналом и одним сигналом высокого тона
12345 2 включить второе реле на 0.5 с
выполнение команды подтверждается двумя двухтональными сигналами и одним сигналом высокого тона
12345 3 1 включить третье реле
выполнение команды подтверждается тремя двухтональными сигналами и одним сигналом высокого тона
12345 3 0 выключить третье реле
выполнение команды подтверждается тремя двухтональными сигналами и одним сигналом низкого тона
12345 4 1 включить четвертое реле
выполнение команды подтверждается четырьмя двухтональными сигналами и одним сигналом высокого тона
12345 4 0 выключить четвертое реле
выполнение команды подтверждается четырьмя двухтональными сигналами и одним сигналом низкого тона Аналогичные команды выполняются для реле 5-8 . Количество двухтональных сигналов показывает номер реле . Высокий тон - реле включено , низкий - выключено .
12345 # 54321 ввести новый пароль где 54321 - новый пароль
выполнение команды подтверждается двумя сигналами низкого тона и двумя сигналами высокого тона . по умолчанию установлен пароль 97325 . Он действует при включении питания . Новый пароль , введенный по этой команде действует до выключения питания , после чего снова устанавливается 97325 .
* Команда тестирования канала
При наборе этого символа включается передатчик и в течение 5с передает двухтональный сигнал . Пароль для этой команды не набирается .
Порядок работы с клавиатурой при вводе команд .
При вводе команд можно делать паузы между символами произвольным образом но не более 5с . Если в течение 5с не поступает новый символ , система прекращает ввод и переходит к анализу и выполнению команды . Если при вводе команды была допущена ошибка , система не выполнит никаких действий и просигнализирует об ошибке следующим образом
- неверно введенный пароль - два сигнала высокого тона
- неверная команда - высокий тон , низкий тон
- неверные параметры - низкий тон , высокий тон
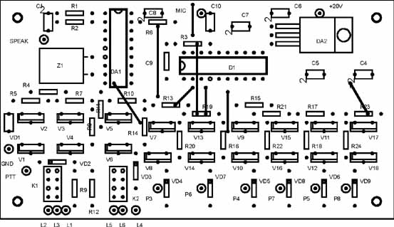
Блок выполнен на односторонней печатной плате рис. 2,3.


Кварцевый резонатор используется на частоту 3.579 мГц .
Подключение и настройка блока .
Для питания блока нужно использовать источник питания постоянного тока напряжением 20-24в в зависимости от примененных реле . Максимальный ток зависит от тока потребляемого реле . Возможно потребуется подобрать резистор 220 ом , включенный для ограничения тока последовательно с ЕН5. Его номинал должен быть таким , чтобы входное напряжение ЕН5 было в пределах 9-11в . Максимальное напряжение выходных транзисторов около 40в, поэтому питающее напряжение может быть до 30в . Для уменьшения теплоотделения выходными транзисторами можно включить последовательно с обмотками мощных реле резисторы мощностью 0.5-1 вт , сопротивлением 50-100ом . Подбор сопротивления выполняется так . Подбирается максимальное сопротивление , при котором реле уверенно срабатывает , после чего номинал уменьшается на 10-15 % . Максимальный ток , отдаваемый выходными каскадами ограничен резисторами базовых цепей (например R13,R14) . Если реле очень мощное и тока недостаточно , можно попарно уменьшить номиналы этих резисторов для увеличения максимального тока . Нужно обратить внимание на хорошую фильтрацию питающего напряжения , в противном случае возможны сбои при срабатывании реле , вызванные прохождением импульсных помех по цепям питания . При первом включении желательно вынуть процессор из панельки . Подав питание убедиться , что напряжение на выв 20 процессора равно +5в . После этого процессор можно установить , выключив предварительно питание. Косвенно о работоспособности блока говорит загорание светодиода VD1 на 2 сек при включении питания . Подключается блок к симплексной радиостанции так . Вход SPEAK подключается к выходу громкоговорителя р/ст , вход MIC на микрофонный вход , вход PTT на вход прием-передача р/ст . При открывании транзистора VT1 вход PTT подключается на землю и переводит р/ст на передачу . Корпус блока подключается к корпусу р/ст . Далее проводится подстройка НЧ сигнала для сопряжения уровня DTMF . Для этого нужно нажав на носимой станции любую кнопку DTMF и тангенту передачи убедится , что сигнал DTMF проходит на м/сх DA1 . Регулируя громкость сигнала регулятором громкости базовой р/ст и контролируя сигнал на выводе 15 м/сх DA1 , найти диапазон уровней громкости сигнала , при котором происходит уверенное декодирование DTMF , о чем свидетельствует наличие логической 1 на выв. 15 DA1 . Если к примеру этот диапазон смещен в сторону максимальных значений громкости , можно увеличить номинал R1 , после чего провести повторную проверку . Если напротив , диапазон смещен в сторону минимума громкости , можно увеличить номинал R2 , после чего , повторить проверку . Затем регулятор громкости нужно установить посередине найденного диапазона громкости . Это обеспечит уверенную работу при различных условиях .