Что-то не так?
Пожалуйста, отключите Adblock.
Портал QRZ.RU существует только за счет рекламы, поэтому мы были бы Вам благодарны если Вы внесете сайт в список исключений. Мы стараемся размещать только релевантную рекламу, которая будет интересна не только рекламодателям, но и нашим читателям. Отключив Adblock, вы поможете не только нам, но и себе. Спасибо.
Как добавить наш сайт в исключения AdBlockРеклама
Блок управления для радиостанции Р-143
Блок управления для радиостанции Р-143.
Радиостанция Р143 подробно описана в журнале "Радиолюбитель КВ и УКВ" N2/1997 г. Там же приведены полные принципиальные и функциональные схемы всех узлов . Схема радиостанции была также опубликована на СКР . Малые габариты , низковольтное питание , продвинутая структурная схема приемо-передающего тракта , хорошие технические параметры станции привели к тому , что многие радиолюбители используют ее в качестве КВ трансивера . Для использования в качестве КВ трансивера , нужно как минимум ввести возможность работы на нижней боковой полосе . Для этого обычно добавляют кварцевый гетеродин на частоту 23.5 мГц . Шаг перестройки по частоте составляет 1 кГц . Для плавной настройки в пределах 1 кГц вводят расстройку в дополнительный гетеродин . Пользоваться переделанной таким образом станцией , для работы в эфире , крайне неудобно . При работе на общий вызов , когда не требуется оперативно изменять частоту , еще можно смириться , но работать на поиск почти невозможно .
Описываемая ниже конструкция является доработанным и усовершенствованным вариантом блока управления , опубликованного ранее . Отличия заключаются в следующем :
После переделки радиостанция получает следующие возможности .
Доработки относятся к синтезатору радиостанции , в котором удаляется плата ДПКД , плата УмЧ и галетные переключатели набора частоты . На место платы ДПКД устанавливается блок управления , выполняющий функции ДПКД и остальные функции , описанные выше . На место платы УмЧ устанавливается блок опорных гетеродинов 22.5 - 23.5 мГц , выполненный либо в виде кварцевых генераторов , либо в виде дополнительного синтезатора частоты .
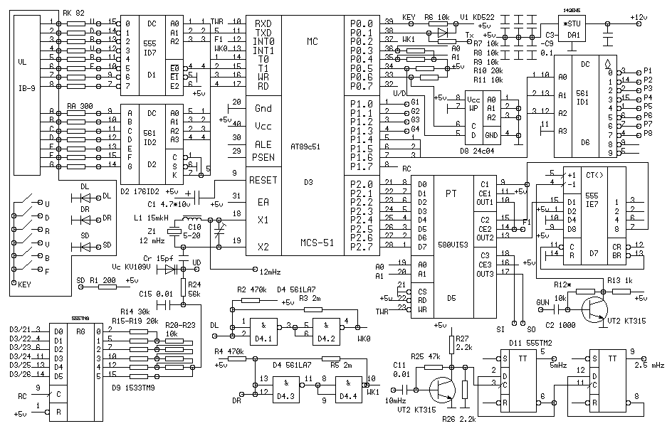
На месте галетных переключателей размещаются светодиодные индикаторы , валкодер и кнопки . Схема приведена на рис . 1 . АТ89с51 составляет основу конструкции и выполняет управляющие функции . На D5 - 580ВИ53 выполнен ДПКД .D7-555ИЕ7 используется в качестве предварительного делителя ДПКД . 555ИД7 и 176ИД2 используются для отображения рабочей частоты . В качестве индикатора используется светодиодный индикатор ИБ-9 Орловского производства , имеющий цоколевку идентичную АЛС318 , размеры символов около 1 см . Также можно использовать одиночные индикаторы , соединенные соответствующим образом . 561 ИД1 используется для управления диапазонными полосовыми фильтрами радиостанции . На м/сх 561ЛА7 выполнен формирователь сигналов валкодера . На схеме также условно показана клавиатура и оптопары валкодера . Вход "Тх" блока используется для управления частотой станции при работе с расстройкой . Микросхема D11 - 555ТМ2 используется для получения частот 5 и 2.5 мГц из частоты опорного гетеродина 10 мГц . Это позволяет удалить блок УмЧ синтезатора , в котором ранее размещался этот делитель частоты . На микросхеме D9 и резисторах R14-R24 выполнен цифро-аналоговый преобразователь (ЦАП) , напряжение с выхода которого управляет частотой дополнительных кварцевых генераторов 22.5 и 23.5 мгц , или частотой задающего генератора 12 мГц АТ89с51 в случае использования дополнительного синтезатора 22.5 и 23.5 мгц . Перестройка гетеродинов в пределах 1 кГц осуществляется с шагом в 40 Гц , что требует 25 уровней напряжения . ЦАП может выдать 64 уровня напряжения , что позволяет компенсировать нелинейность характеристики управления варикапа . Для каждого гетеродина в энергонезависимой памяти организована своя таблица из 25 ячеек , в каждой из которых хранится код напряжения , требуемого для получения нужной частоты . Во время настройки в эти ячейки записывается требуемая информация . Команды блоку подаются с клавиатуры и от валкодера . При нажатии кнопок выполняются следующие функции . [Up] - перестройка вверх [Dn] - перестройка вниз При нажатии кнопок [Up],[Dn] происходит увеличение или уменьшение частоты настройки на один шаг . Если удерживать кнопку [Up] или [Dn] длительное время , частота будет увеличиваться или уменьшаться , при этом скорость перестройки постепенно увеличивается до максимального значения . [F],[Up] или [F],[Dn] - смена шага перестройки ( [F],[Up] означает нажатие сначала на [F] затем на [Up] ) .Шаг может быть равен 40 Гц , 1000 Гц , 10 кГц . Смена шага происходит циклически при каждом выполнении команды смены шага . Смена шага также происходит если крутить ручку валкодера , предварительно нажав кратковременно кнопку [F]. [Rit] - включение режима расстройки . Расстройка может быть до любой частоты в пределах 1.5-19.9 мГц . Это позволяет работать в режимах "Split" и "Crossband" . Включение расстройки индицируется миганием младшего разряда индикатора . При выключении расстройки , частота приема становится равной частоте передачи . [F],[Rit] - Обмен частот приема и передачи в режиме расстройки . Позволяет прослушать частоту , на которой будет происходить передача . [V ] - переключение VFO A и B . Самая левая цифра на индикаторе показывает номер VFO (режим VFO) . [V ][pause] - удержание кнопки в течение 2с переключает режим работы "VFO"-"Память" [F],[ V ] - запись частоты текущего VFO в ячейку памяти . Эти команды относятся к работе с ячейками памяти . В данной схеме
используется энергонезависимая память , позволяющая организовать 60
ячеек памяти , по 10 на каждый диапазон . Две из них отводятся под
текущее значение частоты гетеродина (VFO A B) . Оставшиеся 8 используются
как обычные ячейки памяти для запоминания различных полезных или важных
частот. Деление это несколько условное и связано со способом записи
и хранения информации в них . Номер ячейки памяти отображается слева
от частоты в виде цифры от 0 до 9 . Специальная команда - удержание
кнопки [V] в течение более 2 сек переключает режим работы с VFO и с
ячейками памяти . В режиме работы с VFO кнопка [V] переключает VFO
A и B , при этом номер соответственно отображает 0 или 1 . В режиме
работы с памятью номер будет 2...9 . Отличие при работе в этих режимах
заключается в том , что изменение частоты произведенное в процессе
работы в VFO A B запоминается при смене режимов работы , смене диапазона
, выключении питания , а частота записанная в ячейки 2...9 командой
записи , является исходной при любой смене режима работы . Изменение
частоты , произведенное в процессе работы никак не отражается на содержимом
этих ячеек памяти . Запись в ячейки памяти производится из режима VFO
. Последовательное нажатие кнопок [F],[V] переводит систему в режим
записи частоты текущего VFO в ячейку памяти . Дальнейшее нажатие кнопки
[V] циклически переключает номер ячейки памяти , в которую будет произведена
запись . Процедура заканчивается нажатием кнопки [F] . Находясь в режиме
работы с памятью , (на индикаторе отображается номер 2..9) можно загрузить
текущий VFO содержимым текущей ячейки памяти нажав [F],[V] . [F],[B ] - Отключение индикации . [B] - переключение диапазона . На каждом из 6-ти диапазонов при смене частоты сохраняется текущее значение частоты. Разбиение на диапазоны носит условный характер . На любом из диапазонов можно перестроиться на любую частоту в пределах 1.5...19.9 мГц . [F],[pause] - удержание кнопки [F] в течении более 2с переключает рабочую полосу . Включение верхней боковой полосы индицируется миганием самого левого разряда индикатора . Блок управления выполнен на односторонней печатной плате размером 120 х 80 мм .
Кварцевые генераторы 22.5 , 23.5 мГц можно выполнить по схеме :
Катушки L1, L2 и L3 выполнены на каркасах диаметром 4мм с ферритовыми подстроечными сердечниками проводом ПЭЛ 0.1 . L1,L2 содержат 18 витков , L3 - 15 и 5 витков . Блок Кварцевых генераторов выполнен на одностронней печатной плате размером 60х60 мм.
Дополнительный синтезатор 22.5 , 23.5 мГц выполнен по схеме
На микросхемах D1,D2 выполнен делитель канала опорной частоты 12 мГц . В качестве задающего генератора используется тактовый генератор АТ89с51 блока управления . Напряжение ЦАП изменяет его частоту в пределах , необходимых для перестройки выходной частоты синтезатора на 1 кГц . Микросхема D4 , совместно с 3-м каналом таймера 580ВИ53 блока управления образует ДПКД . На микросхеме D5 - 561 ТМ2 выполнен фазовый детектор . С его выхода (R8) управляющее напряжение подается на ГУН , выполненый на D2 - 531 ГГ1 . Синтезатор выполнен в виде односторонней печатной платы размером 60х60 мм
Индикатор блока управления устанавливается на плате , на выводах резисторов RA и RK , запаянных без укорачивания выводов таким образом , чтобы при установке платы деталями вниз , десятичные точки индикатора были внизу . Выводы резисторов обрезаются до размера около 30мм и формуются таким образом , чтобы индикатор оказался вплотную напротив выреза в передней панели станции . Кнопки устанавливаются на дополнительной печатной плате рядом с индикатором на передней панели .
Подключение блока управления выполняется следующим образом . Удаляется плата ДПКД станции вместе с галетными переключателями набора частоты . В передней панели станции и в блоке синтезатора вырезаются требуемые окна для индикатора и кнопок . Плата блока управления устанавливается деталями вниз . Экранированный провод с выхода блока БОЧ (2...7 мГц) подключается на вход " GUN" блока управления. Выход " F1 " блока подается на вход "10кГц ОС" (конт.11 блока ДФКД) . В блоке ДФКД собран хитрый источник питания , который при удалении платы ДПКД перестает выдавать +5в , необходимые для работы ДФКД . Для восстановления его работоспособности нужно либо подобрать нагрузочный резистор вместо удаленного ДПКД , либо произвести следующие изменения в схеме блока питания . Закоротить резистор R11 , параллельно резистору R17 установить резистор сопротивлением примерно 1.1 кОм . При этом восстановится напряжение +5в.
Выходы " G1"-"G4" для переключения ГУНов синтезатора подключаются к жгуту , идущему от блока ГУН синтезатора , ранее этот жгут был подключен к переключателю S1 набора частоты . Прозвонкой нужно определить соответствие проводов нужным ГУНам . Выходы "Р1"-"Р8" блока управления подключаются к контактам 1...8 разъема Х1 блока синтезатора (сигналы - "Ком.Ф1"..."Ком.Ф8") . Контакт "Тх" блока управления подключается к тангенте передачи . Для этого можно использовать свободный контакт разъема Х1 синтезатора . Уровень лог.0 на этом входе соответствует передаче . Кнопки клавиатуры подключаются согласно схеме на выводы блока управления " U" , "D" , "R" , "V" , "B" , "F" ,"KEY " . Светодиоды валкодера подключаются соответственно на входы " DL" , "DR" , "SD " . Конструкция валкодера может быть произвольной . Количество меток в пределах 30-50 обеспечивает удобное управление частотой . Вполне удовлетворительное качество и надежность обеспечивает "мышиный валкодер" на базе оптопары неисправной компьютерной мышки . Для его изготовления нужно закрепить на оси малогабаритного переменного резистора диск с прорезями и оптопару , аккуратно отпиленную от платы мышки . Изготовление такого валкодера занимает не более часа . Подобная конструкция многократно повторялась , и показала высокую надежность и удобство в работе . Некоторые фотодиодные пары из мышки требуют подключения общего провода не на корпус , а на +5в . В этом случае в схему блока управления нужно внести некоторые изменения . Резисторы R2 и R4 блока управления удаляются , а на их место устанавливаются резисторы номиналом 3-10 кОм , подключенные не на +5в , а на корпус .
Выход " UD " блока управления подключается к варикапам дополнительных кварцевых генераторов 22.5 , 23.5 Мгц , для перестройки в пределах 1 кГц . Выход "U/D" используется в случае использования кварцевых генераторов 22.5 , 23.5 Мгц , для управления реле , переключающего генераторы .Этот выход не имеет нагрузочного резистора , поэтому для нормальной работы транзисторного ключа , управляющего реле , нужно подключать внешний резистор номиналом 3-10 кОм с выхода U/D на источник питания +5в (в схеме кварцевых генераторов такой резистор предусмотрен). Выходы 12 мГц , SI и SO подключаются к одноименным выводам платы дополнительного синтезатора в случае его использования . Плата кварцевых генераторов или дополнительного синтезатора устанавливается на место удаленного блока УмЧ . Питание +12в на блок управления и на дополнительный синтезатор подается с разъема Х1 синтезатора . Для правильной работы энергонезависимой памяти требуется ее начальная инициализация . Эта процедура выполняется следующим образом . При выключенном питании блока управления нужно нажать кнопку [V] , в таком положении включить питание блока , и продолжать удерживать кнопку до окончания процедуры инициализации . Процедура инициализации завершается погасанием индикатора примерно через 10 секунд . Процедуру инициализации можно выполнять произвольное количество раз . Однако после проведения инициализации сбрасываются в исходное состояние параметры настройки ЦАП , описанные ниже . Аналогичные действия , проведенные с кнопками [UP] и [DOWN] запускают процедуру калибровки напряжения ЦАП для верхней и нижней боковой полосы соответственно . Включение питания блока с нажатой кнопкой [UP] вызывает запуск процедуры настройки напряжения ЦАП для верхней боковой полосы . На выходе U/D появляется напряжение высокого уровня , включающее реле выбора кварцевого генератора (напряжение будет присутствовать только при подключенном нагрузочном резисторе на выв.32/D3 ) . Требуемая частота дополнительного синтезатора устанавливается автоматически . При этом на индикаторе отобразится слева младшие 3 разряда частоты настройки радиостанции (000-960) , справа код напряжения ЦАП (00-63) . В этом режиме кнопки [UP],[DN] соответственно увеличивают и уменьшают значение частоты , кнопки [F],[B] - код напряжения ЦАП . В случае использования кварцевых генераторов напряжение ЦАП непосредственно управляет выходной частотой гетеродина 22.5 , 23.5 мГц . В случае использования дополнительного синтезатора , напряжение ЦАП управляет частотой задающего генератора АТ89с51 , который является опорным генератором для этого синтезатора . Настройка напряжения ЦАП в этом случае не отличается от настройки кварцевых генераторов . Частоту 22.5 , 23.5 мГц нужно контролировать на выходе "23м" платы дополнительного синтезатора . Установка требуемой выходной частоты частоты выполняется при помощи подстроечного конденсатора С10 блока управления , установка диапазона регулировки в пределах 1 кГц - конденсатором Cr . Для измерения частоты нужно использовать промышленный частотомер , имеющий достаточную точность измерения . Задача этой регулировки заключается в том , чтобы каждому из 25 значений частоты (0,40,80,120,160,200...920,960Гц) поставить в соответствие одно из значений кода напряжения ЦАП (0...63) , чтобы при перестройке частоты радиостанции в пределах 1 кГц опорный гетеродин выдавал частоты для верхней боковой полосы :
Для нижней боковой полосы :
Начинается настройка установкой частоты 000 Гц и кода 63 . Опорный гетеродин подстраивается на частоту 22500000 гц при помощи подстроечного конденсатора С1 0 блока управления (в случае использования дополнительного синтезатора) , или сердечником катушки , включенной последовательно с кварцевым резонатором (для кварцевого гетеродина) . Затем кнопкой [F] устанавливается код напряжения 0 (т.е. максимальное изменение напряжения на выходе ЦАП ) . Опорный гетеродин при этом должен выдавать частоту 22499040Гц . Если изменение частоты опорного гетеродина слишком большое или напротив , недостаточное , потребуется изменить диапазон регулирования опорного гетеродина варикапом . Это делается изменением номинала разделительной емкости между варикапом и колебательным контуром или кварцевым резонатором опорного гетеродина блока управления . На практике бывает трудно добиться точного совпадения диапазона перестройки гетеродина и напряжения ЦАП . Поэтому можно немного сузить диапазон изменения напряжения ( к примеру достаточно будет добиться нужного диапазона изменения частоты при изменении кода напряжения не от 0 до 63 а от 7 до 56) . После настройки диапазона , нужно изменяя код частоты кнопками [UP],[DN] для каждой частоты настройки установить код напряжения , контролируя частоту опорного гетеродина при помощи частотомера в соответствии с первой таблицей . Коды записываются в ПЗУ сразу после нажатия кнопок [F],[B] , поэтому по окончании настройки можно просто выключить питание . Все изменения отразятся в ПЗУ . Аналогичную процедуру настройки нужно проделать для нижней боковой полосы . Для этого нужно включить питание с нажатой кнопкой [DN] , и далее как описано выше . Если в радиостанции для введения нижней боковой полосы используется схема с кварцевыми генераторами , в схеме блока управления можно исключить кварцевый резонатор на 12 мГц и элементы L1,C10,Cr,Vc . В этом случае тактовую частоту на АТ89с51 нужно подать при помощи перемычки с коллектора VT2 на выв.11/D3 . Управляющее напряжение на варикапы опорных кварцевых гетеродинов подается с выхода UD блока управления . Настройка платы дополнительного синтезатора заключается в установке диапазона перестройки и центральной частоты ГУН .Диапазон перестройки ГУН в пределах 22.5-23.5 мГц устанавливается изменением номинала резистора R2 платы дополнительного синтезатора таким образом , чтобы на вх. 3 D2 было напряжение около 1.5в . Рабочий диапазон управляющего напряжения по входу 2 D2 - от 0 до +3в . Для уверенной работы синтезатора нужно выбрать такой номинал R2 , чтобы при переключении рабочей полосы управляющее напряжение на вх. 2 D2 , изменялось на 0.8-1в . Чем шире этот диапазон , тем выше качество выходного сигнала синтезатора , однако больший диапазон изменения напряжения может вызвать неустойчивую работу синтезатора при изменении температуры . Центральная частота ГУН настраивается при помощи подстроечного конденсатора С1 , таким образом , чтобы управляющее напряжение на вх. 2 D2 составляло около 1.2-1.5 в. Если потребуется , нужно подобрать сопротивление резистора R18 блока управления , для надежного усиления сигнала . На коллекторе VT1 должны быть короткие (скважность примерно 4) положительные импульсы амплитудой 3-4в. Чувствительность радиостанции составляет 0.3 мкв . Это обеспечивается за счет апериодического усилителя ВЧ с коэффициеном усиления 10 , установленного на входе приемника после полосовых фильтров . При работе на НЧ диапазонах могут возникнуть проблемы с приемом слабых станций из-за перегрузки этого усилителя . Аттенюатор имеет всего два положения 1:1 и 1:10 , что явно недостаточно . Напрашивается необходимость модернизации этих двух узлов . Во первых необходимо ввести возможность отключения УВЧ при работе на НЧ диапазонах , путем введения дополнительного реле . Далее тумблер аттенюатора нужно заменить переключателем , чтобы ввести дополнительные ступени ослабления сигнала . Обычно в КВ трансиверах используют ослабление 10 , 20 и 30 дБ. На разъем для подключения гарнитуры выведены цепи для коррекции АЧХ усилителя низкой частоты . Если установить перемычку на контакты 5 и 8 разъема , АЧХ усилителя будет линейной . Если перемычка не установлена , АЧХ имеет завал характеристики 6 дБ на октаву . В условиях отсутствия помех , линейная АЧХ дает более естественное звучание . Евгений Александрович Попов (RW6HRY) |


















