КВ синтезатор
|
(С) Copyright 1998-2001
Попов Евгений Александрович RW6HRY
Email e373e (at) yahoo.com
Запрещается использование или модификация этого материала или любой
составной его части (кроме использования в личных целях без извлечения
выгоды ) без согласия автора .
|
В каждом КВ трансивере есть генератор плавного диапазона (ГПД) .Наиболее
важные параметры этого узла - стабильность частоты и ширина спектра вблизи
основной гармоники до сих пор являются проблемой . Нередко можно услышать
перепалки в эфире о том кто на кого наехал из-за невысокой стабильности
частоты . Несмотря на то , что в обычном LC генераторе легко получить
достаточно чистый спектр , часто этому не уделяют должного внимания .
Применение синтезатора частоты позволяет решить проблему высокой стабильности
, однако чистота спектра сигнала синтезатора оставляет желать лучшего
. Схемы , применяемые радиолюбителями в последние 15-20 лет за редким
исключением построены на базе классической однопетлевой системы ФАПЧ .Не
вдаваясь в тонкости математического аппарата , описывающего работу ФАПЧ
, можно отметить некоторые важные моменты . Генератор управляемый напряжением
(ГУН) представляет собой обычный LC генератор , в цепи управления частотой
которого используется варикап .
Очевидно ухудшение спектрального состава выходного сигнала происходит
из-за воздействия на контур для управления частотой генератора . В процессе
работы петли ФАПЧ по этой цепи происходит паразитная частотная модуляция
выходного сигнала . Имеются некоторые оптимальные , с точки зрения высокой
точности поддержания частоты , параметры фильтра на выходе фазового детектора
. Увеличение постоянной времени фильтра улучшает спектральную чистоту
выходного сигнала , но ухудшает динамические
характеристики петли ФАПЧ . Большое значение имеет конструктивное исполнение
синтезатора . Помехи на ГУН по цепям питания от работы цифровой части
практически неустранимы , т.к. находятся за пределами полосы пропускания
петли ФАПЧ и не могут быть подавлены автоматически . В этом случае применяются
конструктивные меры помехозащиты (экранирование , разделение питания ).
Шаг перестройки однопетлевого синтезатора равен опорной частоте . Чтобы
получить шаг перестройки 50 Гц , опорная частота соответственно должна
быть выбрана 50 Гц . На практике такой выбор не применяется , т.к. время
установления частоты при удовлетворительной чистоте спектра будет составлять
не лучше 0.5 сек. Для устранения этого недостатка вводится делитель на
4 на выходе синтезатора . Опорная частота при этом будет 200 Гц , шаг
перестройки - 50 Гц , скорость установления частоты в районе 0.15 с .
При работе с расстройкой или в режиме "сплит" будет заметен
эффект медленного появления станции на частоте . Это предельно достижимые
параметры для данной схемы . Дальнейшее уменьшение постоянной времени
фильтра приводит к появлению заметной девиации частоты ГПД , т.е. речь
идет даже не о высокой чистоте спектра , а о такой , изъяны которой всего
лишь нельзя оценить на слух .
Применение многопетлевых синтезаторов для любительского трансивера едва
ли оправдано , т.к. несмотря на значительное усложнение схемотехники позволяет
решить только вопросы уменьшения шага перестройки и увеличения скорости
установки частоты . По чистоте спектра такие схемы недалеко ушли от однопетлевых
и в некотором смысле уступают им , т.к. в режиме захвата имеют большее
количество паразитных спектральных составляющих . С точки зрения приема
слабой станции это более тяжелый случай .
Описываемый ниже синтезатор частоты построен по однопетлевой схеме. Для
улучшения динамических и спектральных характеристик опорная частота увеличена
до 1 кГц . Это позволило получить шаг перестройки частоты 25 или 50 Гц
, время установления частоты в районе 10-20 мс . Постоянная времени фильтра
выбрана со значительным запасом по отношению к минимальной расчетной величине,
что позволило добиться дополнительного улучшения спектрального состава
выходного сигнала . Синтезатор состоит из блока управления , блока ГУН
, валкодера , блока индикации и блока клавиатуры .
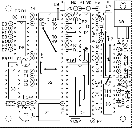
Блок управления выполнен на базе однокристальной ЭВМ семейства MCS-51
- АТ89с51 . В качестве ДПКД и ДФКД используется D3 - интегральный таймер
580ВИ53 . На м/с D1 выполнен формирователь импульсов валкодера . Опорная
частота 1 кГц получается после предварительного деления на 4 частоты 12
мГц кварцевого генератора микроконтроллера . При помощи перемычек , соединяющих
контактные точки 1,2,3, 4 собирается одна из схем , в зависимости от свойств
установленного кварцевого резонатора . Если нужно включить С2 параллельно
резонатору , устанавливаются перемычки 1-4 , 2-3 , если последовательно
, устанавливается одна перемычка 1-2 . Емкости С3,С4 устанавливаются в
случае необходимости понизить частоту . Далее сигнал частотой 3мГц подается
на 3-й канал таймера , на выходе которого получается частота 1 кГц . Второй
канал таймера используется как поглощающий счетчик для предварительного
делителя на 10/11 . На первом канале таймера выполнена низкочастотная
часть ДПКД . На микросхеме D2 - 24с04 выполнена энергонезависимая память
. В ней хранится содержимое ячеек памяти , промежуточная частота , текущие
частоты по диапазонам и другая установочная информация . На м/с D6 выполнен
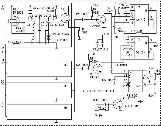
фазовый детектор . Это классическая схема , имеющая рабочий диапазон 360
градусов . На выходе фазового детектора установлен ФНЧ второго порядка
на элементах С14,С15, R14...R16 , не имеющий , как известно , запаздывания
по фазе . Дешифратор D8 используется для переключения диапазонов в трансивере
. На одном из его выходов появляется уровень 5в , который можно использовать
для управления транзисторными ключами , включающими диапазонные реле .
На сдвиговом регистре D7 собрана схема управления ГУНами и выходными делителями
. На одном из выходов G0-G4 появляется напряжение 8в используемое для
питания ГУНов , на выходах 2d , 4D появляется такой же уровень , разрешающий
деление выходной частоты синтезатора на 2 или 4 . Синтезатор питается
от двух источников +5в на 142ЕН5 и +9в на стабилитроне Д818Е . 9-ти вольтовый
источник используется для питания фазового детектора и схемы управления
ГУНами .
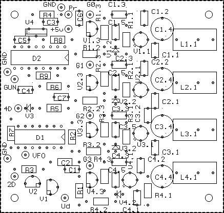
Блок ГУН состоит из 4-х идентичных генераторов А1 - А4 , выполненых по
схеме индуктивной трехточки на полевых транзисторах . Для развязки применяются
эмиттерные повторители , имеющие общую нагрузку R1 , выполняющие также
роль коммутатора ГУНов . На м/с D2 193ИЕ3 выполнен предварительный делитель
на 10/11 ДПКД . На V4 - формирователь сигнала управления делителем . На
м/с D1 - 531ТМ2 и транзисторах V1 , V2 выполнен делитель выходного сигнала
синтезатора на 2 или 4 . При делении на 4 на вход 2D подается логический
ноль , запрещающий работу усилителя на V2 , а на вход 4D логическая единица
, разрешающая работу D1.1 . Таким образом задействуются оба триггера и
частота делится на 4 . В режиме деления на 2 триггер D1.1 заблокирован
логическим нулем на входе 4D , сигнал ГУН проходит через усилитель на
V2 работа которого разрешена высоким уровнем на входе 2D , на вход триггера
D1.2 . Таким образом сигнал на выходе VFO синтезатора делится на 2 .
В данной схеме возможно применение 3-х различных схем индикации .
Первый вариант , занимающий все 5 линий управления I0-I4 , выполнен на
555ИД7 , 176ИД2 и индикаторе Орловского производства ИБ-9 . Это 9-ти разрядный
индикатор , динамического типа , имеющий цоколевку идентичную АЛС318 и
символы размером около 1см . В случае отсутствия ИБ-9 можно набрать 7
одиночных индикаторов , подходящих по проводимости . В данной схеме на
сегменты подается плюс , на общие выводы - минус . Второй вариант - квазистатическая
индикация на 561ИР2 и индикаторах АЛС320 . Для АЛС320 разведена небольшая
по габаритам печатная плата .


В данном варианте задействованы для управления только линии I2,I3 . Линия
I1 используется для подключения перемычки на корпус , информирующей программу
о смене типа индикации . Третий вариант - широко распространенный 10-ти
разрядный ЖК индикатор со встроенной схемой управления СТ1611М10 или аналогичный
ему , применяемый в АОНах . Подключение выполняется также по двум линиям
управления I2,I3 . Линия I0 используется для подключения перемычки , идентифицирующий
этот тип индикации . С точки зрения помехозащищенности предпочтительнее
3-й вариант . Микромощные сигналы по цепям управления практически не создают
помех . Блок клавиатуры выполнен на сдвиговом регистре 561ИР2 и 6-ти нормально
разомкнутых кнопках . Валкодер представляет из себя ручку , с насаженным
на ось оптическим диском с прорезями . Количество прорезей может быть
от 40 до 200 . В качестве оптопары можно использовать раздельные пары
светодиод/фотодиод либо применить спаренный фотодиод подобный применяемым
в компьютерных мышках . Управление синтезатором производится при помощи
команд , подаваемых с клавиатуры и валкодера . В режиме расстройки в синтезатор
подается сигнал с тангенты трансивера для обеспечения разноса частот приема
и передачи . Ниже описаны команды , использующиеся для работы :[UP] -
увеличение частоты
[DN] - уменьшение частоты
увеличение
и уменьшение частоты происходит на значение текущего шага
перестройки
. Шаг перестройки может быть установлен 25 , 250 или
2500
Гц для диапазона с минимальным шагом 25 Гц и 50 , 500 или
5000
Гц для диапазона с минимальным шагом 50 Гц . При длительном
удержании
кнопок происходит автоматическое изменение частоты .
[F],[UP],[DN],[WK] - смена шага перестройки
После нажатия кнопки [F] первое нажатие кнопок [UP],[DN] или
изменение положения валкодера приводит к циклическому перебору
следующего из трех возможных шагов перестройки
[RIT] - включение , выключение расстройки
[BAND] - смена диапазона
[MEM] - VFO A,B или выбор ячейки памяти
[MEM](+2сек) - VFO <-> память
[F],[MEM]...[MEM],[F] - запись в память текущей частоты (режим VFO)
[F],[MEM] - запись в текущий VFO частоты из текущей ячейки (режим MEM)
Эта группа команд относится к работе с ячейками памяти . В данной схеме
используется энергонезависимая память , позволяющая организовать 100 ячеек
памяти , по 10 на каждый диапазон . На каждом диапазоне 2 из них отводятся
под текущее значение частоты гетеродина (VFO A B) . Оставшиеся 8 используются
как обычные ячейки памяти для запоминания различных полезных или важных
частот. Деление это несколько условное и связано со способом записи и
хранения информации в них . Номер ячейки памяти отображается слева от
частоты в виде цифры от 0 до 9 . Специальная команда - удержание кнопки
[MEM] в течение более 2 сек переключает режим работы с VFO и с ячейками
памяти . В режиме работы с VFO кнопка [MEM] переключает VFO A и B , при
этом номер соответственно отображает 0 или 1 . В режиме работы с памятью
номер будет 2...9 . Отличие при работе в этих режимах заключается в том
, что изменение частоты произведенное в процессе работы в VFO A B запоминается
при смене режимов работы , смене диапазона , выключении питания , а частота
записанная в ячейки 2...9 специальной командой записи является исходной
при любой смене режима работы . Изменение частоты , произведенное в процессе
работы никак не отражается на содержимом этих ячеек памяти . Запись в
ячейки памяти производится из режима VFO . Последовательное нажатие кнопок
[F],[MEM] переводит систему в режим записи частоты текущего VFO в ячейку
памяти . Дальнейшее нажатие кнопки [MEM] циклически переключает номер
ячейки памяти , в которую будет произведена запись . Процедура заканчивается
нажатием кнопки [F] . Находясь в режиме работы с памятью ,(на индикаторе
отображается номер 2..9) можно загрузить один из VFO содержимым текущей
ячейки памяти нажав [F],[MEM] .
[F],[BAND] - блокирование валкодера
Остальные команды используются для начальной инициализации синтезатора
во время настройки блока управления . Для того , чтобы в процессе работы
случайно не изменить важные параметры настройки , доступ к этим командам
осуществляется через включение питания . К примеру для изменения значения
промежуточной частоты нужно выключить питание , нажать и удерживать кнопку
[F] , включить питание , отпустить кнопку [F] не раньше чем через 3 сек
после включения .
[MEM],PWR_ON - инициализация ПЗУ под значение ПЧ - 5 мГц
производится автоматическое вычисление и заполнение всех
переменных для промежуточной частоты 5.0 мГц .
Обязательно выполняется для заполнения памяти начальными
значениями не зависимо от применяемой ПЧ .
[RIT],PWR_ON - настройка номера диапазона , начиная с которого происходит
вычитание ПЧ из частоты гетеродина .
band - след диапазон
mem - запись и выход
на дисплее при этом отображается номер диапазона
[F],PWR_ON - настройка значения ПЧ
мем-запись и выход
up,dn- +/- 10 Hz
f,band- +/- 2.5kHz
на дисплее высвечивается значение 5 000 00 , что соответствует
частоте 5.0 мГц . После окончания настройки кнопкой [MEM]
производится вычисление всех необходимых переменных и запись
в память
[BAND],PWR_ON настройка номеров ГУНов и выходного делителя
мем-запись и выход
band - следующий диапазон
up - деление гетеродина
dn - номер ГУНа
на дисплее отображается номер диапазона (0..9), коэффициент
деления выходного делителя синтезатора (2 или 4) , номер ГУНа
используемого на этом диапазоне (0..3) .
После завершения команды , информация на дисплее обнуляется , процессор
затормаживается . Для продолжения настройки или начала работы с синтезатором
нужно выключить и снова включить питание .
Перед сборкой блока ГУН необходимо произвести расчет требуемого количества
ГУНов и диапазона их работы . Исходной информацией является частотное
распределение любительских диапазонов и значение промежуточной частоты
трансивера . Ниже приводится пример расчета для Промежуточной частоты
5.0 мГц .Частоты любительских диапазонов :
1.8 мГц - 1.75...2.0 мГц
; 3.5 мГц - 3.5...3.9
мГц
7 мГц - 7.0...7.2 мГц
; 10 мГц - 10.075...10.150
мГц
14 мГц - 14.0...14.35 мГц ;
18 мГц - 18.068...18.168 мГц
21 мГц - 21.0...21.35 мГц ;
24 мГц - 24.89...24.99 мГц
28 мГц - 28.0...29.0 мГц
; 29 мГц - 29.0...29.7
мГц
На диапазонах 1.8 - 10 мГц принята работа на нижней боковой полосе , на
диапазонах 14 - 29 мГц на верхней . Это значит , что частота гетеродина
в первом случае будет определяться как Fгет=Fд+Fпч , во втором случае
как Fгет=Fд-Fпч . Таким образом частоты гетеродина :
1.8 мГц - 6.75...7.0 мГц
; 3.5 мГц - 8.5...8.9
мГц
7 мГц - 12.0...12.2 мГц
; 10 мГц - 15.075...15.150
мГц
14 мГц - 9.0...9.35 мГц
; 18 мГц
- 13.068...13.168 мГц
21 мГц - 16.0...16.35 мГц ;
24 мГц - 19.89...19.99 мГц
28 мГц - 23.0...24.0 мГц ;
29 мГц - 24.0...24.7 мГц
В данной схеме на выходе синтезатора применяется деление частоты на 2
или на 4 . Это позволяет оптимально сгруппировать диапазоны с максимально
близкими частотами гетеродина для уменьшения количества ГУНов . Ниже приведена
результирующая таблица показывающая на каких частотах работают ГУНы и
применяемое деление на выходе для получения требуемого значения частот
.
ГУН 0
18 мГц - 26.0...26.4 мГц ; деление на 2
1.8 мГц - 26.8...28.0 мГц ; деление на 4
10 мГц - 30.0...30.4 мГц ; деление на 2
ГУН 1
21 мГц - 32.0...32.8 мГц ; деление на 2
3.5 мГц - 34.0...36.0 мГц ; деление на 4
ГУН 2
14
мГц - 36.0...37.6 мГц ; деление на 4
24 мГц - 39.6...40.0 мГц ; деление на 2
ГУН 3
28 мГц - 46.0...48.0 мГц ; деление на 2
29 мГц - 48.0...50.0 мГц ; деление на 2
7 мГц - 48.0...48.4 мГц ; деление на 4
Эта таблица содержит полную информацию для программирования синтезатора
по команде [BAND],PWR_ON :
диапазон деление
номер ГУН
1.8 0
4
0
3.5 1
4
1
7 2
4
3
10 3
2
0
14 4
4
2
18 5
2
0
21 6
2
1
24 7
2
2
28 8
2
3
29 9
2
3
Если промежуточная частота используется 5.0 мГц , достаточно выполнить
команду [MEM],PWR_ON для полной настройки переменных . При другой промежуточной
частоте нужно произвести расчет как показано выше и запрограммировать
значение ПЧ , диапазон начиная с которого используется верхняя боковая
полоса и распределение ГУНов и выходного делителя .
Настройка блока ГУН выполняется следующим образом . При монтаже блока
не устанавливаются элементы С1.4 , С2.4 , С3.4 , С4.4 , L1.1 , L2.1 ,
L3.1 , L4.1 , R2 , R3 . При помощи кнопок устанавливается диапазон , в
работе которого задействован самый высокочастотный ГУН и деление на 4
. Запаивается соответствующая катушка и конденсатор , через который варикап
подключается к контуру . Вместо R2 устанавливается переменный резистор
номиналом 100кОм с подключенным последовательно резистором 10 кОм . Регулировкой
этого резистора нужно добиться , чтобы ВЧ напряжение на коллекторе V1
имело размах 1.5-2в , причем нижний уровень должен быть в районе 0.6-0.8
в . Это необходимо чтобы уверенно срабатывал триггер D1.1 , о чем свидетельствует
наличие поделенных на 2 импульсов на вых. 5 и 6 D1.1 без помех и искажений
. После этого нужно убедиться в наличии импульсов , поделенных на 10 на
вых.6 D2 , а также импульсов , поделенных на 4 на вых.9 D1.2 . Если номиналы
катушки и конденсатора выбраны правильно , на входе Ud должно быть постоянное
напряжение в диапазоне 1-7 в . Если там присутствует переменное напряжение
или постоянное с уровнем 0-0.5 в или 8 в , это говорит о том , что петля
ФАПЧ находится вне полосы захвата . Если напряжение близко к 0 это говорит
о том , что частота контура слишком высока . В этом случае нужно увеличить
емкость конденсатора , включенного последовательно с варикапом . Емкость
подстроечного конденсатора должна быть установлена в положение 50% от
максимальной . Если напряжение находится в районе 8 в , нужно уменьшить
количество витков катушки или емкость конденсатора . После того , как
синхронизация будет достигнута , о чем свидетельствует напряжение на входе
Ud в диапазоне 1-7в , подстроечным конденсатором нужно поднять напряжение
до 7-7.5 в . При этом рабочая частота синтезатора должна соответствовать
максимальной частоте выбранного диапазона . Емкость конденсатора , включенного
последовательно с варикапом , определяет диапазон перестройки ГУН , поэтому
нужно убедиться , что при перестройке частоты в пределах диапазона , напряжение
на входе Ud не выходит за пределы 1-7 в . Следует помнить , что один ГУН
используется на нескольких диапазонах , поэтому нужно провести проверку
на всех диапазонах использующих этот ГУН и , в случае необходимости ,
провести коррекцию емкости и индуктивности . Это делается установкой крайних
частот для этого ГУНа . Возможно при этом придется переключать диапазоны
. Устанавливая диапазон регулировки напряжения на входе Ud , нужно помнить
о том , что сужение этого диапазона ухудшает динамические характеристики
синтезатора , а чрезмерное приближение к границам 0.5-7.5 в может вызвать
срыв синхронизации при изменении окружающей температуры . Оптимальным
можно считать , когда при перестройке частоты ГУНа напряжение будет находиться
в пределах 1-7 в . Далее проводится регулировка R3 по аналогии с R2 .
При этом устанавливается диапазон , на котором используется деление на
2 , что вызывает появление напряжения на входе 2D и блокирование D1.1
логическим нулем на входе 4D . По аналогии с вышеописанным проводится
регулировка оставшихся ГУНов . В процессе регулировки нужно контролировать
надежную работу усилителей на V1 и V2 . Номиналы R3 и R2 должны обеспечивать
уверенное переключение триггеров D1 на всех диапазонах . Конденсатор С3
подбирается в случае несовпадения реальной частоты синтезатора и установленной
, в пределах 50-250 Гц , даже при точно настроенном кварцевом генераторе
в блоке управления . Емкость С3 подбирается исходя из равенства длительности
импульсов на входе Pr и на коллекторе V4 . Импульсы на входе Pr появляются
при установке частоты , меняющей младшие разряды . Перестраивая частоту
в небольших пределах нужно добиться появления импульсов , удобных с точки
зрения наблюдения , после чего произвести сравнение длительности импульсов
на входе Pr и на коллекторе V4 . В случае отличия длительности , нужно
подобрать номинал С3 .
Настройка блока управления заключается в проверке правильности монтажа
и установке частоты кварцевого генератора . Контроль частоты производится
на выв.5 D3 . Частота должна быть равна 6 000 000 Гц . Синтезатор выполнен
на односторонних печатных платах 75х75 мм .
 
 
Оба блока должны быть заключены в экранирующие коробки . Межблочные соединения
выполняются экранированным проводом . Особое внимание нужно уделить цепям
индикации и клавиатуры . Они должны быть минимальной длины . Цепи В1..В10
можно заблокировать конденсаторами 0.01 мкФ . Размещать синтезатор нужно
в отдельном отсеке трансивера , максимально удаленном от входных цепей
приемника и цепей ПЧ . Питание синтезатора желательно выполнять от отдельного
стабилизированного источника питания . Выполнение этих требований позволит
не беспокоиться об ухудшении параметров приемника . Синтезатор выполнен
на микромощном процессоре , поэтому даже полное отсутствие экранировки
и расположение синтезатора вблизи приемника не вызывает особых проблем
с помехами .
Дополнительную информацию , документацию в формате PCAD , программы для
просмотра и распечатки документации в формате PCAD можно получить на домашней
страничке http://rw6hry.qrz.ru
Евгений Александрович Попов (RW6HRY)
356350 Ставропольский кр.
с.Новоселицкое
ул Степная 3
http://rw6hry.qrz.ru
e-mail: e373 (at) aport.ru
e-mail: rw6hry (at) qrz.ru
|