Что-то не так?
Пожалуйста, отключите Adblock.
Портал QRZ.RU существует только за счет рекламы, поэтому мы были бы Вам благодарны если Вы внесете сайт в список исключений. Мы стараемся размещать только релевантную рекламу, которая будет интересна не только рекламодателям, но и нашим читателям. Отключив Adblock, вы поможете не только нам, но и себе. Спасибо.
Как добавить наш сайт в исключения AdBlockРеклама
Автоматическое согласующее устройство КВ трансивера.
Автоматическое согласующее устройство КВ трансивера.
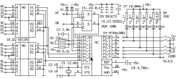
При построении антенн для работы на КВ стараются получить резонанс в центре одного или нескольких любительских диапазонов. При этом желательным условием является значение сопротивления антенны на этих частотах близкое к волновому сопротивлению кабеля, питающего антенну. При смещении рабочей частоты относительно расчетной, сопротивление антенны изменяется, вызывая рассогласование выходного каскада передатчика. Работа с несогласованной нагрузкой приводит к различным неприятным эффектам от паразитных излучений до выхода из строя выходного каскада. Для согласования с нагрузкой применяют различные согласующие устройства на базе П-образных или Г-образных LC цепей. При этом все элементы согласующего устройства имеют возможность изменять номинальное значение. При правильном выборе значений элементов происходит трансформация сопротивления нагрузки в сопротивление выходного каскада. Однако вручную настроить согласующее устройство бывает довольно трудно т.к. обычно КВ трансивер имеет на выходе измеритель КСВ с одновременным отображением только одной величины (например падающей волны). Для отображения отраженной волны нужно переключать измерительный прибор. Процедура настройки превращается в сложную головоломку со множеством манипуляций. Описываемое ниже устройство полностью автоматизирует процесс согласования выходного каскада передатчика с нагрузкой. Время настройки составляет 8 сек. ![]() Высокочастотная часть устройства представляет собой измеритель падающей и отраженной волны, Г-образное LC звено и элементы коммутации. Измеритель падающей и отраженной волны не имеет особенностей и может быть выполнен по любой схеме, применяемой для измерения КСВ. Элементы коммутации представляют собой транзисторные каскады, управляющие включением высокочастотных реле К1-К17. Согласование сопротивления происходит при помощи Г-образного LC звена состоящего из переменной индуктивности, включенной последовательно с выходом передатчика и переменной емкости, которая при помощи реле К9 может быть включена параллельно выходу либо до индуктивности, либо после. В первом случае такое звено можно применять для согласования с низким сопротивлением, во втором случае для согласования с высоким сопротивлением нагрузки. Номиналы соседних элементов LC звена отличаются в 2 раза. Это позволяет при использовании 16 реле получить 256 значений индуктивности в диапазоне 0-20мкГ и 256 значений емкости в диапазоне 0-1280 пф. Если питание на устройство не подано, все реле обесточены, ВЧ сигнал без изменения проходит на выход (функция "обход"). ![]() Управляющая часть устройства выполнена на базе однокристального контроллера АТ89с2051. В процессе согласования, контроллер измеряет напряжение падающей и отраженной волны, вычисляет КСВ, производит перебор значений индуктивности и емкости по специальному алгоритму, отображает значение КСВ на светодиодных индикаторах в диапазоне 1.1-3.0 в процессе и по окончении согласования. На микросхеме D3 выполнен коммутатор падающей и отраженной волны. В регистры D1,D2 записывается двоичный код, пропорциональный значению емкости и индуктивности. Управление согласующим устройством осуществляется при помощи 5-ти кнопок. Кнопка "LOAD" запускает процесс согласования. При этом передатчик должен быть включен в режиме излучения несущей. Кнопки "CU" и "CD" позволяют увеличивать или уменьшать значение емкости. Кнопки "LU" и "LD" позволяют увеличивать или уменьшать значение индуктивности. Светодиодные индикаторы отражают процесс согласования. Светодиод "1.1" будет светиться, если значение КСВ превышает величину 1.1. Светодиод "1.5" будет светиться, если значение КСВ превышает величину 1.5, и так далее до значения КСВ, превышающего величину 3.0. Светодиод "HI/LO" отражает состояние реле К9. Если светодиод светится, значит емкость подключена до индуктивности. Это соответствует схеме согласования низкого сопротивления нагрузки. Конструкция согласующего устройства определяется проходящей мощностью. При мощности меньше 50 вт, можно ограничиться разделением корпуса устройства на отсеки при помощи перегородок. При мощности 100вт и более, необходимо обеспечить полное экранирование отсеков. Плату управления нужно поместить дополнительно в металлический экран. Провода управления от транзисторных ключей к реле нужно подводить при помощи проходных конденсаторов . То же касается напряжения прямой и отраженной волны снимаемого с диодов V1,V2 и подаваемого из отсека А1 в отсек А2. Сигналы UF,UB, подаваемые на одноименные входы платы управления должны быть проложены экранированным проводом. Напряжение +12в, для питания реле должно подаваться через проходной конденсатор и последовательно включенный дроссель. Управляющие сигналы от платы управления подключаются к соответствующим транзисторным ключам V20...V36. Индуктивности и емкости на схеме имеют обозначение соответствующее управляющим сигналам (0С-7С,0L-7L). Сигнал HI/LO используется для переключения реле К9. Трансформатор Т1 измерителя намотан на ферритовом кольце марки 400НН диаметром 10-12мм и содержит 20 витков парой скрученного провода ПЭЛШО 0.15. Первичная обмотка представляет собой проводник от входного разъема, пропущенный сквозь центральное отверстие трансформатора. В случае необходимости количество витков вторичной обмотки подбирается таким образом, чтобы при прохождении максимальной мощности, напряжение падающей или отраженной волны не превышало значения 5в. Для коммутации элементов можно применить подходящие по мощности ВЧ реле, например РПВ 2/7. ![]() При мощности около 100вт можно использовать индуктивности выполненные на ферритовых кольцах марки 50ВЧ, диаметром 30мм. Намотка ведется проводом ПЭВ диаметром 0.8мм. L1 - 28 вит L2 - 18вит Витки катушек L7,L8 расположены внизу, витки на остальных катушках нужно равномерно распределить по длине кольца. Конденсаторы С5-С12 подбираются с точностью 10 %, при необходимости можно использовать параллельное соединение для получения нужной емкости. Рабочее напряжение конденсаторов желательно не менее 500в. Весь монтаж нужно выполнить с учетом минимально возможной длины всех соединений. ![]() ![]() Настройка согласующего устройства начинается с измерителя падающей и отраженной волны. Для этого активную нагрузку 50 ом нужно подключить на выход устройства. Подавая на вход ВЧ сигнал, нужно при помощи конденсатора С1 добиться минимального значения напряжения на выходе UB. Затем поменяв местами нагрузку и источник сигнала, подстройкой С1 нужно добиться минимального напряжения на выходе UF. Настройка платы управления заключается в калибровке измерителя напряжения. Для этого нужно удерживая нажатой кнопку "LU", включить питание. Запускается режим калибровки. На вход "UF" подается напряжение 2.5в измеренное точным прибором. Резистор R2 должен быть заменен подстроечным резистором на 220кОм. Резистор R1 устанавливается в среднее положение. Регулировкой R2 нужно добиться погасания всех светодиодов. Желательно проконтролировать длительность положительных импульсов в этот момент на выв.14 D4. Она должна составлять 256 мКс. Измерив сопротивление R2, нужно заменить его на постоянный резистор ближайшего номинала и повторить настройку, регулируя R1. От качества элементов С1,R1-R3 во многом зависит точность измерения напряжения. В качестве С1 желательно применить конденсатор марки КМ5 номиналом 1800-2000 пф или параллельное соединение конденсаторов с разным ТКЕ. Для проверки реле используется специальный тестовый режим. Для его запуска нужно удерживая нажатой кнопку "LOAD", включить питание. Последующие нажатия этой кнопки будут вызывать последовательное срабатывание всех реле. Аналогичная процедура включения с кнопкой "LD" обесточивает все реле и запускает циклическое измерение КСВ и отображение его на светодиодах. Источник питания для данной схемы может быть выполнен по любой схеме. По цепи +5в потребление составляет около 30 ма, без светодиодов 5-10ма. По цепи +12в потребление зависит от применяемых реле и может составлять 200-300мА. Данное устройство можно применить для дистанционного согласования нагрузки, например разместить его непосредственно в точке питания антенны. В этом случае светодиоды и кнопки не используются. Вместо них на вход "CD" (вывод 3 D4) устанавливается перемычка на корпус. Процедура согласования в этом случае запускается подачей питания на схему. Контроллер выполняет согласование и блокируется. Очередное согласование выполняется путем кратковременного (2-4 сек.) отключения питания. Питание на согласующее устройство можно подать по антенному кабелю, применив соответствующие развязывающие цепи. Евгений Александрович Попов (RW6HRY) |




