|
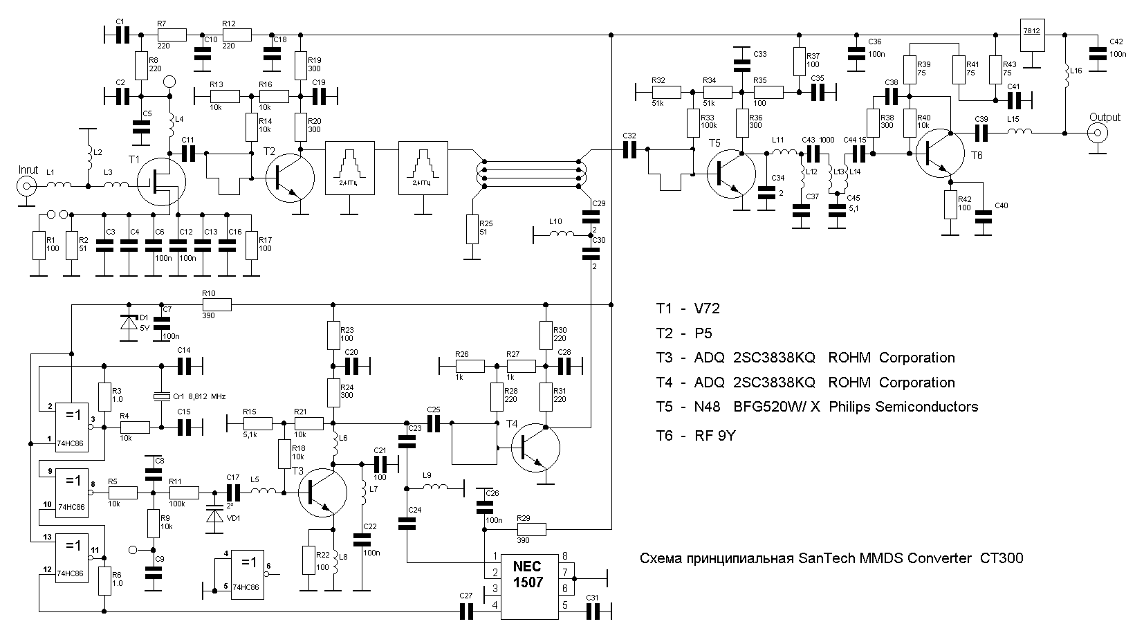
ВВЕДЕНИЕ. В данной статье описывается как переделать (модернизировать) промышленный импортный конвертор 'SANTECH MMDS Converter CT300' для приёма с его помощью сигналов со спутника AO-40. После перестройки конвертор преобразует сигналы диапазона 2400:2402 MHz в сигналы диапазона 144:146 MHz. Конвертор подключается к выходу облучателя. В конверторе использован кварц, возбуждающийся на частоте 8.8125 MHz. Принципиальная схема конвертора срисовывалась с печатной платы, и номиналы многих конденсаторов на ней не проставлены, они просто не замерялись. Да и зачем их знать?
| SANTECH MMDS Converter CT300 |
 |
 |
| Принципиальная схема |
Печатная плата |
ПЕРЕДЕЛКА. Для пайки смд элементов я применяю сменные жала из медной проволоки 2.5 мм с разными зазорами между жалами (см. фото 1).
- Вначале необходимо снять обе крышки конвертора, откручивается антенна (4 самореза) и отпаивается от платы, во время отпайки выдвигается наружу. Выкручиваются все винты, крепящие плату, во время отпайки выходного разъёма, плата приподнимается и выдвигается из под него. Итак - плата снята!
- Заменяем кварц. Я поставил кварц с частотой = 8.812 MHz, в результате частота стала 8.8133 MHz, то есть кварц лучше брать еще немного ниже, тогда не нужно будет подбирать дополнительные ёмкости. Желательно получить частоту 8.8125 MHz. Подпаиваем питание 15:18 в к выходному разъёму. Измеряем высокоомным входом частотомера частоту кварца на выводе 3 МС 74НС86. Корректируем частоту подключением/отключением ёмкостей от вывода 2 той же микросхемы (см. фото 2).
- Заменяем емкость С17 (рядом с варикапом 7 пФ) на 2 пФ (три такие ёмкости можно отпаять около транзистора RF9Y (см. фото 3).
- Отпаиваем R22, убираем напаянную петлю (если она у Вас была), проверяем целостность старого контура и закорачиваем его перемычкой. Смотрим высокоомным входом частотомера на выводе 11 МС 74НС86 частоту ГУНа поделенную на 256 микросхемой NEC 1507. Она должна быть близка к 8.8125 MHz. У меня на конвертере L.O.Freq: 1838 MHz и кварц был 7.179685 МГц, поэтому мне пришлось поднимать частоту. Для этого я укорачивал контур в эмиттере (бесконечно это делать нельзя, так как срываются колебания генератора, при этом NEC 1507 выдает частоту самовозбуда в районе 10.300 MHz, поэтому я выпаял R22 и укоротил линию на 1/3). Дальнейшее поднятие частоты произведено за счет уменьшения индуктивности L5 - напайкой припоя в виде капли (см. фото 5) и еще одной капли между С17 и R11. При приближении к нужной частоте произойдет захват ФАПЧ, что будет видно на контрольной точке КТ-ФАПЧ, между R9 и C9. Без захвата там примерно 1/2 питания 74НС86 - 2.5 в. Надо постараться поставить частоту ГУНа на серединку или чуть ниже - 2.11 в, тогда ФАПЧ не отпустит ни в жару ни в холод. На фото переделанный ГУН.
- Далее переделываем фильтр ПЧ после смесителя. Убираем лишние ёмкости, перемычки, заменяем ёмкости (см. фото 6).
 |
 |
 |
 |
 |
 |
| Фото 1 |
Фото 2 |
Фото 3 |
Фото 4 |
Фото 5 |
Фото 6 |
НАСТРОЙКА. Пришло время настраивать ВЧ цепи.
- Для этого нужен сигнал 2.401 GHz. Есть два варианта - найти генератор на 2.4 GHz или сделать умножитель, чтобы использовать имеющийся генератор. У меня есть Г4-128 до 1.309 GHz, так что мне пришлось сделал простенький удвоитель (см. схему). Первый контур сделан из медной проволоки диаметром 1 мм и длиной 70 мм, второй длиной 35 мм, высота над платой 1.5 мм. Отводы видны на фото 7.
- На генераторе выставил частоту 1.2005 GHz и максимальный выходной уровень, в точке А умножителя подключил осциллограф (или высокоомный вольтметр - тестер), настроил контур на 1.2005 GHz по максимуму показания - примерно 200 мв (т.е. на диоде 2 в) , затем настроил контур 2.401 GHz по спаду напряжения (примерно 170 мв). После подключения конвертора можно подстроить оба контура.
- Для настройки УВЧ и фильтров 2.4 GHz сигнал с удвоителя подаётся на вход конвертора (аккуратно подпаивается прямо вместо антенны на вход платы минимальными выводами). Максимальный сигнал на вход подавать опасно (хотя у меня выдержал) лучше сделать минимальный аттенюатором генератора и добавлять по мере необходимости. Исключаем короткий фильтр после УВЧ - срезаем скальпелем фильтр, закорачиваем вход и выход соответствующей полоской медной фольги (предварительно срезав металлизацию отверстия - чтоб не замкнула - под дорожкой) и пропаиваем ее к дорожке. Увеличение усиления -9 dB. Попытка сместить наложением фторопласта вниз полосу длинного фильтра ничего не дала - видимо он оказался где надо (см. фото 8).
- Далее конвертер был подключен к облучателю для прямофокусной антенны диаметром 67 см и f/D=0.43.
 |
 |
 |
| Принципиальная схема удвоителя |
Фото 7 |
Фото 8 |
РЕЗУЛЬТАТ. Сигнал от 'маяка' со спутника АО-40 на частоте 2401.323 MHz слышен:
- в апогее = +12 dB;
- в перигее (на высоте 32 000 км) = +14 dB;
- шум Солнца = +2 dB над шумами.
Прибавка шумов при включении питания конвертора +11 dB при входе 144 MHz - 2кТо.
---
[20.08.2003] Автор статьи: Э.Ю.Дергаев UA4NX (ua4nx (at) ezmail.ru). [31.08.2003] Раздел 'Введение' написал: С.Л.Чучанов UR3IRS (ur3irs (at) qrz.ru).
Переделка конвертора осуществлена под руководством: Олег Ивин EX8MLT (ex8 (at) mail.ru); URL: http://www.qsl.net/ex8mlt
|