GSM охранная сигнализация
Гольцов Андрей
sibmon (at) yandex.ru
|
Охранная Сигнализация (далее ОС) предназначена для охраны помещения и в случае проникновения в него включает звуковое оповещение и производит по два звонка на заранее заложенные в ее память два телефонных номера (сотовые или городские). Так же реагирует и на открытый огонь.
Постановка на охрану и снятие с охраны происходит с помощью ключа Touch Memory (далее ТМ), содержащего в себе уникальный серийный номер.
Возможна дистанционная проверка состояния ОС, т.е. позвонив на ее номер можно узнать, находится ли она в режиме охраны, снята с охраны, или же было срабатывание сигнализации.
ОС остается работоспособной при пропадании сетевого напряжения в течение двух-семи дней и продолжает работать при его появлении.
При использовании SIM-карты с тарифом без абонентской платы деньги со счета не расходуются (если Вы не пользовались режимом прослушивания – см. ниже).

Программирование номеров дозвона.
- Новую SIM-карту вставить в любой сотовый телефон (при использовании б\у SIM-карты удалить с неё все ранее записанные номера).
- Введите номер телефона, на который ОС должна звонить в первую очередь. Сохраните его в SIM-карте.
- Введите номер телефона, на который ОС должна звонить во вторую очередь. Сохраните его в SIM-карте.
- Еще раз введите номер телефона, на который ОС должна звонить в первую очередь. Сохраните его в SIM-карте.
- Еще раз введите номер телефона, на который ОС должна звонить во вторую очередь. Сохраните его в SIM-карте.
- Отключить режим ввода PIN-кода при включении телефона.
- Вынуть SIM-карту из телефона.
Первое включение.
- Вскрыть корпус ОС.
- Вставить SIM-карту.
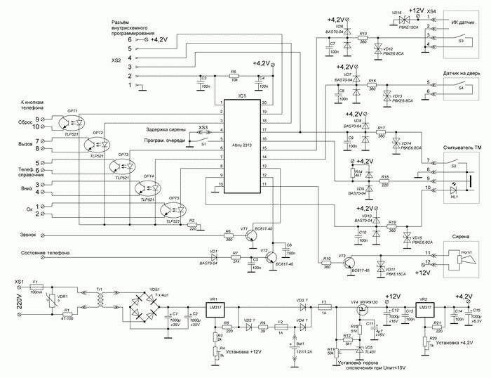
- Подключить по рисунку в конце описания все датчики и сирену.
- Подключить аккумулятор, закрыть корпус ОС.
- Вставить сетевую вилку в розетку. Через 50 секунд ОС готова к работе.
Программирование ключей ТМ
Перед началом программирования необходимо записать в память «Мастер-Ключ» (далее МК). Для этого нажать кнопку «ПР» на блоке ОС и удерживать ее не менее 7 сек (должен загореться светодиод на считывателе). В течение 10 секунд приложить выбранный Вами ключ к считывателю. Светодиод на считывателе мигнет 3 раза.
МК применяется только для программирования пользовательских ключей и не участвует в постановке на охрану и снятия с охраны.
Режим программирования пользовательских ключей.
Вход в программирование и выбор нужного режима программирования происходит с помощью МК.
Режим добавления ключей:
- Кратковременно приложить к считывателю МК, загорится светодиод. ОС перешла в режим добавления пользовательских ключей.
- Кратковременно проложить новый ключ. Если ключ записался в память, светодиод мигнет один раз и вновь загорится.
- Для выхода из режима программирования подождать двенадцать секунд.
Для записи в память нескольких ключей повторять пункт 2 необходимое количество раз, не выходя из режима программирования.
Режим удаления ключей:
- Кратковременно приложить к считывателю МК, светодиод загорится.
В течение двенадцати секунд нажать на кнопку «ПР» на блоке ОС. Все пользовательские ключи будут удалены из памяти.
Проверка правильной последовательности дозвона ОС.
1. Поставьте ОС на охрану (см. ниже) и через 20-30 сек откройте дверь и дождитесь звонка ОС на первый заложенный телефон, затем на второй телефон, потом опять на первый, и опять на второй. Все звонки должны пройти в течении 4 мин после открывания двери.
2. Снимите ее с охраны, приложив ключ ТМ к считывателю, и если ОС не звонила или звонила не правильно, нажмите кратковременно (не более 2 сек) кнопку «ПР» на блоке ОС.
3. Повторяйте пункты 1 и 2 до тех пор, пока ОС не будет звонить в нужном порядке.
Постановка на охрану – выход из помещения.
- Приложить ключ ТМ к считывателю.
- Нажать на кнопку «Выход» на считывателе. Если дверь закрыта, светодиод на считывателе должен замигать, если открыта – загореться. Если кнопка не была нажата в течении 5 секунд, ОС переходит в режим ожидания постановки на охрану.
- Выйти из помещения. После закрытия двери ОС в течении 10-15 секунд становится на охрану.
Снятие с охраны – вход в помещение.
Зайдя в помещение приложить ключ ТМ к считывателю – ОС перейдет в режим ожидания постановки на охрану.
Проверка состояния ОС.
При звонке на ОС возможны четыре ситуации:
- Слышны длинные гудки – ОС находится в режиме ожидания постановки на охрану, т.е. снята с охраны.
- Произошел отбой – ОС находится в режиме охраны. Нарушений не было.
- Включается на прослушивание (примерно на 30 сек) – происходили нарушения охранных зон.
- Если ничего из вышеперечисленного - значит или закончились деньги на счете (о балансе узнавать через оператора), или нет питания ОС (возможно, долго отсутствовало напряжение 220 В и сел аккумулятор).
Общие сведения
Электропитание блока ОС осуществляется от сети переменного тока 50 Гц напряжением от 187 В до 242 В и от встроенного аккумулятора номинальной емкостью 1,2 А/ч и напряжением от 10 В до 14 В. Максимальная потребляемая от сети переменного тока мощность не превышает 15 Вт. Блок имеет защиту от перегрузки и короткого замыкания по входным и выходным цепям, от перезарядки и глубокого разряда аккумуляторной батареи, а также от короткого замыкания и переполюсовки в цепи заряда аккумулятора. Вместо сирены можно подключить реле на напряжение 12 В и ток срабатывания не более 300 мА. Устройство работоспособно круглосуточно при температуре от –30 до +50 градусов Цельсия, относительной влажности воздуха не более 90%.
Рекомендации по установке
Блок ОС желательно устанавливать в скрытом от глаз месте, но не в металлический шкаф, считыватель ключей ТМ недалеко от входа, сирену и датчик открывания двери по желанию, датчик движения на стене на высоте 2-3 м, направленным на место наиболее вероятного проникновения. Не стоит устанавливать датчик движения в местах с возможностью резкого изменения температуры, с сильными потоками воздуха (сквозняком), с вероятностью попадания прямых солнечных лучей. SIM-карту выбирайте без абонентской платы. Выбирайте надежного оператора, т.к. стабильность оповещения зависит от качества сотовой связи.
Вид на плату ОС сверху

Разводка разъемов датчиков

Ссылки для скачивания:
- Прошивки ОС на ATtiny 2313
- Принципиальная схема и чертеж платы в формате RusPlan 7
|