LAB599.RU — интернет-магазин средств связи
EN FR DE CN JP

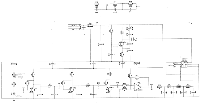
Генератор подавления (глушитель) GSM-канала (GSM Jammer)

Генератор подавления (глушитель) GSM-канала (GSM Jammer)

Данный материал был взят с сайта http://www.gbppr.org/

 

Партнеры