Современные подавители диктофонов
СОВРЕМЕННОЕ СОСТОЯНИЕ И ПЕРСПЕКТИВЫ РАЗВИТИЯ РЫНКА ПОДАВИТЕЛЕЙ ДИКТОФОНОВ
ВВЕДЕНИЕ
Несанкционированная запись речевой информации на диктофон – одна из более чем реальных ситуаций, при которой возможна утечка информации. В силу своей простоты и дешевизны метод использования диктофонов продолжает оставаться в числе наиболее часто применяемых, несмотря на появление все более изощренных способов добычи конфиденциальных сведений.
Данные системы предназначены для снижения эффективности работы средств звукозаписи путем наведения на вход усилителя низкой частоты шумоподобного сигнала.
На первом этапе развития подобных систем можно отметить создание подавителей, реализованных на ультразвуковых генераторах, воздействующих на микрофонный усилитель и вносящих значительные нелинейные искажения. Отличительными чертами таких систем подавления являются: необходимость работы в замкнутых объемах, вредность для здоровья человека, высокая стоимость.
Другой метод подавления диктофонов основывается на использовании импульсных источников электромагнитного сигнала в ДМВ диапазоне.
Все современные системы подавления, такие как "Рубеж", "Буран", "Шумотрон", "Рамзес", УПД, близки друг к другу по своей эффективности и принципу действия. Эффект подавления основан на воздействии на цепи радиоэлектронных устройств высокочастотным сигналом со специальным видом модуляции, который после навязывания запирает цепи АРУ при достаточной мощности или смешивается с полезным сигналом, значительно превосходя его по уровню и, соответственно, искажая его.
Основные сложности наблюдаются при подавлении экранированных диктофонов и диктофонов, используемых без выносных микрофонов. Необходимо отметить, практически все подавители имеют направленную антенную систему, и радиус эффективного подавления некоторых моделей диктофонов редко доходит до 5 м. Заметное ухудшение эффективности данных устройств наблюдается при попытке блокировать цифровой диктофон. Эффективность падает в этом случае в 2 – 3 раза, некоторые диктофоны не подавляются вообще. Замечено, что чем дешевле и проще цифровой диктофон, тем менее эффективен и подавитель диктофонов.
Каковы перспективы развития данных приборов?
На сегодняшний день тенденции обозначены:
- Повышение выходной мощности изделий. Верный путь повышения эффективности, но при этом возрастает риск для здоровья и блокируется офисная оргтехника.
- Навязывание не цифрового шума, а нейтральной речевой информации. Спорный путь.
- Уход рабочей частоты вверх, работа в диапазоне свыше 1 гГц. При этом уменьшаются габариты антенн, но непонятно, какое будет воздействие на организм человека, и как это скажется на эффективности и надежности прибора.
О надёжности приборов. Подавляющее большинство подавителей диктофонов, представленных на рынке, закамуфлированны в кейсы. В данном объёме расположены батареи питания, занимающие примерно 1/3 полезного объёма, огромный радиатор (при выходной мощности 30Вт к.п.д. выходной микросхемы, как правило, не превышает 35%), элементы необходимой электроники, в некоторых приборах даже зарядное устройство. Объём устройств подавления, закамуфлированных в кейс, « забит до отказа», расположить системы защиты от перегрузки или перегрева, как правило, уже не получается. Кроме того, чтобы не демаскировать устройство, как правило, не предусмотрены вентиляционные отверстия и принудительная вентиляция. Всё это ведёт к ненадёжности конструкции и частым выходам подавителей из строя.
Альтернативы. Как уже говорилось, были созданы ультразвуковые подавители, их недостатки уже перечислялись. Мною был опробован ещё один способ подавления магнитной записи – индукционный. Были достигнуты определённые положительные результаты, но о коммерческом изделии пока говорить рано.
Теперь, обозначив все плюсы и минусы данной аппаратуры, перейдем к практическому техническому решению прибора подавления магнитной записи на примере прибора «Парус-400С1».
ПАРУС – 400С1
Частота излучения 400 МГц
Импульсная излучаемая мощность 40 Вт
Средняя излучаемая мощность 5 Вт
Дальность гарантированного искажения записи (PANASONIC) 1,5 м
Направление излучения 80°
Система индикации световая
Питание стационарное 220 В 50 Гц
Средняя потребляемая мощность в режиме подавления не более 40 Вт
Масса не более 5 кг.
Вид исполнения - стационарный
ОПИСАНИЕ ФУНКЦИОНАЛЬНОЙ СХЕМЫ ПД

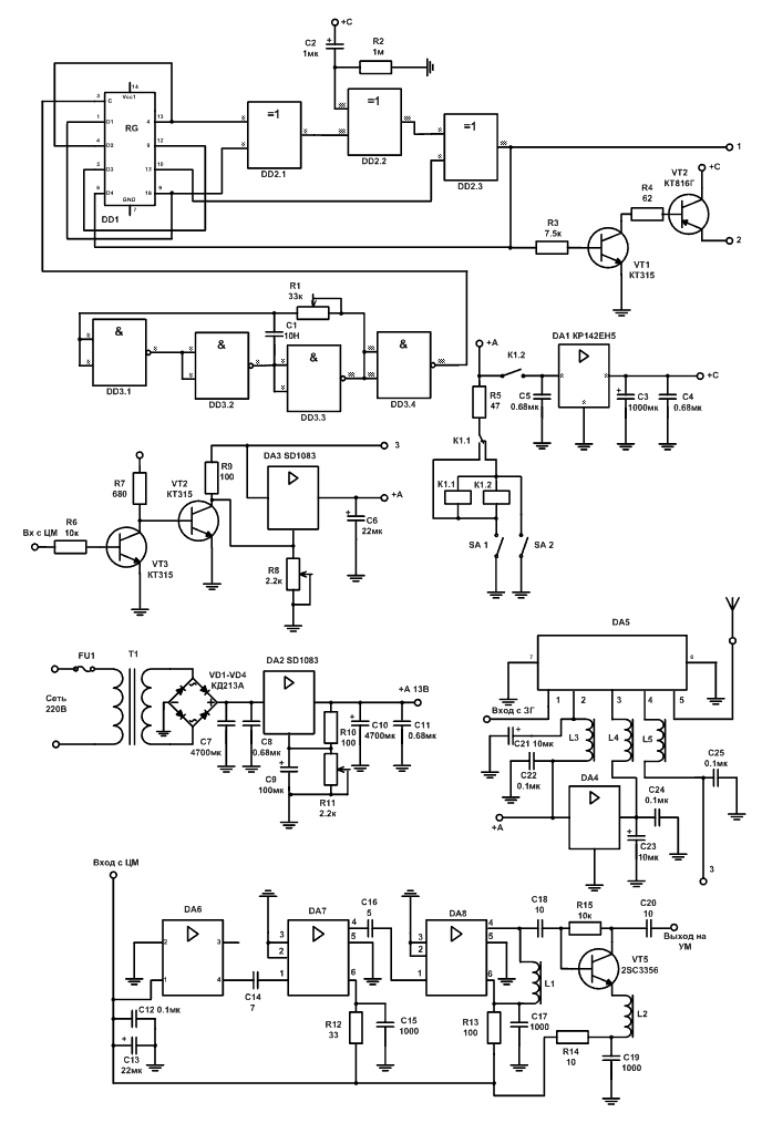
Рис.1. Функциональная схема ПД
В соответствии с условиями технического задания подавитель диктофонов должен включать в себя (рис. 1.) :
1. Блок питания (БП).
Блок питания состоит из трансформатора Т1, двухполупериодного мостового выпрямителя, выполненного на диодах VD1- VD4, фильтра на конденсаторе С7, С8, регулируемого стабилизатора на микросхеме DA2 и стабилизатора на микросхеме DA1.
БП должен обеспечивать стабильное питание прибора:
а) 6В; 0.8А, для питания цифрового модулятора, реализованного на микросхеме КР142ЕН5Б (выход С). Источник служит для питания ЦМ;
б) регулируемое напряжение от 8 до 13 В; 5А,(точный наминал устанавливается при настройке прибора, выход А +13В) реализован на микросхеме SD1083 для питания силовых частей схемы.
Трансформатор БП выполнен на тороидальном сердечнике.
Исходя из полученных данных, целесообразно использовать трансформатор серийного производства типа YM ELECTRONIC TRANSFORMATOR ETR-03065 220V/12V, имеющий следующие характеристики:
- первичная обмотка AC 230V, 0,28A, 50H;
- вторичная обмотка AC 12V, 65VA, 5.4A.
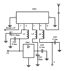
2. Цифровой генератор шума - цифровой модулятор (ЦМ) содержит последовательный регистр сдвига (КР176ИР10), сумматор по модулю 2 (КР176ЛП2), тактовый генератор (КР176 ЛА7), буферный каскад на транзисторах КТ315Г и КТ816Г. Диапазон частот генератора Fmin~20Гц Fmaх~20КГц. Смещение рабочего диапазона частот ЦМ осуществляется изменением тактовой частоты. Регистр и сумматор образуют непосредственно формирователь М-последовательности.
Полностью устройство вырабатывает белый шум, то есть сигнал псевдослучайной последовательности двоичных символов с равномерной спектральной плотностью в заданном диапазоне частот.
Питается ЦМ от источника 6В. Включается подачей напряжения от источника питания.
Рис.2 Цифровой генератор шума

Подача питания на генератор шума осуществляется при помощи реле К1. Это поляризованное реле типа РПС32Б, имеющее две обмотки.
Преимуществом реле данного типа является то, что после переключения контакты остаются в зафиксированном положении при снятии напряжения питания. Две обмотки позволяют варьировать рабочим напряжением. Одна обмотка U=24 вольта, две последовательно U=48 вольт, а две параллельно U=12 вольт. В нашем случае обмотки включены параллельно и переключение реле происходит следующим образом: если контакты реле находятся в положении, показанном на схеме (рисунок 2), то напряжение точки А (+13 вольт) не поступает через разомкнутые контакты К1.2 на микросхему DA1, но через резистор R5 и замкнутый контакт К1.1 напряжение поступает на верхние выводы обмоток К1/1 и К1/2 . При замыкании кнопки SA1 цепь R5, К1.1, К1/1, К1/2, SА1 замыкается, реле переключается, и ток через обмотки прекращается, но реле остается в переключенном состоянии. Ток через К1.2 поступает на DA1, устройство работает, а напряжение А (+13 вольт) подано на нижние выводы К1/1 и К1/2. Переключить в исходное состояние можно, нажав на кнопку SA2 . При долгом или неправильном нажатии на кнопку переключение не происходит, но ток короткого замыкания ограничивается резистором R5.
3. Блок задающего генератора и предусилителя (ЗГ) формирует выходной сигнал высокой частоты для “раскачки” усилителя мощности. Состоит из задающего генератора, выполненного на микросхеме PQV037Z, обеспечивающей возбуждение сигнала на частоте от 395МГц до 420МГц в зависимости от состояния выхода (CTL). Если на вывод «CTL» подать напряжение +6 вольт, то диапазон частот DD4 будет от 410.8МГц до 430 МГц, если подать 0 вольт, то диапазон частот DD4 будет от 396МГц до 398.4МГц в зависимости от напряжения питания. Так как выходная микросхема усилителя мощности имеет диапазон частот от 350МГц до 400МГц, то вывод (2) «CTL» подключаем к земле. Напряжение питания +6 вольт подаем на вывод (1) «Vcc». Выходная мощность микросхемы 1мкВт. Далее сигнал усиливается двумя микросхемами PQVIPC2746TE и PQVIPC2763TE до 5мВт, первая из которых является буфером, а вторая усилителем. Оконечный каскад предусилителя ВЧ выполнен на транзисторе 2SC3356, включенном по схеме с общим эмиттером. Питается предусилитель от выхода (2) генератора шума (ЦМ). Такая схема питания блока обеспечивает специальный вид модуляции, заложенный в принципе работы ПД, назовем её «Шумовая импульсная модуляция». Выходная мощность задающего генератора и предусилителя 30-50мВт. ЗГ выполнен на отдельной плате и помещен в экран.
4. Схема формирования модулирующего напряжения (СФ) выполнена на микросхеме SD1083 согласно типовой схеме включения. На управляемый вход микросхемы SD1083 через инвертор, выполненный на транзисторе VT3, подается сигнал из выхода (1) ЦМ. СФ - формирует напряжение, управляемое ЦМ с допустимым током нагрузки до 2А, с возможностью регулирования амплитуды от 1.5В до напряжения питания (точный номинал устанавливается при настройке прибора). Питается СФ от выхода (А) БП.
5. Исходя из технического задания, радиус действия УПД должен быть в пределах 1.5 метра. Для такого радиуса действия необходимая выходная мощность УПД примерно 4-5 Вт.
В качестве усилителя мощности для УПД предлагается использовать ВЧ модуль M57721L фирмы «MITSUBISHI ELECTRIC» (рис.3.).
Данный ВЧ модуль представляет собой функционально законченный усилитель мощности для применения в современной портативной и мобильной радиоэлектронной аппаратуре связи.
Важнейшими параметрами ВЧ модулей является полоса рабочих частот (F) и гарантируемое в ней значение выходной мощности (Р0), коэффициента усиления (Gp), коэффициента полезного действия (КПД) и коэффициента стоячей волны (КСВН) на выходе.
Модуль имеет однополярное питание. Максимально допустимые уровни напряжения питания и выходной мощности для ВЧ модулей MITSUBISHI обычно на 20 - 40 % выше номинальных значений.
Модули предназначены для работы в режиме SSB, имеют более линейную АЧХ и характеризуются малым уровнем гармоник (2F0) и (3F0). Для обеспечения устойчивой работы модулей MITSUBISHI необходимо использовать блокирующие конденсаторы в цепях питания и максимально короткие внешние соединения, обеспечить защиту корпуса модуля от сильных ударов и не допускать нештатных режимов работы по питанию, сопротивлениям нагрузки и температуре.
Технические характеристики ВЧ модуля M57721L:
F- частотный диапазон 350-400МГц
Р0 выходная мощность 7 Вт
Gp коэффициент усиления мощности 28.4 дБ
КПД 40%
Pin входная мощность не менее 10 мВт
Vcc напряжение питания 12.5 В
Vbb напряжение смещения 5 В
pin КСВН на входе 2.5
2F0 уровень второй гармоники на выходе -30 дБ
3F0 уровень второй гармоники на выходе -35 дБ
Температурный диапазон от -30 до +110? С
Предельные значения:
Р0 выходная мощность 15 В
Vcc напряжение питания 15 В

Рис.3. Стандартная схема включения микросхемы M57721L.
Для напряжения смещения в 5 вольт используется стабилизатор напряжения, выполненый на микросхеме КР142ЕН5А, включенный согласно типовой схеме.
На рис.3а, 3б, 3в показана графически работа ВЧ блока M57721L.

Схема включения ВЧ модуля типовая, предусматривает включение блокировочных конденсаторов и емкостей. Сигнал на вход микросхемы подается с выхода задающего генератора кабелем РК-50. Первый каскад усилителя питается от выхода (А). Напряжение разрешения работы Vbb - 5В, стабилизируется микросхемой КР142ЕН5А, питающейся от выхода (А). Третий каскад микросхемы питается с выхода (СФ). Схема выполнена на отдельной плате, закреплена на радиаторе и помещена в экран.
6. Антенна (АНТ). Применяем рамочную, четверть волновую, резонансную антенну, выполненную в виде квадратной рамки с длиной стороны, равной четверти длины волны (ЗГ). Изготовлена рамка из листовой меди толщиной 0.2мм, ширина каждого элемента антенны 10мм. Из расчета рабочей частоты устройства 397МГц длина волны равняется 0.75м. Исходя из этого, длина стороны рамки антенны будет равняться 0.19м.
Задняя часть антенны экранирована квадратным фольгированным листом стеклотекстолита со стороной 25см и расположенной от рамки антенны на расстоянии 10 -15% длинны волны, т.е. 7.5 – 11 см. Антенна подключается кабелем РК-50 к выходу (УМ). Антенна обеспечивает угол излучения 80°, поляризация вертикальная. Сопротивление антенны 50 Ом.

Схема электрическая принципиальная подавителя диктофона.

Данный материал был взят с сайта http://www.vrtp.ru/
|