Что-то не так?
Пожалуйста, отключите Adblock.
Портал QRZ.RU существует только за счет рекламы, поэтому мы были бы Вам благодарны если Вы внесете сайт в список исключений. Мы стараемся размещать только релевантную рекламу, которая будет интересна не только рекламодателям, но и нашим читателям. Отключив Adblock, вы поможете не только нам, но и себе. Спасибо.
Как добавить наш сайт в исключения AdBlockРеклама
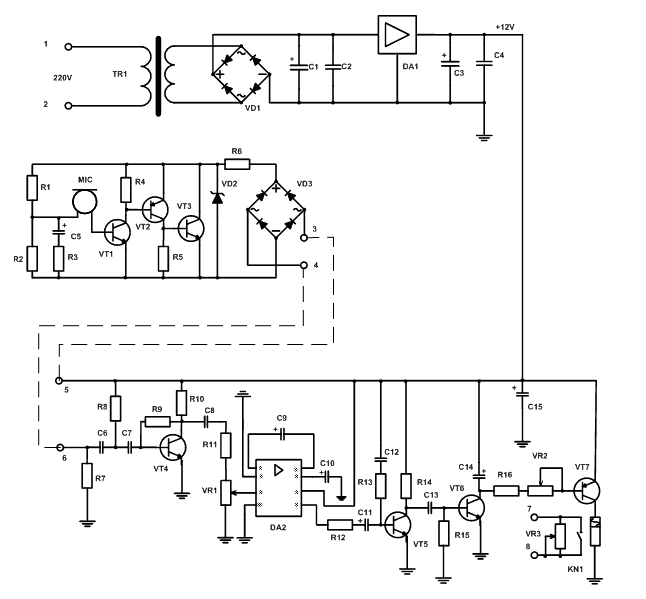
Система виброакустической защиты ";Акустопуск";
Система виброакустической защиты "Акустопуск"Данный блок предназначен для более комфортного использования систем виброакустической защиты. Принцип действия основан на активации устройства при превышении звукового фона в помещении порогового значения, установленного пользователем. Данный прибор применяется совместно с виброаккустическим шумогенератором и управляет его нагрузкой. Работа прибора Прибор включает в себя: Конструктивно прибор состоит из двух частей – блока выносного микрофона, выполненного в корпусе телефонной розетки и приёмного блока, в состав которого входит блок питания.
Схема соединенийВ режиме «молчания» шумовой сигнал с выхода генератора нагружается пьезодатчиками через регулируемое сопротивление VR3, которым устанавливается минимальный уровень шумового сигнала, блокирующий слабый акустический фон помещения. В режиме активации устройства, контакты реле приёмного блока замыкают сопротивление VR3, и шумовой сигнал поступает на датчики с амплитудой, установленной на шумогенераторе. Таким образом, происходит двухступенчатое управление нагрузкой шумогенератора. Схема прибора Схема блока питания включает в себя сетевой трансформатор (любой малогабаритный, обеспечивающий на выходе 12В, 0.8А), выпрямитель, реализованный на диодном мосте VD1, емкостях С1, С2, стабилизатор напряжения 12В, выполненный на интегральном стабилизаторе DA1, емкостях С3, С4. Схемы выпрямителя и стабилизатора типовые и в объяснении не нуждаются. Установка и регулировка прибораПрибор нуждается в правильной установке. Прежде всего, помещение необходимо разбить на рабочие зоны, т.е. зоны нахождения персонала в помещении. Надо помнить, что мебель, строительные перегородки в помещении не дают возможность использования одного прибора для уверенного срабатывания системы «акустопуск» в любой его точке. Соединив выносной микрофон, блок приёмника и шумогенератор согласно схеме соединений, необходимо подобрать место установки микрофона в каждой рабочей зоне помещения. При необходимости с одним шумогенератором можно использовать несколько приборов «акустопуск», коммутируя при этом группы вибродатчиков в разных зонах ответственности не зависимо друг от друга. Применение нескольких систем «акустопуск» повышает комфортность пользования системами виброзащиты. Разместив и соединив приборы в помещении, необходимо произвести окончательную настройку комплекса. С помощью органов управления шумогенератора настраивается оптимальный уровень шума для блокирования громкой речи. С помощью резистора VR3 настраивается уровень шума для блокирования шепота. С помощью резистора VR1 настраивается порог активации устройства «акустопуск». С помощью резистора VR2 регулируется время включения реле.
Данный материал был взят с сайта http://www.vrtp.ru/
|

