Что-то не так?
Пожалуйста, отключите Adblock.
Портал QRZ.RU существует только за счет рекламы, поэтому мы были бы Вам благодарны если Вы внесете сайт в список исключений. Мы стараемся размещать только релевантную рекламу, которая будет интересна не только рекламодателям, но и нашим читателям. Отключив Adblock, вы поможете не только нам, но и себе. Спасибо.
Как добавить наш сайт в исключения AdBlockРеклама
Способы подключения компьютерной гарнитуры с электретным микрофоном к трансиверу FT-840
Cпособы подключения компьютерной гарнитуры с электретным микрофоном к трансиверу FT-840.
Схема 1Предлагаю схему подключения компьютерной гарнитуры к трансиверу FT-840. Все дискретные элементы (R) размещены в корпусе разъема гарнитуры, напаиваются непосредственно на выводы стандартного разъема для трансиверов FT (родной микрофонный разъем гарнитуры можно отрезать), а блочная часть микрофонного разъема, установленная в трансивере, доработана следующим образом: Освобождаем вывод 2 разъема (в трансивере он соединен с массой) для этого аккуратно подрезаем скальпелем печатный проводник и подаем на него напряжение 9 вольт, которое снимаются с вывода 2 разъема JP7201 (движок резистора VR7201-1 VR-B-UNIT).
Рис. 1 Схема подключения (вариант 1) Резисторы R1 и R2 подбираются таким образом, что бы на выводе плюс электретного микрофона было напряжение примерно 1–1,5 в. Желательно, указанные резисторы выдержать одинаковыми по величине. Что бы трансивер мог после переделки работать и со штатным микрофоном, необходимо в разъеме штатного микрофона (мыльницы) проводник, идущей к контакту 2 перепаять на контакт 5 или 7. (масса) Указанный способ переделки подходит и для других аналогичных трансиверов, например FT-990. По отзывам корреспондентов в эфире, сигнал с подавляющем большинством опробованных мной современных компьютерных гарнитур получал высокие оценки. В процессе эксплуатации, из стандартного разъема трансивера, мной был сконструирован переходник для микрофонного входа, после чего отпала необходимость отрезать стандартный разъем при смене гарнитуры. Для телефонного разъема переходник можно приобрести в радиомагазине. Схема 2
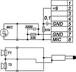
Рис. 2 Схема подключения (вариант 2) Часто при работе в эфире необходимо, чтобы руки были свободными. Например,
использование компьютера. К тому же, при долгой работе в эфире рука
устает держать стандартный микрофон-"мыльницу". Поэтому предлагаю
такую схему подключения гарнитуры, которая используется для компьютерных
мультимедиа и продается в компьютерных салонах. Все дискретные элементы
(R, C) размещены в корпусе разъема гарнитуры (старый разъем отрезан),
а блочная часть микрофонного разъема доработана. Освободив вывод 2 (подрезав
скальпелем печатный проводник) и подав на нее 9 вольт, которые снимаются
с вывода 2 разъема JP7201 (движок резистора VR7201-1 VR-B-UNIT).
|
