Что-то не так?
Пожалуйста, отключите Adblock.
Портал QRZ.RU существует только за счет рекламы, поэтому мы были бы Вам благодарны если Вы внесете сайт в список исключений. Мы стараемся размещать только релевантную рекламу, которая будет интересна не только рекламодателям, но и нашим читателям. Отключив Adblock, вы поможете не только нам, но и себе. Спасибо.
Как добавить наш сайт в исключения AdBlockРеклама
Дополнительное оснащение трансивера ";Alinco DR-130";
Дополнительное оснащение трансивера "Alinco DR-130"
После приобретения трансивера возник первый вопрос, где его установить в мой shack. В автомобиле он крепится в специальной скобе (см. рисунок.), обеспечивающей удобный доступ к управлению, а самое главное, охлаждение радиатора. Если трансивер просто положить на стол, им неудобно управлять, да и охлаждение оставляет желать лучшего. После некоторых раздумий появилась мысль поставить скобу снизу, несколько изменив ее форму и размеры. Установить в подвале несколько элементов защиты для работы в полевых условиях, на передней панели - дополнительные индикаторы и органы управления, а под радиатором, вентилятор для принудительного охлаждения. О его необходимости чуть позднее. На боковой стенке скобы закрепить кронштейн для тангенты.
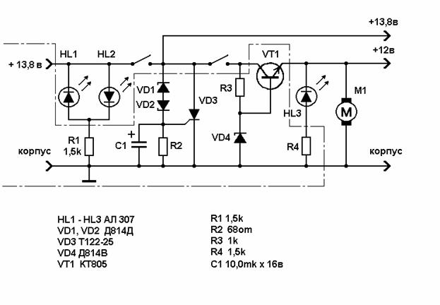
Теперь пару слов об электрической схеме.При правильном подключении к источнику питания светится светодиод HL1 зеленого цвета, а HL2, красного цвета, при нарушении полярности включения. Как говорил знаменитый Мерфи (авиатехник с военной базы в США), <если какой либо прибор можно собрать неправильно, то всегда найдется человек, который это сделает>. Далее через клавишный переключатель напряжение питания подается на трансивер и на устройство защиты от превышения напряжения, выполненное на тиристоре VD3. Вентилятор М1 питается от стабилизатора на транзисторе VT1, включаемый так же клавишным переключателем. Светодиод HL3 желтого цвета, зачем он нужен, догадайтесь сами. На схеме не показан предохранитель на 10А, включенный в разрыв плюсового провода, идущего к блоку питания.
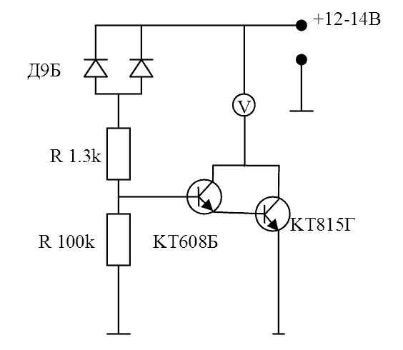
Если трансивер предполагается эксплуатировать в стационарных условиях, и вы уверены в своем источнике питания, то схему можно упростить, оставив только вентилятор и его выключатель. При использовании в качестве М1 cooler-а от компьютера, желательно поставить гасящий резистор, т.к. при напряжении 13,8в он ощутимо шумит. На освободившееся место можно установить индикатор состояния антенно-фидерного тракта на основе коаксиального ответвителя (неоднократно описывался в различной радиотехнической литературе как измеритель КСВ). Теперь о необходимости вентилятора. В трансивере усилитель мощности ВЧ напряжения выполнен на транзисторной сборке S-AV17, (в зависимости от фирмы изготовителя обозначение может быть иным) по схеме IC-5. Она работает в довольно жестком тепловом режиме. Из-за частого перепада температуры при длительной эксплуатации трансивера, а радиолюбители зачастую используют б/у аппараты, происходит обрыв дорожки от управляющего вывода сборки V1 к управляемому транзистору. В моей практике три случая, а это уже закономерность. После ремонта мой трансивер работает уже два года. Вентилятор включаю только при проведении QSO. Для получения более подробной информации обращайтесь на E-mail: ra3vgq (at) mail.ru , ra3vgq {at} fromru.com. или rw3va (at) qrz.ru Всем 73! Владимир Рыбаков RA3VGQ Доработка схемы охлаждения радиатораПривожу схему охлаждения радиатора.Что я еще заметил когда ее опробывал на р/станции, при мощности - 5вт она работает как я и описывал, а при мощности 35вт вентилятор включается сразу и работает до тех пор пока идет передача. Схема без глюков обратное сопротивление диода 280 ом каждого. Вентилятор применяю от кулера для охлаждения процессора напряжение 13.8 вольта.
Предложил - Александр Удовенко US5MC. E-mail AVUdovenko (at) tnk-bp.com
|




