Что-то не так?
Пожалуйста, отключите Adblock.
Портал QRZ.RU существует только за счет рекламы, поэтому мы были бы Вам благодарны если Вы внесете сайт в список исключений. Мы стараемся размещать только релевантную рекламу, которая будет интересна не только рекламодателям, но и нашим читателям. Отключив Adblock, вы поможете не только нам, но и себе. Спасибо.
Как добавить наш сайт в исключения AdBlockРеклама
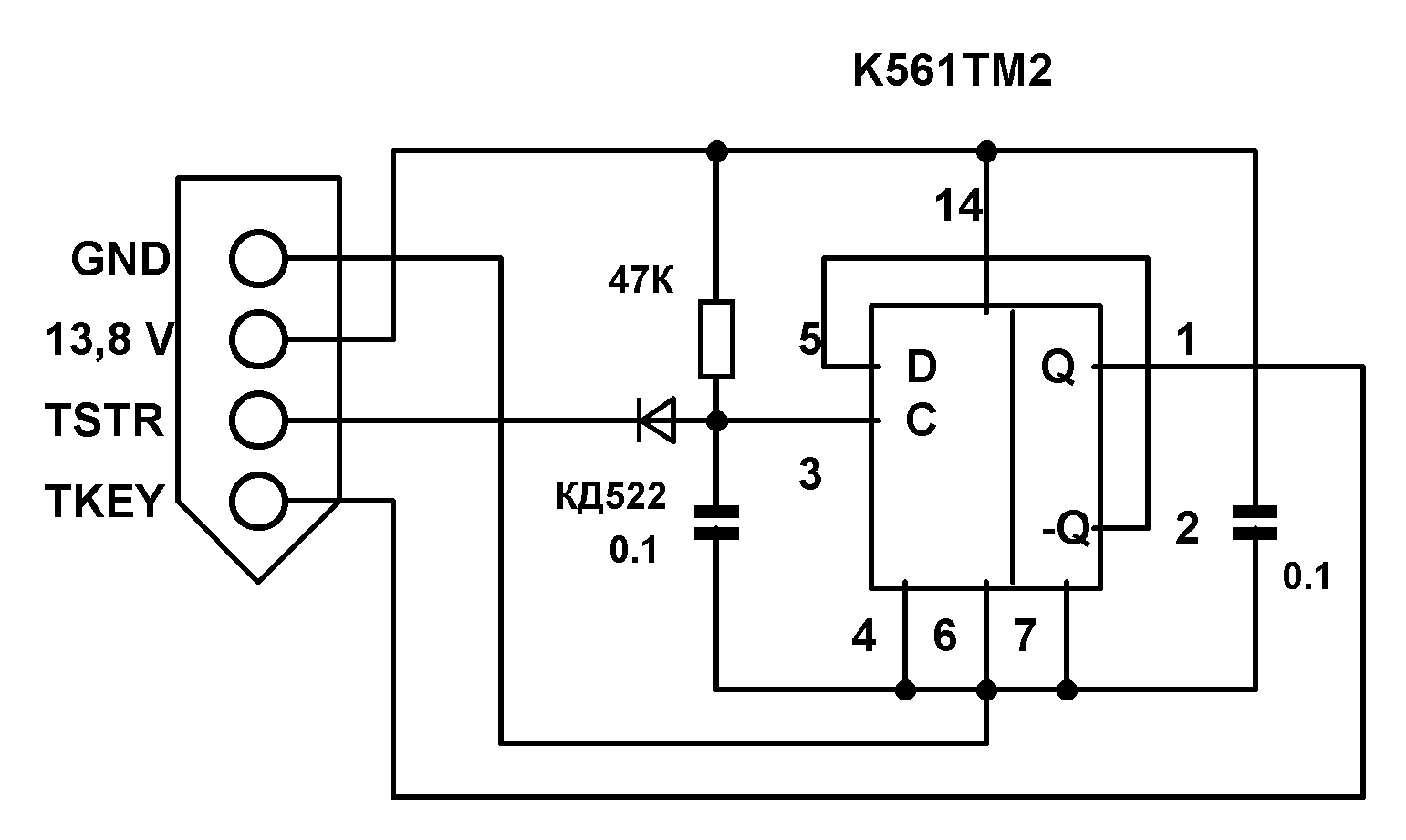
Простой симулятор тюнера для Icom-706
Простой симулятор тюнера для Icom-706.
На сайтах посвященных любительской тематике уже были публикации о симуляторах тюнера для трансиверов серии ICOM-706. Вниманию радиолюбителей предлагается еще один простой вариант подобного устройства. Оно отличается отсутствием временного ограничения на режим передачи на предлагаемых в предыдущих конструкциях. На мой взгляд для использования с ручным тюнером это гораздо удобнее. Вряд ли Ваша настройка совпадет по времени с установленным временем ограничения включения. А это значит что Вы либо должны будете принудительно выключить симулятор, либо снова перезапустить его (что для некоторых конструкций целая проблема). В любом случае таймер оказывается бесполезен. Предлагаемая схема очень проста, детали монтируются прямо на разъеме и заливаются герметиком. Получается что-то вроде заглушки. При первом нажатии загорается светодиод на кнопке Tuner, при втором нажатии трансивер переходит в режим передачи, светодиод на кнопке мигает. При третьем нажатии трансивер переходит в режим приема. При необходимости процедуру можно повторить без всякой задержки. Симулятор опробован с трансивером ICOM-706 (без дополнительных букв). 73's Акопов Роберт UN7RX
|
